Повышение качества продукции на предприятии































































































Объём пояснительной записки 107 страниц, рисунков 16, таблиц 44, источников 13, приложений 2.
Тема: Повышение качества продукции на предприятии (на примере ЗАО «Атлант»).
Ключевые слова: качество продукции, контроль качества, конкурентоспособность, система менеджмента качества, результативность, эффективность, частные критерии результативности, весовые коэффициенты, управление температурным режимом, система управления охраной труда.
Объект исследования: Закрытое акционерное общество «Атлант».
Цель работы: на основании исследования и анализа состояния предприятия разработать мероприятия по повышению качества выпускаемой продукции.
В процессе изучения объекта исследования проведен анализ основных технико-экономических показателей предприятия, объёма производства и реализации продукции, прибыли, себестоимости, качества и конкурентоспособности продукции за последние годы, дана приблизительная оценка результативности действующей на предприятии системы менеджмента качества.
На основе полученных в результате анализа данных в проектной части:
предложен комплекс организационно-технических мероприятий по повышению качества продукции за счет совершенствования системы менеджмента качества;
предложен вариант применения электронного блока управления в производстве двухкамерного холодильника, который позволит повысить качество выпускаемой продукции;
даны предложения по оптимизации условий труда на предприятии.
Содержание
Введение
1 Роль качества продукции в производственно-хозяйственной деятельности предприятия
1.1 Понятие и значение категории качества продукции
1.2 Качество как важнейшее условие повышения конкурентоспособности продукции
1.3 Система менеджмента качества продукции на предприятии
2 Характеристика и анализ производственно-хозяйственной деятельности ЗАО «Атлант»
2.1 Общая характеристика предприятия и его организационно-управленческая структура
2.1.1 История создания и развития предприятия
2.1.2 Организационная структура управления предприятием
2.1.3 Характеристика выпускаемой продукции и рынков сбыта
2.2 Анализ основных технико-экономических показателей деятельности предприятия
2.2.1 Анализ плана производства и реализации продукции
2.2.2 Анализ себестоимости продукции
2.2.3 Анализ прибыли
2.2.4 Анализ использования основных фондов
2.2.5 Анализ использования оборотных средств
2.2.6 Анализ показателей по труду и заработной плате
2.2.7 Анализ показателей качества продукции
2.2.8 Анализ конкурентоспособности продукции
3 Мероприятия по улучшению качества продукции на предприятии
3.1 Организационно-технические мероприятия по совершенствованию системы менеджмента качества
3.2 Применение электронного блока управления в производстве двухкамерного холодильника
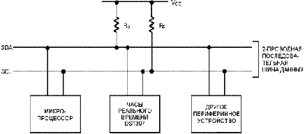
3.2.1 Характеристика устройства и существующие методы управления температурным режимом
3.2.2 Конструкция и описание составляющих электронного блока
3.2.3 Расчет экономических показателей применения блока
4 Социально-экономические методы управления качеством продукции.
4.1 Роль охраны труда в повышении качества продукции
4.2 Социально-экономические методы в системе охраны труда
4.3 Мероприятия по оптимизации условий труда на предприятии
Заключение
Список литературы
Приложение А Схема организационной структуры ОУК
Приложение Б Организационная структура управления ЗАО «Атлант»
Введение
Развивающиеся рыночные отношения коренным образом изменяют условия функционирования предприятий и организаций всех форм собственности. От директивно-распорядительных механизмов с жестко определенной системой ограничений хозяйственной деятельности экономика переходит к рыночной модели, где решающее значение приобретают спрос и предложение, конкуренция, свобода предприятия в выборе стратегии и тактики своего развития. Рыночные процессы непосредственно влияют на валютные курсы, уровень цен, кредитную политику, условия страхования.
Показателем эффективности и основной целью деятельности предприятия в условиях рыночной экономики является прибыль. Однако обеспечение успешного функционирования предприятия в течение длительного времени связано также с реализацией целого ряда других целей. Решающую роль здесь играют: повышение качества продукции, обеспечение эффективности инвестиций, повышение квалификации всех категорий персонала, достижение высокого уровня технологичности производства.
Работа предприятий в этих направлениях выводит их в новые условия, где главным регулятором становится рынок. Это создает объективные предпосылки для перестройки систем управления производства на принципах маркетинга – рыночной концепции управления, где важнейшим фактором конкурентоспособности продукции выступает качество продукции.
Особое значение проблемы качества продукции определяется тем, что она является комплексной и затрагивает интересы как производителей, так и потребителей, общества в целом.
В дипломной работе объектом исследования является закрытое акционерное общество «Атлант» – единственное предприятие в Республике Беларусь, которое выпускает холодильную технику бытового назначения и автоматические стиральные машины, а также специализируется на производстве компрессоров к бытовым холодильникам и морозильникам, электрочайников, изготовлении специального оборудования для собственного производства, продукции станкостроения.
Целью работы является разработка мероприятий по повышению качества выпускаемой продукции на основании теоретических исследований проблемы, анализа её состояния на предприятии. Для достижения поставленной цели требуется решить следующие задачи:
- исследовать теоретические аспекты качества продукции;
- дать общую характеристику предприятия и его производственно-хозяйственной деятельности;
- проанализировать основные технико-экономические показатели;
- провести анализ качества и конкурентоспособности продукции;
- разработать мероприятия по улучшению качества продукции.
1 Роль качества продукции в производственно-Хозяйственной деятельности предприятия
Понятие и значение категории качества продукции
Под качеством продукции понимается совокупность характеристик, придающих ей способность удовлетворять обусловленные или предполагаемые потребности.
Описание качества продукции производится с помощью единичных, комплексных и обобщающих показателей.
Единичные показатели качества характеризуют определенное свойство продукции и разделяются на группы:
- назначения – характеризуют область применения и функции продукции;
- надежности – свойства изделия сохранять эксплуатационные показатели в заданных пределах в течение требуемого промежутка времени;
- технологичности – отражает эффективность конструктивно-технологических решений;
- эстетические – характеризуют внешний вид изделия;
- эргономические – характеризуют соответствие изделия гигиеническим, антропометрическим, физиологическим и психологическим потребностям человека;
- стандартизации и унификации – показывают степень использования стандартизованных и унифицированных узлов, деталей;
- патентно-правовые – отражают степень защищенности патентами основных технических решений изделия;
- транспортабельности – приспособленность продукции для транспортировки;
- экологические – уровень воздействия на окружающую среду;
- безопасности – для покупателей и обслуживающего персонала.
Комплексные показатели качества – характеризуют несколько свойств изделия. Они используются при управлении качеством продукции, оценки ее конкурентоспособности. При расчете данных показателей используют аналитический метод, при котором устанавливается функциональная зависимость комплексного показателя от единичных, и коэффициентный
метод, при котором комплексный показатель образуется в результате суммирования единичных показателей с учетом коэффициентов весомости.
Обобщающие показатели качества – характеризуют уровень качества всей продукции в целом: удельный вес новой продукции; продукции поставляемой на экспорт, соответствующей мировому уровню качества; сертифицированной продукции в ее общем объеме.
Качество продукта – тот показатель, которому в долгосрочной перспективе рынок уделяет наибольшее внимание. Однако необходимо отметить, что в отличие от манипуляций с ценами, изменение качественных показателей – процесс достаточно долгосрочный, требующий не только финансовых вложений, но и, в некоторых случаях – переоборудования производства. Его протяженность, к тому же, определяется необходимостью затрат времени на доведение до потенциальных потребителей информации о произошедших изменениях в качественных характеристиках продукции, а также дополнительным сроком, требующимся потенциальным клиентам для осознания произошедших перемен, принятия решения о совершении покупки, выбора между взаимозаменяемыми товарами.
Говоря об определении термина «качество», нельзя не упомянуть о другом направлении его трактовки. В экономической науке «качество» рассматривается как спектр свойств товара, включающий в себя все возможные для продукции данного типа достоинства. Расхождения ученых возникают на этапе включения в категорию характеристик качества товара его стоимостных показателей, формирующих цену.
Более логичной здесь является позиция экономистов, разделяющих эти понятия. Потребитель проводит градацию товаров посредством перевода его качественных характеристик в плоскость стоимостного выражения, представляя тем самым продукт как набор финансовых эквивалентов. Наличие каждого дополнительного свойства, рассматриваемого человеком в виде важного компонента товара, делает его совокупную стоимость в глазах покупателя больше. Качество, наряду с действием маркетинговых факторов (появившихся в инструментарии предпринимателей, позволяющем увеличивать потребительскую стоимость товаров, в XX в.) предоставляет возможность осуществить трансформацию имманентных свойств изделия в образ, свойственный области денежных отношений.
Контроль уровня качества, проводимый на предприятии, не является завершающей проверкой степени соответствия заявленного качества реальному уровню – последней инстанцией становится потребитель. Именно он повторной покупкой или отказом от нее показывает фирме, насколько удовлетворительно сработали ее подразделения, отвечающие за обеспечение качества товаров и услуг.
Качество как важнейшее условие повышения конкурентоспособности продукции
Качество продукции является одним из базовых принципов, определяющих величину конкурентоспособности предприятия. При этом качество выступает в виде приоритетного фактора увеличения конкурентоспособности в длительный промежуток времени. Конкурентная стратегия, ориентированная на увеличения доли рынка, принадлежащего предприятию, должна учитывать необходимость обеспечения максимально возможного спектра показателей качества. При определении термина «качество товара» следует вычленять из этой категории стоимостные показатели, формирующие цену. Стоимостные характеристики, отражающие, в том числе, величину вложений в улучшение качества и выраженные в цене, нужно считать не атрибутами качества, а мерой его оценки.
Одним из ключевых составляющих конкурентоспособности предприятия является вопрос качества производимых им товаров или оказываемых услуг. Качество – наиболее весомый критерий для покупателей при определении на долгосрочную перспективу степени того, насколько приобретенный продукт удовлетворяет предъявляемым запросам. Зачастую первоначальная покупка происходит вследствие желания следовать рекламным обещаниям, либо под воздействием умело выполненной упаковки, т.е. благ.ря сугубо маркетинговым составляющим борьбы за клиентуру, нацеленным, в первую очередь, на первоначальную, не редко эмоциональную реакцию на товар, побуждающую его приобрести.
Покупатели часто приходят в торговую точку не за продукцией определенной торговой марки, а за товаром некоторой категории. На их выбор, скорее всего, повлияет уже обозначенная известность, модность марки изделия, привлекательность его упаковки, ценовая ниша, занимаемая им, и т.д. Тем не менее, окончательный выбор в пользу товара приобретенной марки или против него будет совершен уже после покупки, и главными характеристиками, влияющими на его результат, станут эксплуатационные возможности продукта, т.е. его качество.
В случае если реальное качество не соответствует заявленному в рекламных акциях или не отвечает уровню исполнения упаковки, акт пробной покупки продукта может остаться единственным, а потребитель с высокой долей вероятности переключится на товары-субституты других производителей. И вернуть доверие окажется либо невозможно, либо сопряжено с серьезными затратами. Более того, даже в случае, если фирма выиграла борьбу за потребителя с помощью соответствующего заявке качества товара, она не имеет права снижать требования к его поддержанию на высоком уровне. В противном случае насыщенный конкурентный рынок (а именно такими являются рынки в подавляющем большинстве предпринимательских ниш) предложит широкий ассортимент товаров-заменителей, на которые обманутый покупатель и обратит свое внимание.
Категория качества товара не ограничивается единственно и исключительно эксплуатационными, вкусовыми характеристиками, составом, ингредиентами, сроком использования и т.д. (в зависимости от вида товара); все эти понятия следует рассматривать как составляющие всеобъемлющего показателя. Как правило, наличия лишь одного атрибута, характеризующего качество товара, недостаточно для того, чтобы покупатель начал рассматривать продукт в виде основного для своей потребительской корзины. Даже товары (услуги) низшей ценовой категории должны обладать полным набором качественных характеристик (это справедливо и для потребителей, вынужденных покупать продукцию низкого сорта, для которых понятие «качество» несколько размыто), чтобы вследствие жесткой конкурентной борьбы не исчезнуть с соответствующего сегмента рынка.
Привязка качества к конкурентоспособности не случайна. Каждый вид товара обладает объективными и субъективными признаками, и, если внешняя (маркетинговая) оболочка представляется нам субъективным признаком (зависящим от представления о нем субъекта – покупателя), то объективные свойства продукта определяют именно его качественные показатели. Оба типа признаков товара важны при определении места продукта на «эталонном прилавке», более того, чрезмерное опережение одних из признаков характеристик из другой категории в большинстве случаев не приведет к росту спроса на товар, т.е. наибольшая польза, выраженная в увеличении продаж, может быть извлечена лишь в случае равномерного улучшения как объективных, так и субъективных признаков продукта.
Покупатель ранжирует известные ему благодаря яркой «маркетинговой оболочке» изделия посредством определения места каждого из них в его личном «рейтинге качества». Именно показатель качества товара (услуги) обеспечивает в конечном итоге лояльность целевого сегмента, является наиболее важным для потребителя и устойчивым атрибутом продукта, определяющим количество повторных покупок и, тем самым, величину спроса. И, если конкурентоспособность представляет собой возможность успешно вести борьбу за потребителей, то качество выступает важнейшим инструментом воздействия на нее.
Рассуждая о показателях, формирующих качество, следует отметить, что предприниматель, заботящийся о конкурентоспособности своей продукции, должен принимать во внимание и обеспечивать максимально возможный их спектр. Необходимость подобного обосновывает неоднородность в представлении потребителей об оптимальном наборе качественных характеристик покупаемого ими товара. Одну группу клиентов не заботит наличие широкой гаммы атрибутов качества, решающую же роль играет существование единственного определенного компонента. Другую группу интересует присутствие обязательного для предыдущей свойства в связке с еще одним, третья – не готова жертвовать ни единым из возможных качеств и т.д. Таким образом, учет максимального количества параметров качества, которое возможно заложить в производимый продукт (оказываемую услугу), гарантирует фирме выгодное положение на рынке.
Каждый индивид определяет стоимостное выражение представленного набора качественных характеристик товара по-своему и его представление, зачастую, не совпадает с назначаемой производителем ценой, и именно это противоречие не позволяет человеку совершить покупку. Более того, в случае столкновения индивида с гораздо меньшей ценой на продукт, нежели стоимость, которая, в его представлении, должна выражать заявленный круг качественных параметров, человек с большой долей вероятности не станет совершать покупку, так как будет уверен в том, что продавец не честен по отношению к нему.
Таким образом, стоимостные характеристики, отражающие, в том числе, величину вложений в улучшение качества и выраженные в цене, нужно считать не атрибутами качества, но мерой его оценки.
Стоит, однако, отметить, что подобное утверждение справедливо для государств со свободной рыночной экономикой. В таких странах государственный аппарат не влияет на действие законов рынка, в том числе не предписывает предприятиям, что и в каком виде производить, вследствие чего реализуются права экономических субъектов на свободу предпринимательской деятельности, регулируемую действием конкуренции. Борьба за покупателя и большое количество предприятий, занимающихся аналогичной деятельностью, заставляют фирму проводить работы по увеличению конкурентоспособности производимых товаров (оказываемых услуг).
Невозможность потребителя «проголосовать покупкой» за товар, обладающий определенным набором качественных характеристик, из-за присутствия на рынке четко ограниченного количества унифицированных изделий со схожим перечнем качественных атрибутов делает продукцию предприятий, действующих на территории государств с командной экономикой, неконкурентоспособной. И, если внутри страны такие товары находят рынки сбыта в связи с тем, что их невозможно заменить импортными аналогами, зачастую запрещенными к ввозу, то за границей они оказываются несостоятельными. Наша страна в период господства коммунистической идеи сталкивалась с подобными трудностями. Государственный аппарат принимал решение по всем важнейшим экономическим вопросам: что, как производить, с помощью каких ресурсов, технологий и методик, кому реализовывать производимую продукцию, и на основе средне и долгосрочных планов доводил их до предприятий всех уровней. Вследствие этого рынок был наводнен однотипной продукцией, обладающей сравнительно одинаковой гаммой потребительских, качественных свойств. Хозяйствующие субъекты не были заинтересованы в увеличении объема продаж, поэтому отпадала необходимость производить более качественные (более интересные покупателю) изделия.
1.3 Система менеджмента качества продукции на предприятии
Руководство предприятия проводит целенаправленную работу, направленную на системное решение вопросов по управлению качеством продукции. С 1998 г. на МЗХ применительно к производству бытовой техники и торгового оборудования разработана, задокументирована, внедрена и поддерживается в рабочем состоянии Система Менеджмента Качества (СМК) в соответствии с требованиями СТБ ИСО 9001-2001. Она предусматривает периодический анализ со стороны руководства достигнутых результатов и принятие дальнейших решений и корректирующих мер по их совершенствованию. Результативность СМК постоянно повышается.
Система управления качеством выпускаемых холодильников охватывает все стадии его производства (смотрите таблицу 1.1).
Таблица 1.1 - Система менеджмента качества ЗАО «Атлант»
Стадии формирования качества
Основное качество
1 Конструкторская подготовка
производства
2 Технологическая подготовка
производства
3 Материально-техническое снабжение
4 Вспомогательное производство
5 Основное производство
6 Сбыт и эксплуатация
Качество модели
Качество технологической подготовки
Качество поставок
Качество инструментальной подготовки
Качество изготовления
Качество эксплуатации
Успешное управление качеством продукции возможно при соблюдении следующих условий:
- наличия программы, обоснованно устанавливающей цель управления и методы ее достижения;
- наличия материальных и организационных средств, обеспечивающих достижение целей, установленных программой управления;
- наличия стимулов, обеспечивающих заинтересованность работников в выполнении программы управления;
- своевременность управляющих воздействий и выработки решений.
Управление качеством, как любая система, состоит из объекта и субъекта управления. Объект управления – качество продукции на всех стадиях его формирования. Субъект управления – административно-технический аппарат, работающий в соответствии с утвержденной нормативно – технической документацией.
Система управления качеством включает:
- исполнительную часть, которая в соответствии с требованиями нормативно – технической документации обеспечивает оптимальный уровень качества выпускаемой продукции на всех стадиях его формирования;
- контрольную часть, которая складывается из линейно-функционального и инспекционного контроля, состоящего из технического и технологического.
Линейно – функциональный контроль есть контроль качества труда непосредственных исполнителей через их руководителей. Качество работы каждого исполнителя влияет на весь производственный процесс, количество, качество и себестоимость производственной продукции.
Качество производственных процессов складывается из качества предметов труда, средств труда и качества трудовой деятельности исполнителей, т. е. комплексного качества труда работников.
Качество труда работников складывается из уровня техники и технологии, состояния технологической и трудовой дисциплины, научной организации труда и производства, степени, квалификации, мастерства, объема получаемой информации. Т.е. качество продукции начинается с рабочего места, условий труда и умения человека четко, рационально организовывать свою работу.
Информационное обеспечение системы управления качеством представляет собой совокупность сведений о качестве производственных процессов и внешних условий, регистрируемых, передаваемых, накапливаемых и обрабатываемых для выработки управляющих воздействий, обеспечивающих выпуск качественной продукции.
Целями создания и функционирования СМК являются:
достижение и поддержание качества продукции на уровне, обеспечивающем постоянное удовлетворение требований, ожиданий и потребностей потребителя;
гарантированное выполнение норм государственных и международных стандартов, директивных документов, являющихся обязательными для продукции;
обеспечение конкурентоспособности продукции на внутреннем и внешнем рынках, расширение рынков сбыта;
соблюдение требований по охране здоровья работников, охране труда и окружающей среды;
обеспечение уверенности руководства в том, что планируемое качество обеспечивается постоянно;
достижение понимания всеми работниками завода, что от качества работы каждого зависит успех общего дела, личное благосостояние.
удовлетворенность сотрудников качеством труда и результатами деятельности.
СМК создана и внедрена как средство, обеспечивающее проведение установленной политики и достижения поставленных целей в области качества, она разработана с учетом всех этапов жизненного цикла холодильников, морозильников и шкафов холодильных.
СМК предусматривает три направления деятельности:
- обеспечение качества;
- управление качеством;
- улучшение качества.
Основной принцип, реализуемый в СМК – обеспечить уверенность потребителей в том, что требования, относящиеся к продукции, изучены и выполнен их анализ до принятия руководством МЗХ обязательства поставлять продукцию потребителю, а возможные проблемы качества заранее предупреждаются, решаются, а не устраняются после возникновения.
При создании СМК работники МЗХ использовали современные методы создания систем качества, опираясь на следующие принципы:
- ориентация на потребителя;
- лидерство руководителя;
- вовлечение работников;
- процессный подход;
- системный подход к менеджменту;
- постоянное улучшение;
- принятие решений, основанное на фактах;
- взаимовыгодные отношения с поставщиками.
Процессный подход является основой для построения и развития СМК, для достижения результативности и эффективности производства, становления процессов постоянного улучшения как одной из целей менеджмента качества.
В рамках СМК:
определены процессы, необходимые для СМК;
определены последовательность и взаимодействие процессов СМК в соответствии с методологией функционального моделирования;
определены показатели, необходимые для обеспечения результативности при осуществлении и управлении процессами;
обеспечивается наличие ресурсов и информации, необходимых для функционирования процессов СМК и их мониторинга;
осуществляется мониторинг, измерение и анализ процессов СМК;
принимаются меры, необходимые для достижения запланированных результатов и постоянного улучшения процессов СМК.
В перечень процессов СМК включены:
процессы менеджмента качества, включающие ответственность высшего руководства, анализ и улучшения;
процессы менеджмента ресурсов;
процессы жизненного цикла продукции;
– процессы измерения, анализа и улучшения;
– внутренний аудит, управление несоответствующей продукцией, корректирующие и предупреждающие действия.
На МЗХ определена документация, необходимая для разработки, внедрения и поддержания в рабочем состоянии СМК и результативного выполнения процессов.
Документация разработана с учетом законодательных и обязательных требований потребителей и других заинтересованных сторон.
документация СМК включает:
политику в области качества и охраны окружающей среды;
цели в области качества;
руководство качеством;
документированные процедуры, описания процессов;
другие документы (положения о подразделениях, должностные инструкции, организационно-распорядительные документы, технические документы, программные документы);
записи;
внешние документы.
Управление и контроль качества продукции, работ, услуг производиться в рамках действующей СМК. Представителем высшего руководства МЗХ в СМК является зам. генерального директора ЗАО «Атлант» по управлению качеством - начальник Отдела управления качеством (ОУК). Он несет ответственность за:
разработку и осуществление стратегии управления качеством;
организацию разработки, внедрения и поддержания в рабочем состоянии СМК;
доведение до сведения персонала важности выполнения требований потребителей, законодательных и обязательных требований;
участие в разработке и актуализации политики предприятия;
координацию деятельности по разработке целей и проведение их анализа;
организацию доведения Политики и Целей в области качества до сведения персонала;
организацию проведения внутренних аудитов СМК и проверок (аудитов) предприятий - поставщиков (включая предприятия кооперации);
организацию технического контроля качества продукции;
участие в работе по рассмотрению рекламаций по качеству продукции и организацию работы по изучению причин возникновения несоответствий;
сбор, анализ и обобщение данных о качестве и представление отчетов высшему руководству МЗХ о выполнении Политики, Целей, результативности СМК и необходимости улучшения;
организацию работ по стандартизации, метрологии и авторскому праву;
планирование и проведение совещаний по качеству;
организацию разработки, контроля исполнения и анализа корректирующих и предупреждающих мероприятий по качеству.
Зам. генерального директора ЗАО «Атлант» по управлению качеством имеет право:
представлять интересы МЗХ по поручению генерального директора в государственных органах и других организациях по вопросам своей компетенции;
вносить на рассмотрение руководства предложения по сохранению целостности, совершенствованию СМК и улучшению деятельности подчиненных подразделений;
требовать от подразделений и должностных лиц МЗХ выполнения требований СМК;
запрашивать и получать от подразделений необходимые документы и информацию;
принимать решения о приостановке приемки и отгрузки продукции, несоответствующей нормативно-технической документации или требованиям договоров (контрактов), с немедленным извещением генерального директора;
проводить аудиты СМК на МЗХ и проверки (аудиты) на предприятиях - поставщиках (включая, предприятия кооперации).
представлять генеральному директору ЗАО «АТЛАНТ» предложения о привлечении к ответственности работников МЗХ за несоблюдение требований по качеству продукции и технологической дисциплины;
представлять к поощрению работников за надлежащее выполнение требований в области качества;
участвовать в конференциях, собраниях, совещаниях и проводить совещания по вопросам своей компетенции;
утверждать отчеты, планы работы и должностные инструкции подчиненных ему подразделений и работников.
Схема организационной структуры отдела управления качеством приведена в приложении А.
1.3.1 Оценка эффективности работы СМК
Мониторинг информации, касающийся удовлетворенности потребителей - один из способов измерения результативности СМК.
Измерение и мониторинг удовлетворенности потребителей базируется на анализе информации, связанной с потребителями, и оценивается не реже одного раза в полугодие и отражается в отчете по удовлетворенности.
Методами получения информации для оценки удовлетворенности потребителей являются анкетирование потребителей и работа с обращениями, жалобами и претензиями.
Объектами оценки удовлетворенности потребителей могут быть выбраны:
- качество продукции;
- взаимодействие с потребителями;
- процесс поставки;
- процесс гарантийного и послегарантийного обслуживания;
- другие в зависимости от целей и задач исследования.
Проводится анкетирование:
- конечных потребителей техническими, функциональными и эргономическими характеристиками продукции; эффективностью выполнения сервисного обслуживания выпускаемой МЗХ бытовой техники;
- дилеров и торговых организаций работой с МЗХ.
Внутренние аудиты проводятся с целью обеспечения уверенности руководства в том, что СМК:
а) соответствует требованиям СТБ ИСО 9001 и требованиям, установленным в документах СМК;
б) внедрена результативно и поддерживается в рабочем состоянии.
Объектами внутреннего аудита являются СМК, процессы и продукция.
Внутренние аудиты проводятся специально подготовленным персоналом в соответствии с годовой программой и внепланово - по указанию генерального директора, технического директора или заместителя генерального директора ЗАО «Атлант» по управлению качеством.
Программа составляется так, чтобы каждое требование СТБ ИСО 9001 и каждое подразделение были проверены не реже одного раза в год.
Внутренний аудит проводится по утвержденным планам и контрольным листам. По результатам внутренних аудитов составляются отчеты.
При наличии несоответствий руководитель проверяемого подразделения разрабатывает план корректирующих мероприятий и организует его выполнение в соответствии с установленными сроками.
Контроль выполнения корректирующих мероприятий осуществляет ОУК. При проведении последующих внутренних аудитов аудиторы проверяют результативность корректирующих мероприятий.
Записи по внутренним аудитам поддерживаются в рабочем состоянии.
МЗХ осуществляет мониторинг и измерение процессов с целью демонстрации способности процессов достигать запланированных результатов. По результатам один раз в полг. составляется отчет по анализу функционирования процесса. Если запланированные результаты не достигнуты, то, когда это целесообразно, разрабатываются корректирующие и предупреждающие действия.
МЗХ осуществляет мониторинг и измерение продукции с целью проверки и подтверждения выполнения требований потребителей к продукции по следующим направлениям:
а) входной контроль сырья, материалов и комплектующих в соответствии;
б) контроль в процессе производства продукции;
в) окончательный контроль и испытания;
г) внутренний аудит готовой продукции на складе готовой продукции.
1.3.2 Методика проверки качества продукции
Управление качеством выпускаемой МЗХ и ЗБТ бытовой техники, торгового оборудования и других изделий основного производства осуществляется на базе анализа получаемой информации по качеству продукции в процессе проведения входного контроля (на стадии закупок), технического операционного и приемочного контроля (на стадии производства) и данных о результатах деятельности ОС по гарантийному и послегарантийному обслуживанию (на стадии эксплуатации).
Учет и анализ несоответствий и дефектов осуществляется:
– при проверке поставляемых на МЗХ и ЗБТ материалов, покупных изделий и изделий по кооперации;
– при изготовлении деталей, сборочных единиц в подразделениях;
– при сборке изделий (по моделям);
– при проведении приемо-сдаточных испытаний продукции;
– по обращениям потребителей в процессе эксплуатации изделий (в т.ч. по отказам изделий и проведении восстановительного ремонта в ОС).
Все несоответствия и дефекты, выявленные в процессе контроля качества изготовляемой продукции, подразделяют по степени значимости на следующие классы:
а) несоответствия класса А (критические):
1) при наличии которых использование изделия по назначению
практически невозможно или недопустимо;
2) оказывают влияние на безопасность жизни и здоровья человека и/или окружающей среды;
3) видовых деталей (в составе годного изделия) по внешнему виду;
б) несоответствия класса В (значительные) – несоответствия, которые приводят к нарушению работоспособности изделия, но не влияют на безопасность эксплуатации и не оказывает вредного влияния на окружающую среду;
в) несоответствия класса С (незначительные) – несоответствия, которые ухудшают потребительские свойства изделия, но не приводят к потере работоспособности изделия.
При контроле качества продукции и анализе несоответствий и дефектов используются статистические методы обработки данных.
Полученные данные с выводами и предложениями до 10 числа месяца, следующего за отчетным, оформляются отчетами, которые утверждаются заместителем генерального директора ЗАО «Атлант» по управлению качеством.
Информация из отчетов используется для подготовки совещаний по качеству, отчетов по анализу функционирования системы менеджмента качества и государственной статистической отчетности по качеству.
Вся изготовленная на МЗХ и ЗБТ продукция подвергается приемо-сдаточным испытаниям. Все выявленные несоответствия и дефекты в результате приемо-сдаточных испытаний кодируются и вводятся контролером ОУК в компьютер.
Сводные данные по качеству продукции включаются в полугодовой и годовой отчет о результатах функционирования системы менеджмента качества, который составляется к совещанию по анализу системы менеджмента качества со стороны руководства. По результатам анализа работы за прошедший год выполняется планирование показателей качества труда подразделений.
Конкурентоспособность изделий неразрывно связана с сертификацией этих изделий, т.е. наличие допуска на продажу изделий на рынках сбыта. Вся выпускаемая продукция марки «Атлант» сертифицирована в соответствующих системах сертификации стран СНГ и дальнего зарубежья.
1.3.3 Статистические методы управления качеством продукции
Статистические методы управления качеством продукции на МЗХ и ЗБТ включают:
– статистический анализ качества продукции и выполняемых работ в процессе производства и эксплуатации (диаграммы, гистограммы);
– статистическую оценку качества и эксплуатационной надежности продукции (источником информации о надежности продукции является подконтрольная эксплуатация);
– статистический анализ состояния техпроцессов (анализ точности и стабильности технологических процессов);
– статистическое регулирование технологических процессов (контрольные карты);
– статистический приемочный контроль качества продукции.
Применение этих статистических методов управления позволяет решать следующие задачи:
– удовлетворять потребности (существующие и ожидаемые) потребителя;
– совершенствовать продукцию на основе анализа и прогнозирования потребительского спроса;
– обеспечивать конкурентоспособность продукции, как по себестоимости, так и по потребительским свойствам;
– постоянно совершенствовать технологические процессы и методы менеджмента качества;
– обеспечить экономичность производства.
2 Характеристика и анализ производственно-хозяйственной деятельности ЗАО «Атлант»
2.1 Общая характеристика предприятия и его организационно-управленческая структура
2.1.1 История создания и развития предприятия
Начало существования завода, как отдельного предприятия, положено Решением Исполнительного комитета Минского городского Совета депутатов трудящихся 18 декабря 1958 г. № 1258 «Об образовании завода газовой аппаратуры». 24 августа 1959 г. Совет Министров БССР издал Постановление «Об организации производства бытовых холодильников на Минском заводе газовой аппаратуры».
Весной 1962 г. была закончена подготовка производства холодильника в кухонном столе ХКС-125. Летом 1962 г. был выпущен первый холодильник ХКС-125 «Минск-1». В первый месяц было выпущено 25 холодильников, во второй – 75. Одновременно с началом выпуска холодильников ХКС-125 строился новый производственный корпус проектной мощностью 50 тыс. холодильников в год, который вошел в строй в декабре 1963 г.
С 1964 г. завод приступил к массовому выпуску холодильников «Минск-2». За год их было выпущено 30 тыс., а в 1965 г. – вдвое больше.
Постановлением Высшего Совета народного хозяйства СССР от 20.06.64 г. №64 и Постановлением Совета Министров БССР от 14.08.64 г.
№ 377 было принято решение о реконструкции и расширении производства холодильников до 500 тыс. шт. в год.
В 1967 г. освоено производство холодильников «Минск-3», а в 1969 г. – «Минск-4» емкостью 140 л. В конце 1970 г. после завершения реконструкции завод приступил к выпуску новой модели – «Минск-5» емкостью 180 л., а затем модели «Минск-6» объемом 240 л.
В 1973 г. была закончена наладка линии для выпуска первого отечественного холодильника с пенополиуретановой изоляцией «Минск-10» емкостью 220 л. и самого вместительного бытового холодильника «Минск-12» емкостью 280 л. Поставка партии холодильников в Грецию в том же году положила начало успешной деятельности предприятия на мировом рынке.
1 января 1977 г. создано производственное объединение «Атлант», в состав которого вошли: Минский завод холодильников, Смоленский завод холодильников, Алитусский завод холодильников и Мажейкяйский завод компрессоров. Головным предприятием ПО «Атлант» становится Минский завод холодильников (МЗХ).
В 70-е и 80-е гг. Минский завод холодильников наращивает свое производство, увеличивает экспорт продукции, поставляя ее в такие страны, как Франция, Англия, Италия, Бельгия, Голландия, Австралия и т.д.
В начале 90-х, когда прежние хозяйственные связи были нарушены политическими преобразованиями и объединение «Атлант» фактически распалось, на Минском заводе холодильников продолжалась работа по совершенствованию выпускаемой продукции.
В августе 1993 г. на базе Минского завода холодильников и Барановичского станкостроительного завода (БСЗ) было основано ЗАО «Атлант». ЗАО «Атлант» зарегистрировано Минским городским исполнительным комитетом Республики Беларусь 27 августа 1993 г.
В 1995 г. успешно проведены подготовительные работы и начато производство холодильников и морозильников с озонобезопасным хладагентом. Освоена полная проектная мощность по производству компрессоров – 1,5 млн. шт.
В 1998 г. выпущена первая партия холодильников 700-й серии. Изготовлен первый двухкомпрессорный холодильник (МХМ-1704). Государственный комитет по стандартизации, метрологии и сертификации Республики Беларусь выдал МЗХ сертификат соответствия требованиям международной системы стандартов СТБ ИСО 9001 к проектированию, производству и обслуживанию холодильников и морозильников.
В 2001 г. МЗХ освоил производство холодильных шкафов со стеклянной дверью. На БСЗ изготовлена первая серийная партия оборудования для переработки пластмасс – термопластавтоматы модели БЗСТ 125/250. Выпущен 10 000 000-й компрессор. МЗХ первым в Республике Беларусь получил экологический сертификат соответствия требованиям международной системы стандартов ИСО 14001 к сохранению чистоты окружающей среды при производстве холодильников и морозильников, а также подтвердил ранее полученный сертификат соответствия системы качества разработки и производства холодильников, морозильников и холодильных шкафов требованиям ИСО 9001. Победитель конкурса «Брэнд года 2001» в номинации «Брэнд Достояние Республики».
В 2002 г. ЗАО «Атлант» получил Диплом за победу в конкурсе «Лучший экспортер года» от Торгово-промышленной палаты. В 2003 г. коллектив ЗАО «Атлант» во второй раз завоевал главный приз ежегодного конкурса на звание «Лучший экспортер года» Республики Беларусь.
Дальнейшее развитие ЗАО «Атлант» тесно связано с освоением производства на Заводе бытовой техники (ЗБТ), первая очередь которого введена в 2001 г. Начало новому производству положено в 2003 г. – на Заводе бытовой техники впервые в Беларуси освоен выпуск стиральных автоматических машин.
В этом же году ЗАО «Атлант» подтверждает свое стремление к развитию новых направлений в своей деятельности, освоению новых видов продукции. Модельный ряд минских холодильников пополнился очередной новинкой – малогабаритным термоэлектрическим холодильником МХТЭ-30. В ноябре на Минском заводе холодильников выпущена первая партия новых холодильников. Эти холодильники идеально подходят для охлаждения и хранения охлажденных напитков в офисах, номерах гостиниц, домов отдыха, санаториев, в палатах больниц и т.п.
В начале 2004 г. на МЗХ ЗАО «Атлант» начат выпуск новой серии холодильников «Новая волна». Очевидный плюс новых холодильников – выразительный дизайн, в котором воплощен образ волны с ее плавностью и мягкостью. Летом 2004 г. с конвейера ЗАО «Атлант» сошла первая партия встраиваемых конфорочных панелей. На серийное производство нового изделия получены сертификаты соответствия Беларуси и России. Создание встраиваемой бытовой техники – совершенно новое направление в деятельности ЗАО «Атлант», а конфорочная панель – первое изделие этого направления.
В апреле 2005 г. ЗАО «Атлант» приступило к производству новых моделей холодильников – МХ-2822, МХ-2823. Отличительной особенностью этих однокамерных холодильников является возможность замораживать в них свежие продукты. При создании этих моделей реализован ряд технических новшеств, благодаря которым потребительские свойства и функциональные возможности однокамерных холодильников расширились и приблизились к двухкамерным холодильникам.
На профессиональном конкурсе «Брэнд года 2005» по результатам национального опроса брэнд «Атлант» стал брэндом-лидером товарной группы холодильники и самым защищенным брэндом как сильный и признанный общеизвестным в ряде стран брэнд, как брэнд с максимально комплексной защитой в Республике Беларусь и за рубежом.
Новым для ЗАО «Атлант» изделием в 2005 г. стал удобный в пользовании электрочайник модели 01 «Атлант».
6 февраля 2006 г. с конвейера Минского завода холодильников сошел юбилейный 25-миллионный холодильник «Атлант». В этом же году модельный ряд однокамерных холодильников пополнился двумя новыми моделями – МХ-2822, МХ-2823. Эти небольшие однокамерные холодильники (общим объемом 220 и 230 л. соответственно) имеют высокие потребительские свойства, приближенные к возможностям двухкамерных холодильников. Начат выпуск ряда холодильников нового наружного дизайна, отличительной особенностью которых являются торцевые ручки в виде накладок на дверях холодильной и морозильной камерах. Начат выпуск двухкомпрессорных холодильников с нижним расположением морозильной камеры со встроенным в дизайнерском оформлении зеркалом на поверхности двери холодильной камеры, оригинальными ручками-накладками, а также с новым блоком индикации и управления, оснащенным специальным прозрачным щитком, предохраняющим от загрязнения и случайных нажатий.
В 2006 г. также освоен выпуск новых малогабаритных однокамерных холодильников и морозильников, которые идеально подходят для маленькой кухни, дачного домика, комнаты в общежитии, гостиничного номера.
В январе 2007 г. «Атлант» приступил к выпуску новой серии стиральных автоматических машин с дисплеем и полным электронным управлением. В производстве освоена первая модель из этой серии СМА 50С82.
Новинка летнего сезона 2007 г. – морозильник «Атлант», впервые выполненный в стиле «soft line», отличается высоким классом энергетической эффективности В.
На профессиональном конкурсе «Брэнд года 2007» по результатам национального опроса брэнд «Атлант» стал Брэндом №1 товарной группы холодильники.
В начале 2008 г. новые стиральные машины СМА 45У124 и СМА 50С124 с жидкокристаллическим дисплеем пополнили модельный ряд стиральных машин «Атлант».
Будучи закрытым акционерным обществом, «Атлант» несет ответственность по всем своим обязательствам всем своим имуществом. Функции исполнительного аппарата общества исполняет аппарат управления Минского завода холодильников.
Акционерами общества признаются физические и юридические лица, являющиеся держателями акций. Общество несет ответственность по своим обязательствам всем своим имуществом. Акционеры не отвечают по обязательствам общества и несут риск убытков, связанных с деятельностью общества, в пределах стоимости принадлежащих им акций.
В 1993 г. для обеспечения уставной деятельности предприятия за счет имущественных вкладов и денежных средств участников образован уставный фонд в размере 180 634,63 млн. р.; он был разделен на 3 843 290 шт. именных простых акций, номинальной стоимостью 47 000 р. каждая. Ценными бумагами общества являются: именные простые акции и именные облигации. Учитывая все изменения, произошедшие за это время, уставный фонд ЗАО «Атлант» по состоянию на 1 января 2007 г. составлял 210 759 515 тыс. р., разделенный на 4 484 245 шт. простых именных акций номинальной стоимостью 47 000 р. Распределение акций между участниками представлено в таблице 2.1.
Таблица 2.1- Распределение акций между участниками ЗАО «Атлант» по состоянию на 1 января 2007 г.
Участник ЗАО «Атлант»
Количество
акций, шт.
Доля
в уставном фонде, %
Государство, всего
1 813 618
40,44
в т. ч.:
- государственная собственность
- коммунальная собственность
1 660 323
153 295
37,02
3,42
ОАО АСБ «Беларусбанк»
10 000
0,22
ООО «Атлант-Брокор»
988 616
22,05
Физические лица МЗХ и ЗБТ
1 461 475
32,59
Физические лица БСЗ
210 536
4,70
2.1.2 Организационная структура управления предприятием
Организационная структура управления - это совокупность объектов и органов управления, а также взаимосвязанных мероприятий, методов и средств управления, обеспечивающих согласованную работу всех подразделений предприятия для достижения, поставленных перед ними целей.
Организационная структура ЗАО «Атлант» является линейно-функциональной. Это такая структура, при которой управленческие воздействия разделяются на линейные (обязательные для исполнения) и функциональные (рекомендательные для исполнения). Общий руководитель осуществляет линейное воздействие на всех участников структуры, а руководители функциональных (планово-экономического, производственного и др.) отделов оказывают функциональное воздействие на исполнителей работ.
Достоинства данной структуры: привлечение к управлению более компетентных специалистов, оперативность решения вопросов в нестандартных ситуациях, получение непротиворечивых заданий, полная персональная ответственность за результаты работы.
Недостатки: затрудненность коммуникаций, лояльность к своему функциональному подразделению, а не к организации в целом, чрезмерная загрузка общего руководителя оперативными вопросами.
Схема организационной структуры управления МЗХ ЗАО «Атлант» представлена в приложении Б.
Основными структурными подразделениями на предприятии являются:
а) планово-экономический отдел:
- определяет порядок ценообразования на производимую продукцию и оказываемые услуги;
- контролирует и согласовывает цены на ТМЦ;
- разрабатывает прогнозы социально-экономического развития на год, перспективу и технико-экономические показатели на планируемый период и др.
б) производственно-диспетчерский отдел:
- разрабатывает годовые, квартальные и месячные планы производства продукции;
- разрабатывает изменения, вносимые в план выпуска продукции;
- передает другим подразделениям предложения по изменению номенклатуры и объема выпуска продукции и запасных частей.
в) отдел организации труда и заработной платы:
- разрабатывает штатное расписание предприятия;
- начисляет работникам заработную плату и премии;
- разрабатывает график работы предприятия;
- передает другим подразделениям предложения по совершенствованию труда и материального стимулирования и др.
г) бухгалтерия:
- занимается вопросами, связанными с обязательствами общества, учётом имущества, хозяйственных операций, товарно-материальных ценностей и денежных средств;
- передает другим подразделениям смету расходов отделов и др.
д) коммерческий отдел:
- работает со сведениями о заключенных договорах на поставку продукции, данными об отказах от продукции, поквартальными данными о количестве поставляемой продукции по номенклатуре;
- передает другим подразделения состояние и прогнозы развития спроса на продукцию на внутреннем и внешнем рынках, сведения о проведении выставок, ярмарок и др.
е) юридический отдел:
- разрабатывает проекты приказов, распоряжений и других документов правового характера с заключением о несоответствии законодательству отдельных положений;
- составляет заключения или ответы на заявленные контрагентами претензии и иски по поводу ненадлежащего исполнения договорных обязательств, проекты хозяйственных договоров, претензии и иски к другим предприятиям, организациям, физическим лицам;
- передает другим подразделениям проекты приказов, распоряжений и других документов правового характера для проверки их соответствия требованиям законодательства и их визирования, копии распоряжений об устранении нарушений законодательства, выявленных юридическим отделом и др.
ж) отдел главного конструктора:
- получает технические условия и вновь разрабатываемые изделия для согласования, сведения о снятии с производства устаревших машин;
- осуществляет разработку технических характеристик, описание преимуществ и результатов испытаний и других данных по новым изделиям, необходимые для организации их рекламы;
- составляет комплекты конструкторской документации, чертежи тары, упаковки;
- передает другим подразделениям согласованные технические задания на вновь разрабатываемые изделия, предложения и рекомендации по созданию и производству новых образцов техники, улучшению характеристик и конструкций выпускаемой продукции, расширению возможного диапазона ее применения;
и) отдел технического развития:
- разрабатывает комплекты технологической документации;
- передает другим подразделениям предложения по совершенствованию технологических процессов и качества изготовления, окраски, консервации, упаковки, погрузочно-разгрузочных работ и др.
к) отдел общего делопроизводства:
- передает другим подразделениям заявки на поиск информации, на приобретение ксерокопий (микрофильмов, экономической литературы),заявки на переводы с иностранных языков материалов по маркетингу,заявки на оригиналы материалов для фотосъемок, для воспроизведения материалов с микрофильмов и др.
л) отдел материально-технического снабжения:
- занимается определением потребности общества в материально-технических ресурсах;
- подготавливает и заключает договора на поставку ресурсов;
- осуществляет распределение материально-технических ресурсов между подразделениями предприятия;
- следит за их рациональным использованием;
- получает утвержденные планы международных научно-техни-ческих связей, планы внедрения передового опыта зарубежных фирм, планы специализации и кооперирования производства, предложения зарубежных организаций об установлении сотрудничества, проект плана экспорта продукции на планируемый период и передает другим подразделениям планы международных научно-технических связей, планы сотрудничества с зарубежными странами;
- составляет заявки на получение от зарубежных организаций технической документации и информации о новой технике, технологии, конъюнктуре рынка;
- составляет заключения на предложения зарубежных организаций о техническом и научном сотрудничестве, предложения по закупке лицензий и образцов новой зарубежной продукции;
- разрабатывает мероприятия, направленные на улучшение качества и совершенствование конструкций изделий с целью удовлетворения требований внешнего рынка и повышения конкурентоспособности продукции.
м) отдел управления качеством:
- формирует и разрабатывает политику в области качества по ЗАО «Атлант» и МЗХ;
- разрабатывает документы, обеспечивающие функционирование системы качества на предприятии;
- подготавливает документы на участие в сертифицированных аудитах системы качества и сертификации продукции;
- осуществляет сбор, систематизацию и анализ информации о качестве продукции в процессе производства и эксплуатации;
- осуществляет технический контроль качества продукции в процессе производства;
- подготавливает и проводит совещания по качеству;
- проводит учет и анализ экономических потерь от брака и др.
н) отдел стандартизации и метрологии:
- получает проекты приказов и распоряжений по внедрению новых и изменению действующих стандартов, нормативно-техническую документацию по стандартизации;
- разрабатывает проекты стандартов на отзыв, план работы по стандартизации и унификации.
п) отдел сервиса:
- разрабатывает мероприятия по устранению в производстве дефектов, выявленных в процессе эксплуатации и испытаний изделий;
- проводит анализ рекламаций, и принятие по ним мер
- передает другим подразделениям предложения о необходимости усиления контроля по группам изделий, узлов, деталей, по устранению недостатков, выявленных в процессе эксплуатации изделий.
р) отдел кадров:
- получает рекомендации по подбору, расстановке и воспитанию кадров;
- разрабатывает планы подготовки и повышения квалификации рабочих, специалистов, служащих, руководителей;
- передает другим подразделениям отчетность по вопросам движения, подбора, расстановки и воспитания кадров;
- формирует резервы на руководящие должности;
- обрабатывает заявки на потребность кадров, заявки на повышение квалификации рабочих, специалистов и служащих;
- составляет табели и другие документы учета рабочего времени.
с) отдел информационных технологий:
- осуществляет разработку, внедрение и обеспечение эффективного функционирования программно-технических средств автоматизации функций планирования, учета, контроля, управления и отчетности, с целью создания автоматизированной системы управления (АСУ) МЗХ и ЗАО «Атлант»;
- осуществляет создание и обеспечение эффективного функционирования общезаводской информационной сети, позволяющей обеспечить оперативное управление МЗХ и ЗАО «Атлант»;
- осуществляет разработку, внедрение и обеспечение эффективного функционирования средств связи, радио и линейно-кабельного хозяйства МЗХ, систем автоматизированного проектирования;
- осуществляет обеспечение МЗХ средствами вычислительной техники и распределение этих средств между подразделениями, техническое обслуживание указанных средств.
Производственная структура МЗХ представлена производственно-диспетчерским отделом и четырьмя цехами основного производства:
- цех обработки металлов (№01) занимается производством металлических корпусных деталей холодильников;
- цех пластмасс (№02) выпускает детали из полимерных материалов для основного производства;
- цех подсборки и теплоизоляции (№03) осуществляет сборку шкафа холодильника и заливает теплоизоляцию;
- механосборочный цех (№04) занимается окончательной сборкой: оснащением холодильник механикой, электрикой, автоматикой.
В основу построения организационной структуры управления МЗХ ЗАО «Атлант» были положены следующие принципы:
- обеспечение оптимальной управляемости производственной системы;
- минимальное количество ступеней и звеньев управления;
- повышение степени централизации линейного и функционального управления;
- научно-обоснованное разделение и кооперация труда в аппарате управления предприятием;
- устойчивые связи между линейными руководителями и функциональными специалистами как внутри подразделений, так и между ними.
Анализируя организационную структуру МЗХ ЗАО «Атлант» можно сделать вывод, что она сформирована таким образом, чтобы максимально упростить и упорядочить систему производства, подчиненность персонала, передачу информации внутри завода.
2.1.3 Характеристика выпускаемой продукции и рынков сбыта
Бытовые холодильные агрегаты выпускаются четырех типов:
а) однокамерные холодильники с низкотемпературным отделением вертикального типа, предназначены для кратковременного хранения замороженных и охлажденных продуктов: фруктов и овощей в домашних условиях. Модели: МХ – 365, МХ – 367.
б) однокамерные однодверные морозильники вертикального типа, предназначенные для замораживания и длительного хранения замороженных продуктов в домашних условиях. Практика из самых эффективных способов консервации пищевых продуктов. Модели: ММ – 163, ММ – 164.
в) двухкамерные двухдверные комбинированные холодильники с нижним расположением морозильной камеры вертикального типа, объединяющие эксплуатационные характеристики, как первого, так и второго типа аппаратов. Модели: МХМ – 161, МХМ – 162, МХМ – 1700, МХМ – 1702, МХМ – 1703, МХМ – 1704, МХМ – 1707, МХМ – 1709, МХМ – 1716, МХМ –1717, МХМ – 1718.
г) двухкамерные, двухдверные комбинированные холодильники с верхним расположением морозильной камеры вертикального типа, объединяющие эксплуатационные характеристики, как первого, так и второго типа аппаратов. Модели: МХМ – 268, МХМ – 2706, МХМ – 2719, МХМ – 260.
Освоен выпуск холодильника-витрины ШВУ 0,4 – 1,2 с объемом 400 л., площадью полок – 1,2 м2. Выпуск этой модели предназначен для удовлетворения частных предпринимателей и государственной торговли. Предусмотрено две модификации с рекламным световым табло на крыше и без него.
В начале 2004 г. на Минском заводе холодильников ЗАО «Атлант» начат выпуск новой серии холодильников «Новая волна». Форма волны, ритмично повторяясь в элементах наружного дизайна – в ручке двери холодильной камеры, в маске, в декоративном щитке, создает эффект пластичного движения. Модели отличаются общим объемом – от 328 до 393 л., объемами холодильной – от 205 до 278 л. и морозильной камер – от 76 до 154 л. Все холодильники «Новой волны» – двухкомпрессорные.
Рисунок 2.1 - «Новая волна»
В холодильниках «Новой волны» возможно выключение одной из камер, предусмотрена звуковая сигнализация при открытой свыше 30 с. двери холодильной камеры, световая индикация включения камер, повышенной температуры в морозильной камере, режима быстрого замораживания.
К несомненным достоинствам новых моделей с высоким уровнем комфортности и функциональности можно отнести высокий класс энергоэффективности – А или В, в зависимости от варианта исполнения. Используется только озонобезопасный хладагент R134а или R600а.
Модельный ряд холодильников ЗАО «Атлант» пополнился малогабаритными термоэлектрическими МХТЭ-30-00 и МХТЭ-30-01 холодильниками, предназначенными для охлаждения напитков.
Освоение предприятием нового типа холодильников – это тенденция развития холодильной техники. В последние десятилетия во всем мире широко ведутся разработки и исследования в области холодильной техники и новых принципов получения холода.
Холодильники с термоэлектрическим охлаждением обладают рядом принципиальных достоинств в сравнении с традиционным компрессионным и абсорбционным охлаждением. Они бесшумны, так как в них отсутствуют конструктивные элементы, источники шума; экологически безопасны, так как в них отсутствуют жидкие или газообразные хладагенты; надежны и долговечны, так как их охлаждающие модули имеют большой ресурс работы (100 000 ч и более), а в конструкции отсутствуют движущиеся, а значит, изнашивающиеся части; компактны и портативны, занимают минимум места и могут быть установлены в мебель; охлаждают напитки до наилучшей для употребления температуры (от +8 до + 12°С). Температура устанавливается автоматически, без внешнего регулирования, при температуре в помещении от +20 до + 28°С для МХТЭ-30-00 и от +18 до +32°С для МХТЭ-30-01; имеют низкий расход электроэнергии в сравнении с аналогами.
Рисунок 2.2 – Термоэлектрический холодильник МХТЭ
Благодаря этим особенностям термоэлектрические холодильники МХТЭ-30-00 и МХТЭ-30-01 идеально подходят для охлаждения и хранения охлажденных напитков в офисах, номерах гостиниц, домов отдыха, санаториев, в палатах больниц и т.п.
Дальнейшее развитие ЗАО «Атлант» тесно связано с освоением производства новых изделий: стиральных машин и других электробытовых приборов, выпуск которых планируется организовать на строящемся в Минске заводе бытовой техники.
Каждая из стиральных машин «Атлант» имеет 16 стиральных программ, рассчитанных на работу со всеми типами тканей, как грубых, так и тонких кружев. Технология производства стиральных машин предусматривает жесткий контроль качества каждого изделия по 38 параметрам, который осуществляется на самой современной испытательной станции. Новая продукция начала поступать в продажу. Однако качество данных стиральных машин пока невысокое, а цены выше аналогичной продукции конкурентов.
Летом 2004 г. с конвейера ЗАО «Атлант» сошла первая партия конфорочных панелей встраиваемых. На серийное производство нового изделия получены сертификаты соответствия Республики Беларусь и России. Электрическая конфорочная панель ЗАО «Атлант» предназначена для приготовления любых блюд, на ней можно жарить, варить и тушить. Панель имеет четыре пирокерамические конфорки диаметрами 155 и 190 мм., которые скрыты под стеклокерамическим настилом.
Рисунок 2.3 - Общий вид электрической конфорочной панели встраиваемой
Нагрев посуды производится, инфракрасным излучением, исходящим от нагревательных элементов конфорки. Настил конфорочной панели выполнен из стеклокерамики. Этот материал быстро, равномерно и без потерь передает тепло от конфорки на посуду. Ровная гладкая стеклокерамическая поверхность обеспечивает хороший контакт с дном посуды и исключает опрокидывание. А высокая прочность стеклокерамики позволяет на каждую зону нагрева конфорок устанавливать посуду массой до 10 кг. Стеклокерамика легко моется и имеет прекрасный вид. Размеры конфорочной панели – 580х510х55 мм. Панель встраивается в кухонную мебель, поэтому не требует дополнительного места на кухне и удачно вписывается в любой интерьер.
Рисунок 2.4 - Электрочайник ЭЧТЗ
Среди бытовой техники, производимой ЗБТ и электрочайник ЭЧТЗ 1,8/1,9-220 Модель 01 «Атлант». Вместимость электрочайника 1,8 л., потребляемая мощность 1900 Вт., габаритные размеры 230х171х252 мм., масса 1,3 кг.
Модель автоматически отключается при закипании воды, отсутствии воды, снятии с подставки, при открытии крышки. Имеется два больших окна со шкалой объема воды (на обеих сторонах прибора), два индикатора включения/выключения (на обеих сторонах прибора), выемка в подставке для намотки шнура.
На все изделия ЗАО «Атлант» устанавливается гарантийный срок 3 г. с момента продажи его потребителю. Все холодильники сертифицированы на соответствие европейским нормам по электробезопасности.
Номенклатура изделий и количество определяется, отчасти, спросом на рынке. В производстве широко применяются: специальные технические линии; специальные станции и автоматы, в т. ч. оснащенные роботами; станки переналаживаемые с программным управлением; технологические линии с быстро сменяемыми рабочими органами и приспособлениями.
Все технологическое оборудование обеспечивает возможность производства изделий емкостью от 120 до 400 дм3, в зависимости от требований рынка. Широкая унификация материалов позволяет поддерживать стабильность технологического процесса для различных моделей на очень высоком уровне.
Вся продукция заводов выпускается в строгом соответствии с требованиями международных стандартов.
Оба завода относятся к категории действующих с высокостабильным ритмом производства и реализации. Достаточно сказать, что за годы экономического спада и депрессии с 1991 по 1998 гг. включительно, уменьшения выпуска продукции заводами не было допущено.
Высокое качество выпускаемой продукции обеспечивается высокой стабильностью автоматизированных технологических процессов, стабильностью состава высококвалифицированных кадров во всех сферах производства. Система качества проектирования, производства и обслуживания завода соответствует требованиям ИСО-9001.
Каждый холодильник и морозильник, сходящий с конвейера завода, проходит функциональные испытания в соответствии с европейскими нормами качества, надежности и безопасности. Поэтому белорусские холодильники и морозильники имеют устойчивый спрос не только в странах СНГ, но и в дальнем зарубежье. Минский завод холодильников поставляет свою продукцию в Австралию, Германию, Йемен, Латвию, Литву, Монголию, Словакию, Францию, Швецию, Эстонию и т.д. – всего в 34 страны мира.
В процессе разработки новых изделий производится патентный поиск на глубину более 3 лет и оформляется документ о его патентной чистоте. Эти работы выполняются собственным патентным подразделением, которое использует информацию патентного фонда Республики Беларусь и России.
Покупатели отмечают высокое качество, надежность и современный дизайн холодильников «Атлант», которые по своим техническим параметрам не уступают лучшим мировым аналогам и аттестованы в престижных европейских сертифицированных центрах.
В последнее время Минский завод холодильников стал известен как производитель промышленного оборудования. Завод имеет успешный опыт в создании автоматизированных и механизированных транспортно-складских, сборочных систем, которые можно использовать для любого производства. В короткие сроки согласно требованиям заказчика на предприятии изготавливаются воздуховоды и комплектующие для систем вентиляции высокого качества. Использование прогрессивных технологий в проектировании и изготовлении специального технологического оборудования также позволяет Минскому заводу холодильников успешно выполнять заказы других предприятий. Инструментальное производство завода предлагает проектирование на современном технологическом уровне литьевых форм, вакуумформ, штампов, приспособлений; изготовление и внедрение технологической оснастки; обучение специалистов по обслуживанию оснастки. Кроме того, ЗАО «Атлант» на Барановичском станкостроительном заводе создает технологически законченные системы по производству продукции из пластмасс – выпускает различное оборудование для переработки пластмасс, в том числе термопластавтоматы.
Поставщики материальных ресурсов и рынки сбыта. Для осуществления производства продукции необходимо наличие материально-сырьевых ресурсов.
Обеспечение производства основными материалами в 2007 г. осуществлялось из различных регионов: Республика Беларусь, Российская Федерация, Украина, импорт. Удельный вес каждого региона в поставке материальных ресурсов представлен на рисунке 2.5.
Рисунок 2.5 - Распределение регионов поставки материальных ресурсов
Количество поставщиков сырья, материалов, комплектующих составляет несколько сотен. Основные отечественные поставщики: Светлогорский ЦКК, Гомельстекло, Мозырькабель, Речицкий метизный завод, РУ Рубежное ОАО «РКТК», Минский завод «Крион»
Из России осуществляются поставки по сырью, материалам и комплектующим, наиболее крупные заказы размещены на следующих предприятиях: Металлургический комбинат (г. Новолипецк), Металлургический комбинат (г. Магнитогорск), Металлургический комбинат (г. Белая Калитва), Металл-ИЖ (г. Ижевск), Первоуральский новотрубный завод (г. Первоуральск). ООО «Никар» (г. Углич), ООО «Конак» (г. Орел).
Основные поставщики сырья, материалов, комплектующих дальнего зарубежья: «Dow Europe» (Швейцария), «Lanxes» (Германия), «Basf AG» (Германия), «Du Pont» (Швейцария), «Elastogran GmbH» (Германия), «Halterman GmbH (Германия), «Henkel» (Венгрия), «Helios» (Словения), «Kovintrade», Словения, «Samsung» (Южная Корея) и др.
Финансирование и реализация плана импорта производится за счет собственных ресурсов, полученных от прямых продаж на экспорт в дальнее и ближнее зарубежье, а также поставок в РФ.
Кроме того, МЗХ размещает заказы на изготовление и поставку комплектующих по кооперации на предприятиях Республики Беларусь. Наиболее крупные из них: ООО «Белхол» (г. Молодечно), БТБЗ (г/п Березинское), «Виток» (г. Минск), УП «Райагропромтехника» (г. Воложин).
Практически на каждые материалы, сырье и комплектующие приходиться не менее двух поставщиков.
Руководство предприятия проводит целенаправленную работу, направленную на системное решение вопросов по управлению качеством продукции. Для организации обеспечения поставки качественных материалов предусмотрено назначение ответственных представителей ЗАО «Атлант» на каждом заводе-поставщике для координации всех работ с проведением аудита проверки и аттестации качества согласно требованиям ИСО 9000.
Потребителями продукции ЗАО «Атлант» являются покупатели во всех странах СНГ. Рынок холодильников и морозильников «Атлант» включает в себя и страны дальнего зарубежья, в том числе: Польша, Болгария, Англия, Германия, Австралия, Франция, Чехия, Словакия и др.
Динамика поставки продукции ЗАО «Атлант» за 2004-2007 гг. по регионам приведена на рисунке 2.6.
Рисунок 2.6 - Динамика поставок продукции ЗАО «Атлант» по регионам
Как видно из рисунка наибольшая доля поставок продукции ЗАО «Атлант» приходится на Россию – 61,9%. Постепенное снижение объема поставок в РФ связано с повышением конкуренции со стороны торговых марок «Stinol» и «Indesit», выпускаемых на «Заводе холодильников Stinol» в г. Липецке. На втором месте находится Беларусь – 19,9%. Здесь наблюдается положительная тенденция, что вызвано возможностью увеличить доходность продаж на указанном рынке в связи с повышением покупательской способности населения. На третьем месте по поставкам находятся Украина и Молдова – 11,8%. Следует отметить устойчивое сохранение позиций на данном рынке, несмотря на повышающуюся конкуренцию со стороны торговой марки «Nord» (г. Донецк). Уменьшение поставок на рынки дальнего зарубежья объясняется сохранением фиксированного количества поставляемого холодильного оборудования при увеличении общего объема производства и реализации. Заметно увеличение поставок в страны Средней Азии и Закавказья. Это вызвано, прежде всего, доступностью холодильников «Атлант» по ценовым параметрам по сравнению с зарубежными конкурентами, поставляющими свою продукцию на данные рынки.
Потребителем наибольшего объема производимых БСЗ компрессоров является ЗАО МЗХ «Атлант», который использует их для производства холодильников и морозильников. В России основными потребителями компрессоров являются ФРУППО «Завод им. Серго» (г. Зеленодольск), ООО «Сэпо-Зэм» (г. Саратов), ОАО «Механический завод» (г. Орск), ОАО «Айсберг» (г. Смоленск). Сохраняются экспортные поставки компрессоров в ближнее и дальнее зарубежье. Однако из-за возрастающей конкуренции в последнее время происходит снижение объема поставок компрессоров в страны дальнего зарубежья.
2.2 Анализ основных технико-экономических показателей деятельности предприятия
Таблица 2.2 - Динамика основных технико-экономических показателей развития ЗАО «Атлант» за 2005-2007 гг.
Показатели
Ед. изм.
Показатели по годам и темпы роста
2005 г.
Темп
роста 2005/2004, %
2006 г.
Темп
роста 2006/2005, %
2007 г.
Темп
роста 2007/2006, %
Произведено холодильников, морозильников, ШВУ
шт.
965 294
107,6
1 006 509
104,3
1 061 820
105,5
в т.ч. - холодильников, морозильников
шт.
953 331
107,6
994 507
104,3
1 050 098
105,6
- ШВУ
шт.
11 963
103,6
12 002
100,3
11 722
97,7
Произведено стиральных машин
шт.
15 151
184,4
14 857
98,1
2 937
19,8
Реализовано холодильников, морозильников, ШВУ
шт.
9 655 572
105,2
1 006 730
104,3
1 058 104
105,1
Реализовано стиральных машин
шт.
13 252
392,1
11 347
85,6
12 025
106,0
Экспорт
у. е.
252 595
117,3
274 604
108,7
290 058
105,6
Выручка от реализации – всего с НДС
млн. р.
838 005
127,1
818 807
97,7
855 061
104,4
в т.ч. - холодильники, морозильники, ШВУ
млн. р.
750 925
124,5
722 953
96,3
758 383
104,9
- стиральные машины
млн. р.
10 073
428,4
9 155
90,9
9 277
101,3
Налоги - всего (начислено)
млн. р.
207 272
111,3
132 478
63,9
133 902
101,1
в т.ч. - от выручки
млн. р.
139 994
115,4
62 399
44,6
56 852
91,1
- в себестоимости ТП
млн. р.
35 772
125,6
43 322
121,1
49 644
114,6
- от прибыли
млн. р.
31 506
86,5
26 757
84,9
27 406
102,4
Удельный вес налогов в выручке
%
18,0
17,6
17,2
Коэффициент оборачиваемости оборотного капитала
3,8
3,2
2,8
Себестоимость ТП
млн.
р.
705 008
786 321
1 038 445
Себестоимость РП
млн.
р.
765 296
852 590
1 089 956
Продолжение таблицы 2.2
Показатели
Ед. изм.
Показатели по годам и темпы роста
2005 г.
Темп
роста 2005/2004, %
2006 г.
Темп
роста 2006/2005, %
2007 г.
Темп
роста 2007/2006, %
Чистая прибыль
млн. р.
123 561
83 103
67,3
74 434
89,6
Рентабельность РП, работ, услуг
%
33,1
20,9
17,9
Среднесписочная численность работников
чел.
11 851
11 821
11 929
Производительность труда
тыс.р.
82 570
86 768
105 937
Ср. месячная з/п на одного работника
тыс. р.
703,467
838,034
996,912
В 2007 г. было произведено 1 061 820 шт. холодильников, морозильников и ШВУ. На протяжении всего периода сохранялись стабильные темпы роста производства в 4-5%. Объём производства стиральных машин, напротив, был снижен в 5 раз, темп роста составил 19,8%. Это объясняется достаточно высоким уровнем запаса готовой продукции на складах. Этот скачок был успешно преодолен путем ведения широкой рекламной кампании продукции ЗБТ, и на конец 2007 г. было реализовано 12025 шт. машин, темп роста реализации составил 106 %, против показателя 2006 г. – в 85,6 %. Реализация холодильного оборудования оставалась за эти годы стабильной.
Уровень экспорта несколько снизился и к 2006-2007 г. составил 108,7 и 105,6%. Снижение по сравнению с предыдущим периодом составляет 9 %. ЗАО «Атлант» активно сотрудничает с иностранными предприятиями, принимая новые предложения по экспортным договорам.
За период 2005-2007 гг. наблюдалось снижение удельного веса налогов из выручки с 25,3 % до 17,2 %, но показатели выручки являлись в этот период относительно стабильными. Однако общий рост выручки в 2007 г. в свою очередь составил 130 % по сравнению с 2004 годом. Это произошло за счет значительного повышения цен на продукцию, увеличения её себестоимости, обеспеченного внедрением новых технологий изготовления деталей, вводом в эксплуатацию современного оборудования, повышением цен на материалы и комплектующие.
Из-за снижения уровня реализации стиральных машин в 2006 г., увеличением суммы налогом по сравнению со стабильной суммой выручки от реализации, закономерным является снижение чистой прибыли предприятия, рентабельности продукции с 33,1 % в 2005 г. до 17,9 % в 2007 г. Положительным моментом является повышение производительности труда на 22% в 2007 г. по сравнению с предыдущим годом при сохранении общей численности работников, а также рост средней заработной платы на одного работника на 19 % в том же периоде.
2.2.1 Анализ плана производства и реализации продукции
Таблица 2.3 - Динамика плана производства продукции за 2004-2007 гг.
Год
Плановое
значение, шт.
Фактическое значение, шт.
% выполнения плана
Темп роста плана, %
Фактический темп роста, %
2004
932 670
965 924
103,57
–
–
2005
1 004 440
1 006 509
100,21
107,70
104,20%
2006
1 053 780
1 061 820
100,76
104,91
105,50%
2007
1 075 630
1 084 371
100,81
102,07
102,12%
Как видно из таблицы 2.3, за последние годы наблюдалось перевыполнение плановых показателей. Так, например, процент выполнения плана производства холодильников и морозильников в натуральном выражении в 2004 г. составил 103,57 %, в 2007 г. – 100,81 %.
Если сравнивать фактические показатели, то выпуск холодильников и морозильников в 2007 г. возрос на 22550 шт. или на 2,12% по сравнению с 2006 г. Рост объемов производства достигнут за счет увеличения производства продукции в натуральном выражении. Темпы роста производства выполнены, предприятие в 2007 г. работало ритмично.
Подтверждением конкурентоспособности продукции завода является фактический объем реализации. За 2007 г. в торговые организации Республики Беларусь было поставлено:
1 107 100 шт. - холодильников, морозильников и МХТЭ;
129 500 шт. – СМА;
12 300 шт. – ТХО.
Подробные данные по реализации продукции представлены в таблице 2.4.
Таблица 2.4 - Данные о реализации продукции за 2006-2007 гг.
Наименование
продукции
Поставка продукции на внутренний рынок, страны СНГ и дальнее зарубежье
Темпы роста, %
2006 г.
2007 г.
тыс. шт.
тыс.
у. е.
тыс. шт.
тыс. у. е.
тыс. шт.
тыс. у. е.
СНГ всего, в т.ч.
1 036,0
343 194,3
1 219,9
409 784,1
117,8
119,4
Холодильники, морозильники, МХТЭ
1 011,7
334 722,5
1 081,5
370 863,1
106,9
110,8
Торговое оборудование
12,3
5 897,5
12,0
5 694,4
97,9
96,6
СМА
12,0
4 328,5
126,4
33 226,6
1 053,3
767,6
Электрочайники
32.9
723,7
Продолжение таблицы 2.4
Наименование
продукции
Поставка продукции на внутренний рынок, страны СНГ и дальнее зарубежье
Темпы роста, %
2006 г.
2007 г.
тыс. шт.
тыс.
у. е.
тыс. шт.
тыс. у. е.
тыс. шт.
тыс. у. е.
Торговое оборудование
6,1
2 672,8
5,5
2 571,9
90,2
96,2
СМА
72,1
18 492,6
Электрочайники
3,8
86,2
В т.ч. РБ
Холодильники, морозильники, МХТЭ
146,6
57 675,6
185,4
61 395,3
126,5
106,4
Торговое оборудование
4,5
2 574,3
3,8
1 949,2
84,4
75,7
СМА
12,0
4 328,5
26,7
8 349,7
222,5
192,9
Электрочайники
24,6
538,3
ДЗ всего продукции,
в т.ч.
31,4
7 113,8
29,0
7 064,4
92,4
99,3
Холодильники, морозильники, МХТЭ
31,4
7 113,8
25,6
6 274,6
81,6
88,2
Торговое оборудование
0,3
149,7
СМА
3,1
640,1
ИТОГО
1 067,4
350 308,1
1 281,7
417 572,2
120,1
119,2
За отчетный период 2007 г. проводилась реализация выпускаемой продукции субъектам хозяйствования в Республике Беларусь, дилерам в России, на Украине, в Молдове, Азербайджане, Грузии, Казахстане, Кыргызстане, Таджикистане, Узбекистане и дальнем зарубежье (Эстония, Франция, Германия, Латвия, Литва, Монголия, Словакия, Швеция).
Общий темп роста поставок в 2007 г. составил 119,2% за счет увеличения общего объёма реализации на 214,3 тыс. шт. Однако следует отметить падение уровня поставок МХМ в дальнее зарубежье с 31,4 тыс. шт. до 29 тыс. шт.
Негативной тенденцией является общее уменьшение объёмов реализации торгово-холодильного оборудования. В 2007 г. наблюдалось падение темпов роста поставок в Республику Беларусь на 9,8%, в СНГ – на 2,1%,и дальнее зарубежье на 18,4%.
2.2.2 Анализ себестоимости продукции
Таблица 2.5 - Анализ себестоимости выпущенной продукции
за 2007-2008 гг.
Показатели
Ед. изм.
2007 г.
2008 г.
Отклонение
Уд. вес в с/ст-ти, %
млн. р.
Затраты на 1 р.ТП
млн. р.
Затраты на 1 р.ТП
млн. р.
%
2007 г.
2008 г.
Объем ТП - в сопоставимых ценах
тыс. р.
668 896
716 733
- в фактических ценах
тыс. р.
635 766
682 800
Себестоимость ТП, в т.ч.
тыс. р.
464 512
0,731
550 719
0,807
86 207
118,56
100,00
100,00
Материальные затраты из них:
тыс. р.
364 621
0,574
422 231
0,618
57 610
115,80
78,50
76,67
основные материалы, сырье
-//-
123 140
0,194
137 379
0,201
14 239
111,56
26,51
24,95
покупные, комплектующие, кооперация
-//-
216 278
0,34
252 400
0,37
36 122
116,70
46,56
45,83
вспомогательные материалы
-//-
13 841
0,022
19 451
0,028
5 610
140,53
2,98%
3,53%
топливо, энергия
-//-
11 362
0,018
13 001
0,019
1 639
114,42
2,45%
2,36%
Фонд оплаты труда
-//-
44 240
0,07
53 570
0,078
9 330
121,09
9,52%
9,73%
Фонд соц. защиты
-//-
17 414
0,027
21 312
0,031
3 898
122,39
3,75%
3,87%
Амортизация
-//-
17 425
0,027
25 558
0,037
8 133
146,67
3,75%
4,64%
Прочие денежные расходы из них:
-//-
20 813
0,033
28 048
0,041
7 235
134,76
4,48%
5,09%
прочие налоги и отчисления
-//-
9 700
0,015
11 204
0,016
1 504
115,50
2,09%
2,03%
расходы на гар. ремонт
-//-
512
0,001
1 544
0,002
1 032
301,73
0,11%
0,28%
В 2008 г. объём товарной продукции в фактических оптовых ценах составил 682 800 млн. р., в 2007 г. – 635 766 млн. р. Темп роста – 107,41%.
Себестоимость выпускаемой товарной продукции за 2008 г. сложилась в размере 550 719 млн. р., за 2007 г. – 464 512 млн. р., темп роста составил 118,6%.
В 2008 г. затраты на 1 р. товарной продукции составили 80,67 коп., при доведенном задании Министерством Промышленности РБ - 82 коп., в 2007 г. – 73,1 коп. Увеличение затрат на 1 р. товарной продукции составило 7,57 коп. и связано с опережением темпов роста себестоимости над темпами роста объёмов производства.
В отчетном году увеличились расходы по всем элементам затрат, особенно, по статьям материальные затраты, фонд оплаты труда, амортизационные отчисления.
Увеличение фонда заработной платы объясняется как увеличением количества выпущенной продукции, так и увеличением тарифных ставок на 23,6%.
Увеличение амортизационных отчислений в 2008 г. связано с вводом в эксплуатацию участка сборки стиральных машин в Шабанах, нового производственного корпуса на МЗХ, а также с вводом в эксплуатацию оборудования, установленного в этих корпусах. В связи с этим изменилась структура затрат. Удельный вес по элементам затрат в себестоимости распределился следующим образом:
Таблица 2.6 - Удельный вес затрат по элементам в себестоимости за 2007-2008 гг., в %
В структуре себестоимости наибольший удельный вес составляют материальные затраты. Общий рост материальных затрат, без учета топливно-энергетических ресурсов, к 2007 г. в абсолютных цифрах составил 55 971 млн. р. По элементам в себестоимости в 2008 г. удельный вес материальных затрат снизился на 1,74%, топлива и энергии на 0,09%. Наибольшее увеличение произошло за счет амортизации на 0,89% и прочим расходам на 0,61%.
В разрезе статьи «Материальные затраты» расходы распределились следующим образом (смотрите таблицу 2.7):
Таблица 2.7 - Удельный вес расходов в статье «Материальные затраты»
Элемент затрат
2007 г.
2008 г.
Отклонение
Млн. р.
Удельный вес, %
Млн. р.
Удельный вес, %
Млн. р.
Удельный вес, %
Сырьё и материалы
107 832,96
41,48
120 375,50
33,27
12 542,53
-8,22
Транспортные расходы
4 431,01
1,70
5 372,16
1,48
941,16
-0,22
Таможенные услуги
10 875,61
4,18
11 631,82
3,21
756,21
-0,97
Покупные и комплектующие
216 278,27
83,20
252 399,78
69,75
36 121,51
-13,45
Вспомогательные материалы
13 840,86
5,32
19 450,84
5,38
5 609,98
0,05
Себестоимость 2007 г.
259 956,10
Себестоимость 2008 г.
361 867,95
Итого
353 258,71
409 230,10
55 971,39
Итого материалы и покупные
337 952,10
392 226,12
Импортные
199 135,00
219 670,00
% Импортных
58,92
56,01
Рост затрат по материалам, покупным и комплектующим изделиям вызван ростом объёма производства на 7,41%, изменением структуры изготовленной продукции, а также увеличением цен в валюте поставщика закупаемого сырья и материалов.
Валюта
Курс декабря 2002г
РФ
60,41
Евро
1993,6
Доллар США
1920
Несмотря на рост базовых тарифов в отчётном году на электроэнергию на 12,12%, на природный газ - 8,71%, на воду - 25,43%, на канализацию –26,43% удельный вес затрат по энергоресурсам в себестоимости снизился на 0,09%. Снижение достигнуто благодаря внедрению мероприятий по энергосбережению, разработке новых энергосберегающих технологий, материалов, оборудования.
Увеличение удельного веса прочих расходов в себестоимости на 0,61% связано с увеличением затрат на текущий и капитальный ремонт зданий и сооружений общепроизводственного назначения, проведением пусконаладочных работ, связанных с вводом нового оборудования, силами подрядных организаций, а также, использованием привлеченного транспорта.
В 2008 г. среднемесячная заработная плата выросла к уровню 2007 г. на 21%, удельный вес фонда оплаты труда в себестоимости вырос на 21%, отчислений в фонд социальной защиты на 0,12%. В абсолютных цифрах расходы по фонду оплаты труда возросли по сравнению с 2007 г. на 9 330 млн. р., по отчислениям в фонд социальной защиты на 3 898 млн. р.
В себестоимости товарной продукции 2008 г. непроизводительные расходы составили 442 787 тыс. р., что на 252 902 тыс. р. (-36,3 %) меньше по сравнению с 2007 г. Удельный вес непроизводительных расходов в себестоимости 2008 г. составил 0,08%, 2007 г. – 0,15%. Снижение составило 0,069%.
Прочие непроизводительные расходы в 2008 г. составили 238 574 тыс. р., что на 292 777 тыс. р. больше по сравнению с 2007 г. Снижение данного вида затрат связано с тем, что в 2007 г. оказывалась помощь сельскохозяйственным организациям и затраты были отнесены на себестоимость ТП согласно постановлениям Совета Министров.
Таблица 2.8 - Состав непроизводственных расходов относимых на себестоимость, тыс. р.
Наименование
2007 г.
Уд. вес в себестоимости, %
2008 г.
Уд. вес в себестоимости, %
Отклонение
Оплата простоев рабочей силы
6 571
0,001
12 080
0,002
-5 509
Выплаты за сверхурочное время
21 705
0,005
76 015
0,014
-54 310
Потери от брака и порчи материалов
136 062
0,029
116 118
0,021
19 944
Прочие непроизводительные расходы (оплата производственных травм, недостачи в пределах норм естественной убыли, оплата медицинских страховок водителей по командировкам)
531 350
0,114
238 574
0,043
292 777
Итого
695 688
442 787
252 902
Производственная себестоимость
464 512 501
550 719 392
Доля в себестоимости, %
0,15
0,08
0,07
Рост затрат по статьям 1, 2 вышеприведённой таблицы объясняется увеличением тарифных ставок заработной платы по сравнению с 2007 г. на 23,6 %.
Потери от брака в 2008 г. составили 0,021% в производственной себестоимости, что на 0,008 % ниже, чем в 2007 г. Снижение потерь от брака достигнуто благодаря усилению контроля качества продукции, проведению комплекса работ по совершенствованию системы управления качеством.
Таблица 2.9 - Состав непроизводительных расходов, выплаченных за счёт прибыли
Наименование
2007 г.
2008 г.
Отклонение
Убытки от списания недоамортизированных основных фондов, тыс. р.
215 462
270 191
-54 729
Штрафы, уплаченные другим организациям, тыс. р.
552 432
193 839
358 593
Просроченная дебиторская задолженность, тыс. р.
72 010
295 753
-223 743
Кроме того, к непроизводительным расходам за счёт прибыли, относится налог на недвижимость по незавершённым капитальным вложениям, который в 2008 г. составил 663 498,8 тыс. р.
2.2.3 Анализ прибыли
Прибыль – один из важнейших финансовых результатов деятельности предприятия. Ее показатели являются основными в системе оценки результативности деятельности предприятия, степени его надежности и финансового благополучия.
Процесс формирования прибыли представлен в таблице 2.10.
Таблица 2.10 - Анализ формирования прибыли от реализации, млн. р.
Показатели
2006 г.
2007 г.
Изменение
Сумма
Темп роста
Выручка от реализации продукции
1 121 524
1 381 867
260 343
123,21%
Налоги из выручки
91 352
111 582
-20 230*
122,15%
Выручка от реализации продукции за вычетом налогов
1 030 172
1 270 285
240 113
123,31%
Полная себестоимость реализованной продукции
852 703
1 089 956
-237 253
127,82%
Прибыль от реализации продукции
177 469
180 329
2 860
101,61%
* Примечание - Увеличение налогов из выручки и полной себестоимости реализованной продукции снижает прибыль, поэтому абсолютное изменение взято со знаком «минус»
Данные таблицы 2.10 показывают, что за рассматриваемый период все составляющие формирования прибыли от реализации продукции выросли. Выручка от реализации продукции за вычетом налогов выросла на 123,31 %, что способствовало росту прибыли от реализации продукции на 240113 млн. р. Полная себестоимость реализованной продукции за 2007 г. увеличилась на 127,82 %. Это в свою очередь привело к снижению прибыли от реализации на 237253 млн. р. Поскольку выручка от реализации продукции растет опережающими темпами по сравнению с себестоимостью, то общая величина прибыли от реализации продукции за рассматриваемый период увеличилась на 101,61 %.
Анализ структуры и динамики прибыли предприятия представлен в таблице 2.11.
Таблица 2.11 - Анализ структуры и динамики прибыли ЗАО «Атлант»
Элементы прибыли
2006 г.
2007 г.
Изменения
Млн. р.
Уд. вес, %
Млн. р.
Уд. вес, %
Млн. р.
Темп
роста
Прибыль от реализации продукции (товаров, работ, услуг)
177 469,00
93,58%
180 329,00
93,86%
2 860,00
101,61%
Прибыль (убыток) от прочей реализации
5 916,90
3,12%
4 572,59
2,38%
-1 344,31
77,28%
Сальдо внереализационных доходов и расходов
6 258,26
3,30%
7 223,92
3,76%
965,66
115,43%
Балансовая прибыль
189 644,15
100,00%
192 125,51
100,00%
2 481,35
101,31%
Данные таблицы 2.11 показывают, что в 2007 г. балансовая прибыль ЗАО «Атлант» составила 192125,51 млн. р., по отношению к 2006 г. она увеличилась на 2481,35 млн. р. или 101,31 %. Соответственно чистая прибыль предприятия также увеличилась (темп роста 179,48%) и составила 89 645 147 тыс.р.
Уменьшилась прибыль от прочей реализации на 1344,31 млн. р. (-22,72 %). Однако при этом положительной динамикой является рост прибыли по внереализационным операциям. По данному показателю предприятие в отчетном году имело прибыль в размере 7223,92 млн. р. против 6258,26 млн. р. в 2006 г. В абсолютном выражении изменение сальдо внереализационных доходов и расходов за рассматриваемый период составило 965,66 млн. р., что весьма положительно сказалось на динамике балансовой прибыли.
Анализируя структуру прибыли предприятия необходимо отметить высокий удельный вес прибыли от реализации продукции, что рассматривается как позитивный момент.
Одним из важнейших показателей конечных результатов для предприятия является чистая прибыль. Чистой прибылью является прибыль, которая осталась в распоряжении предприятия после уплаты налогов и других платежей в бюджет.
Анализ формирования чистой прибыли представлен в таблице 2.12.
Таблица 2.12 - Анализ формирования чистой прибыли
Элементы прибыли
2006 г.
2007 г.
Изменения
Млн. р.
Уд. вес, %
Млн. р.
Уд. вес, %
Млн. р.
Темп
роста
Прибыль до налогообложения
189 644,15
100,00%
192 125,51
100,00%
2 481,35
101,31%
Налоги и платежи из прибыли
34 581,00
18,23%
43 136,00
22,45%
8 555,00
124,74%
Чистая прибыль
155 063,15
81,77%
148 989,51
77,55%
-6 073,65
96,08%
Из таблицы 2.12 видно, что на предприятии чистая прибыль снизилась на 6073,65 млн. р. и составила в 2007 г. 148989,51 млн. р. Ее удельный вес в прибыли до налогообложения уменьшился на 3,92 %, что обусловлено увеличением налоговой нагрузки. Так удельный вес налогов и платежей из прибыли увеличился на 8555,00 млн. р. или на 24,74 %.
Чистая прибыль распределяется в порядке, предусмотренном в учредительных документах предприятия. Распределение прибыли ЗАО «Атлант» отображено в таблице 2.13.
Таблица 2.13 - Распределение прибыли, млн. р.
Показатели
2006 г.
2007 г.
Изменение
Чистая прибыль
155 063,15
148 989,51
-6 073,64
Резервный фонд
7 753,16
7 449,47
-303,68
Фонд накопления
34 619,03
54 676,91
20 057,88
Фонд потребления
51 473,04
30 072,30
-21 400,74
Дивиденды
4 555,13
4 556,41
1,27
Благотворительные цели
455,51
1 822,56
1 367,05
Другие цели
56 207,28
50 411,85
-5 795,42
Как видно из таблицы 2.13, после выплаты налогов и платежей в бюджет, прибыль предприятия используется для формирования фондов накопления, потребления, резервного фонда, а также на выплату дивидендов, на благотворительные и другие цели. Большая сумма прибыли идет на формирование фонда накопления, фонда потребления и другие цели. Наименьшую сумму составляют выплаты на благотворительные цели.
2.2.4 Анализ использования основных фондов
Радикальная перестройка промышленного производства на основе введения нового хозяйственного механизма ориентирует Минский завод холодильников на экономически обоснованное использование всех элементов производства, четкое взаимодействие которых при рациональной структуре средств производства позволяет обеспечить нормальную хозяйственную деятельность предприятия.
Состав и динамика основных фондов предприятия в 2007 г. приведены в таблице 2.14.
Таблица 2.14 - Состав и динамика основных фондов в 2007 г.
Средства предприятия
На начало года
На конец года
Прирост
Млн. р.
Доля, %
Млн. р.
Доля, %
Млн. р.
Доля, %
Основные средства
772 954,93
90,61%
949 815,13
90,44%
176 860,20
-0,17%
Нематериальные активы
62,60
0,01%
252,33
0,02%
189,73
0,01%
Незавершенные капитальные вложения
63 890,88
7,49%
83 582,72
7,96%
19 691,84
0,47%
Долгосрочные финансовые вложения
16 173,75
1,90%
16 595,23
1,58%
421,49
-0,32%
Итого
853 082,15
100,00%
1 050 245,41
100,00%
197 163,26
100,00%
Данные таблицы показывают, что к концу 2007 г. прирост основных средств в абсолютных цифрах составил 176 860,20 млн. р., они занимают наибольшую долю основных фондов 90,44%, хотя по сравнению с началом периода снижение процентной доли произошло на 0,17%. Также снизилась доля долгосрочных финансовых вложений на 0,32%, хотя в абсолютных цифрах наблюдается прирост на 421,49 млн. р. Это объясняется увеличением доли нематериальных активов и незавершенных капитальных вложений за счет их абсолютного прироста в 189,73 и 19 691,84 млн. р.
Состав основных средств по данным 2007 г. приведен в таблице 2.15.
Таблица 2.15 - Состав основных средств за 2007 г., в млн. р.
Наименование показателей
Остаток на начало года
Поступило
Выбыло
Остаток на конец года
Здания и сооружения
239 845,74
82 280,44
4 621,93
317 504,26
Передаточные устройства, измерительные приборы и регулирующие устройства
32 733,84
7 443,54
283,15
39 894,23
Машины и оборудование
470 560,33
96 175,80
12 666,98
554 069,15
Транспортные средства
9 322,74
3 769,67
183,13
12 909,28
Вычислительная техника и оргтехника
9 331,19
3 168,15
101,43
12 397,92
Другие виды основных средств
11 161,09
2 875,15
995,95
13 040,29
Итого
772 954,93
195 712,75
18 852,56
949 815,13
Графически структура основных средств в процентах на конец 2007 г. представлена на рисунке 2.7. Как видно, большую часть основных средств составляют машины и оборудование. Их остаток на конец года в абсолютном выражении составил 554 069,15 млн. р. На втором месте в структуре стоят здания и сооружения - 317 504,26 млн. р. Эти две группы производственных фондов занимают практически 92 % всего основного капитала Минского завода холодильников ЗАО «Атлант».
Всего за год поступило 195 712,75 млн. р. основного капитала, выбыло – 18 852, 56 млн. р.
Рисунок 2.7 - Структура основных средств МЗХ ЗАО «Атлант» за 2007 г.
Экономическое положение предприятия в немалой степени зависит от технической структуры и показателей использования основных средств.
Положительные показатели обновления и изношенности основных средств говорят о том, что предприятие развивается и постоянно обновляет основные фонды. Это в немалой степени помогало предприятию оставаться наравне с зарубежными конкурентами.
Показателем состояния основных фондов является коэффициент износа основных фондов, который, имея критический уровень 0,6, по МЗХ на конец 2007 г. составлял 0,496. Доля активной части основных средств (машины, оборудование и транспортные средства) в 2007 г. составляла 59,69 %, тогда как в 2006 г. – 62,08 %. Снижение этого показателя расценивается как неблагоприятная тенденция. Коэффициент обновления основных средств в 2007 г. составил 20,61 % (вновь введенные основные фонды), коэффициент обновления активной части основных средств в 2007 г. составил 17,63 %. Коэффициент выбытия, характеризующий интенсивность выбытия основных фондов в 2007 г. равен 2,44 %, коэффициент выбытия активной части основных средств в 2007 г. составил 2,68 %.
Физический износ оборудования является негативным моментом, сказывающимся на скрытой нехватке производственных мощностей. Сводные данные о возрасте оборудования по МЗХ представлены в таблице 2.16.
Таблица 2.16 - Сводные данные о возрасте оборудования по МЗХ
Возраст оборудования
Количество
единиц
Процент от
общего количества
Средний процент износа
До 2-х лет
453
10,32
8,2
От 2-х до 5-ти лет
1 605
36,56
27,2
От 5-ти лет до 10-ти лет
1 422
32,39
66,6
От 10-ти лет до 15-ти лет
657
14,97
91,1
От 15-ти лет до 20-ти лет
57
1,30
79,9
От 20-ти лет и свыше
196
4,46
57,9
Амортизация на предприятии начисляется линейным методом. Он представляет собой равномерное по годам начисление амортизации в течение всего нормативного срока службы или срока полезного использования. Амортизация линейным способом начисляется с первого числа месяца, следующего за месяцем ввода объектов в эксплуатацию, прекращается – с первого числа месяца, следующего за месяцем выбытия. Годовая сумма амортизационных отчислений определяется исходя из амортизируемой стоимости объекта и годовой нормы амортизации.
Переоценка основных средств производится по коэффициентам, установленным Министерством статистики и анализа.
2.2.5 Анализ использования оборотных средств
Одним из условий ликвидности предприятия, его бесперебойной работы и устойчивого финансового состояния является наличие у него достаточного количества оборотных средств. Динамика и структура оборотных средств МЗХ ЗАО «Атлант» за 2007 г. приведена в таблице 2.17.
Таблица 2.17 - Динамика и структура оборотных активов за 2007 г.
Вид оборотных средств
Наличие средств, млн. р.
Структура средств, %
На начало года
На конец
года
Изменение
На начало
года
На конец
года
Изменение
Запасы и затраты, в т.ч.
230 708,58
253 827,24
23 118,66
45,05
44,13
-0,92
сырье, материалы и другие активы
154 863,85
191 840,11
36 976,26
30,24
33,36
3,12
НЗП и полуфабрикаты
44 366,43
29 902,28
-14 464,15
8,66
5,20
-3,46
расходы на реализацию
0,00
0,00
0,00
0,00
0,00
0,00
готовая продукция
12 866,27
32 056,87
19 190,60
2,51
5,57
3,06
товары отгруженные
18 365,20
0,00
-18 365,20
3,59
0,00
-3,59
прочие запасы и затраты
246,83
27,98
-218,85
0,05
0,00
-0,04
Налоги по приобретенным активам
18 055,89
39 741,67
21 685,78
3,53
6,91
3,38
Дебиторская задолженность, в т.ч.
66 609,01
140 239,28
73 630,27
13,01
24,38
11,38
Продолжение таблицы 2.17
Вид оборотных средств
Наличие средств, млн. р.
Структура средств, %
На начало года
На конец
года
Изменение
На начало
года
На конец
года
Изменение
разных дебиторов
34 883,89
51 287,94
16 404,05
6,81
8,92
2,11
прочая дебиторская задолженность
29 322,46
44 831,80
15 509,34
5,73
7,80
2,07
Денежные средства, в т.ч.
185 311,09
131 931,25
-53 379,84
36,18
22,94
-13,25
Финансовые вложения
11 438,42
9 384,05
-2 054,37
2,23
1,63
-0,60
Итого
512 122,99
575 123,49
63 000,50
100,00
100,00
–
За 2007 г. стоимость оборотных средств увеличилась на 63000,50 млн. р. или на 12,3 % и составила 575123,49 млн. р. Наибольший прирост оборотных активов объясняется:
ростом запасов сырья и материалов на 36976,26 млн. р. или 23,88 %;
увеличением запасов готовой продукции на 19190,60 млн. р. или 149,15 %, что объясняется увеличением выпуска в натуральном выражении;
ростом неоплаченной покупателями задолженности за отгруженную продукцию на 41716,88 млн. р.
Критерием эффективности использования оборотных активов является оборачиваемость оборотного капитала. Показатели эффективности использования оборотных активов МЗХ приведены в таблице 2.18.
Таблица 2.18 - Показатели эффективности использования оборотных средств
Наименование показателя
На начало
года
На конец
года
Коэффициент оборачиваемости оборотного капитала
4,5
3,8
Продолжительность оборота, дн.
81
94
Продолжительность оборота запасов
44
34
в т.ч. сырья и материалов
32
29
готовой продукции
7
9
товаров отгруженных
6
0,4
Продолжительность оборота налогов по активам
3
5
Продолж. оборота дебиторской задолженности
15
17
Продолжительность оборота денежных средств
15
28
В результате замедления оборачиваемости оборотных активов сумма дополнительно привлеченных в оборот средств по МЗХ составила 25179 млн. р. Дебиторская задолженность оборачивается значительно быстрее материальных оборотных средств, что означает высокую интенсивность поступления денежных средств на счета МЗХ и увеличение собственных средств предприятия. Это свидетельствует о стабильном и эффективном использовании оборотных средств.
2.2.6 Анализ показателей по труду и заработной плате
Таблица 2.19 - Анализ показателей по труду и заработной плате за 2004-2005 гг.
Наименование
показателя
Ед. изм.
2004 г.
2005 г.
Отклонение, от 2004 г.
Темп роста к 2004 г.
Объем ТП
тыс. р.
57 825 289
75 737 836
17 912 547
130.79
Производственные затраты
тыс. р.
55 230 505
72 728 511
17 498 006
131.68
Удельный вес заработной платы в объеме ТП
%
8.14
8.10
-0.04
99.5
Численность по цеху (всего)
чел.
731
737
6
100.8
В т.ч.
- рабочие
чел.
681
687
6
98.84
- ИТР и служащие
чел.
36
35
-1
97.22
ФОТ
тыс. р.
4 497 650
5 593 692
1 096 042
124.36
в т.ч.
- ФОТ рабочих
тыс. р.
4 170 354
5 167 507
997 153
123.91
- ФОТ ИТР и служащих
тыс. р.
327 296
396 185
68 889
121.04
Выплаты из прибыли
тыс. р.
208 008
237 658
29 650
114.25
Средняя зарплата
одного работника
р.
540.1
699.1
159.0
129.43
Средняя зарплата
одного работника с выплатами из прибыли
р.
599.7
737.4
137.7
122.96
Средняя зарплата
одного рабочего
р.
527.4
666.4
139.0
126.35
Средняя зарплата
одного ИТР
р.
779.3
971.0
191.7
124.59
Отработано рабочими
чел. час.
150 092
149 958
-134
99.91
Производительность труда
тыс. р.
79 104
103 609
24 505
130.97
Анализ данных показателей за 2005 г. и сравнение их с 2004 г. показал увеличение выработки одного работающего на 31 %, численности по цеху на 0,8%, темпа роста объема ТП на 31%. Рост выработки на одного работника на 31 % по сравнению с темпом роста зарплаты по цеху (29,4%) на фоне незначительного роста на 0,3% удельного веса зарплаты в себестоимости цеха.
2.2.7 Анализ показателей качества продукции
Качество продукции является важным показателем деятельности промышленного предприятия. Его повышение обеспечивает экономию не только трудовых и материальных ресурсов, но и позволяет более полно удовлетворять потребности общества. Высокий уровень качества продукции способствует повышению спроса на неё и увеличению суммы прибыли не только за счет объёма продаж, но и за счет более высоких цен.
Контроль качества продукции является одним из важнейших требований системы менеджмента качеством на МЗХ и ЗБТ и основан на проверке соответствия показателей качества продукции требованиям СТБ, ГОСТ, СТО (СТП), технологических процессов, инструкций и методик.
Таблица 2.20 - Основные показатели оценки системы менеджмента качества
Основные показатели оценки
системы менеджмента качества
2005 г.
2006 г.
2007 г.
Удовлетворенность
потребителей:
- Удовлетворенность потребителей (продукцией)
4,46
4,48
4,47
- Удовлетворенность потребителей (сервисом)
4,42
4,57
4,88
- Удовлетворенность дилеров и торговых организаций (работой с ЗАО «АТЛАНТ»)
4,59
4,51
4,53
Внутризаводские потери от
брака (в % к себестоимости)
0,024
0,021
0,013
Затраты на гарантийный ремонт (в % к себестоимости)
0,34
0,6197
0,7795
Объем произведенной продукции, шт.
Х, М, ТХО –
965 294
СМА –
14 857
Х, М, ТХО –
1 073 542
СМА –
2 937
Х, М, ТХО –
1 097 192
СМА –
155 137
Объем реализованной продукции, шт.
Х, М, ТХО-
1 035 800
СМА –
11 300
Х, М, ТХО-
1 083 500
СМА –
12 030
Х, М, ТХО-
1 119 300
СМА –
129 413
Уровень отказов по результатам приемо-сдаточных испытаний
0,96
0,91
1,02*
0,78**
Выполнение плана обучения (чел.)
4 512
5 009
5 393
* - с учетом «новых» дефектов;
** - без учета «новых» дефектов.
За 2007 г. на участке испытаний и ремонта было испытано 1069032 шт. холодильников и морозильников (предыдущий период - 1060223 шт.). Выбраковано 10948 шт., что составило 1,02% к испытанным (предыдущий период – 9666 шт., что составило 0,91 %).
Увеличение дефектной продукции на 0,11% по результатам испытаний связано с учетом «новых» дефектов (таких как «брак лампы освещения» и «брак BP1»). Это связано с тем, что в 2007 г. контроль ламп освещения стал осуществляться во время проверки технико-эксплуатационных параметров (ТЭП). Без учета «новых» дефектов % дефектной продукции в 2007 г. составил 0,78%, т.е. фактическое снижение уровня отказов составило 0,13%.
Рисунок 2.8 - Динамика дефектов продукции в 2006-2007 гг., в %
Из диаграммы на рисунке 2.8 видно, что наиболее весомыми дефектами являются:
- утечки хладона (0.32%);
- брак лампы освещения (0,20%);
- брак терморегулятора (0,05%);
- неподсоединение электропроводки (0,05%);
- брак ВР1 (0,05%);
- брак компрессора (0,05%);
- неправильное подсоединение электропроводки (0,03%);
- недостаток хладона (0,03%);
- нет проходимости по испарителю (0,03%).
В 2007 г. по всем наиболее весомым дефектам по сравнению с 2006г. (за исключением дефекта «неподсоединение ЭП») процент брака либо не изменился, либо снизился. Наибольшее снижение составило 0,06% («нет проходимости по испарителю»), 0,05% по «утечке хладона». Однако по проценту «остальных дефектов» произошло увеличение показателя на 0,05%, что повлияло на общее увеличение уровня отказов.
Реализация пожеланий потребителей является главной частью работы подразделений завода. Соответствующие мероприятия проводятся как в сфере проектирования и производства, так и в сфере сервисного обслуживания. Средний показатель удовлетворенности потребителей составил - 4,88 балла. Плановое значение показателя - 4,72 баллов. Результаты оценки удовлетворенности потребителей представлены в таблице 2.21.
Таблица 2.21 - Сводные результаты по оценке удовлетворенности потребителей продукцией ЗАО «Атлант» в 2007 г.
Цель
исследования
Респонденты
Результаты исследования
Критерии
оценки
Общая оценка удовлетворенности
Изучение мнения потребителей с целью повышения конкурентоспособности холодильников, морозильников и СМА
Покупатели, у которых имеется холодильник/морозильник «АТЛАНТ» или СМА «АТЛАНТ».
Холодильники, морозильники:
Внешний дизайн (4,71);
Внутренний дизайн (4,65);
Удобство в эксплуатации (4,45);
Качество (4,78);
Надежность (4,67);
Потребление электроэнергии (4,43);
Срок гарантии (4,63);
Наличие сервиса изделия (4,67);
Марка производителя (4,83);
Цена покупки (3,56);
Реклама (3,54)
4,45
4,47
СМА:
Дизайн (4,54);
Макс. загрузка белья (4,69);
простота и удобство в эксплуатации(4,62);
надежность (4,08);
дополнительные функции (4,46);
энергопотребление (4,77);
макс. обороты отжима (4,14);
срок гарантии (4,79);
марка производителя (4,36)
4,49
Изучение мнения потребителей с целью повышения уровня сервисного обслуживания и конкурентоспособности выпускаемой ЗАО «АТЛАНТ» бытовой техники
Письма заявления, жалобы потребителей, анкеты наряд - заданий (по Минску и Минскому району)
Удовлетворенность претензий граждан, организаций по обращениям (письма, заявления жалобы (5,0)
Оперативность реагирования на запросы потребителей (4,96);
Сроки выполнения работ (4,95);
Качество выполнения работ (4,79);
Культура обслуживания (4,7);
4,88
Выявление пожеланий и предложений дилеров и торговых организаций с целью улучшения взаимодействия
Представители дилеров и торговых организаций
Качество поставляемой продукции(4,57);
Своевременность поставок (4,75);
Доступность информации (4,47);
Оперативность работы по запросам (4,61);
Оперативность рассмотрения замечаний (4,42);
Отношение сотрудников (4,76);
Условия отгрузки (4,44);
Организация сервисного обслуживания (4,41)
4,55
Анализ функционирования продукции ЗАО «Атлант» в процессе эксплуатации представлен в таблице 2.22.
Таблица 2.22 - Результаты функционирования продукции ЗАО «Атлант»
Показатели
Холодильники
и морозильники
СМА
2007 г.
2006 г.
2007 г.
2006 г.
Гарантийный парк по регионам Беларуси, Минску и Минскому р-ну
583 292
553 285
38 433
25 930
Количество дефектов (по данным ОС)
13 052
12 290
2 374
2 408
Процент отказов изделий к количеству находящихся на гарантии (распространяется на весь гарантийный парк проданных заводом изделий)
2,24
2,22
6,18
9,28
Общее увеличение процента отказов изделий по МХМ составило 0,02%, по СМА наблюдалось снижение этого показателя на 3,1%, т.е. в 1,5 раза. Однако общее количество дефектов насчитывает 13 052 за 2007 г., по сравнению с предыдущим годом этот показатель увеличился на 0,06%.
За год в юридический отдел поступила 28 рекламаций (25 – по МХМ, 3 – по СМА), 11 претензий (по МХМ), по всем рекламациям и претензиям – обоснованный отказ. Количество обращений потребителей в 2007 г. составило 1017 шт., из них:
рассмотрено положительно – 987 шт.;
отказано – 30 шт.
Общий процент удовлетворения заявок потребителей составляет 97%.
Таблица 2.23 - Показатели деятельности предприятия в области качества за 2006-2007 гг.
Показатели
Доля сертифицированной продукции в общем объеме производства,
%
Затраты на качество
Затраты на выполнение мероприятий программы «Качество», тыс. р.
Потери от брака, в % от себестоимости произведенной продукции
Затраты на ремонт гарантийных изделий, в % от себестоимости произведенной продукции
2006 г.
2007 г.
2007 г.
2006 г.
2007 г.
2006 г.
2007 г.
ЗАО «АТЛАНТ»
93,5
92,9
14 031 754,243
0,013
-
В т.ч. МЗХ, ЗБТ
98,2
98,5
13 206 772,243
0,0215
0,0253
0,6197
0,7795
В т.ч. БСЗ
77,7
76,1
824 982,000
0,6600
0,214
0,0300
0,0400
Внутризаводские потери от брака по МЗХ и ЗБТ в процентах к себестоимости составили 0,0253 % (в 2006 г. - 0,0215 %). Внутризаводские потери от брака по МЗХ в 2007 г. составили 0,013% к себестоимости. Расходы на гарантийный ремонт в 2007 г. составили - 0,7795 % к себестоимости (2006г – 0,6197%). Увеличение процента расходов в отчетном году составило 0,1598%.
За отчетный период повысили квалификацию, прошли подготовку, переподготовку, освоили вторые профессии, обучились на семинарах и курсах на заводе, в учебных заведениях и организациях - 5393 чел. (2006 г. – 5009 чел.) по рабочим кадрам – 3898 чел. (2006 г. – 3889 чел.), по ИТР – 1495 чел. (2006 – 1120 чел.). Подробный план обучения персонала представлен в таблице 2.24.
Таблица 2.24 - План обучения персонала за 2006-2007 гг.
Прошли обучение
по вопросам менеджмента качества, стандартизации,
метрологии
по управлению окружающей средой
передовым технологиям
на предприятии
в учебных центрах
специалисты
рабочие
руководители
специалисты
рабочие
2006 г.
2007 г.
2006 г.
2007 г.
2006 г.
2007 г.
2006 г.
2007 г.
2006 г.
2007 г.
2006 г.
2007 г.
2006 г.
2007 г.
ЗАО «АТЛАНТ»
58
139
966
1092
15
15
16
27
2
1
1172
1248
620
518
В т.ч. ЗАО «АТЛАНТ» МЗХ, ЗБТ
58
139
586
706
9
9
9
15
-
1
688
782
614
507
Примечание. Учебные центры:
БелГИМ;
БелГИСС
Белорусский межвузовский центр;
Республиканский институт повышения квалификации и переподготовки кадров Министерства труда;
Информационно-консультативный центр ОДО «БЕЛИНМЕНЕДЖМЕНТ»;
ГУО «Кадры индустрии» и др.
В т.ч. ЗАО «АТЛАНТ» БСЗ
-
380
386
6
6
7
12
2
-
484
466
6
11
На заводе было сформировано 270 (2006 г. – 275) учебных групп по 78 (2006 г. - 76) направлениям обучения:
система менеджмента качества, метрология и стандартизация (1231 чел.);
система управления окружающей средой (1248 чел.);
охрана труда и ТБ (2197 чел.);
освоение новых процессов и новой техники (518 чел.)
По узким направлениям обучения работники направлялись в учебные заведения системы подготовки и повышения квалификации кадров: ИПК «Кадры индустрии», «БелИПК Госстандарта», общество «Знание», БелНИИ «Экология», «Белорусское жилище», Учебно-курсовые комбинаты, «Газ-институт», МИПК при БНТУ, другие учебные заведения и организации.
После внедрения и в ходе функционирования систем менеджмента качества всегда существует заинтересованность в оценке ее результативности и эффективности. Возникают вопросы, по каким именно критериям их оценивать, как часто это необходимо делать. Сложность этой задачи связана с тем, что оценку результативности и эффективности можно рассматривать применительно к продукции или услуге, процессу или системе в целом, а также для всей компании или структурного подразделения, рабочего места или бизнес-процесса. Ответы на эти вопросы не могут быть однозначными, ведь это зависит от размера и вида деятельности организации.
Центральным органом Системы добровольной сертификации «Военный регистр» г. Москвы разработана «Методика оценки результативности систем менеджмента качества предприятий (организаций) оборонно-промышленного комплекса». Методика устанавливает критерии и порядок оценки результативности СМК организаций. Результаты оценки могут использоваться при анализе СМК руководством в составе входных данных. На основании отчётных данных о качестве продукции МЗХ ЗАО «Атлант» за 2007 г. интересным представляется провести приблизительную оценку действующей на предприятии СМК по этой методике.
Для начала дадим определения понятиям:
- результативность – степень реализации запланированной деятельности и достижения запланированных результатов;
- эффективность – соотношение между достигнутым результатом и использованными ресурсами.
Результативность относится к достижению целей организации, она отражает степень реализации некоторой стратегии, а эффективность относится к оценке использования ресурсов компании в ходе реализации стратегии.
Оценка результативности и эффективности включает следующие этапы:
– оценка показателей частных критериев результативности СМК;
– оценка частных критериев результативности;
– оценка экономической эффективности СМК;
– оценка результативности предприятия;
– интерпретация оценки результативности и эффективности СМК предприятия.
Оценка результативности и эффективности СМК проводиться как средневзвешенная оценка пяти частных критериев результативности, приведенных в таблице 2.25. Весовые коэффициенты частных критериев β, γ и δ сформированы экспертным путем.
Таблица 2.25 – Частные критерии оценки результативности и эффективности СМК
Обозначение частных
критериев
Назначение частных критериев
Весовой
коэффициент
частных критериев (β)
R1
Характеризует удовлетворенность потребителей качеством выпускаемой продукции
1
R2
Характеризует соответствие требованиям к продукции
1
R3
Характеризует степень выполнения требований ГОСТ ИСО 9001, зависящих от вида деятельности предприятия и применимых к нему
0.9
R4
Характеризует степень выполнения установленных критериев результативности процессов
0.9
R5
Характеризует качество продукции поставщиков
0.8
Величина R1 определяется как средневзвешенная оценка показателей, приведенных в таблице 2.26. Значения показателей Si взяты из годовой отчетности предприятия.
Таблица 2.26 - Показатели, составляющие критерий R1
Обозначение показателя
Объект, подлежащий оценке
Значение
показателя
S1
Доля актов приемки НИР, ОКР и их этапов, не содержащих замечания Заказчика, в общем, числе актов приемки научно-технической продукции
0,9898
S2
Доля продукции, на которую не получены рекламации, в общем числе сданной продукции
0,9998
S3
Доля продукции, на которую от заказчика не получены несоответствия, оформленные в виде рекламаций, но признанные предприятием (претензии и жалобы), в общем числе сданной продукции
0,9999
Частный критерий R1 рассчитывается по формуле
. (2.1)
Подставив значения показателей Si в формулу (2.1) получим
R1=0,997.
Величина R2 определяется как средневзвешенная оценка показателей, приведенных в таблице 2.27. Значения показателей Ti взяты из годовой отчетности предприятия.
Таблица 2.27 - Показатели, составляющие критерий R2
Обозначение
показателя
Объект, подлежащий оценке
Значение
показателя
T1
Доля годной продукции
0.992
T2
Доля продукции сданной с первого предъявления ОТК
0,789
T3
Доля продукции, по которой в процессе эксплуатации у потребителя не проводились доработки, связанные с устранением конструктивных и производственных недостатков
0,978
T4
Доля неповторяющихся дефектов продукции, среди выявленных при рассмотрении рекламаций и сообщений об отказах и повреждениях
0,998
Частный критерий R2 рассчитывается по формуле
. (2.2)
Подставив значения показателей Ti в формулу (2.2) получим
R2=0,939.
Основой для расчета частного критерия R3 являются требования ИСО 9001 и количества выявленных по результатам аудита (внешнего или внутреннего) несоответствий. Расчёт производиться по формуле
R3 = 1 – n/N, (2.3)
где N – количество требований ИСО 9001, применимых к деятельности предприятия;
n – количество выявленных несоответствий.
Для ЗАО «Атлант» количество требований СТБ ИСО 9001 по качеству продукции, применимых к его деятельности составляет N = 354. Эти требования содержаться во внутренней нормативной документации предприятия: в стандартах, инструкциях, методиках, руководстве по качеству. При проведении внутреннего аудита выявлено n, равное 102, несоответствий этим требованиям. Расчетное значение равняется
R3=1-102/354=0,71.
Частный критерий R4 характеризует степень выполнения установленных критериев результативности процессов. При проведении внутреннего аудита анализируются фактические значения критериев результативности СМК. Определяется результативность процесса по формулам
, (2.4)
если с уменьшением ai-факт результативность процесса повышается, а с ростом понижается;
(2.5)
если с уменьшением ai-факт результативность процесса понижается, а с ростом повышается. Весовые коэффициенты показателей b определяются опытным путем. Расчетные значения Рi взяты в отчетах предприятия о работе СМК за год.
На ЗАО «Атлант» разработаны и утверждены процессы СМК, приведенные таблице 2.28.
Таблица 2.28 - Процессы СМК на ЗАО «Атлант»
Процесс СМК
Расчетное значение Рi
Весовой коэффициент процесса, b
Управление персоналом
1,01
1
Проектирование и изготовление средств технического оснащения
1,01
1
Управление транспортными средствами
0,98
0.8
Осуществление складской и транспортной логистики
0.98
0.9
Планирование и управление производством продукции
1,01
1
Управление технологическим и энергетическим
оборудованием
1.05
0.8
Определяем показатель R4 по формуле
. (2.6)
Расчетное значение R4 равняется
R4=(1,01∙1+1,01∙1+0,98∙0,8+0,98∙0,9+1,01∙1+1,05∙0,8)/5,5=1,01.
Частный критерий R5 характеризует качество продукции поставщиков. Он рассчитывается по отношению количества забракованной продукции поставщиков (kбрак) к общему количеству поставленной продукции (kпоставл) по формуле
. (2.7)
За год kпоставл – общее количество контрактов на поставки, равняется 1659 шт. kбрак= 951. Расчетное значение равняется
R5 = 1- 951/1659=0,43.
Рассчитанные значения частных критериев сведём в таблицу 2.29.
Таблица 2.29 - Рассчитанные значения частных критериев
Обозначение частных критериев
Значение частного
критерия
R1
0,997
R2
0,939
R3
0,710
R4
1,010
R5
0,430
Оценка результативности СМК представляет собой количественную величину Rсмк, определяемую как средневзвешенная оценка частных критериев R1, R2, R3, R4, R5,R6 по формуле
, (2.8)
где Ri – значение i-го критерия;
β i - весовой коэффициент i-го частного критерия.
Расчетное значение результативности Rсмк равно 0,83.
По результатам проведенной работы сделаем следующие выводы:
- экспериментально с использованием коэффициентного метода были определены значения результативности и весовые коэффициенты процессов действующей СМК;
- значение результативности Rсмк, равное 0,83, является достаточным, на основании чего систему менеджмента качества производства бытовой техники и торгового оборудования ЗАО «Атлант» следует считать пригодной и достаточно результативной;
- в перспективе рекомендуется проведение мероприятий, работ по дальнейшему совершенствованию и увеличению уровня результативности СМК.
2.2.8 Анализ конкурентоспособности продукции
ЗАО «Атлант» осуществляет свою деятельность в условиях олигополистического рынка, где действует несколько фирм, обычно крупных, на которые приходится основная часть продаж отрасли. Олигополистические фирмы стараются избежать ценовых войн, которые дорого обходятся и непроизводительны. Вместо этого они предлагают аналогичные цены и пытаются выделить свою продукцию на основе образа, вариантов, цвета, условий поставки и т.д. Эти компании убеждают потребителей, что их товарные марки лучше других посредством рекламы. Дальнейшими маркетинговыми действиями олигополистических фирм являются поиск ненасыщенных рынков, определение маркетинговых планов и целевых рынков конкурентов, изучение образа продукции конкурентов, их отличительные преимущества.
ЗАО «Атлант» проводит изучение конкурентов следующим образом:
- анализирует информацию об объемах производства и ценах каждого производителя-конкурента;
- участвует в выставках с целью изучения позиций основных конкурентов;
- посещает предприятия конкурентов;
- обменивается базовыми ценами.
Особое внимание уделяется технико-экономическим показателям продукции, выпускаемой конкурентами, их слабым и сильным сторонам, проводимой ими ценовой политике.
К сильным сторонам конкурентов следует отнести современный дизайн, качество изделий, а также проведение широкомасштабных рекламных компаний при продвижении на рынок.
После изучения возможностей каждого конкурента ЗАО «Атлант» были систематизированы данные о них и их продукции и сведены в таблицу 2.30. Основными конкурентами для рассмотрения взяты производители холодильного оборудования «СТИНОЛ» (г. Новолипецк, Россия) и «СНАЙГЕ»
(г. Алитус, Литва). Каждый из факторов получил оценку (от 0 до 5 баллов).
Таблица 2.30 - Оценка конкурентоспособности продукции
Факторы
конкурентоспособности
АТЛАНТ
СТИНОЛ
СНАЙГЕ
Продукт
4
4
4
Качество
4
4
3
Технические параметры
4
4
4
Упаковка
5
5
5
Габариты
5
5
4
Гарантийный срок
5
5
3
Надежность
4
5
4
Срок службы
4
5
4
Цена
3
4
5
Базовая
4
4
5
% скидки с цены
по видам скидок
3
5
3
Срок платежа
4
4
4
Условия платежа
4
4
4
Каналы сбыта
3
4
4
Формы сбыта
3
4
4
Система транспортировки
5
5
5
Реклама
3
4
3
Общее количество баллов
67
75
68
Анализируя эту таблицу, мы видим, что общее количество баллов по конкурентоспособности продукции ЗАО «Атлант» ниже, чем у конкурентов. Эта таблица наглядно показывает слабые места холодильников МЗХ: высокая цена, косвенные каналы сбыта, реализация через оптовиков, отсутствие мощной рекламной кампании. Все перечисленные недостатки являются предметом для совершенствования путем использования рыночного маркетинга. Тем более что в 2004-2005 гг. крупные зарубежные компании-производители «белой техники» выбросили на рынок стран СНГ около 2 млн. холодильников, которые по цене были ниже отечественных аналогов, а по качеству превосходили.
Глубокие исследования помогут ЗАО «Атлант» строить такую стратегию на внешних рынках, которая бы принесла максимальный доход и сбыт и сделала бы продукцию МЗХ конкурентоспособной. Значительные средства, требующиеся затратить на исследования, окупятся, т.к. вкладывание их в данное мероприятие – это расходы на построение долгосрочной перспективы развития предприятия.
ЗАО «Атлант» является единственным предприятием в Республике Беларусь, выпускающей холодильную технику бытового назначения. В целях обеспечения конкурентоспособности изделий на рынках дальнего и ближнего зарубежья освоено производство холодильников новой серии, основными признаками которой являются:
- обширная гамма моделей различной высоты с разнообразным соотношением различных объемов холодильной и морозильной камер, с пониженным потреблением электроэнергии;
- ультрасовременный дизайн;
- появление в гамме изделий охладителей — однокамерных холодильников без низкотемпературного отделения;
- новейшие технические и технологические решения.
3 Мероприятия по улучшению качества продукции на предприятии
3.1 Организационно-технические мероприятия по совершенствованию системы менеджмента качества
Обеспечение качества продукции, на которое ориентировано предприятие, осуществляется в рамках действующей на предприятии системы менеджмента качества путем разработки и реализации целей и политики в области качества. Оно основывается на проверке соответствия показателей качества продукции требованиям СТБ, ГОСТ, СТП на контроле технологических процессов, инструкций и методик, результатов внутренних проверок и анализа данных, эффективности корректирующих и предупреждающих действий. Приоритетами при производстве бытовой техники являются выпуск продукции с низким эффективным потреблением электроэнергии, применение экологически безопасного хладона, оригинальность дизайна и снижение себестоимости.
Анализ действующей СМК определил значение её результативности Rсмк, равное 0,83, обозначил слабые места, на которые следует обратить особое внимание при проектировании, выявил резервы и направления для дальнейшего совершенствования. Повышение качества выпускаемой продукции представляется возможным за счет обеспечения эффективного функционирования и целостности системы менеджмента качества.
К рассмотрению предлагается комплекс организационно-технических мероприятий по основным направлениям деятельности в области качества с учетом их приблизительной стоимости, представленный в таблице 3.1.
Основные цели внедрения мероприятий:
- разрабатывать новые изделия, повышать качество выпускаемых изделий, снижать материалоемкость продукции и повышать уровень энергосбережения;
- повышать технический уровень производств за счет их переоснащения и модернизации, внедряя высокоточное и производительное оборудование, обеспечивая высокую технологичность процессов изготовления продукции;
- осуществлять продвижение работ по развитию метрологического обеспечения производства технической базы метрологических и испытательных лабораторий;
- проводить работу по организации переподготовки и обучения персонала, привлекать к обучению сотрудников сторонних организаций;
- осуществлять постоянный контроль по затратам на гарантийное обслуживание и динамике их снижения;
- повышать моральный и предусматривать материальный стимулы работникам, при постоянной сдаче продукции с первого предъявления, вести пропаганду в области качества;
- изучать и внедрять новые программные продукты для систем электронного технического документооборота.
Вопросы оценки результативности и эффективности внедрения систем менеджмента качества остаются актуальными с момента начала широкомасштабного использования стандартов ИСО серии 9000, т. е. уже более 15 лет. Общепризнанный специалист в области качества Питер Друкер утверждает, что для начала следует определиться с выбором стратегии, с целевой направленностью деятельности, указать правильный ориентир, а затем стараться достигнуть поставленных целей минимально возможными средствами. Сначала - правильная стратегия, а затем - экономичное производство. Широко известно, что самый «лучший» способ сокращения затрат - это прекращение любой деятельности. Еще Майкл Портер писал о том, что существует маркетинговая стратегия, отражающая конкуренцию на основе минимальных затрат. При этом предполагается, что требования к таким аспектам конкурентоспособности как качество, договорная дисциплина, сервис и т.д. фиксируются и находятся на достаточно высоком уровне. Специалисты констатируют, что низкие затраты не являются длительным конкурентным преимуществом компании, а создают лишь ситуационные возможности.
Таблица 3.1- Мероприятия по организации, функционированию и совершенствованию СМК на предприятии
Направление работ и наименование мероприятий
Примечание
Сумма
затрат,
тыс. р.
1 Управление качеством и повышение экспортных возможностей организации
1.1 Повышение технического уровня производства за счет переоснащения и модернизации, создания новых производств
Строительство на производстве СМА ЗАО «АТЛАНТ» ЗБТ новых объектов:
- газорегуляторного пункта;
- водонапорной башни;
- очистных сооружений дождевых вод;
- приемного резервуара дождевых вод;
- канализационной насосной станции;
- склада цемента;
- склада с эстакадой;
- электроподстанции 110/10 кВ;
- склада рулонов металла;
- производственного корпуса;
- административно-бытового корпуса.
Создание участков:
- участок раскроя металла;
- участок литья деталей СМА;
- участок термопечати;
3 289 330
1.2 Внедрение в практику управления организацией статистических методов управления качеством при анализе качества и конкурентоспособности продукции, выявлении потенциальных дефектов продукции и процессов, анализе и управлении процессами производства, анализе эффективности системы менеджмента
Проведение анализа соответствия выпускаемой продукции требованиям международных стандартов и оценки ее технического уровня и конкурентоспособности в сравнении с зарубежными аналогами
2 Организация метрологического обеспечения и технической базы испытаний
2.1 Проведение работ по метрологическому обеспечению энергоэффективности
Создание автоматизированной системы учета электрической энергии в литейном, кузнечном, сварочном, транспортном цехах, на участке деревообработки.
Разработка порядка проведения метрологического обслуживания системы
86 946
2.2 Оснащение метрологической базы средствами измерений показателей качества электрической энергии и средствами их поверки
Закупка и аттестация анализаторов качества сети
8 041,131
3 Развитие системы оценки соответствия
3.1 Проведение добровольной сертификации продукции
Сертификация транспортного оборудования: линий предварительной отделки
387
Сертификация компрессоров С-К с комплектом пускозащитным и комплектом монтажных частей
414
3.2 Проведение организациями аудитов производств и систем менеджмента качества предприятий - поставщиков
Проверки (аудиты) на предприятиях кооперации специалистами ЗАО «Атлант»
74,0
4 Совершенствование информационного обеспечения в области качества
и конкурентоспособности
4.1 Формирование и актуализация фондов законодательных, технических нормативных правовых актов, государственных стандартов, других нормативных документов и информирование руководителей и специалистов организаций
Внедрение информационно-поисковой системы «Стандарт», содержащей полнотекстовые базы внутренних документов предприятия
6 000
Продолжение таблицы 3.1
Направление работ и наименование мероприятий
Примечание
Сумма
затрат,
тыс. р.
5 Образование и подготовка кадров
5.1 Повышение квалификации руководителей и специалистов всех уровней в области передовых технологий, обеспечивающих качество продукции и расширение международных профессиональных контактов
Предлагается организовать многоуровневую переподготовку и обучение персонала вопросам:
- управления качества на базе международных стандартов ИСО серии 9000, ИСО/ТУ 16949;
- управление окружающей средой на базе международных стандартов ИСО 14000;
- управление охраной труда на базе СТБ 18001 и другим.
Обучение, участие в семинарах и курсах представителей сторонних организаций
414 870
5.2 Организация учебы вновь назначенных руководителей различного уровня управления, а также специалистов и руководителей, включенных в состав кадрового резерва
Цель таких мероприятий - их адаптация к конкретным условиям работы и повышение квалификации в области управления, в том числе менеджмента качества, применения современных методов анализа и управления качеством продукции и труда
18 522
6 Организационные мероприятия и пропаганда в области качества
6.1 Организация и участие в национальных и международных выставках, ярмарках, смотрах-конкурсах
ЗАО «АТЛАНТ» имеет возможность принимать участие в следующих выставках:
- Постоянно действующая экспозиция «Белресурсы» - в течение г. по адресу ул. Казинца,4;
- Специализированная выставка «Стройэкспо», г. Минск;
- Международная специализированная выставка «Металлообработка», г. Минск;
- «День города», г. Минск;
- «Дажынкі», г. Речица;
- «Наука и инновации Беларуси», г. Минск;
- Национальная выставка Республики Беларусь в Венесуэле –г. Каракас (Венесуэла);
- «Международный промышленный форум», г. Киев (Украина);
140 795
Итого затраты ЗСМК
4 085 763
В качестве основных аргументов в пользу результативности и эффективности СМK обычно высказываются следующие:
- сокращение затрат на всех стадиях жизненного цикла продукции (или снижение затрат на «плохое качество»);
- увеличение доходов (увеличение доли рынка и соответствующего объема продаж, в том числе за счет оправданного повышения цен);
- улучшение управляемости компаний благодаря повышению обоснованности и оперативности принимаемых решений.
Эффективность и результативность для разных заинтересованных сторон - различна, что это всегда вопрос некоторого баланса их интересов и возможного компромисса. Что считать результатом и эффектом - это, прежде всего, вопрос стратегии компании. В принципе, любые показатели могут быть использованы для оценки результативности и эффективности систем управления. Эффект любой системы управления является по своей природе синергическим, т. е. эффектом усиления взаимодействия и координации между элементами этой системы. Объективной основой возникновения синергического эффекта системы является реальное взаимодействие ее элементов. Отсюда можно сделать два методических вывода:
- эффект системы всегда больше, чем алгебраическая сумма эффектов входящих в нее элементов;
- эффективность системы обязательно связана с определением прироста величины общего эффекта системы по сравнению с суммарной эффективностью функционирования отдельных ее элементов.
Эффективность мероприятий в рамках СМК также можно определять на основе размера экономии от внедрения и затрат на их проведение. Экономия может быть достигнута за счет уменьшения расходов по возвратам некачественной продукции, потерям от брака, рекламациям. Экономический эффект будет выражаться снижением себестоимости и приростом прибыли.
Общий размер экономии Э от внедрения мероприятий рассчитывается по формуле
, (3.1)
где Эбр – экономия от сокращения потерь от брака;
Эрекл – экономия от сокращения расходов по рекламациям потребителей;
Эш - экономия от сокращения суммы штрафов;
Эгр - экономия от сокращения затрат по гарантийным ремонтам.
Затраты на внедрение ЗСМК включают производственные затраты – на научные исследования, разработку проектов СМК, подготовку нормативных документов, на подготовку кадров; и капиталовложения – стоимость нового оборудования с учетом доставки и монтажа, затраты на модернизацию действующего оборудования. Вычисляются по формуле
, (3.2)
где Зпр – производственные затраты;
КВ – капиталовложения.
Таким образом, эффективность затрат на создание и внедрение мероприятий по совершенствованию СМК будет определяться соотношением
. (3.3)
Руководствуясь аналитическими и статистическими данными ЗАО «Атлант» за 2006-2007 гг. о потерях от брака с учетом непроизводственных расходов от брака и порчи материалов, расходах на гарантийный ремонт в процентах к себестоимости продукции, размерах штрафов и количестве удовлетворенных обращений покупателей и рекламаций произведем расчет от предполагаемой их экономии
Эбр= (1 089 956 млн. р. - 852 590 млн. р.)ּ(0,0253 % - 0,0215 %) +
+ 1 994 400 тыс. р. = 237 366 млн. р. ּ 0,0038% +1 994 400 тыс.р. =
= 2 086 852 тыс. р.
Эрекл= 30ּ1800 т.р. = 54 000 тыс. р.
Эш= 358 593 тыс. р.
Эгр = (1 089 956 млн. р. - 852 590 млн. р.) ּ( 0,7795 % - 0,6197 %) =
= 237 366 млн. р. ּ0,1598 % = 3 212 707 тыс. р.
Таким образом, сумма экономии от проведения организационно-технических мероприятий составит
Э = 2 086 852+54 000+ 358 593+3 212 707= 5 712 152 тыс. р.
Сумма затрат ЗСМК = 4 085 763 тыс. р.
Эффективность проектных решений составит
ЭфСМК =5 712 152 / 4 085 763 = 1,398.
Срок окупаемости затрат Т равняется
Т=1/ ЭфСМК. (3.4)
Т=4 085 763 / 5 712 152=0,72 г.
Рассчитанное значение показателя эффективности, равное 1,398 является удовлетворительным и допустимым (более 1). Срок окупаемости разработанных мероприятий составляет 0,72 г. В условиях высокой инфляции и увеличения курса иностранных валют, кризисного состояния экономики, существует опасность резкого увеличения размера затрат и капитальных вложений. За счет предполагаемого улучшения качества продукции, роста объемов реализации, сокращения затрат на эксплуатацию зданий, повышения квалификации и опыта персонала, при указанных затратах должен достигаться заданный эффект максимизации прибыли и снижения себестоимости продукции в течении непродолжительного срока.
3.2 Применение электронного блока управления в производстве двухкамерного холодильника
3.2.1 Характеристика устройства и существующие методы управления температурным режимом
Одной из главных целей в области качества для предприятия является повышение удовлетворенности потребителей его продукцией. Основная функция бытового холодильного прибора (к БХП относятся холодильники, морозильники и комбинированные холодильники-морозильники разных типов) – максимально длительное хранение продуктов. Здесь определяющим фактором качества изделия выступает температура в морозильной камере. Покупая холодильник или морозильник, потребитель рассчитывает, какие продукты и как долго он сможет хранить в нем. Если ожидания покупателя не оправдываются, возникает желание убедиться в том, что температуры в камерах приобретенного БХП соответствуют значениям, указанным в его паспорте или руководстве по эксплуатации.
На исправном БХП важно знать, какие температуры обеспечиваются при разных положениях ручки регулятора температуры, но большинство массовых БХП не имеет термометров в камерах. На регуляторах температуры просто нанесены условные деления от режима минимального охлаждения до режима максимального охлаждения. По причинам наличия технологических допусков на изготовление деталей условия охлаждения при одинаковом положении ручки регулятора температуры на разных образцах БХП даже одной модели могут быть разными.
Оптимальному охлаждению продуктов на каждом холодильнике соответствует свое положение ручки регулятора температуры. Это положение потребитель выбирает сам между наибольшим и наименьшим холодом. При шкале из восьми делений оптимальное охлаждение продуктов на одних образцах может обеспечиваться при положении ручки регулятора температуры на третьем делении, а на других на пятом. Ставится под сомнение правильная работа изделий, их качественное исполнение при сборке на заводе, однако и те и другие холодильники исправны, и будут хорошо и верно служить многие годы.
Нормативные температуры, которые должны обеспечиваться в камерах БХП, указываются в национальных стандартах Республики Беларусь и в стандартах европейских стран. Согласно им, средняя температура в холодильной камере на одном из положений ручки регулятора температуры устанавливается в зависимости от температуры окружающего воздуха и климатического исполнения БХП.
Температуру холодильной камеры замеряют с помощью термопар в 3-х точках в установившемся режиме работы БХП. Среднюю температуру в холодильной камере определяют как среднее арифметическое значение по 3 замерам. При испытаниях двери камер БХП должны быть герметично закрыты.
Для повышения качества и конкурентоспособности продукции ЗАО «Атлант» широкое распространение получают БХП, оборудованные электронным управлением и цифровыми термометрами. Такие БХП позволяют покупателю задавать по собственному усмотрению температуры в камерах с точностью до 1 С° и контролировать их в ходе эксплуатации изделия. Заданные температуры поддерживаются независимо от изменения загрузки БХП продуктами и окружающих условий.
Под управлением температурным режимом в бытовой холодильной технике подразумевают выбор конкретного режима работы холодильника или морозильника. Для изменения режимов работы используют механические, электромеханические и электронные регуляторы температуры, воздушные заслонки на холодильниках с принудительной циркуляцией воздуха, а также электронные пульты управления с клавишами и цифровыми термометрами.
В холодильниках ХХ века применяли, в основном, электромеханические приборы управления. В современных небольших холодильниках всех типов тоже применяют электромеханические приборы. В более сложных моделях применяют оба типа приборов, но чаще электронные.
Механический блок управления БХП. Холодильников с чисто механическим управлением на нашем рынке нет. Даже о простейших термоэлектрических холодильниках, которые включают и выключают вручную (они не имеют регуляторов температуры), неправильно говорить, как о моделях с механическим управлением. Тем более этого нельзя сказать о холодильниках с механическим воздушными заслонками, поскольку в этих моделях кроме механических заслонок для управления холодильником применяют еще электромеханические и электронные приборы.
Механические приборы регулируют температуру в холодильнике чисто механически. Потребитель вручную поворачивает ручку заслонки внутри камеры и устанавливает нужный режим охлаждения, изменяя количество холодного воздуха, подаваемого для охлаждения этой камеры.
Электромеханический блок управления БХП. Самый распространенный электромеханический прибор управления бытовыми холодильниками – регулятор температуры сильфонного типа. Герметичный сильфон, заполненный легко испаряющейся жидкостью, имеет эластичную диафрагму. При изменении давления жидкости диафрагма деформируется и переключает электрические контакты. От сильфона отходит тонкая трубочка с запаянным концом, который крепится к испарителю и служит «датчиком» температуры. В зависимости от температуры стенки испарителя состояние наполнителя в трубочке изменяется от жидкого до газообразного. При этом изменяется объем полости внутри сильфона и положение диафрагмы. Чем выше температура, тем больше объем наполнителя и сильнее давление на диафрагму. Когда давление наполнителя на диафрагму превысит сопротивление пружины, происходит переключение электрических контактов, замыкающих цепь электродвигателя мотор-компрессора. Другой силе пружины будет соответствовать другая температура переключения электрических контактов. Поворачивая ручку регулятора температуры, можно изменять силу воздействия пружины на диафрагму и устанавливать другой режим охлаждения.
Рисунок 3.1 – Электромеханический блок управления бытовыми холодильниками
На рисунке приведены обозначения:
а – зеленый индикатор. Индикатор загорается при включении прибора (т.е. при включении вилки кабеля питания прибора в розетку);
b – красный индикатор. Индикатор загорается в зависимости от температуры внутри прибора. Индикатор на короткое время загорается при включении морозильника, при закладывании свежих продуктов и при переводе регулятора термостата в положение, соответствующее более низкой температуре. Индикатор непрерывно горит, если температура в морозильной камере слишком высокая (в морозильник помещено слишком много теплых продуктов, дверца морозильника открыта или уплотнитель дверцы не прилегает к корпусу) или если прибор вышел из строя;
с – желтый индикатор. Индикатор загорается при включении режима непрерывной работы;
d – переключатель непрерывной работы. При переводе переключателя в правое положение компрессор работает непрерывно и обеспечивает наименьшую возможную температуру внутри прибора, необходимую для замораживания свежих продуктов;
e - регулятор термостата. Для установки и изменения температуры внутри прибора.
Электронный блок управления БХП. Электронные регуляторы температуры не имеют электрических контактов и управляют включением охлаждения по команде электронных датчиков, установленных в регулируемых камерах (см. рисунок 3.2 ниже). Электронный регулятор температуры может быть установлен в том же месте, где обычно устанавливают электромеханический, и иметь такую же ручку для переключения режимов охлаждения. Но в отличие от электромеханического он не привязан к испарителю и выбор места его установки определяется только конструкцией системы управления.
Рисунок 3.2 – Электронный блок управления бытовыми холодильниками
1 - индикатор знака «– » при отображении температуры в МК;
2 - индикатор температуры в МК (цифровой двузначный);
3 - индикатор знака «+» при отображении температуры в ХК;
4 - индикатор температуры в ХК (цифровой однозначный);
5 - индикатор включения МК (зеленого цвета);
6 - индикатор включения режима быстрой заморозки (желтого цвета);
7 - индикатор повышенной температуры в МК (красного цвета);
8 - индикатор включения ХК (зеленого цвета);
9 - кнопка включения/выключения ХК;
10 - кнопка выключения звукового сигнала;
11 - кнопка включения/выключения режима быстрого замораживания;
12 - кнопка включения/выключения МК;
13 - кнопка задания температуры в ХК;
14 - кнопка задания температуры в МК.
При любом типе блока потребитель вручную устанавливает режим работы холодильника, механически поворачивая ручку регулятора температуры, а включение компрессора происходит через электрические контакты. При электронном регуляторе температуры другие приборы управления (реле и переключатели) могут быть электрическими.
Отличия управления с помощью электромеханических и электронных приборов заключаются только в принципах регулирования. Электромеханические приборы регулируют температуру в камере по температуре самой холодной точки на испарителе, а электронные по показаниям датчика температуры воздуха в самой камере.
Применение электронного регулятора выводит производителя на более высокий качественный уровень изделий. Главное преимущество здесь – в высокой точности регулирования. В простых небольших холодильниках и морозильниках такой блок использовать нецелесообразно, а в больших и дорогих моделях даже незначительные отклонения температур могут быть причиной значительных убытков из-за порчи продуктов, и в дальнейшем привести к поломке самого прибора.
Плюсы внедрения электронного блока:
- высокоточное электронное регулирование гарантированно поддерживает заданную температуру независимо от изменения температуры и влажности окружающего воздуха;
- электронное управление предполагает наличие цифровых указателей температуры, цветных световых индикаторов режимов работы и предупреждения аварийных ситуаций, что наглядно информирует потребителя о работе прибора;
- улучшаются эргономические показатели – электронное управление позволяет изменять и контролировать режимы, активизировать различные функции, не открывая двери холодильника, например, на пульт управления вынесен сетевой выключатель, позволяющий отключить холодильник, не выдергивая вилку из розетки.
- приборы, вынесенные на наружный пульт управления, не только повышают удобства пользованием, но и создают положительное эстетическое восприятие.
Достоинства электромеханических приборов в простоте управления и надежности, подтвержденной многолетней эксплуатацией. Электронные приборы же совершенствуются из г. в год. Расширение функциональных возможностей, повышение надежности и снижение цены является тенденцией в развитии электронных приборов для управления бытовой техникой.
3.2.2 Конструкция и описание составляющих электронного блока
Конструктивно блок управления состоит из основных частей:
- модуля управления;
- модуля индикации;
- двух датчиков температуры.
Чертеж общего вида электронного блока управления двухкамерным холодильником дается в приложении. На нём представлены общий вид электронного блока, модули управления и индикации, датчик температуры, описано назначение кнопок управления.
Рассмотрим подробно основные элементы модуля управления:
Микроконтроллер. Для реализации основных функций прибора применим микроконтроллер ATmega16L производства Atmel. По своим характеристикам он больше всего подходит при относительно низкой стоимости, высокой надежности и низком энергопотреблении.
Архитектура семейства AVR в значительной мере предопределяется ее назначением - построение компактных и дешевых цифровых устройств. Все функции микроЭВМ реализуются с помощью единственной микросхемы. В состав семейства AVR входит целый ряд микросхем от самых простых микроконтроллеров до достаточно сложных. Микроконтроллеры семейства AVR позволяют выполнять как задачи управления различными устройствами, так и реализовывать отдельные узлы аналоговой схемы. Все микросхемы этого семейства работают с одной и той же системой команд, большинство из них выполняется в одинаковых корпусах с совпадающей цоколевкой (нумерация ножек для корпуса).
Ядро AVR сочетает богатый набор инструкций с 32 универсальными рабочими регистрами. Все 32 регистра непосредственно подключены к арифметико-логическому устройству (АЛУ), который позволяет указать два различных регистра в одной инструкции и выполнить ее за один цикл. Данная архитектура обладает большей эффективностью кода за счет достижения производительности в 10 раз выше по сравнению с обычными CISC-микроконтроллерами.
Микроконтроллер производится по технологии высокоплотной энергонезависимой памяти компании Atmel. Встроенная внутрисистемно программируемая флэш-память позволяет перепрограммировать память программ непосредственно внутри системы через последовательный интерфейс SPI с помощью простого программатора или с помощью автономной программы в загрузочном секторе. Загрузочная программа может использовать любой интерфейс для загрузки прикладной программы во флэш-память. Программа в загрузочном секторе продолжает работу в процессе обновления прикладной секции флэш-памяти, тем самым поддерживая двухоперационность: чтение во время записи. За счет сочетания 8-разр. RISC ЦПУ с внутрисистемно самопрограммируемой флэш-памятью в одной микросхеме ATmega128 является мощным микроконтроллером, позволяющим достичь высокой степени гибкости и эффективной стоимости.
Тактовый генератор. XTAL1 и XTAL2 являются входом и выходом, соответственно, инвертирующего усилителя, который с использованием кварцевого кристалла или керамического резонатора работает как встроенный генератор. Принципиальная схема подсоединения генератора представлена на рисунке 3.3.
Кварцевый кристалл генератора таймера подсоединяется непосредственно к выводам OSC1 и OSC2. Внешние конденсаторы не требуются. Генератор оптимизирован под часовой кварц с частотой 32,768 кГц. Внешний тактовый сигнал,подаваемый на эти выводы, поступает на усилитель с полосой пропускания 256 кГц.
Таким образом частота внешнего сигнала должна находиться в диапазоне от 0 до 256 кГц.
Рисунок 3.3 - Подсоединение тактового генератора
Часы реального времени с последовательным интерфейсом DS1307. Это малопотребляющие полные двоично-десятичные часы-календарь, включающие 56 байтов энергонезависимой статической ОЗУ (см. рис. 5.5 ниже). Адреса и данные передаются последовательно по двухпроводной двунаправленной шине. Часы-календарь отсчитывают секунды, минуты, часы, день, дату, месяц и год. Последняя дата месяца автоматически корректируется для месяцев с количеством дней меньше 31, включая коррекцию високосного г.. Часы работают как в 24-часовом, так и в 12-часовом режимах с индикатором AM/PM. DS1307 имеет встроенную схему наблюдения за питанием, которая обнаруживает перебои питания и автоматически переключается на питание от батареи.
Характеристики:
- часы реального времени (RTC) отсчитывают секунды, минуты, часы, дату месяца, месяц, день недели и год с компенсацией високосного года, действительной до 2100 г.;
- 56-байтовое энергонезависимое ОЗУ с питанием от батареи для хранения пользовательских данных;
- двухпроводной последовательный интерфейс;
- программируемый выходной сигнал с прямоугольными импульсами (для тактирования внешних устройств);
- автоматическое обнаружение падения напряжение и схема переключения на батарею;
- потребление менее 500 нА в режиме батарейной поддержки при работающем тактовом генераторе;
- промышленный диапазон температур: от - 40 °C до + 85 °C;
- микросхема производится в 8-выводных корпусах DIP и SOIC.
Двухпроводная последовательная шина данных. DS1307 поддерживает обмен данными по протоколу I2C по двухпроводной двунаправленной шине. Устройство, которое передаёт данные на шину, является передатчиком, а устройство, принимающее данные, - приёмником. Устройство, управляющее передачей данных, называется ведущим. Устройство, которым управляет ведущий, называется ведомым. Ведущее устройство генерирует синхроимпульсы (serial clock - SCL), управляет доступом к шине и генерирует условия START и STOP. DS1307 работает на шине как ведомое устройство. Типовая конфигурация шины с использованием протокола I2C показана на рисунке 3.4.
Рисунок 3.4 - Типовая конфигурация двухпроводной шины
ЖКИ-модуль. Алфавитно-цифровой индицирующий ЖКИ-модуль является промышленным и широко применяется при производстве алфавитно-цифровых ЖКИ-модулей. Аналоги этого контроллера или совместимые с ним по интерфейсу и командному языку микросхемы, выпускают множество фирм, среди которых: Epson, Toshiba, Sanyo, Samsung, Philips. Еще большее число фирм производят ЖКИ-модули на базе данных контроллеров. Эти модули можно встретить в самых разнообразных устройствах: измерительных приборах, медицинском оборудовании, промышленнном и технологическом оборудовании, офисной технике - принтерах, телефонах, факсимильных и копировальных аппаратах.
Алфавитно-цифровые ЖКИ-модули представляют собой недорогое и удобное решение, позволяющее сэкономить время и ресурсы при разработке новых изделий, при этом обеспечивают отображение большого объема информации при хорошей различимости и низком энергопотреблении. Возможность оснащения ЖКИ-модулей задней подсветкой позволяет эксплуатировать их в условиях с пониженной или нулевой освещенностью, а исполнение с расширенным диапазоном температур (-20°С...+70°С) в сложных эксплуатационных условиях, в том числе в переносной, полевой и даже, иногда, в бортовой аппаратуре.
3.2.3 Расчет экономических показателей применения блока управления
Одним из основных критериев выбора использования в производстве блока управления является его себестоимость. Для этого следует провести расчет реальной себестоимости устройства и прибыли от его применения в производстве двухкамерного холодильника, исходя из фактических затрат на его изготовление.
Расчет себестоимости. Наиболее точные расчеты по обоснованию себестоимости производства обеспечивает расчетно-аналитический метод. В основе применения данного метода лежит использование системы норм и нормативов расхода тех или иных ресурсов с учетом калькуляционных статей себестоимости:
- сырье и основные материалы;
- покупные комплектующие изделия и полуфабрикаты;
- транспортно-заготовительные расходы;
- основная зарплата производственных рабочих;
- дополнительная зарплата производственных рабочих;
- отчисления на социальное страхование;
- единый налог;
- расходы на содержание и эксплуатацию оборудования;
- цеховые расходы;
- общезаводские расходы;
- прочие производственные расходы;
- внепроизводственные расходы.
Стоимость сырья и основных материалов См определяется по формуле
См=gmiЦmi, (3.5)
где gmi - расход материала i-го вида, кг;
Цmi – цена материала i-го вида за кг, р.
Расчет стоимости единицы сырья и материалов, норма их расходов сведена в таблице 3.2
Таблица 3.2 – Расчет стоимости сырья и основных материалов
-
Наименование
Марка
Норма расхода
Цена за единицу, р.
Стоимость материала на прибор, р.
1. Припой
ПОС 61
0,04
1 500
60
2. Флюс
ФКТ
0,02
200
4
3.Лак
ЭП-9114
0,10
500
50
4. СНС
-
0,04
1 400
56
5.Канифоль
ЭП-572
0,01
1 500
15
Итого
185
Стоимость покупных комплектующих изделий и полуфабрикатов Спк, определяют по формуле
-
Спк=МпкjЦпкj,
(3.6)
где Мпкj – количество покупных изделий j-го вида, шт.;
Цпкj – цена j-го покупного изделия за штуку, руб.
Стоимость единицы покупных комплектующих и полуфабрикатов, норма их расхода приведены в таблице 3.3.
Таблица 3.3 – Расчет стоимости покупных изделий и полуфабрикатов
Наименование
Марка
Норма расхода
Цена за единицу, р.
Цена за единицу, р.
1. Диод
US1M
2
600
1 200
2. Диод
S1M
1
250
250
3. Диод
BTB16-600SW
2
1 500
3 500
4. Диод
BT134W-600E
1
1 000
1 000
5. Диод
BAW56
4
250
1 000
6. Диод
5013UGD
3
500
1 500
7. Диод
5013UYD
2
500
1 000
8. Диод
5013LRD
1
500
500
9. Конденсатор
К53-14
1
200
200
10. Конденсатор
К10-17
15
180
2 700
11. Конденсатор
К52-11
1
220
220
12. Конденсатор
К52-1
1
250
250
13. Конденсатор
К75-24
2
300
600
14. Индуктивность
LCHB0810
1
400
400
15. Индуктивность
PK406-102
1
300
300
16. Микросхема
КР1199EH5A
1
1 000
1 000
17. Микросхема
DS1307Z
1
3 500
3 500
18. Микросхема
ATMEGA16L
1
7 000
7 000
19. Микросхема
LNK304G
1
1 700
1 700
20. Микросхема
MC74HC595A
2
920
1 840
21. Микросхема
GNQ-5642BUG
1
5 000
5 000
22. Плата
СФ-1-35-1
2
400
800
23. Резистор
0805-240
8
600
4 800
24. Резистор
0805-330
3
600
1 800
25. Резистор
0805-3к
1
650
650
26. Резистор
0805-4.7к
1
620
620
27. Резистор
0805-10к
9
600
5 400
28. Резистор
0805-18к
2
610
1 220
29. Резистор
0805-30к
2
600
1 200
30. Резистор
0805-270к
1
630
630
31. Резистор
0805-47к
1
640
640
32. Резистор
1206-75к
2
700
1 400
33. Резистор
1206-160к
2
710
1 420
34. Резистор
1206-330к
1
500
500
35. Резистор
KLSF-F-R-100R
1
1 000
1 000
36. Резистор
KLSF-F-R-510R
1
1 200
1 200
37. Резистор
NCP18XH103F
2
900
1 800
38. Резистор
593-BC
1
500
500
39. Разъем
215079-6
1
1 000
1 000
40. Разъем
VH-2R
2
400
800
41. Разъем
AMP 0928492-6
1
900
900
42. Разъем
215070-6
1
900
900
43. Элемент питания
CR1220-3V
1
1 500
1 500
44.Излучатель
PKM13EPYH
1
700
700
45. Кнопка
тактовая
8
300
2 400
46. Шлейф
0.22
2 000
440
Итого
68 840
Транспортно-заготовительные расходы Стз исчисляются в виде процента к сумме сырья, материалов, покупных изделий и полуфабрикатов. Вычисляются по формуле
-
Стзк=(См+Спк)Птз/100,
(3.7)
где - Птз – процент транспортно-заготовительных расходов, %.
Стзк= (185+68840)5/100 = 3 455 р.
К основной зарплате относится оплата по сдельным расценкам, повременная оплата и премия.
Планово-оперативная карта сборки блока приведена в таблице 3.4
Таблица 3.4 – Планово-оперативная карта сборки
Перечень операций
Вид
оплаты
Разряд работы
Норма времени, час
Часовая тарифная ставка, р.
Сборочная
СН
3
3
950,40
Контрольная
ПН
4
0,2
1 024,85
Определяем расценки сборочной электронной Рсб.эл операции по формуле
-
Рсб= Тшт · Чтс,
(3.8)
где Тшт – норма времени на одну операцию, часов;
Чтс – часовая тарифная ставка, р.
Рсб.эл=(3·950,4)=2 851,2 р.
Определяем зарплату по сдельным расценкам Зсд, рублей по формуле
-
Зсд=Рсб.эл
(3.9)
Зсд=2 851,2 р.
Определяем расценки контрольный Рпконтр.эл по формуле
-
Рконтр=Чтс·Тч,
(3.10)
где Тч – норма, часов;
Рконтр.эл=0,2·1024,85= 204,97 р.
Определяем зарплату по повременным расценкам Зпов по формуле
-
Зпов= Рконтр..эл
(3.11)
Зпов= 204,97 р.
Премии П начисляются на сдельную и повременную зарплату и определяются по формуле
-
П=(Зпов+Зс) ·Пп/100,
(3.12)
где Пп – размер премии в процентах, %.
П=(204,97+2851,2) ·90/100= 3 056,17 р.
Основная заработная плата Зосн равна сумме
-
Зосн=Зпов+Зсд+П+И,
(3.13)
Зосн=204,97+2851,2+3056,17+0=6 112,34 р.
К дополнительной зарплате Здоп относятся:
- оплата очередных отпусков, оплата времени связанного с выполнением государственных обязанностей, оплата льготных часов подросткам и др;
- дополнительная зарплата производственных рабочих исчисляется в виде процента от основной заработной платы. Здоп вычисляем по формуле
-
Здоп=Зосн·Пдопв/100,
(3.14)
где Пдоп – процент дополнительной зарплаты от основной, %.
Здоп=6112,34·18/100=1 100,22 р.
Сумма отчислений на социальное страхование Ссс исчисляется в виде процента от сумы основной и дополнительной заработной платы по формуле
-
Ссс=(Зосн+Здоп)·Псс/100,
(3.15)
где Псс - размер отчислений на социальное страхование, %.
Ссс=(6112,34+1100,22)·35/100=2 163,76 р.
Единый налог Рен, рубля, определяется по формуле
-
Рен=(Зосн+Здоп)·Пен/100,
(3.16)
где Пен – суммарная величина налоговых ставок норм отчислений, %.
Рен=(6112,34+1100,22)·5/100=360,63 р.
К расходам на содержание и эксплуатацию оборудования (РСЭО), относятся затраты по содержанию, амортизации и текущему ремонту производственного подъемно-транспортного оборудования, цехового транспорта, рабочих мест, амортизация, износ и затраты на восстановление инструментов и приспособлений.
Сумма расходов на содержание и эксплуатацию оборудования Срсэо исчисляется от основной заработной платы производственных рабочих по формуле
-
Срсэо=Зосн·Прсэо/100,
(3.17)
где Прсэо – процент расходов на содержание и эксплуатацию оборудования.
Срсэо=6112,34·280/100=17 114,55 р.
Цеховые расходы включают в себя затраты по обслуживанию цехов и управлению ими; зарплата аппарату управления цехами; амортизацию и затраты по содержанию и текущему ремонту зданий, сооружений и инвентаря общецехового назначения; расходы на рационализацию и изобретательство; расходы на охрану труда и т.д.
Сумма цеховых расходов Сцр исчисляется в виде процента от основной зарплаты производственных рабочих по формуле
-
Сцр=Зосн·Пцр/100,
(3.18)
где Пцр – процент цеховых расходов, %.
Сцр=6112,34·230/100=14 058,38 р.
К общезаводским расходам относятся затраты по общему управлению предприятием: зарплата персонала; расходы на командировки; конторские, типографические расходы; амортизация и текущий ремонт зданий, сооружений и инвентаря общезаводского назначения; расходы по охране предприятия и т.п. Сумма общезаводских расходов Сор, р., исчисляется в виде процента от основной зарплаты производственных рабочих.
-
Сор=Зосн·Пор/100,
(3.19)
где Пор – процент общезаводских расходов, %.
Сор=6112,34·585/100=35 757,19 р.
К прочим производственным расходам относят: отчисления на затраты на гарантийное обслуживание и ремонт продукции; затраты на стандартизацию и сертификацию продукции; оплата консультативных, информационных и аудиторских услуг, выполняемых соответствующими организациями и т.п.
Сумма прочих производственных расходов Сп.пр исчисляется в виде процента от основной зарплаты производственных рабочих по формуле
-
Сп.пр.=Зосн·Пп.пр/100,
(3.20)
где Пп.пр – процент отчислений на прочие производственные расходы.
Сп.пр.= 6112,34·150/100=9 168,51 р.
К внепроизводственным расходам относят затраты связанные со сбытом продукции: расходы по упаковке и транспортировки продукции.
Сумма внепроизводственных расходов Свн.р исчисляется в виде процента от производственной себестоимости по формуле
-
Свн.р.=Спр·Пвн.р/100,
(3.21)
где Пвн.р – процент внепроизводственных расходов, %.
Свн.р.=(230+89260+4474,5+6112,34+1100,22+2163,76+360,63+
+17114,55+14058,38+35757,19+9168,51)·4,2/100 = 7 551,6 р.
Сумма производственной себестоимости и внепроизводственных расходов составляет полную себестоимость.
Размер прибыли на единицу продукции зависит от уровня рентабельности единицы продукции. Расчет нормативной прибыли на единицу продукции можно определить по формуле
, (3.22)
где – полная себестоимость единицы продукции, р.;
– уровень рентабельности единицы продукции, %.
=34%;
=178 493·34/100=60 688 р.
Цена – денежное выражение стоимости единицы товара (продукции, изделия и т.п.). Оптовая цена предприятия формируется в зависимости от полной себестоимости продукции и нормативной величины прибыли на единицу продукции по формуле
, (3.23)
где – оптовая цена (цена предприятия) единицы продукции, р.;
– полная себестоимость единицы продукции, р.;
– нормативная прибыль на единицу продукции, р.
=178 493+60 688=239 181 р.
Отчисления в бюджетные фонды включают:
– сбор на формирование местных целевых бюджетных жилищно-инвестиционных фондов;
– сбор в республиканский фонд поддержки производителей сельскохозяйственной продукции, продовольствия и аграрной науки;
– налог с пользователей автомобильных дорог;
– сбор на финансирование расходов, связанных с содержанием и ремонтом жилищного фонда.
Размер отчислений в бюджетные фонды взимается единым платежом в размере 3% по следующей формуле
, (3.24)
где – отчисления в местные и республиканский бюджеты, приходящиеся на единицу продукции, р.;
– оптовая цена (цена предприятия) единицы продукции, р.;
– норматив отчислений в республиканский бюджет, %.
=239 181ּ3/(100-3)=7 397 р.
Цена без учета налога на добавленную стоимость находится как сумма оптовой цены и отчислений в бюджетные фонды по формуле
, (3.25)
где – оптовая цена (цена предприятия), р.;
– отчисления в бюджетные фонды, р.
=239 181+7 397=246 578 р.
Во всех платежных и расчетных документах сумма налога на добавленную стоимость должна выделяться отдельной строкой. Налог на добавленную стоимость можно определить по следующей формуле
, (3.26)
где – сумма налога на добавленную стоимость, приходящаяся на единицу продукции, р.;
– цена без налога на добавленную стоимость, р.
– норматив налога на добавленную стоимость, %.
=18%;
=246 578ּ18/100=44 384 р.
Цена реализации продукции – цена, по которой реализуется продукция, включает полную себестоимость, прибыль, отчисления в бюджетные и внебюджетные фонды и налоги, вычисляется по формуле
. (3.27)
=246 578+44 384=290 962 р.
По результатам расчетов была составлена калькуляция себестоимости и цены продукции, приведенная в таблице 3.5.
Таблица 3.5 – Калькуляция себестоимости электронного блока
Наименование статей затрат
Сумма затрат, р.
Сырье и основные материалы
185
Покупные комплектующие изделия и п/ф
68 840
Транспортно-заготовительные расходы
3 455
Итого материальные затраты
72 480
Основная з/п производственных рабочих
6 112,34
Дополнительная з/п производственных рабочих
1 100,22
Отчисления на социальное страхование
2 163,76
Единый налог
360,63
РСЭО
17 114,55
Цеховые расходы
14 058,38
Итого цеховая себестоимость
126 015
Общезаводские расходы
35 757,19
Прочие производственные расходы
9 168,51
Итого производственная себестоимость
170 940
Внепроизводственные расходы
7 551,6
Итого полная себестоимость, Сп
178 493
Прибыль, 34%
60 688
Оптовая цена
239 181
Единый платеж косвенных налогов, 3%
7 397
НДС,18%
44 384
Цена реализации
290 962
Расчет прибыли и рентабельности. Прибыль предприятия является важнейшей экономической категорией и основной целью деятельности любого предприятия. Как экономическая категория прибыль отражает чистый доход, созданный в сфере материального производства, и выступает в качестве источника развития и стимулирования эффективного труда. Как оценочный показатель прибыль характеризует эффективность использования всех ресурсов предприятия.
Чистая (нераспределенная) прибыль – прибыль, остающаяся у предприятия после уплаты всех налогов и других платежей. Чистая прибыль в курсовой работе находится в следующем порядке: общая прибыль (налоговая база) – налог на недвижимость – налогооблагаемая прибыль – налог на прибыль – чистая прибыль.
Общая прибыль включает в себя прибыль от реализации продукции, операционную прибыль и прибыль от прочих видов деятельности. Общая прибыль в курсовой работе будет определяться прибылью от реализации изделия, т.к. операционная и прочие виды деятельности по условию курсовой работы отсутствуют.
Прибыль от производства и реализации изделия определяется по формуле
, (3.28)
где – прибыль на единицу изделия, р.
– годовой выпуск изделий, шт.
П = 60 688∙1 084 371= 64 439,732 млн. р.
Сумма налога на недвижимость рассчитывается от остаточной стоимости основных фондов по формуле
, (3.29)
где – сумма налога на недвижимость в i-ом году, р.;
– остаточная стоимость основных средств в i-м году, р.;
– процентная ставка налога на недвижимость;
=1%.
= 949 815,13 млн. р.
=949 815,13∙1/100=9 498,151 млн. р.
Налогооблагаемая прибыль образуется в процессе распределения прибыли за отчетный год. Налогооблагаемая прибыль равна прибыли за отчетный год минус сумма отчислений налога на недвижимость:
, (3.30)
где – налогооблагаемая прибыль, р.;
– налоговая база, р.;
– сумма налога на недвижимость, р.
=64 439,732-9 498,151=54 941,581 млн. р.
Из налогооблагаемой прибыли уплачивается налог на прибыль. Размер отчислений налога на прибыль определяется по формуле
, (3.31)
где – сумма налога на прибыль, р.;
– налогооблагаемая прибыль, р.;
– процентная ставка налога на прибыль;
=24%.
=54 941,581∙24/100=13 185,979 млн.р.
Чистая прибыль определяется по формуле
, (3.32)
где – чистая прибыль, р.
– налогооблагаемая прибыль, р.;
– сумма налога на прибыль, р.;
=54 941,581-13 185,979=41 755,6 млн. р.
Результаты расчетов занесём в таблицу 3.6.
Таблица 3.6 - Определение чистой прибыли от реализации
Наименование показателя
Сумма, млн. р.
Общая прибыль
64 439,732
Остаточная стоимость основных средств и нематериальных активов
949 815,130
Налог на недвижимость
9 498,151
Налогооблагаемая прибыль
54 941,581
Налог на прибыль
13 185,979
Чистая прибыль
41 755,600
Расчёт уровня рентабельности изделия Уизд. производится по формуле
(3.33)
Уизд= (239 181-178 493) ∙100%/178 493=34%
Расчёт уровня рентабельности производства (Ур.п) производится по формуле
(3.34)
Ур.п = 41 755,6∙100% / (949 815,13+575 123,49)=2,74%
В результате реализации проекта:
- полная себестоимость единицы продукции составила 178 493 р.;
- цена реализации изделия равняется 290 962 р.;
- при годовом выпуске холодильников 1 084 371 шт. общая прибыль от применения электронного блока равняется 64 439,732 млн. р.;
- чистая прибыль равна 41 755,6 млн. р.;
- уровень рентабельности изделия равен 34%;
- уровень рентабельности производства составляет 2,74%.
4 Социально-экономические методы управления качеством продукции
4.1 Роль охраны труда в повышении качества продукции
Конституцией Республики Беларусь всем гражданам государства гарантируется право на труд как наиболее достойный способ самоутверждения человека, то есть право на выбор профессии, рода занятий и работы в соответствии с призванием, способностями, образованием, профессиональной подготовкой и с учетом общественных потребностей, а также на здоровые и безопасные условия труда. Ведь продукцию на предприятиях производят не только машины, но и люди. От того, насколько комфортными и безопасными будут условия их труда, зависит и качество их труда, а, следовательно, и качество производимой ими продукции, работ, услуг. Главная задача руководства предприятия здесь стоит в том, чтобы максимально обеспечить соблюдение этих нормативных условий труда, контроль их соблюдения, проведение соответствующих мероприятий. Немаловажную роль также играют и экологические условия пожароопасноти, взрывоопасности, условия содержания зданий, сооружений, где работают люди, храниться продукция. Всё это – ключ к успеху предприятия, еще одна из составляющих производства качественной продукции и здоровья работников.
В настоящее время наниматели всех организационно-правовых форм независимо от формы собственности предприятия обязаны выполнять обязанности по охране труда, реализации государственной политики в этой области, соблюдать законодательство и государственные инструкции об охране труда.
Типовые инструкции определяют цель, задачи, основные виды и объекты контроля в организации за соблюдением законодательства об охране труда. Целью контроля является создание здоровых и безопасных условий труда работников, предупреждение несчастных случаев на производстве и профессиональных заболеваний.
Контроль может осуществляться в форме проверок, обследований, осмотров, систематического учета показателей, характеризующих состояние условий и охраны труда, затребования необходимой информации, рассмотрения жалоб, заявлений. Контроль предусматривает выявление причин нарушений требований охраны труда и разработку мероприятий по их устранению и предупреждению.
Основными задачами контроля являются:
- выявление и предупреждение нарушений государственных нормативных требований охраны труда;
- оценка состояния условий труда работников, безопасности производственных процессов, оборудования, приспособлений, инструмента, сырья и материалов, эффективности применения средств защиты работниками;
- выполнение работниками должностных обязанностей по охране труда и требований локальных нормативных актов по охране труда;
- принятие мер по устранению выявленных недостатков.
В настоящее время предприятия и организации все более заинтересованы в достижении и демонстрации весомой результативности в области охраны труда за счет управления существующими рисками, следования разработанным политике и целям. Делается это при ужесточении законодательства, в условиях развития экономической политики и других мер, направленных на надлежащее выполнение мероприятий по охране труда, а также в условиях общего роста заинтересованности вопросами охраны труда.
Многие организации проводят анализы или аудиты в области охраны труда, чтобы оценить свою результативность. Однако сами по себе они недостаточны для обеспечения уверенности в том, что ее результативность не только отвечает, но и в дальнейшем будет отвечать требованиям, предусмотренным законодательством и политикой в области охраны труда. Анализы и аудиты для обеспечения их результативности должны проводиться в рамках структурированной системы управления, интегрированной в управление организацией.
Стандарты по системам управления охраной труда предназначены для обеспечения организаций элементами результативной системы управления охраной труда, которые могут быть интегрированы с другими элементами управления для содействия организациям в достижении целей в области охраны труда, а также экономических целей.
В области охраны труда таким стандартом является СТБ 18001-2007.
Стандарт устанавливает требования к системе управления охраной труда, которые применимы к организациям любого типа и размера с разным географическим положением, культурными и социальными особенностями. Модель используемой системы управления охраной труда показана на рисунке 4.1. Успех системы зависит от обязательств, принятых на всех уровнях и всеми подразделениями организации, особенно высшим руководством. Внедрение такой системы позволяет организации сформулировать политику в области охраны труда, установить цели и процессы для выполнения обязательств, предусмотренных политикой, а также осуществить мероприятия для улучшения результативности и продемонстрировать соответствие системы требованиям настоящего стандарта.
Рисунок 4.1 – Модель системы управления охраной труда
Примечание – Настоящий стандарт основан на методологии, известной как Plan-Do-Check-Act (PDCA). Кратко PDCA может быть описана следующим образом:
– планирование – установление целей и процессов, необходимых для получения результатов в соответствии с политикой организации в области охраны труда;
– осуществление – реализация процессов;
– проверка – мониторинг и измерение процессов по отношению к политике в области охраны труда, целям, задачам, законодательным и другим требованиям, а также запись результатов;
– действие – осуществление мероприятий по непрерывному улучшению результативности охраны труда.
4.2 Социально-экономические методы в системе охраны труда на предприятии
При разработке и внедрении систем управления охраной труда (СУОТ), для руководства этими системами в организациях всех форм собственности устанавливают порядок проведения работ по оценке рисков в области охраны труда.
В соответствии с требованиями СТБ 18001 организация должна разрабатывать, внедрять и поддерживать в рабочем состоянии процедуры идентификации опасностей, оценки рисков и внедрения необходимых мер по управлению рисками.
Процесс идентификации опасностей и оценки рисков представлен на рисунке 4.2.
-
Определение источников опасностей (опасные производственные объекты, виды производственной деятельности, продукция, услуги, профессии, оборудование, подрядные работы и др.)
-
Идентификация
опасностей
-
Количественная оценка
рисков
-
Определение
допустимости рисков
-
Разработка мер (мероприятий)
по управлению рисками
-
Анализ эффективности
разработанных
мероприятий по
управлению рисками
Рисунок 4.2 - Процесс идентификации опасностей и оценки рисков
Идентификация опасностей осуществляется с целью выявления и четкого описания всех опасностей по всем видам деятельности организации, включая плановую и внеплановую деятельность, для дальнейшей оценки и управления рисками.
Идентификация опасностей на рабочих местах должна учитывать:
- ситуации, события, комбинации обстоятельств, которые приводили либо потенциально могут приводить к травме или профессиональному заболеванию работника;
- причины возникновения потенциальной травмы или заболевания, связанные с выполняемой работой, продукцией или услугой;
- сведения об имевших место травмах, профессиональных заболеваниях.
Необходимо оценивать как нормальные условия труда, так и случаи отклонений в работе, связанные с происшествиями, возможными аварийными ситуациями.
4.2.1 Метод оценки рисков по вероятности возникновения и серьезности последствий
Все идентифицированные опасности оцениваются с целью определения рисков, которые представляют наибольшую опасность и требуют управления. Риски, признанные недопустимыми, используются как исходные данные для разработки целей в области охраны труда.
Оценка рисков определяется по формуле
R = P ּS, (4.1)
где R – риск, балл;
P - вероятность возникновения опасности, балл;
S - серьезность последствий воздействия опасности, балл.
Вероятность воздействия опасности P определяют по таблице 4.1.
Таблица 4.1- Оценка вероятности возникновения опасности P
-
Значение Р, балл
Вероятность
Описание
1
минимальная
Вероятность возникновения является незначительной. Практически невозможно предположить, что подобный фактор может возникнуть
2
умеренная
Вероятность возникновения остается низкой. Подобного рода условия возникают в отдельных случаях, но шансы для этого невелики
3
существенная
Вероятность возникновения находится на среднем уровне. Условия для этого могут реально и неожиданно возникнуть
4
значительная
Вероятность возникновения является высокой. Условия для этого возникают достаточно регулярно и/или в течение определенного интервала времени
5
очень высокая
Вероятность возникновения остается очень высокой. Условия обязательно возникают на протяжении достаточно продолжительного промежутка времени (обычно в условиях нормальной эксплуатации)
При отсутствии статистических данных оценка вероятности возникновения опасности может осуществляться по качественным характеристикам. Более точной оценкой является оценка с использованием количественных характеристик (количество случаев на определенное количество операций или в год (годы) работы).
Оценка вероятности возникновения опасности с использованием количественных характеристик приведена в таблице 4.2.
Таблица 4.2 - Оценка вероятности возникновения опасности P с использованием количественных характеристик
Значение Р, балл
Вероятность
Количество случаев на операцию
Количество случаев в год (годы) работы
1
минимальная
меньше 1 случая на каждые 10 000 операций
1 случай за 10 лет работы
2
умеренная
меньше 1 случая на каждые 1000 операций
1 случай за каждый год работы
3
существенная
меньше 1 случая на каждые 100 операций
1 случай за каждый месяц работы
4
значительная
меньше 10 случаев на каждые 100 операций
1 случай каждую неделю работы
5
очень
высокая
один случай на каждую операцию
1 случай каждый рабочий день
Серьезность последствий воздействия опасности S определяют по таблице 4.3.
Таблица 4.3 - Оценка серьезности последствий воздействия опасности S
Значение S,
балл
Последствия
воздействия
опасности
Описание
Работник
Материал, ценности, производственная
среда
1
минимальные
Незначительное воздействие, первая медицинская помощь, микротравмы
Незначительное воздействие на оборудование или ход работы
2
умеренные
Угроза жизни отсутствует, оформление формы Н-1, потеря трудоспособности сроком более 1 дня
Для устранения повреждений необходима дополнительная помощь или приостановка работы
3
существенные
Присутствует потенциальный риск для здоровья, тяжелая травма
Необходимо значительные материальные вложения для устранения последствий
4
значительные
Тяжелые групповые травмы
Существенное воздействие на оборудование и ход работ
5
катастрофические
Летальный исход
Значимый ущерб для оборудования и окружающей среды
Исходя из значений Р и S определяется уровень значимости рисков по матрице классификации рисков (рисунок 4.3).
Значение S*, балл
Риск R, балл
Р** = 1
Р** = 2
Р** = 3
Р** = 4
Р** = 5
5
5
10
15
20
25
4
4
8
12
16
20
3
3
6
9
12
15
2
2
4
6
8
10
1
1
2
3
4
5
*По таблице 4.3.
**по таблице 4.2.
Примечание – Выделения, принятые в таблице:
- низкие риски;
- умеренные риски;
- существенные риски.
Рисунок 4.3 - Матрица классификации рисков
К низким рискам (R<6) относятся потенциальные риски при ежедневной работе на рабочем месте. Риски с таким уровнем рассматриваются как приемлемые при наличии мер по управлению ими (инструктаж по охране труда).
К умеренным рискам (R=6 - 12) относятся риски, при которых присутствует потенциальная угроза здоровью персонала и/или нанесение ущерба имуществу предприятия. Риски с таким уровнем рассматриваются как приемлемые при наличии достаточных мер по управлению ими и требуют постоянного контроля и анализа.
К существенным рискам (R>12) относятся риски, при которых присутствует потенциальная угроза жизни и здоровью персонала и/или нанесение значительного ущерба имуществу предприятия. Риски с таким уровнем рассматриваются как неприемлемые и требуют дальнейшего обязательного управления ими.
4.2.2 Метод FMEA для оценки рисков в СУОТ
Метод FMEA (Failure Mode and Effects Analysis) позволяет произвести количественную оценку рисков и объективно выявить те риски, которые являются недопустимыми.
Все идентифицированные риски подлежат управлению. Меры управления могут быть технического характера (использование средств коллективной и индивидуальной защиты, ограничение контакта с движущимися и вращающимися частями оборудования и др.) и организационного характера (создание систем оповещения о возникшей опасности, разработка планов действий в аварийных ситуациях, включая обучение, тренировки и др.).
Метод оценки рисков по вероятности возникновения и серьезности последствий является менее сложным, чем метод оценки рисков с помощью FMEA, и рекомендуется для организаций, имеющих большое количество идентифицированных опасностей, а также для организаций, имеющих статистические данные о несчастных случаях и травматизме за длительный период времени. метод оценки рисков с помощью FMEA рекомендуется для организаций, имеющих малое количество идентифицированных опасностей, а также для организаций, не имеющих статистических данных о несчастных случаях и травматизме.
Методология FMEA представлена на рисунке 4.4.
Виды несоответствий
(опасностей)
Серьезность Вероятность Возможность
последствий S возникновения О выявления и
реагирования на
ситуацию D
Степень приоритетности риска СПР
Рисунок 4.4 - Методология FMEA
Критерии серьезности последствий воздействия опасности S определяют по таблице 4.4.
Таблица 4.4 - Критерии серьезности последствий воздействия опасности S
Критерий
Последствие
Значение S,
балл
Нет превышения нормативов по безопасности и условиям труда
Отсутствуют
1
Незначительное превышение нормативов по безопасности и условиям труда
Очень незначительные
2
Несоблюдение политики в области охраны труда в части соответствия требованиям ТНПА
Незначительные
3
Несоблюдение политики в области охраны труда в части постоянного улучшения условий труда
Очень слабые
4
Возможность несчастного случая без потери трудоспособности и возникновения профзаболевания
Слабые
5
Возможность несчастного случая с потерей трудоспособности более 1 суток
Умеренные
6
Возможность несчастного случая с тяжелым исходом, острым профзаболеванием
Серьезные
7
Возможность несчастного случая с тяжелым исходом, в том числе группового
Очень серьезные
8
Возможность несчастного случая с летальным исходом
Опасные
9
Возможность группового несчастного случая с летальным исходом
Катастрофические
10
Критерии возможности выявления и реагирования на ситуацию D определяют по таблице 4.5.
Таблица 4.5 - Критерии возможности выявления и реагирования на ситуацию D
Возможность
выявления
Критерии
Ранг, балл
Почти наверняка
Существующие способы контроля позволяют выявить возникшую ситуацию практически немедленно. Реагирование может быть осуществлено незамедлительно
1 - 2
Высокая
Высокая возможность обнаружения условий возникновения риска. Быстрая реакция возможна
3 - 4
Средняя. Условия могут реально возникнуть
Средняя возможность обнаружения условий возникновения риска. Требуется некоторое время на реагирование
5 - 6
Маловероятная
Низкая возможность обнаружения условий возникновения риска. Быстрая реакция невозможна
7 - 8
Невероятная
Условия возникновения риска в приемлемый период времени выявлены не будут. Быстрая реакция невозможна
9 - 10
Критерии вероятности возникновения опасности O определяют по таблице 4.6.
Таблица 4.6 - Критерии вероятности возникновения опасности O
Вероятность
возникновения
опасности
Возможная относительная частота
события
Ранг, балл
Очень малая. Практически невероятно возникновение опасности
менее 1 случая на каждый 1 000 000 операций
1 - 2
Низкая. Условия возникают в отдельных случаях
от 1 случая на каждые 20 000 операций до 1 случая на каждые 2 000 операций
3 - 4
Средняя. Условия могут реально возникнуть
от 1 случая на каждые 80 операций до 1 случая на каждые 2 000 операций
5 - 6
Высокая
от 1 случая на каждые 8 операций до 1 случая на каждые 80 операций
7 - 8
Почти наверняка
1 случай из 2 операций
9 - 10
Степень приоритетности риска определяют по формуле
СПР = S ּD ּP, (4.2)
где S - серьезность последствий воздействия опасности, балл;
D - возможность выявления и реагирования на ситуацию, балл;
O - вероятность возникновения опасности, балл.
В зависимости от значения СПР риски классифицируются по уровню значимости на:
- низкие (СПР=1 - 50);
- допустимые (СПР=51 - 150);
- недопустимые (СПР>151).
При низких рисках мероприятия не разрабатываются, риски рассматриваются как приемлемые при наличии мер по управлению ими.
Допустимые риски рассматриваются как приемлемые при наличии достаточных мер по управлению ими и требуют постоянного контроля и анализа (инструкции по охране труда, инструктажи и т.д.).
Недопустимые риски рассматриваются как неприемлемые и требуют разработки программы управления охраной труда, включающей мероприятия по достижению установленных целей в области охраны труда.
4.3 Мероприятия по оптимизации условий труда на предприятии
Опасности на производстве по природе воздействия подразделяются на следующие группы:
- физические;
- химические;
- биологические;
- психофизиологические.
Физические опасности связаны с движущимися машинами и механизмами, незащищенными подвижными частями производственного оборудования, уровнем шума, вибрации, инфразвуковых колебаний, ультразвука, повышенной или пониженной влажностью, подвижностью, ионизацией воздуха, повышенным уровнем статического электричества, электромагнитных излучений, электрического и магнитного поля, недостаточной освещенностью рабочей зоны, пониженной контрастностью освещения, повышенной яркостью, пульсацией светового потока, наличием острых кромок, заусенцев и шероховатостью на поверхностях заготовок, инструментов и оборудования, расположением рабочего места на значительной высоте относительно поверхности земли (пола) и др.
Химические опасности связаны с воздействием на организм человека вредных веществ, влияющих на репродуктивную функцию, обладающих токсическими, раздражающими, канцерогенными, сенсибилизирующими, мутагенными свойствами.
Биологические опасности связаны с воздействием на организм человека патогенных микроорганизмов (бактерий, вирусов, грибов и др.), растений, животных.
психофизиологические опасности подразделяются на физические перегрузки (статические и динамические) и нервно-психические (умственное перенапряжение, перенапряжение анализаторов, монотонность труда, эмоциональные перегрузки).
Для устранения, снижения воздействия опасностей и вредных факторов на производстве, общего улучшения условий труда предлагаются следующие мероприятия, представленные в таблице 4.7. Общая сумма затрат на их организацию составляет 15,5 млн. р.
Таблица 4.7 - Мероприятия по улучшению условий труда на предприятии
Опасности
Цель проведения
Наименование
мероприятия
Затрачиваемые
ресурсы, млн. р.
Травмирование из-за недостаточной освещенности
Улучшение условий труда. Снижение риска травмирования из-за недостаточной освещенности (R) с 8 до 4
Провести реконструкцию системы освещения
1.5
Поражение электрическим током
Улучшение условий труда.
Снижение риска контакта персонала с электрическим током с (R) с 8 до 4
Замена изношенных электрических кабелей сварочных аппаратов
3.0
Травмирование в осмотровой канаве
Снижение риска травмирования в осмотровой канаве (R) с 9 до 6
Ремонт осмотровой канавы, устройство лестниц, настилов, трапов. Установка освещения
0.5
Отравление выхлопными газами
Снижение концентрации вредных веществ в воздухе рабочей зоны до норм ПДК
Оборудовать помещения приточно-вытяжной вентиляцией и местной вытяжной вентиляцией от источников образования и выделения производственных вредностей
4.0
Падение с высоты
Улучшение условий труда.
Снижение риска падения с высоты (R) с 8 до 4
Закупка инвентарных средств (подмостей, лестниц, стремянок, лесов)
Закупка страховочных канатов, предохранительных поясов, защитных касок
3.5
3.0
Заключение
Сегодня большинство предприятий Республики Беларусь работают в сложных экономических условиях: высокий уровень инфляции, недостаточное количество инвестиций, постоянное увеличение числа убыточных предприятий, падение прибыльности работы и, как следствие, снижение показателей рентабельности. Отрицательными факторами сложившейся ситуации являются опережающий рост материальных затрат, заработной платы и амортизационных отчислений над темпом роста выручки, снижение уровня реализации, значительный рост запасов готовой продукции на складах, острая нехватка оборотных средств.
В странах с рыночной экономикой предприниматели в целях сохранения платежеспособности и экономической устойчивости обращают особое внимание на уменьшение себестоимости выпускаемой продукции и увеличение покупательского спроса, снижение производственных, эксплуатационных, хозяйственных расходов, оптимизацию численности производственного персонала и оплату его труда. Они стремятся к максимизации прибыли, что достигается и за счет увеличения продаж. Подобное увеличение возможно в случае, когда товар является конкурентоспособным, интересным покупателю, который обращает особое внимание на его качество. Это еще раз подтверждает тезис о том, что увеличение качественных показателей – одно из ведущих направлений в работе, направленной на рост конкурентоспособности товаров, услуг и производящей их организации.
В ходе выполнения дипломного проекта были изучены теоретические основы качества продукции, проведен анализ качества и конкурентоспособности, разработаны мероприятия по повышению качества выпускаемой продукции:
а) Исследованы категории качества и конкурентоспособности продукции, рассмотрена модель системы менеджмента качества, принципы и методология её функционирования.
Качество продукции - совокупность характеристик, придающих ей способность удовлетворять обусловленные или предполагаемые потребности. Комплексные показатели качества – характеризуют несколько свойств изделия. Они используются при управлении качеством продукции, оценки ее конкурентоспособности. Обобщающие показатели качества – характеризуют уровень качества всей продукции в целом: удельный вес новой продукции; продукции поставляемой на экспорт, соответствующей мировому уровню качества; сертифицированной продукции в ее общем объеме.
Контроль уровня качества, проводимый на предприятии, не является завершающей проверкой степени соответствия заявленного качества реальному уровню. Именно потребитель повторной покупкой или отказом от нее показывает фирме, насколько удовлетворительно сработали ее подразделения, отвечающие за обеспечение качества товаров и услуг. Качество продукта – наиболее весомый критерий для покупателей при определении на долгосрочную перспективу степени того, насколько приобретенный продукт удовлетворяет предъявляемым запросам. Это тот показатель, которому предприятие уделяет наибольшее внимание для выхода на прибыльный рынок.
б) Дана общая характеристика ЗАО «Атлант», изучена история создания и развития предприятия, виды выпускаемой продукции. Показана организационно-управленческая структура, построенная по линейно-функциональному признаку.
Достоинствами данной структуры являются привлечение к управлению более компетентных специалистов, оперативность решения вопросов в нестандартных ситуациях, получение непротиворечивых заданий, полная персональная ответственность за результаты работы. Есть и свои недостатки - затрудненность коммуникаций, лояльность к своему функциональному подразделению, а не к организации в целом, чрезмерная загрузка общего руководителя оперативными вопросами.
В целом можно сделать вывод, что организационная структура сформирована эффективно, таким образом, чтобы максимально упростить и упорядочить систему производства, подчиненность персонала, передачу информации внутри завода.
в) Проанализированы основные технико-экономические показатели производственно-хозяйственной деятельности предприятия за исследуемый период. В конце 2007 г. было реализовано 12025 шт. машин, темп роста реализации составил 106 %, против показателя 2006 г. – в 85,6 %. Реализация холодильного оборудования оставалась за эти годы стабильной, сохранялись темпы роста производства в 4-5%.
Из-за снижения уровня реализации стиральных машин в 2006 г., увеличением суммы налогом по сравнению со стабильной суммой выручки от реализации, закономерным является снижение чистой прибыли предприятия, рентабельности продукции с 33,1 % в 2005 г. до 17,9 % в 2007. Общий темп роста поставок продукции в 2007 г. составил 119,2% за счет увеличения общего объёма реализации на 214,3 тыс. шт. Однако следует отметить падение уровня поставок МХМ в дальнее зарубежье с 31,4 тыс. шт. до 29 тыс. шт.
Себестоимость выпускаемой товарной продукции за 2008 г. сложилась в размере 550 719 млн. р., за 2007 г. – 464 512 млн. р., темп роста составил 118,6%.
В 2008 г. затраты на 1 р. товарной продукции составили 80,67 коп., в 2007 г. – 73,1 коп. Увеличение затрат на 1 р. товарной продукции составило 7,57 коп. и связано с опережением темпов роста себестоимости над темпами роста объёмов производства.
В отчетном году увеличились расходы по всем элементам затрат, особенно, по статьям материальные затраты, фонд оплаты труда, амортизационные отчисления. Увеличение фонда заработной платы объясняется как увеличением количества выпущенной продукции, так и увеличением тарифных ставок на 23,6%.
В 2007 г. балансовая прибыль ЗАО «Атлант» составила 192125,51 млн. р., по отношению к 2006 г. она увеличилась на 2481,35 млн. р. или 101,31 %. Соответственно чистая прибыль предприятия также увеличилась (темп роста 179,48%) и составила 89 645 147 тыс. р.
Коэффициент износа основных фондов на конец 2007 г. составлял 0,496. Доля активной части основных средств (машины, оборудование и транспортные средства) в 2007 г. составляла 59,69 %, тогда как в 2006 г. – 62,08 %. Снижение этого показателя расценивается как неблагоприятная тенденция. Коэффициент обновления основных средств в 2007 г. составил 20,61% (вновь введенные основные фонды), коэффициент обновления активной части основных средств в 2007 г. составил 17,63 %. Коэффициент выбытия, характеризующий интенсивность выбытия основных фондов в 2007 г. равен 2,44%, коэффициент выбытия активной части основных средств в 2007 г. составил 2,68%.
За 2007 г. стоимость оборотных средств увеличилась на 63000,50 млн. р. или на 12,3 % и составила 575123,49 млн. р. Наибольший прирост оборотных активов произошел за счет:
- роста запасов сырья и материалов на 36976,26 млн. р. или 23,88 %;
- увеличения запасов готовой продукции на 19 190,60 млн. р. или 149,15 %, что объясняется увеличением выпуска в натуральном выражении;
- роста неоплаченной покупателями задолженности за отгруженную продукцию на 41716,88 млн. р.
г) Проведен анализ качества продукции за 2006-2007гг. Средний показатель удовлетворенности потребителей составил - 4,88 балла. Плановое значение показателя составляло 4,72 баллов. Общий процент удовлетворения заявок потребителей составляет 97%. Увеличение процента отказов изделий по МХМ за 2007 г. составило 0,02%, по СМА наблюдалось снижение этого показателя на 3,1%, т.е. в 1,5 раза. Однако общее количество дефектов насчитывает 13 052 за 2007 г. По сравнению с предыдущим годом этот показатель увеличился на 0,06%.
Дана экспериментальная оценка результативности действующей на предприятии СМК с использованием коэффициентного метода. Значение результативности Rсмк, равное 0,83, является достаточным, на основании чего систему менеджмента качества производства бытовой техники и торгового оборудования ЗАО «Атлант» следует считать пригодной и достаточно результативной.
Анализ конкурентоспособности продукции ЗАО «Атлант» показал, что общее количество баллов у предприятия ниже, чем у конкурентов. Слабые места холодильников МЗХ - высокая цена, косвенные каналы сбыта, реализация через оптовиков, отсутствие достаточно эффективной рекламной кампании. Однако, ЗАО «Атлант» является единственным предприятием в Республике Беларусь, выпускающей холодильную технику бытового назначения. В целях обеспечения конкурентоспособности изделий на рынках дальнего и ближнего зарубежья им осваивается производство холодильников новой серии, основными признаками которой являются:
- обширная гамма моделей различной высоты с разнообразным соотношением различных объемов холодильной и морозильной камер, с пониженным потреблением электроэнергии;
- ультрасовременный дизайн;
- появление в гамме изделий охладителей — однокамерных холодильников без низкотемпературного отделения;
- новейшие технические и технологические решения.
д) Предложен комплекс организационно-технических мероприятий по совершенствованию системы менеджмента качества. Основными направлениями предложений являются: управление качеством и повышение экспортных возможностей организации, организация метрологического обеспечения и технической базы испытаний, развитие системы оценки соответствия, совершенствование информационного обеспечения в области качества и конкурентоспособности, образование и подготовка кадров, пропаганда в области качества. Затраты на внедрение составляют 4 085 763 тыс. р. Предполагаемая сумма экономии от проведения равняется 5 712 152 тыс. р. Эффективность проектных решений составила 1,398. Срок окупаемости затрат равняется 0,72 г.
Обосновано применение электронного блока управления в производстве двухкамерного холодильника, произведен расчет реальной себестоимости устройства и прибыли от реализации проекта, исходя из фактических затрат на изготовление.
В результате реализации проекта:
- полная себестоимость единицы продукции составила 178 493 р.;
- цена реализации изделия равняется 290 962 р.;
- при годовом выпуске холодильников 1 084 371 шт. общая прибыль от применения электронного блока равняется 64 439,732 млн. р.;
- чистая прибыль равна 41 755,6 млн. р.;
- уровень рентабельности изделия равен 34%;
- уровень рентабельности производства составляет 2,74%.
е) Рассмотрена действующая на предприятии система охраны труда, её роль в поддержании и повышении качества продукции, описаны социально-экономические методы в системе охраны труда. Для устранения, снижения воздействия опасностей и вредных факторов на производстве, общего улучшения условий труда, а, следовательно, и повышения качества продукции предложен комплекс мероприятий, общей стоимостью 15,5 млн. р.
Список литературы
Русак, Е.С. Экономика предприятия : учеб.- метод. пособие / Е.С. Русак, Е.И. Сапелкина. – Минск : Академия управления при Президенте РБ, 2007 – 322 с.
Управление качеством продукции: учеб. пособие / Н.И. Новицкий [и др.] ; под ред. Н. И. Новицкого. – М. : ООО «Новое знание», 2002. – 321 с.
Система менеджмента качества производства бытовой техники и торгового оборудования : руководство по качеству РК 22.001.2005.
Система менеджмента качества. Учет и анализ несоответствий и дефектов деталей, сборочных единиц и изделий в производстве и эксплуатации. Статистические методы управления качеством : стандарт организации СТО 22.042.2007.
Швец, В.K вопросу определения результативности и эффективности СМК // Стандарты и качество. – 2005. - №5.
Методика оценки результативности СМК предприятий (организаций) оборонно-промышленного комплекса - М. : СДС «Военный регистр», 2006.
Организация и планирование производства. Управление предприятием : метод. пособие для выполнения курсовой работы / Афитов Э.А. [и др.] ; ред. Н. И. Новицкого. – Минск : БГУИР, 1994. – 96 с.
Системы управления охраной труда. Требования : государственный стандарт Республики Беларусь СТБ 18001-2005.
ЗАО «Атлант» [Электронный ресурс]. – 2009. – режим доступа : www.аtlant.by.
Разработка и оформление конструкторской документации РЭА : справочное пособие / Э.Т. Романычева [и др.]. – М. : Радио и связь, 1989.
Экономика и организация производства : руководство по преддипломной практике и дипломному проектированию для студ. всех форм обуч. / Э.А. Афитов [и др.] ; под ред. В.П. Пашуто. – Минск : БГУИР, 2007. – 47 с.
Доманов, А.Т. Стандарт предприятия по оформлению дипломных проектов / А.Т. Доманов, Н.И. Сорока. – Минск : БГУИР, 2009.
Асаенок, И.С. Охрана труда и экологическая безопасность : метод. указания по дипломному проектированию для студ. всех спец. / И.С. Асаенок, Т.Ф. Михнюк, Г.М. Дунаева. – Минск : БГУИР, 1998 – 23 с.
1
Нравится материал? Поддержи автора!
Ещё документы из категории экономика:
Чтобы скачать документ, порекомендуйте, пожалуйста, его своим друзьям в любой соц. сети.
После чего кнопка «СКАЧАТЬ» станет доступной!
Кнопочки находятся чуть ниже. Спасибо!
Кнопки:
Скачать документ