Проектирование электростанции ГРЭС 3600




















































































































































Введение
В настоящее время энергетика Российской Федерации, имея мощные электростанции и развитую систему линий электропередачи, достаточно надежно обеспечивает народное хозяйство электрической и тепловой энергией. В отрасли за многие годы был создан значительный научно-технический потенциал, благодаря которому электроэнергетика обходится исключительно отечественными технологиями и разработками оборудования независимо от иностранных фирм. Развитие энергетики постоянно сопровождается совершенствованием научно-технических достижений. Так основные параметры и единичная мощность основного генерирующего оборудования и линий электропередачи, используемых в отрасли, находятся на уровне развитых стран мира.
Энергетическая политика Российской Федерации в сфере энергетики, исходит из следующих приоритетов:
устойчивое обеспечение страны энергоносителями;
повышение эффективности использования топливно-энергетических ресурсов и создание необходимых условий для перевода экономики страны на энергосберегающий путь развития;
создание надежной сырьевой базы и обеспечение устойчивого развития топливно-энергетического комплекса в условиях формирования рыночных отношений;
уменьшение негативного воздействия энергетики на окружающую природную среду:
поддержание экспортного потенциала топливно-энергетического комплекса и расширение экспорта его продукции;
сохранение энергетической независимости и обеспечение безопасности Российской Федерации.
Основной задачей энергетической политики Российской Федерации на этапе до 2010 г. является структурная перестройка отраслей топливно-энергетического комплекса, предусматривающая:
увеличение доли природного газа в суммарном производстве энергетических ресурсов и расширение его использования в экологически неблагополучных промышленных центрах и для газификации села;
дальнейшее развитие электрификации, в том числе за счет экономически и экологически обоснованного использования атомных и гидроэлектростанций, нетрадиционных возобновляемых источников энергии;
стабилизацию добычи нефти в Западной Сибири и других регионах, создание условий для формирования новых нефтегазодобывающих регионов;
увеличение производства высококачественных светлых нефтепродуктов за счет повышения эффективности переработки нефти:
обеспечение необходимых объемов добычи угля с учетом экономических, социальных и экологических факторов, дальнейшее развитие углеобогащения и комплексной переработки угля с целью получения экологически приемлемых и конкурентоспособных продуктов, в том числе высококачественного бытового топлива;
расширение использования местных топливно-энергетических ресурсов, включая нетрадиционные возобновляемые источники энергии:
реализацию потенциала энергосбережения за счет создания и внедрения высокоэффективного топливо и энергопотребляющего оборудования, теплоизоляционных материалов и строительных конструкций.
В научно-технической сфере энергетическая политика Российской Федерации предусматривает:
разработку технологий, обеспечивающих ускоренное техническое перевооружение действующих и создание новых объектов энергетики;
обеспечение безопасности действующих атомных станций, создание нового поколения безопасных ядерных энергетических установок в целях развития атомной энергетики в экономически целесообразных масштабах;
создание и организацию серийного производства установок малой энергетики, в том числе с использованием гидроэнергетических ресурсов: солнечной, ветровой, геотермальной энергии и других нетрадиционных источников энергии;
повышение эффективности работ по поиску разведке и разработке месторождений топливно-энергетических ресурсов с учетом экологических требований;
глубокую переработку и комплексное использование топливно-энергетических ресурсов. [10.c. 17]
Проектируемая электростанция ГРЭС играет важную роль в энергетике Р.Ф. В качестве топлива используется уголь. Выдача мощности осуществляется на напряжение 110 кВ, связь с энергосистемой осуществляется на напряжении 330 кВ. Мощность проектируемой электростанции 2110 МВт.
1. Выбор генераторов
Исходя из установленной мощности станции ГРЭС – 2110 МВт, принимаем к установке четыре генератора типа ТГВ-500 и один генератор типа ТВФ-110–2. Паспортные данные генераторов заносим в таблицу.
Тип турбогенератора
nном.,
об./мин.
Sном.,
МВ.А
Iном.,
kA
Uном.,
кВ
cosн
Система
возбуждения
ТВФ-110–2
3000
137,5
7,56
10,5
0,8
0,189
ВЧ
ТГВ-500–2
3000
588
17
20
0,85
0,243
ИП
2. Выбор и обоснование двух вариантов схем проектируемой электростанции
Намечаю структурные схемы: первый вариант и второй вариант (рис. 3.2). В первом варианте схемы четыре генератора ТГВ-500 устанавливаем на стороне ВН-330 кВ и один генератор ТВФ-110–2 на стороне СН-110 кВ. Во втором варианте схемы все пять генераторов устанавливаем на стороне ВН-330 кВ.
Так, как дополнительные связи между ВН и СН отсутствуют, то ориентируемся на установку двух автотрансформаторов в обоих вариантах.
3. Выбор силовых трансформаторов
Выбираем трансформатор связи для первого варианта рис. 2.1.
Подсчитываем реактивные составляющие мощностей:
Расход на собственные нужды принимаем равным 5% установленной мощности.
Определяем расчетную нагрузку автотрансформаторов:
Выбор осуществляется по перетоку мощности в трех режимах: максимальном, минимальном и аварийном. Расчет производим по формуле:
Максимальный режим – все оборудование в работе нагрузка на шинах среднего напряжения максимальна.
Минимальный режим – все оборудование в работе нагрузка на шинах среднего напряжения минимальна.
Аварийный режим – нагрузка на шинах среднего напряжения максимальная, выведен из строя наиболее мощный генератор, подключенный к шинам РУ – 220 кВ.
Самым тяжелым является аварийный режим, по нему и выбираем мощность автотрансформатора:
Выбираем два автотрансформатора по 167МВּА, принимаем 6ЧАОДЦТН-167000/500/220.
Выбираем блочные трансформаторы:
[1.с. 390, 5.1 (5.4)].
Принимаем блочный трансформатор ТНЦ-1000000/500
Принимаем блочный трансформатор ТДЦ-250000/220.
Тип автотрансформатора
Sном
мВА
Uобм. кВ
Uк.з%
Потери
ВН
СН
НН
ВН-СН
ВН-НН
СН-НН
Pхх
Pкз
ТДЦ-250000/220
250
242
13,8
11
207
600
ТНЦ-1000000/500
1000
525
24
14,5
570
1800
АОДЦТН-1000000/500/220
167
500/√3
230/√3
13,8
11
35
21,5
90
315
Выбираем трансформатор связи для второго варианта рис. 2.2.
Подсчитываем реактивные составляющие мощностей:
Расход на собственные нужды принимаем равным 5% установленной мощности. [1.с. 445 (т. 5.2.)]
Определяем расчетную нагрузку автотрансформаторов:
Выбор осуществляется по перетоку мощности в трех режимах: максимальном, минимальном и аварийном. Расчет производим по формуле:
Максимальный режим – все оборудование в работе нагрузка на шинах среднего напряжения максимальна.
Минимальный режим – все оборудование в работе нагрузка на шинах среднего напряжения минимальна.
Аварийный режим – нагрузка на шинах среднего напряжения максимальная, выведен из строя наиболее мощный генератор, подключенный к шинам РУ – 220 кВ.
Самым тяжелым является аварийный режим, по нему и выбираем мощность автотрансформатора:
Выбираем два автотрансформатора по 500МВּА, принимаем 2ЧАТДЦН-500000/500/220.
Выбираем блочные трансформаторы:
[1.с. 390, 5.1 (5.4)].
Принимаем блочный трансформатор ТНЦ-630000/500
Принимаем блочный трансформатор ТДЦ-250000/220.
Тип автотрансформатора
Sном
мВА
Uобм. кВ
Uк.з%
Потери
ВН
СН
НН
ВН-СН
ВН-НН
СН-НН
Pхх
Pкз
ТДЦ-250000/220
250
242
13,8
11
207
600
ТЦ-630000/500
630
525
15,75
14
420
1210
АТДЦН-500000/500/220
500
500
230
1050
220
Выбираем блочные трансформаторы:
4ТЦ – 630000/330, и ТДЦ – 200000/110 для первого варианта схемы;
4ТЦ – 630000/330, и ТДЦ – 200000/330 для второго варианта схемы
Выбираем автотрансформаторы связи по перетокам мощности в трех режимах по формуле:
Максимальный режим – все оборудование в работе нагрузка на шинах среднего напряжения максимальна.
Минимальный режим – все оборудование в работе нагрузка на шинах среднего напряжения минимальна.
Аварийный режим – нагрузка на шинах среднего напряжения максимальная, выведен из строя наиболее мощный генератор, подключенный к шинам РУ – 110 кВ.
Максимальный и аварийный режимы во втором варианте будут соответствовать аварийному режиму первого варианта.
При минимальном режиме во втором варианте переток равен:
В обоих вариантах наиболее тяжелым является аварийный режим.
Для обоих вариантов структурных схем принимаем два автотрансформатора связи типа АТДЦТН-200000/330/110.
Данные трансформаторов заносим в таблицу.
Тип
Sном.,
МВ.А
Uобмоток
Потери
Uк.з%
ВН-НН
Iхх.,
%
ВН
НН
Px.x
Pк.з
ТЦ-630000/330
630
347
20
405
1300
11
0,3
ТДЦ-200000/330
200
347
13,8
220
560
11
0,45
ТДЦ – 200000/110
200
121
13,8
170
550
10,5
0,5
Тип автотрансформатора
Sном
мВА
Uобм. кВ
Uк.з%
Потери
ВН
СН
НН
0,5
80
СН-НН
Pхх
Pкз
АТДЦТН-200000/330/110
200
330
115
38,5
10
34
22,5
180
560/
320/210
5. Технико-экономическое сравнение вариантов схем проектируемой электростанции
Экономическая целесообразность схемы определяется минимальными приведенными затратами:
где К – капиталовложения на сооружение электроустановки, тыс. руб.;
рн – нормативный коэффициент экономической эффективности, равный 0,12;
И – годовые эксплуатационные издержки, тыс. руб./год.
Капиталовложения К при выборе оптимальных схем выдачи электроэнергии и выборе трансформаторов определяют по укрупненным показателям стоимости элементов схем. Вторая составляющая расчетных затрат – годовые эксплуатационные издержки – определяют по формуле:
где ра, ро – отчисления на амортизацию и обслуживание.-потери электроэнергии, кВт/час;-стоимость 1кВт ч потерь электроэнергии, коп/кВт ч. Определим продолжительность использования максимальной нагрузки по годовому графику.
Оборудование
Стоимость единицы, тыс. руб.
Варианты
Первый
Второй
Количество единиц, шт.
Общая стоимость, тыс. руб.14
Количество единиц, шт.
Общая стоимость, тыс. руб.14
ТДЦ-200000/330
310
-
-
1
310
ТДЦ-200000/110
210
1
210
-
-
Ячейки ОРУ:
110 кВ
32
1
32
-
-
330 кВ
170
-
-
1
170
ИТОГО с учетом
5324 тыс. руб.
10560 тыс. руб.
По условию задания основной нагрузкой электростанции является предприятие цветной металлургии.
Продолжительность нагрузок определяем по формуле:
Где Pi-мощность i-ой ступени графика.
Ti – продолжительность ступени.
Находим продолжительность использования максимальной нагрузки.
Определим потери энергии в блочном трансформаторе, для первого варианта схем
Определяем продолжительность максимальных потерь:
Для первого варианта определяем потери в блочных трансформаторах:
Определяем потери в автотрансформаторах по формуле:
Максимальная нагрузка на обмотках высшего и среднего напряжения:
;
Для второго варианта определяем потери в блочных трансформаторах:
Определяем потери в автотрансформаторах по формуле:
Максимальная нагрузка на обмотках высшего и среднего напряжения:
;
Определяем суммарные годовые потери для первого варианта:
Определяем суммарные годовые потери для второго варианта:
Годовые эксплуатационные издержки:
Первый вариант экономичнее второго на
Принимаем первый вариант.
Определим потери в блочном трансформаторе, для второго варианта схем
Определяем суммарные потери в блочном трансформаторе для первого и второго вариантов схем.
Годовые эксплуатационные издержки:
Первый вариант экономичнее второго на
Принимаем первый вариант.
6. Выбор схемы и трансформаторов собственных нужд
Выбор схемы собственных нужд.
В проектируемой электростанции генераторы соединяются в блоки. На блочных электростанциях трансформаторы собственных нужд присоединяются отпайкой от энергоблока. РУ выполняется с двумя секционированными системами шин. Исходя из количества блоков на станции выбираем к установки пять рабочих и два резервных трансформатора собственных нужд.
Выбор ТСН.
Мощность рабочих трансформаторов собственных нужд:
На блоках мощностью 500 мВт устанавливаем трансформаторы собственных нужд типа ТРДСН-40000/35
На блоках мощностью 110 мВт устанавливаем трансформаторы собственных нужд типа ТДНС-10000/35
Выбор ПРТСН
Резервное питание секции собственных нужд осуществляется от резервных магистралей, связанных с ПРТСН, мощность которых должна обеспечивать замену одного рабочего ТСН и одновременно пуск или останов блока. ПРТСН имеет мощность на ступень выше рабочих ТСН. Принимаем к установки два ПРТСН типа ТРДСН-63000/35 и ТРДН-63000/110. ПРТСН ТРДСН-63000/35 подключен к низшим обмоткам автотрансформаторов, а ТРДН-63000/110 к ячейке РУ-110 кВ.
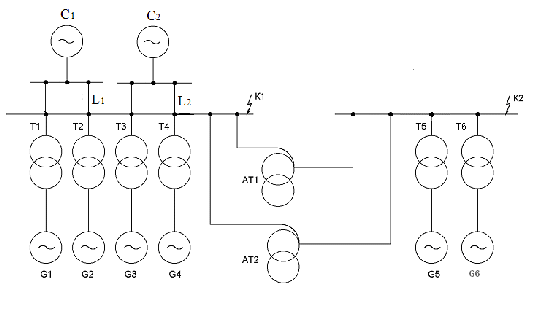
7. Расчет токов короткого замыкания
Расчет токов короткого замыкания производим для выбора и проверки электрических аппаратов и токоведущих частей для данной станции. В целях упрощения расчетов для каждой электрической ступени в расчетной схеме в место ее действительного напряжения на шинах указываем среднее напряжение Uср, кВ равное 340, 115 кВ.
генератор силовой трансформатор станция
Параметры отдельных элементов:
Т1 – Т4: ТНЦ – 1000000/500, 1000 МВ.А, Uк=14,5%;
T5, Т6: ТДЦ-250000/220, 250 МВ.А, Uк=11%;
G1 – G4: ТВВ – 800–2ЕУ3, 889 МВ.А, x»d=0,219;
G5,G 6: ТГВ –200–2У3, 235,5 МВ.А, x»d=0,19;
С1: Sном=4200 МВ.А; xc=0,11
С2: Sном=3500 МВ.А; xc=0,14
АТ1, АТ2: АОДЦТН – 167000/500/220, 167 МВ.А, Uк,вн-сн=11%, Uк,вн-нн=35%, Uк,сн-нн=21,5%;
W1, W2 = 410 км;
W3, W4 = 350 км;
Худ=0,28 Ом/км;
Sб=1000МВ А
Расчет токов короткого замыкания ведем в относительных единицах. Расчет ведем по формулам.
В дальнейшем для упрощения расчетов и обозначений индекс «*» опускаем, подразумевая, что все полученные данные значения сопротивлений даются в относительных единицах и приведены к базовым условиям.
Определяем значения сопротивлений схемы замещения:
принимаем за ноль
8. Выбор способа синхронизации
Включение генератора в сеть может сопровождаться толчками уравнительного тока и активной мощности на вал генератора, а также более или менее длительными качаниями. Указанные нежелательные явления возникают вследствие того, что частота вращения включаемого генератора отличается от синхронной частоты вращения генераторов энергосистемы, а напряжение на выводах возбужденного генератора – от напряжения на шинах электростанции. Поэтому для включения синхронного генератора на параллельную работу с другими работающими генераторами электростанции или энергосистемы его предварительно нужно синхронизировать.
Широкое применение получили два способа синхронизации: точная синхронизация и самосинхронизация.
При включении генератора способом точной синхронизации затруднительно выполнить точно условия:
равенство по абсолютному значению напряжения включаемого генератора и напряжения сети;
равенство угловой скорости вращения включаемого генератора (или частоты) и угловой скорости вращения генераторов энергосистемы (или частоты):
совпадение по фазе векторов напряжения генератора и напряжения сети в момент включения выключателя.
Поэтому в дипломном проекте выбран способ самосинхронизации. Основным достоинством способа самосинхронизации является возможность достаточно быстрого по сравнению со способом точной синхронизации включения генератора в сеть.
При включении генератора способом самосинхронизации должны быть соблюдены следующие условия:
генератор должен быть невозбужденным;
частота вращения включаемого генератора должна быть близка к частоте вращения генераторов энергосистемы; допускаемая разность частот генератора и сети 1–1, 5 Гц.
В первый момент после включения генератор работает в режиме асинхронной машины, при этом на ротор генератора действует асинхронный вращающий момент, который направлен на уменьшение разности частот вращения включаемого генератора и генераторов энергосистемы, т.е. асинхронный момент способствует втягиванию генератора в синхронизм. После включения выключателя генератора включается автомат гашения поля (АГП), который подает на генератор возбуждение. В этих условиях на ротор генератора начинает действовать синхронный вращающий момент, обеспечивающий окончательное втягивание генератора в синхронизм. Включение генератора в сеть сопровождается броском тока. Включение генератора способом самосинхронизации сопровождается также снижением напряжения на выводах генератора, что оказывает неблагоприятное влияние на работу потребителей, подключенных к тем же шинам, что и генераторы электростанции. По мере втягивания генератора в синхронизм происходят уменьшение тока включения и повышение напряжения на шинах.
9. Описание релейной защиты
Токовая отсечка нашла наибольшее применение для защиты электродвигателей с. н. 3–6 кВ от междуфазных к. з. в обмотках и на выводах электродвигателя. Она представляет собой максимальную токовую защиту без выдержки времени, действующую на отключение электродвигателя от сети только в случае возникновения в нем междуфазных к. з. Это достигается условием выбора тока срабатывания токовой отсечки, который должен быть больше пускового тока электродвигателя во избежание его отключения от защиты при включении в сеть. В зону действия токовой отсечки электродвигателя входит также и силовой кабель, соединяющий его с выключателем, так как ТТ защиты устанавливаются вблизи выключателя.
В соответствии с ПУЭ токовая отсечка как простое и дешевое защитное устройство рекомендуется для защиты электродвигателей мощностью до 5000 кВт, если она обладает требуемой чувствительностью к повреждениям на выводах электродвигателя. При недостаточной чувствительности токовой отсечки необходимо применять более чувствительную дифференциальную токовую защиту.
Защита от однофазных замыканий на землю в соответствии с ПУЭ применяется для электродвигателей 6 кВ в зависимости от их мощности и тока замыкания на землю в питающей сети. Она выполняется в виде токовой защиты нулевой последовательности, которая представляет собой максимальную токовую защиту, содержащую одно реле тока типа РТЗ-50, включенное на ТТ нулевой последовательности типа ТЗЛМ или ТЗРЛ. Защита срабатывает от токов нулевой последовательности, появляющихся при замыканиях на землю. Трансформатор тока ТЗЛМ или ТЗРЛ (с литой изоляцией из эпоксидной смолы) представляет собой кабельный ТТ с кольцевым магнитопроводом. Он устанавливается непосредственно на трехфазный кабель 6 кВ электродвигателя за его выключателем, и поэтому в зону действия токовой защиты нулевой последовательности входит также и силовой кабель к электродвигателю. Это считается допустимым из-за редких повреждений в кабеле в связи с небольшой длиной (100–200 м) и благоприятными условиями его эксплуатации
Защита от перегрузки устанавливается на электродвигателях с. н., которые могут подвергаться длительным перегрузкам по разным причинам (дымосос, дутьевой вентилятор, мельница и др.) – Она не устанавливается на электродвигателях с. н., не подверженных технологической перегрузке и не имеющих тяжелых условий пуска или самозапуска (циркуляционный насос, конденсатный насос и др.). Защита от перегрузки выполняется как обычная максимальная токовая защита, поскольку она должна реагировать на ток электродвигателя. Для защиты достаточно использовать одно реле тока с включением его на фазный ток или на разность токов двух фаз (при однорелейной отсечке), так как перегрузка, как правило, является симметричным режимом и, следовательно, она имеет место во всех фазах.
Схема защиты электродвигателя шахтной мельницы, выполненная в соответствии с унифицированными схемами вторичных цепей КРУ 6 кВ. Токовая отсечка без выдержки времени и с действием на отключение электродвигателя выполнена в двух фазах – реле KA1 и KA2. В отличие от других электродвигателей, подверженных перегрузке, защита от перегрузки на электродвигателе шахтной мельницы выполняется двухступенчатой по току срабатывания и времени действия. Первая ступень предназначена для разгрузки мельницы от кратковременной перегрузки. Она осуществляется с помощью реле тока KA3 и реле времени KT6 и действует с выдержкой времени на отключение электродвигателя питателя сырого угля (ПСУ). Если после отключения ПСУ перегрузка на мельнице не устранилась (например, мельница завалена углем), то срабатывает вторая ступень защиты, выполненная с помощью реле тока KA4 и реле времени KT7, и отключает электродвигатель от сети.
Токовая защита нулевой последовательности выполнена с использованием реле тока KA6, присоединенного к ТЗЛМ.
Предусмотрено отключение электродвигателя ПСУ от первой ступени защиты минимального напряжения с помощью промежуточного реле KL9, включенного к шинке 1ШМН, а также отключение от второй ступени этой защиты через реле KL10 электродвигателя шахтной мельницы ввиду невозможности его самозапуска при, пониженном напряжении.
ОРУ – 110 кВ выполнена по схеме с двумя рабочими и обходной системами шин, две рабочие системы шин на ОРУ-110кВ примыкают друг к другу, обходная система шин отнесена за линейные порталы. Выводы к трансформаторам пересекают две рабочие системы шин.
Выключатели ВВБМ-110Б – 31,5/2000У1 устанавливаются в один ряд; перед выключателями имеется автодорога для проезда ремонтных механизмов, провоза оборудования и т.п. Во всех цепях установлены разъединители РНД-110–2000У1. Под внутренней рабочей системой шин принято ассиметричное расположение разъединителей. Рассмотренные разъединители имеют пополюсное управление.
Во всех цепях установлены трансформаторы тока ТФЗМ-110-У1; в цепях шиносоединительного и обходного выключателей установлены трансформаторы напряжения НКФ-110–58У1.
Ошиновка ОРУ выполнена гибкими сталеалюминевыми проводами 2 АС-400/22. Сборные шины выполнены такими же проводами, расстояние между фазами четыре метра. Линейные и шинные порталы и все опоры под аппаратами – стандартные, железобетонные.
10. Расчет заземляющего устройства
Расчетные данные: площадь 99 60 м2; 1 = 500 ; h = 2 м; 2 = 50 ; t = 0,7 м; lв = 5 м; Iз = 10127 А; tр.з=0,1 с; tотк.в. =0,06 с.
Для находим .
здесь М = 0,82 при ;
.
Потенциал на заземлителе определяем по [1.с. 598,§ 7.5 (7.21)]:
, что в пределах допустимого (меньше 10 кВ).
Сопротивление заземляющего устройства рассчитываем по [1.с. 598,§ 7.5 (7.24)]:
Действительный план заземляющего устройства преобразуем в расчетную квадратную модель со стороной:.
Число ячеек по стороне квадрата:
, принимаем m=10.
Длина полос в расчетной модели:
Длина сторон ячейки:
Число вертикальных заземлителей при :
, принимаем nв=21.
Общая длина вертикальных заземлителей:
.
Относительная глубина:
, тогда по
.
Определяем , .
,
что больше допустимого .
Найдем напряжение прикосновения:
что больше допустимого значения.
Принимаем меры для снижения Uпр путем подсыпки слоем гравия толщиной 0,2 м в рабочих местах.
Удельное сопротивление верхнего слоя гравия равно , тогда:
.
По [1.с. 598,§ 7.5 (7.21)]:
, что меньше допустимого (меньше 10 кВ).
,
таким образом .
Напряжение прикосновения:
, что меньше допустимого 440 В.
Определим наибольший допустимый ток, стекающий с заземлителей станции при однофазном КЗ:
.
Список литературы.
Л.Д. Рожкова, В.С. Козулин: «Электрооборудование станций и подстанций» – 3-е издание, переработанное и дополненное. – М: Энергоиздат, 1987.
Б.Н. Неклепаев, И.П. Крючков: «Электрическая часть электростанций и подстанций» – 3-е издание, переработанное и дополненное. – М: Энергия, 1978.
«Правила устройства электроустановок» – 6-е издание, переработанное и дополненное. – М: Энергоатомиздат, 1986.
В.А. Боровиков: «Электрические сети энергетических систем» 3-е издание, переработанное и дополненное. – Л: Энергия, 1977.
Методические указания для дипломного проектирования по дисциплине «Экономика отрасли». – И.: 2002. – 64 с.
Микроэкономика. Экономика предприятия – Ростов н/Д: издательство «Феникс», 2000. – 384 с.
Охрана труда в энергетике: Учебник для техникумов под редакцией Б.А. Князевского. – М.: Энергоатомиздат, 1985. – 376 с.
Я.М. Грушко «Вредные органические соединения в промышленных выбросах в атмосферу», «Химия», Ленинград 1991.
«Защита атмосферы от промышленных загрязнений» справочник под ред. С. Калверта и Г. Инглунда «Металлургия», Москва 1991.
Журнал «Энергетик» №10, 2001.
Автоматика энергосистем: Учебник для техникумов – М.А. Беркович, В.А. Гладышев, В.А. Семенов. – 2-е издание, переработанное и дополненное – М.: Энергоатомиздат, 1985. – 208 с.
Нравится материал? Поддержи автора!
Ещё документы из категории физика:
Чтобы скачать документ, порекомендуйте, пожалуйста, его своим друзьям в любой соц. сети.
После чего кнопка «СКАЧАТЬ» станет доступной!
Кнопочки находятся чуть ниже. Спасибо!
Кнопки:
Скачать документ