Проектирование систем электроснабжения сельскохозяйственного назначения


















ПЕРЕЧЕНЬ СОКРАЩЕНИЙ
ПС – подстанция
ВЛ – высоковольтные линии электропередач
РП – распределительный пункт
ТП – трансформаторная подстанция
ТР – трансформатор
СИП – самонесущие изолированные провода
КЗ – короткое замыкание
КА – коммутационная аппаратура
КРУ – комплектные распределительные устройства
КТП – комплектная трансформаторная подстанция
ОПН – ограничитель перенапряжений
КРУ – комплектные распределительные устройства
ТСН – трансформатор собственных нужд
РЗ – релейная защита
МТЗ – максимальная токовая защита
ВВЕДЕНИЕ
Проектирование систем электроснабжения сельскохозяйственного назначения является сложной и ответственной задачей. Принятие проектных решений непосредственно влияет на объем и трудоемкость монтажных работ, удобность и безопасность эксплуатации электротехнических установок.
Выбор схемных решений электроснабжения в значительной степени зависит от принятых систем напряжений в рассматриваемом объекте. Используемый класс напряжения в значительной степени предопределяет капиталовложения в проектируемый объект и величину потерь мощности и электроэнергии в процессе эксплуатации. Окончательное решение по выбору напряжения сети должно приниматься на основании технико-экономического сравнения вариантов.
Основными требованиями к проектам систем электроснабжения являются надежность электроснабжения потребителей и их экономичность. Надежность электроснабжения обеспечивается выбором наиболее совершенных электрических аппаратов, силовых трансформаторов, кабельно-проводниковой продукции, соответствием электрических нагрузок в нормальных и аварийных режимах номинальным нагрузкам этих элементов, а также использованием структурного резервирования и секционированием электрической сети.
Сооружение электрических сетей, повышающих и понижающих подстанций в системе электроснабжения, связано с большими материальными затратами. Поэтому при проектировании должен проводиться детальный анализ экономичности проектных решений и режимов работы всех элементов систем электроснабжения.
В электроэнергетике Украины имеет место ряд негативных тенденций:
происходит массовое старение основного электросетевого оборудования;
отсутствуют средства для реконструкции сети;
выросли технические и коммерческие потери мощности и электрической энергии;
практически отсутствует резервирование потребителей І и ІІ категории по надежности сельскохозяйственного назначения;
резко сократился научно-технический потенциал отрасли;
серьёзно отстаёт сфера разработок, освоения и внедрения новых технологий производства, транспорта и распределения электроэнергии;
неэффективно действуют механизмы совместной работы собственников электроэнергетических объектов;
нерационально организованы рынки электроэнергии.
Поэтому, в связи с вышеуказанным, необходимо произвести реконструкцию распределительных сетей, замену старого оборудования на более новое, которое отвечает как современным техническим требованиям качества и надежности, так и экономическим критериям.
Системы электроснабжения сельскохозяйственных потребителей имеют характерные особенности, обусловленные рассредоточенностью сравнительно маломощных потребителей электроэнергии на значительной территории.
В отличие от городского, электроснабжение сельскохозяйственных потребителей осуществляется по воздушным линиям 6 –10 кВ, которые менее надежны, а требования к повышению надежности в последнее время возрасли, т.к. увеличение продуктивности труда возможно только на базе электрифицированного производства.
На территории Украины в эксплуатации находится более 305 тыс. км линий 10 кВ и около 200 тыс. трансформаторных подстанций (ТП) 10/0,4кВ суммарной установленной мощностью 44 тыс. кВА [1].
Сеть 10 кВ, как правило, состоит из линий древовидной структурой с сечениями проводов, ступенчато уменьшающимися от головных участков к концу линии. Почти все линии в сельской местности имеют воздушное исполнение, строятся, в основном, на железобетонных опорах. В качестве проводов используют голые неизолированные стальалюминиевые и алюминиевые провода со штыревой изоляцией.
Рассредоточенность потребителей на значительной территории вызывает относительно большие потери электрической энергии в сетях, потерю напряжения, которая вызывает сверхдопустимые отклонения напряжения на вводах потребителей электрической энергии, несимметрию нагрузок трехфазных сетей и так далее.
В данной дипломном проекте рассматривается реконструкция системы энергоснабжения села Наумовка Корюковского района, направленная на повышение надежности и уменьшения потерь электрической энергии.
1 МАТЕРИАЛЫ ОБСЛЕДОВАНИЯ ЗОНЫ ЭЛЕКТРОСНАБЖЕНИЯ
1.1 Характеристика зоны электроснабжения
Подстанция (ПС)110/35/10кВ «Корюковка» находиться в Корюковском районе Черниговской области. Зона электроснабжения сельскохозяйственного района охватывает потребителей пятнадцати населенных пунктов, в том числе рассматриваемое в данном дипломном проекте поселок городского типа Наумовка.
В данном населенном пункте проживает около 1338 человек. На его территории находятся следующие потребители: кирпичный завод, свинотоварная ферма, молочно-товарная ферма, машинотракторный пункт, школа, детский сад, фельдшерно-акушерский пункт, четыре магазина, дом культуры на 320 мест, пилорама, пункт по сортировки и хранению картофеля и зерна, мельница, птицефабрика, а также некоторые другие учреждения повседневного обслуживания населения и учреждения культурно-бытового обслуживания. Практически все жилые дома на территории населенного пункта одноэтажные. Пище приготовление и обогрев – на природном газе. В данном населенном пункте имеются потребители как І, ІІ так и III категории по надежности электроснабжения. Все потребители питаются от одного распределительного пункта (РП).
Значения потребляемой электрической энергии производственными потребителями за год приведены в таблице 1.1. Остальные нагрузки общественных и комунально-бытовых потребителей выбираются в соответствии с [2].
Принимаем, что в одном доме в среднем проживает три человека, тогда примерное количество домов можно рассчитать по формуле:
, (1.1)
где
– количество домов, шт;
– количество жителей в населенном пункте, чел;
– количество жильцов в одном доме, чел.
Таблица 1.1 – Количество электроэнергии, потребляемое за год производственными потребителями
Номер ТП
Название потребителя
Суммарное количество электроэнергии, кВт∙ч∙год
419
Свинотоварная ферма
76000
437
кирпичный завод
62000
360
молочно-товарная ферма
500140
236
машинотракторный пункт
198000
301
Точок (пилорама, пункт по сортировки и хранению картофеля и зерна)
812000
7
мельница
648900
350
птицефабрика
1599000
Следовательно:
шт.
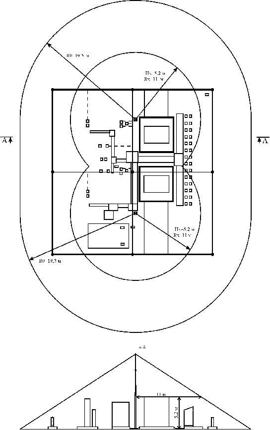
Все потребители данного населенного пункта питаются от ТП 10/0,4кВ, общее число которых 26. Из них 7 ТП питают потребителей с производственным видом нагрузки, 13 ТП с коммунально-бытовым и 6 ТП со смешенным видом нагрузки. Месторасположение и параметры существующих ТП 10/0,4кВ (диспетчерский номер подстанции, характер нагрузок, количество и мощность трансформаторов) приведены на рисунке 1.1.
1.2 Определение расчетных нагрузок
Расчет электрических нагрузок распределительных сетей 10кВ производиться исходя из расчетных нагрузок на вводе потребителей, на шинах подстанций с соответствующими коэффициентами одновременности отдельно для дневного и вечернего максимумов [2]:
, (1.2)
, (1.3)
где
,
– расчетная дневная, вечерняя нагрузка на участке линии или шинах трансформаторной подстанции, кВт;
– коэффициент одновременности;
,
– дневная, вечерняя нагрузка на вводе i-го потребителя или i-го элемента сети, кВт.
Допускается определение расчетных нагрузок по одному режиму – дневному (если суммируются производственные потребители), или вечернему (если суммируются бытовые потребители). Коэффициенты дневного или вечернего максимума принимаем:
– для производственных потребителей
;
– для бытовых потребителей с домами без электроплит
.
Коэффициент одновременности зависит от количества потребителей [2].
Для нашего случая нагрузки жилых домов рассчитываем по формуле:
, (1.4)
где
– расчетная нагрузка жилых домов, кВт;
– коэффициент одновременности для суммирования нагрузок в сетях 0,38 кВ;
– количество домов, шт;
– удельная нагрузка одного дома, кВт/дом.
Значение
берем в соответствии с руководящими материалами [2].
При наличии годового потребления электроэнергии производственных потребителей расчетная нагрузка определяется исходя из годового числа часов использования максимальной нагрузки [2]:
, (1.5)
где
– максимальная расчетная нагрузка, кВт;
– годовое потребление электроэнергии, кВт∙ч;
– число часов использования максимума в зависимости от характера нагрузки, ч.
При смешенной нагрузке отдельно определяются нагрузки на участках сети с жилыми домами, с производственными и общественными помещениями, предприятиями с использованием соответствующих коэффициентов одновременности. Суммирование нагрузок участков сети производиться по формуле:
, (1.6)
где
– большая из слагаемых нагрузок, кВт;
– добавка к наибольшей слагаемой нагрузке, в зависимости от значения наименьшей слагаемой, кВт.
Расчетная нагрузка существующих ТП 10/0,4кВ на расчетный год определяется по формуле:
, (1.7)
где
– существующая нагрузка на ТП, кВт;
– коэффициент роста нагрузок.
Суммарная нагрузка ТП на линиях ищется в зависимости от количества ТП с учетом коэффициента одновременности для сетей 6-20кВ.
Реактивная нагрузка на ТП определяется по формуле:
, (1.8)
где
– активная нагрузка ТП, кВт;
– коэффициент мощности характеризующий нагрузку ТП.
Принимаем для ТП со смешенной нагрузкой –
, для ТП с производственной нагрузкой –
, для ТП с коммунально-бытовой нагрузкой –
[2].
Рассмотрим расчет нагрузки на ТП с коммунально-бытовой нагрузкой (рисунок 1.1). От ТП с номером 425 питаются n=23 дома. Коэффициент одновременности согласно [2] принимаем равным ko=0.333, а удельную нагрузку одного дома принимаем равным Руд=10 кВт/дом. Согласно формуле (1.4):
кВт.
Тогда согласно (1.7) активная нагрузка на ТП-425 будет составлять:
кВт.
Реактивную нагрузку находим по (1.8):
кВАр.
Аналогично рассчитываем нагрузки на других ТП с коммунально-бытовыми нагрузками. Полученные значения сведены в таблицу 1.1.
Нагрузка на ТП с производственными потребителями ищется в соответствии с (1.5), (1.7). Так, например, от ТП номер 437 питается кирпичный завод. Тогда по (1.5):
кВт.
Следовательно, активная нагрузка на ТП-437:
кВт.
Тогда реактивная нагрузка имеет следующее значение:
кВАр.
Рассмотрим ТП со смешенной нагрузкой. От ТП номер 6 питаются 10 домов и магазин. Нагрузка магазина в соответствии с [1] равняется 4 кВт. Тогда нагрузки на ТП-6 по (1.6), (1.7) и (1.8) будут равны:
кВт;
, кВАр.
Остальные нагрузки рассчитываются аналогично. Полученные значения по всем ТП занесены в таблицу 1.1.
Таблица 1.1 – Результаты расчетов нагрузок по всем ТП
-
Номер ТП
Мощность ТП, кВА
Потребители
Активная нагрузка,
, кВтРеактивная нагрузка,
, кВАр1
2
3
4
5
16
160
жилые дома
161,616
69,4949
15
250
жилые дома
252,84
108,72
246
160
жилые дома
151,20
65,016
448
160
жилые дома, магазин
163,23
125,58
14
160
жилые дома, детский сад, фельдшеро-акушерский пункт
165,13
123,848
245
250
жилые дома
189,00
81,27
426
400
жилые дома, дом культуры, магазины, школа, сельсовет, административные здания
375,27
281,453
353
25
жилые дома, столовая
25,20
18,90
12
160
жилые дома, аптека
159,67
119,753
424
100
жилые дома
107,226
46,107
318
63
жилые дома
67,20
28,896
6
63
жилые дома, магазин
62,792
46,62
425
100
жилые дома
107,226
46,107
419
40
свинотоварная ферма
42,56
51,072
437
25
кирпичный завод
34,72
41,664
301
400
точок
406,00
487,20
236
100
машинотракторный пункт
102,667
123,20
360
250
молочно-товарная ферма
250,07
300,084
9
160
жилые дома
164,08
70,554
418
63
жилые дома
67,20
28,896
8
100
жилые дома
103,18
44,367
10
63
жилые дома
63,140
27,15
422
40
жилые дома
42,00
18,06
13
100
жилые дома
103,283
44,412
7
320
мельница
324,45
389,34
350
800
птицефабрика
799,5
959,4
Найдем суммарное значение нагрузок ТП на линиях. Расчет рассмотрим на примере участка 8-9. На этом участке находиться четыре ТП (ТП-419,ТП-437,Т-15,ТП-14). В соответствии с [2] коэффициент одновременности для четырех ТП равен kод=0,825. Тогда суммарная активная нагрузка ТП на линии 8-9 будет составлять:
кВт.
Аналогично рассчитываются суммарные нагрузки ТП на всех остальных участках линий. Полученные значения сводим в таблицу 1.2.
1.3 Определение потерь мощности и отклонения напряжения
При передаче энергии от электрических станций к потребителям во всех звеньях электрических сетей имеются потери активной мощности. Эти потери возникают как в кабельных и воздушных линиях различных напряжений, так и в трансформаторах подстанций.
В среднем потери в сетях энергосистемы составляют примерно 10% от отпускаемой электрической энергии в сети электроснабжающих организаций. Значительная часть этих потерь расходуется в линиях передачи всех напряжений и меньшая часть – в трансформаторах (ТР).
Таблица 1.2 – Полученные значения нагрузок по линиям
Участок линии
Составляющие ТП
Суммарная активная нагрузка ТП на линии,
, кВт
1
2
3
1-2
ТП-16, ТП-246, ТП-245, ТП-448, ЗТП-7, ТП-301
1105,7677
2-4-Туровка
ТП-425, ТП-424, ТП-6, ТП-9, ТП-418, ТП-8, ТП-10, ЗТП-350
1215,8124
Центр
ТП-426
375,27
5-8
ТП-318, ТП-360
285,543
7-8-Передел
ТП-12, ТП-353, ТП-236, ТП-422, ТП-13
375,161
8-9
ТП-14, ТП-15, ТП-419, ТП-437
408,581
Активная нагрузка на РП
3766,13
Потери активной и реактивной мощности в общем виде для трансформаторов и для линий определяется по формулам:
, (1.9)
, (1.10)
где
,
– потери активной и реактивной мощности соответственно, кВт,
(кВАр);
,
– активная и реактивная нагрузка, кВт, (кВАр);
,
– активное и реактивное сопротивления линии либо трансформатора, Ом.
Параметры линий и трансформаторов выбираем из [4–8] и заносим в таблицы 1.3, 1.4.
Таблица 1.3 – Параметры используемых сечений проводов линий
Марка провода
Удельное активное сопротивление, Ом/км
Удельное реактивное сопротивление, Ом/км
Расчетный диаметр, мм
АС-35
0,85
0,3582
8,4
А-35
0,92
0,3655
7,5
А-50
0,64
0,354
9
АС-50
0,65
0,3498
9,6
АС-70
0,46
0,407
11,4
Таблица 1.4 – Параметры используемых трансформаторов
Марка трансформатора
Номинальная мощность, кВА
Потери, кВт
, кВАр
, %
,
%
, Ом
, Ом


ТМ-25/10У1
25
0,13
0,6
0,8
4,5
3,2
96
180
ТМ-40/10У1
40
0,19
0,88
1,2
4,5
3
55
112,5
ТМ-63/10У1
63
0,26
1,28
1,26
4,5
2
32,25
71,43
ТМ-100/10У1
100
0,36
1,97
2,6
4,5
2,6
19,7
45
ТМ-160/10У1
160
0,56
2,65
3,84
4,5
2,4
10,35
28,13
ТМ-250/10У1
250
0,82
3,7
5,75
4,5
2,3
5,92
18
ТМ-400/10У1
400
1,05
5,5
8,4
4,5
2,1
3,44
11,25
Схемы замещения для расчетов потерь в трансформаторах и на линиях приведены на рисунках 1.2 и 1.3.
Рассмотрим пример расчета потерь мощности в трансформаторе Т1 ТП-15 и на участке линии 1.
По формулам (1.9), (1.10) находим потери активной и реактивной мощности на низкой стороне трансформатора:
Вт;
ВАр.
Мощность на высокой стороне трансформатора с учетом потерь в трансформаторе:
, (1.11)
, (1.12)
где
– мощность на низкой стороне трансформатора, кВт;
– потери мощности в трансформаторе, кВт.
Следовательно:
кВт;
кВАр.
Активные и реактивные сопротивления на участке линии определяется в зависимости от ее длины:
, (1.11)
, (1.12)
где
,
– удельные активное и реактивное сопротивления линии, Ом/км;
– длина линии, км.
Тогда:
Ом,
Ом.
Найдем потери мощности в линии в соответствии с (1.9), (1.10):
кВт,
кВАр.
Потери мощности в остальных линиях и трансформаторах находятся аналогично. Полученные результаты сведены в таблицах 1.5, 1.6.
Потери напряжения ищутся по формуле:
, (1.14)
где
% – потери напряжения;
– номинальное напряжение, кВ.
Полученные значения потерь напряжения на линиях сведены в таблицу 1.6.
Таблица 1.5 – Потери мощности в трансформаторах
Номер ТП
Номер ТР
Мощность ТР
Потери на низкой стороне
Мощность на высокой стороне
, кВт
, кВАр
, кВт
, кВАр
1
2
3
4
5
6
7
15
1
250
4,484
1,363
258,144
128,106
419
2
40
2,4308
4,972
45,1808
57,244
437
3
25
2,824
5,294
37,674
40,8145
14
4
160
4,4103
11,983
170,1004
139,671
422
5
40
1,149
2,351
43,339
21,611
13
6
100
2,490
5,688
142,626
68,391
236
7
100
5,067
1,573
108,093
137,373
353
8
25
0,953
1,786
26,283
21,486
12
9
160
4,124
1,1203
164,354
134,796
360
10
250
9,0331
2,747
259,923
333,299
318
11
63
1,7256
3,822
69,186
33,978
426
12
400
7,564
2,475
383,884
314,607
9
19
160
3,299
8,965
167,859
83,359
418
18
63
1,726
3,822
69,186
33,978
8
20
100
2,485
5,677
106,025
52,644
10
21
63
1,523
3,374
64,923
31,784
16
13
160
3,302
8,972
167,942
83,366
448
14
160
4,5347
1,232
172,535
141,746
246
15
160
2,8041
7,619
154,564
76,475
245
16
250
2,506
7,619
192,326
94,639
301
17
301
1,3826
4,5247
420,876
540,85
7
25
2х160
13,294
36,12
338,86
433,14
425
22
100
2,6838
6,1305
110,269
54,838
424
23
100
2,6838
6,1305
110,269
54,838
6
24
63
1,947
4,312
64,367
52,192
350
350
2х400
2,6806
8,773
803,55
966,232
Таблица 1.6 – Потери мощности и напряжения в линиях
-
№
линии
Длина линии, км
Марка провода
Потери мощности
Потери
напряжения,
%
Суммарные потери напряжения на линии, %
, кВт
, кВАр1
2
3
4
5
6
7
1
0,2
АС-35
0,14
0,059
0,053
10,569
4
0,4
АС-35
0,018
0,0076
0,0195
3
0,7
АС-35
170,45
71,83
1,391
2
0,6
АС-35
158,52
66,8047
1,454
5
0,9
А-35
280,38
2,34
2,589
6
0,1
АС-35
0,002
0,000841
0,0045
7
2,9
А-50
0,792
0,44
0,438
8
1
А-50
0,196
0,108
0,118
9
0,4
А-50
0,356
0,124
0,108
10
0,4
АС-35
0,0039
0,00165
0,012
11
0,4
А-50
0,424
0,235
0,118
12
0,5
А-50
1,231
0,681
0,224
13
0,4
А-35
0,65
0,261
0,144
14
0,5
А-35
209,18
83,105
2,044
15
0,5
АС-50
156,401
84,168
1,852
16
0,3
АС-35
0,62
0,265
0,132
0,564
17
0,7
АС-50
1,124
0,6048
0,252
18
0,5
АС-50
162,296
87,339
0,181
22
0,4
АС-50
0,154
0,00831
0,0227
8,139
23
0,4
АС-50
0,1819
0,979
0,0781
24
0,3
АС-50
0,027
0,0147
0,0262
25
0,5
АС-50
0,0169
0,0091
0,0267
26
2,4
АС-50
3,236
1,741
0,806
19
0,2
АС-35
0,571
0,595
0,1057
20
0,7
АС-35
14,928
6,291
0,943
21
0,8
А-50
23,582
13,0438
1,194
27
0,2
А-50
8,698
4,811
0,3694
28
0,4
А-50
19,143
10,588
0,778
29
0,4
А-50
22,887
12,659
0,844
33
0,5
АС-50
5,1327
2,762
0,4301
30
0,7
АС-50
86,279
46,431
2,1471
31
0,1
АС-50
12,862
6,922
0,315
В таблице (1.7) указаны отклонения напряжения у удаленных потребителей.
Таблица 1.7 – Отклонение напряжения у удаленных потребителей
Номер ТП
15
419
422
426
16
Потеря напряжения, %
14,55
19,83
15,57
5,61
12,38
Определим ориентировочные потери электроэнергии по методу , использующий число часов наибольших потерь мощности [6]:
кВт·ч, (1.15)
где
– суммарные потери активной мощности, кВт;
– время максимальных потерь, ч.
Время максимальных потерь определяем по графику из [6] при
и числе часов использования максимума
ч, тогда
ч. Следовательно:
кВт·ч/год.
В соответствии с [11] для сельскохозяйственных приемников электроэнергии установлены следующие пределы отклонения напряжения от номинального значения:
на зажимах приемников электроэнергии животноводческих комплексов и птицефабрик – от -5% до +5%;
на зажимах приемников электроэнергии остальных потребителей – от -7,% до +7,5%.
В нашем случае для большинства электроприемников потери напряжения превышают допустимые нормы. Учитывая все вышеупомянутое и то, что нагрузка имеет тенденцию роста, а также не выполняются нормы надежности для потребителей I и II, в данном дипломном проекте предлагается реконструкция сети электроснабжения поселка городского типа Наумовка. Одним из оптимальных вариантов по уменьшению потерь мощности и снижению отклонения напряжения является сооружение ТП глубокого ввода на питающем напряжении 35 кВ и последующей реконструкции распределительной сети 10 кВ, питающей село Наумовка.
2 ВЫБОР ПОДСТАНЦИИ 35/10 кВ
2.1 Выбор места расположения ПС
Расположение ПС выбирается в соответствии с [12] вблизи центра нагрузок, координаты которого х и у определяются согласно выражениям:
, (2.1)
, (2.2)
где
– расчетная мощность;
и
– координаты отдельных крупных сельскохозяйственных потребителей;
– число потребителей.
Расчетное место расположения проектируемой ПС изображено крестиком на рисунке 1.1. Полученный центр нагрузок попадает на топографический центр села, где расположено много разнородных потребителей. В данном месте не эстетично и экономически не выгодно строить новую подстанцию. Следовательно, предлагается реконструировать имеющийся РП, который находится на незначительном удалении от центра.
2.2 Выбор количества и мощности трансформаторов
В соответствии с [13] в проектируемом районе к потребителям I категории относятся молочно-товарная ферма, птицефабрика, свинотоварная ферма. Также есть потребители II категории: школа, детский сад, клуб.
На ПС 35/10кВт, питающих потребителей I категории, два трансформатора должны бить установлены в случае если суммарная расчетная нагрузка потребителей I категории, расположенных на расстоянии менее 10 км от рассматриваемой подстанции, равна или больше 1100 кВА и уменьшить эту нагрузку за счет присоединения некоторых потребителей I категории к соседним подстанциям невозможно [9].
В нашем случае общая нагрузка потребителей I категории
1705,98 кВА > 1100 кВА.
Запитать часть потребителей от соседних подстанций невозможно. Следовательно, на нашей подстанции необходимо ставить два трансформатора.
Так как мы установили два трансформатора, то нашу ПС запитуем с двух сторон [9]. С одной стороны от ПС Корюковка, с другой от ПС Софиевка.
Выбор мощности трансформаторов осуществляется по суммарной расчетной нагрузке по условиям нормального и послеаварийного режимов.
Для нормального режима должно соблюдаться соотношение [14]:
, (2.3)
где
– номинальная мощность трансформатора, кВА;
– расчетная нагрузка на шинах 10 кВ подстанции, кВА.
В соответствии с [14] допускается послеаварийная перегрузка 40%. Поэтому для послеаварийного режима должно выполнятся условие:
, (2.4)
где
– коэффициент допустимой перегрузки трансформаторов.
Полученное расчетное значение
округляется до ближайшего большего, стандартного значения шкалы мощностей трансформаторов.
Активную и реактивную нагрузку на шинах РП 10кВ получим, просуммировав найденные выше нагрузки. Получаем следующие значения:
кВт;
кВАр.
Полная мощность на РП в нормальном режиме определяется по формуле:
, (2.5)
Тогда:
кВ.
Мощность на РП с учетом потерь в линиях и с учетом динамики роста нагрузки:
, (2.6)
где
– коэффициент, учитывающий динамику роста нагрузки, равный 1,3;
– коэффициент, учитывающий потери в линиях.
Получаем:
кВА.
Следовательно, мощность одного трансформатора равняет:
кВА.
Выбираем два трансформатора мощностью по 4000кВА.
Проверяем трансформаторы в условиях послеаварийного режима по формуле (2.4):
5600 кВА < 6854,368 кВА.
Условие (2.4) не выполняется.
Однако, учитывая тот факт, что от проектируемой подстанции питается значительная часть потребителей ІІІ-й категории по надежности, то при повреждении одного из трансформаторов неответственные потребители могут быть отключены в максимум нагрузки. Поэтому окончательно выбираем трансформатор мощностью 4000 кВА.
Определим величину нагрузки трансформаторов в период максимальной загрузки:
, (2.7)
где
– коэффициент загрузки.
Получаем:

Выбираем два трансформатора марки ТМ-4000/35. Он имеет следующие параметры: Рхх=5,3кВт, Ркз=33,5кВт, uк=7,5%, Іхх=0,9%.
2.3 Обеспечения норм надежности потребителей
На рассматриваемой ПС установлены два силовых трансформатора и она обеспечивается двусторонним питанием.
В этом случае эквивалентная продолжительность отключений за год как питающей линии 35кВ, так и районной подстанции, принимается равной нулю, т.е. Тп=0, Тп/пс=0 [9].
Поэтому вся нормируемая эквивалентная продолжительность отключения на шинах 10кВ потребительской подстанции может быть отнесена к распределительной линии:
ч/год, (2.8)
где
– удельная продолжительность отключений распределительной линии
10кВ, час/год∙км, принимаем
;
– суммарная длина распределительной линии 10кВ, включая ответвления,
км.
Откуда предельная длина участка распределительной линии, который нет необходимости ни секционировать, ни резервировать, чтобы обеспечить норму надежности, равна:
км. (2.9)
На практике возможно два варианта:
длина распределительной линии 10кВ (включая ответвления) меньше
км. В этом случае норма надежности выполняется без каких-либо дополнительных мероприятий по повышению надежности у потребителя;длина распределительной линии 10кВ (включая ответвления) больше
км. В этом случае норма надежности не выполняется и необходимо применять дополнительных мероприятий по повышению надежности у потребителя, такие как секционирование и резервирование.
Схема расположения отходящих линий от ПС после установки ПС 35/10кВ изображена на рисунке 2.1.
Найдем длину отходящих линий, вмести с ответвлениями, просуммировав длины всех участков. Получаем:
км;
км;
км.
<16,5км;
<16,5км;
<16,5км.
Надежность на наших линиях выполняется, следовательно, дополнительных мероприятий по повышению надежности предпринимать не надо. Так как в зоне исследования имеются потребители I категории, существующий резерв от соседней подстанции Софиевка по ВЛ 10 кВ реконструироваться не будет.
3 ВЫБОР СЕЧЕНИЙ ПРОВОДОВ
Определим нагрузки на линиях по новой схеме питания аналогично пункту 1.2. Полученные значения сведены в таблице 3.1.
Таблица 3.1 – Расчетные нагрузки по питающим линиям
Участок линии
Составляющие ТП
Суммарная активная нагрузка ТП на линии,
, кВт
1
2
3
1-12-Центр
ТП-426, ТП-16, ТП-246, ТП-245, ТП-448, ЗТП-7, ТП-301
1481,04
11
ЗТП-350
406
2-4-Туровка
ТП-425, ТП-424, ТП-6, ТП-9, ТП-418, ТП-8, ТП-10, ЗТП-350
886,02
5-8
ТП-318, ТП-360
285,54
7-8-Передел
ТП-12, ТП-353, ТП-236, ТП-422, ТП-13
375,16
8-9
ТП-14, ТП-15, ТП-419, ТП-437
408,58
Активная нагрузка на РП
3836,09
Выбор сечений проводов и кабелей напряжением выше 1 кВ выполняется для условий нормального режима по экономическим соображениям с использованием метода экономических интервалов [14].
Для нахождения сечения провода определяем расчетный ток Iр [14],[16]:
, (3.1)
где
– расчетный ток, А;
– расчетная мощность на линии, кВА;
– номинальное напряжение, кВ;
,
– расчетная активная и реактивная нагрузка на линии, кВт (кВАр).
Из [16] выбираем сечения проводов по методу экономических интервалов, который учитывает дискретность изменения стандартных параметров линии и конкретные особенности элементов передачи.
В данном дипломном проекте используем изолированные провода (СИП) с алюминиевыми фазными токопроводящими жилами с изоляцией из светостабилизированного силанольно-сшитого полиэтилена марки СИП-3. Применение таких изолированных проводов позволяет уменьшить трудозатраты по выполнению нормативных требований к устройству заземлений, что особенно важно при реконструкции или расширении существующих низковольтных сетей, выполненных на железобетонных или металлических опорах. Ведь в данном случае нет необходимости специально заземлять подвесную линейно-сцепную арматуру, что упрощает монтаж и уменьшает стоимость проекта [17]. Также можно перечислить следующие преимущества СИП:
– провода защищены от схлестывания;
– на таких проводах практически не образуется гололеда;
– исключено воровство проводов, так как они не подлежат вторичной переработке;
– существенно уменьшены габариты линии и требования к просеке при прокладке и в процессе эксплуатации;
– простота монтажных работ и уменьшение их сроков;
– высокая механическая прочность проводов;
– пожаробезопасность таких линий, основанная на исключении короткого замыкания (КЗ) при схлестывании;
– сравнительно небольшая стоимость линии (примерно на 35% дороже голых ). При этом происходит значительное сокращение эксплуатационных расходов (до 80%);
– возможно подключение абонентов и новые ответвления под напряжением;
– снижение энергопотерь в линиях электропередач за счет уменьшения реактивного сопротивления изолированного провода по сравнению с «голым».
Рассмотрим пример определения сечения провода на участке линии №1.
По формуле (3.1) определяем расчетный ток:
А.
Выбираем провод маркой СИП-3 сечением 35 мм2.
Остальные сечения рассчитываются аналогично. Полученные значения расчетного тока и выбранные сечения проводов занесены в таблицу 3.2.
Далее проверяем выбранные нами сечения проводов в послеаварийном режиме, когда отключаются участки 30, 32, 18, 15 (рисунок 3.1) и наши потребители запитаны по резервным линиям 10 кВ от ПС Софиевка.
Послеаварийный режим рассмотрим на примере расчета участка линии № 14. В послеаварийном режиме отключен участок под № 15 и по участку № 14 протекает одна нагрузка от ТП 318. Тогда по (3.1) расчетный ток, протекающий по этому участку, имеет следующие значение:
А.
Из [16] выбираем провод марки СИП-3 сечением 35 мм2. В нормальном режиме на данном участке было выбрано сечение 50 мм2. Окончательно выбираем большее из получившихся значений, следовательно на участке № 14 остается сечение 50 мм2.
В таблице 3.2 указаны значения расчетных токов и выбранных сечений в нормальном и послеаварийном режимах. В таблице 3.3 указаны окончательно выбранные сечения проводов с параметрами.
Таблица 3.2 – Сечения проводов в нормальном и послеаварийном режимах
№ участка
Нормальный режим
Послеаварийный режим
Расчетный ток, А
Выбранное сечение, мм2
Расчетный ток, А
Выбранное сечение, мм2
1
2
3
4
5
1
15,89
35
15,89
35
4
3,83
35
76,3
50
3
6,27
35
75,07
50
2
18,98
35
62,47
50
5
29,49
35
50,58
35
6
2,64
35
2,64
35
7
8,22
35
8,22
35
8
9,26
35
9,26
35
9
16,99
35
16,99
35
10
1,82
35
1,82
35
11
17,19
35
17,19
35
12
25,69
35
25,69
35
13
22,55
35
22,55
35
14
77,13
50
4,22
35
15
78,58
50
–
–
16
27,08
35
27,08
35
17
27,08
35
27,08
35
18
106,88
70
–
–
19
26,62
35
91,99
70
20
62,54
50
55,96
35
21
79,801
50
27,08
35
22
4,22
35
4,22
35
23
13,08
35
13,08
35
24
6,48
35
6,48
35
25
3,97
35
3,97
35
26
20,61
35
20,61
35
27
43,601
35
43,601
35
28
65,0
50
65,0
50
29
65,78
50
65,78
50
30
84,49
50
–
110,53
–
70
33
36,05
35
65,78
72,1
50
50
32
36,05
35
110,53
–
70
–
35
–
–
111,57
70
36
–
–
78,64
50
37
–
–
190,19
95
Таблица 3.3 – Сечения проводов марки СИП-3 по участкам линии
№ линии
Номинальное сечение
жилы, мм2
Наружный диаметр, мм
Наружный диаметр
жилы, мм
Удельное
активное сопротивление, Ом/км
1
2
3
4
5
1
35
11,2
6,7
1,043
4
50
12,6
8,1
0,72
3
50
12,6
8,1
0,72
2
50
12,6
8,1
0,72
5
35
11,2
6,7
1,043
6
35
11,2
6,7
1,043
7
35
11,2
6,7
1,043
8
35
11,2
6,7
1,043
9
35
11,2
6,7
1,043
10
35
11,2
6,7
1,043
11
35
11,2
6,7
1,043
12
35
11,2
6,7
1,043
13
35
11,2
6,7
1,043
14
50
12,6
8,1
0,72
15
50
12,6
8,1
0,72
16
35
11,2
6,7
1,043
17
35
11,2
6,7
1,043
18
70
14,3
9,7
0,493
19
70
14,3
9,7
0,493
20
50
12,6
8,1
0,72
21
50
12,6
8,1
0,72
22
35
11,2
6,7
1,043
23
35
11,2
6,7
1,043
24
35
11,2
6,7
1,043
25
35
11,2
6,7
1,043
26
35
11,2
6,7
1,043
27
35
11,2
6,7
1,043
28
50
12,6
8,1
0,72
29
50
12,6
8,1
0,72
30
70
14,3
9,7
0,493
33
50
12,6
8,1
0,72
32
70
14,3
9,7
0,493
35
70
14,3
9,7
0,493
36
50
12,6
8,1
0,72
37
95
16,0
11,3
0,363
Пересчитаем реактивное сопротивление выбранных нами сечений в соответствии с формулой (3.2):
, (3.2)
где
– реактивное удельное сопротивление, Ом/км;
– расстояние между проводами равное 0,4 м;
– номинальный наружный диаметр жилы, мм.
Получаем следующие значения:
для сечения 35 мм
Ом/км;
для сечения 50 мм
Ом/км;
для сечения 70 мм
Ом/км;
для сечения 95 мм
Ом/км.
Проверка выбранных нами марок проводов на термическую стойкость производиться в пункте 4.2.2.
4 ПРОЕКТИРОВАНИЕ ПОДСТАНЦИИ
4.1 Возможные варианты схемы электрических соединений на ПС «Наумовка» 35/10 кВ
4.1.1 Возможные варианты схемы электрических соединений на стороне 10 кВ
На стороне 10 кВ используются следующие варианты схемы электрических соединений:
– с одной системой сборных шин (рисунок 4.1, а);
– с двумя системами сборных шин (рисунок 4.1, б).
а) б)
Рисунок 4.1 – Варианты схем электрических соединений на стороне 10 кВ
а) с одной системой сборных шин, б) с двумя системами сборных шин
Наиболее простой схемой электроустановок на стороне 10 кВ является схема с одной несекционированной системой сборных шин.
Источники питания и линии присоединяются к сборным шинам с помощью выключателей и разъединителей. При повреждении линии достаточно отключить только один выключатель. Операции с разъединителями необходимы только при выводе присоединения в целях обеспечения безопасного производства работ. Такая схема позволяет использовать комплектные распределительные устройству (КРУ), что снижает стоимость монтажа, позволяет широко применять механизацию и уменьшить время сооружения электроустановок.
Недостатки схемы:
– много коммутационной аппаратуры;
– при повреждении шины и шинных разъединителей, а также при их ремонте необходимо отключить источники питания, что приводит к перерыву электроснабжения всех потребителей;
– при КЗ на сборных шинах также вызывает отключение источников питания и потребителей.
Эти недостатки частично устраняются путем разделения сборных шин на секции, число которых соответствует числу источников питания. Секционирование может быть осуществлено с помощью только разъединителей и с помощью разъединителей и выключателя (рисунок 4.2). Схема с секционным выключателем сохраняет все достоинства схемы с одной системой шин, кроме того, авария на сборных шинах приводит к отключению только одного источника и половины потребителей.
В схеме с двумя системами сборных шин каждый элемент присоединяется через развилку из двух шинных разъединителей, что позволяет осуществлять работу как на одной, так и на другой системе шин (рисунок 4.1, б). Такая схема позволяет производить ремонт одной системы сборных шин, сохраняя в работе все присоединения. К недостаткам относятся: большое количество разъединителей, изоляторов, токоведущих материалов и выключателей, более сложную конструкцию распределительного устройства, что ведет к увеличению капитальных затрат на сооружения КРУ, использование разъединителей в качестве оперативных аппаратов, что увеличивает количество ошибочных операций производимых персоналом [5].
Рисунок 4.2 – Схема с секционным выключателями и с разъединителями
На стороне 10 кВ выбираем схему с двумя секциями сборных.
4.1.2 Возможные варианты схемы электрических соединений на стороне 35 кВ
На стороне 35 кВ используются следующие схемы электрических соединении:
– схема блок трансформатор–линия;
– схема мостиков;
– кольцевые схемы.
Схема блок трансформатор–линия является упрощенной схемой электрических соединений, которая используется при небольшом количестве присоединений (рисунок 4.3, а). Такие схемы позволяют уме6ньшить расход электрооборудования и строительных материалов, снизить стоимость распределительного устройства, ускорить его монтаж.
а) б)
в)
Рисунок 4.3 – Варианты схем электрических соединений на стороне 35 кВ
а) схема блок трансформатор-линия, б) схема кольцевая, в) схема мостиковая.
мощность напряжение трансформатор электрический схема
Мостиковая схема применяется при двух линиях и двух трансформаторах. По существу это схема двух блоков трансформатор–линия, соединенных между собой на высокой стороне перемычкой (мостиком) (рисунок 4.3, в). В перемычке устанавливается выключатель, в цепях трансформаторов предусматриваются отделители, а также ремонтная перемычка с разъединителями. Достоинством такой схемы является экономичность и простота. Конструкция позволяет осуществить переход от схемы мостика к другим схемам при расширении.
В кольцевых схемах выключатели соединяются между собой, образуя кольцо (рисунок 4.3, б). Каждый элемент – линия, трансформатор присоединяется между двумя соседними выключателями. Самой простой кольцевой схемой является схема треугольника. Присоединение каждого элемента через два выключателя увеличивает гибкость схемы и надежность работы, при этом число выключателей не превышает числа присоединений. В кольцевых схемах надежность работы выключателей выше, чем в других схемах, так как имеется возможность опробования любого выключателя в период нормальной работы. Конструктивное выполнение распределительных устройств по кольцевым схемам позволяет достаточно просто переходить от схемы треугольника к схеме четырехугольника, а затем к схеме блоков трансформатор шины или к схемам со сборными шинами [5].
На стороне 35 кВ выбираем мостиковую схему с выключателями в сторону трансформаторов.
4.2 Расчет токов КЗ
Расчет токов КЗ производится для выбора и проверки электрических аппаратов и проводников, проектирования и настройки релейной защиты и автоматики.
Для вычисления токов КЗ составим расчетную схему (рисунок 4.4, а) с указанными на ней мест нахождения токов КЗ (точки К1 и К2), а также исходными данными для их определения. По ней составляем схему замещения (рисунок 4.4, б).
Расчет будем вести в именованных единицах. Базисное напряжение
для каждой ступени берем на 5% больше, соответственно для стороны 35 кВ принимаем
кВ, а для стороны 10 кВ
кВ. Ток КЗ находим по формуле [18]:
; (4.1)
где
– ток короткого замыкания, кА;
– базисное напряжение, кВ;
– эквивалентное сопротивление участка от источника питания до точки КЗ, Ом.

а)

б)
Рисунок 12 – Схемы для расчета токов КЗ: а) расчетная схема сети; б) схема замещения.
Для выбора аппаратуры также нужно знать ударный ток КЗ который определяется по формуле [18]:
, (4.2)
где
– ударный коэффициент.
Ударный коэффициент может быть определен следующим образом [18]:
, (4.3)
где Та – постоянная времени затухания апериодического тока, с.
Постоянную времени затухания апериодического тока находим по формуле:
, (4.4)
где
,
– эквивалентные реактивные и активные сопротивления до точки КЗ, Ом.
В качестве примера приведем расчет тока КЗ в точке К1, для этого найдем сопротивления всех элементов находящихся до этой точки.
Параметры проводов сечением АС-70 берем из таблицы 1.3. Находим активное и реактивное сопротивления линии по формулам (1.11-1.12).
Ом,
Ом,
Ом,
Ом.
Находим эквивалентное активное и реактивное сопротивления на участке до точки К1. Так как линии включены параллельно, тогда:
Ом,
Ом.
Тогда полное эквивалентное сопротивление имеет следующее значение:
Ом.
Следовательно, ток КЗ равняется:
кА.
Найдем постоянную времени затухания апериодического тока, ударный коэффициент и ударный ток по формулам (4.2-4.4):
,
,
кА.
Ток КЗ в точке К2 рассчитывается аналогично. Для нее получаем следующие значения:
кА,
,
,
кА.
4.3 Проверка выбранных сечений проводов на термическую стойкость
Проверка сечений выбранных проводов проводится в соответствии с соотношением:
, (4.5)
где
– тепловой импульс тока КЗ, А2∙с;
– ток термической стойкости из справочника, кА.
– допустимое время действия тока термической стойкости, с.
Тепловой импульс тока КЗ определяется по формуле:
, (4.6)
где
– ток КЗ протекающий по линии, кА;
–время отключения головного выключателя релейной защиты, с.
Принимаем время отключения
с.
Ток термической стойкости и допустимое время его действия для разных сечений СИП-3 указаны в таблице 4.1.
Рассчитаем токи КЗ на всех участков линий аналогично пункту 4.2. Для участка 1 ток КЗ равен:
кА.
Следовательно:
кА2∙с.
Получаем что 1,88 кА2∙с < 10,24 кА2∙с. Условие выполняется.
Полученные значения токов КЗ, допустимого времени действия тока КЗ, тепловой импульс тока КЗ по участкам заносим в таблицу 4.2.
Таблица 4.1 – Токи термической стойкости и допустимое время его действия
Сечение провода, мм2
Ток термической стойкости, кА
Время действия тока термической стойкости, с
Тепловой импульс тока термической стойкости,
кА2∙с
35
3,2
1
10,24
50
4,3
1
18,49
70
6,4
1
40,96
95
8,6
1
73,96
Таблица 4.2 – Токи КЗ по участкам линии
№ линии
, кА
, кА2∙с
, кА2∙с
1
2
3
4
1
1,69
1,71
10,24
4
1,43
1,23
18,49
3
1,55
1,44
18,49
2
1,77
1,88
18,49
5
2,09
2,62
10,24
6
0,86
0,44
10,24
7
0,87
0,45
10,24
8
1,25
0,94
10,24
9
1,61
1,66
10,24
10
1,81
1,97
10,84
11
2,09
2,62
10,24
12
2,45
3,6
10,24
13
2,71
4,41
18,49
14
3,14
5,92
18,49
15
4,95
14,7
18,49
16
2,57
3,96
10,24
17
2,98
5,33
10,24
18
4,75
13,54
40,96
19
1,702
1,74
40,96
20
1,75
1,84
18,49
21
2,07
2,57
18,49
22
1,11
0,74
10,24
23
1,11
0,74
10,24
24
1,15
0,79
10,24
25
1,13
0,77
10,24
26
1,28
0,98
10,24
27
2,85
4,87
10,24
28
3,13
5,88
18,49
29
3,56
7,60
18,49
30
4,36
11,41
40,96
33
3,56
7,6
18,49
32
3,74
8,39
40,96
4.4 Выбор коммутационной аппаратуры (КА) на ПС «Наумовка» 35/10 Кв
4.4.1 Выбор коммутационной аппаратуры на стороне 35 кВ ПС «Наумовка»
На стороне 35 кВ выбираем комплектную трансформаторную подстанцию (КТП) блочную марки КТПБР–М–35/10–5АН–2х4000–Б–I–95–У1 Ровенского завода высоковольтной аппаратуры. Такая подстанция предназначена для электроснабжения промышленных, сельскохозяйственных и коммунальных потребителей. Схема электрических соединений и план-разрез комплектной ПС 35/10 кВ находятся в приложениях.
Коммутационная аппаратура на стороне 35 кВ выбирается по следующим условиям [18]:
по номинальному напряжению:
, (4.7)
где
– номинальные напряжения электрической установки и где предполагается установка КА, кВ;
– номинальное напряжение КА, кВ;
2) по рабочему току:
, (4.8)
где
– номинальный ток КА, А;
– максимальный рабочий ток, который может протекать через КА, А;
3) по конструктивному исполнению;
4) по динамической устойчивости:
, (4.9)
где
– ток динамической устойчивости КА, кА;
– расчетный ударный ток при трехфазном КЗ, кА.
5) по термической устойчивости:
, (4.10)
где
– тепловой импульс тока КЗ, (формула 4.6);
– ток термической стойкости из справочника, кА;
– допустимое время действия тока термической стойкости, с.
Выбираем разъединитель РДЗ-35/1000УХЛ1 [20]. Проверяем его по условиям 4.7–4.10.
1) по номинальному напряжению:
кВ,
кВ, следовательно
.
Условие выполняется.
2) по рабочему току:
А,
А, следовательно
.
Условие выполняется.
3) по конструктивному исполнению разъединитель наружной установки;
4) по динамической устойчивости:
кА,
кА,
.
Условие выполняется.
5) по термической устойчивости:
кА2∙с,
кА2∙с.
Получаем что
. Следовательно условие выполняется.
Выбираем выключатель вакуумный наружной установки ВБЗП-35-20/1000У1 [21]. Выключатели проверяются аналогично разъединителям и дополнительно выбираются по следующему условию:
– коммутационной способности на семеричный ток:
, (4.11)
где
– действующее значение периодической составляющей тока КЗ в момент времени
после начала расхождения дугогасильных контактов выключателя;
– номинальный ток при КЗ, который способен выключить выключатель.
Выбор выключателя сведен в таблицу 4.3. Как видно из этой таблицы выключатель подходит по всем условиям.
Выбираем предохранитель марки ПВТ104-35-100-3,2У1. Предохранители выбираются по следующим условиям:
1) по номинальному напряжению:
.
Для выбранного предохранителя
кВ, для установки
кВ.
Условие выполняется.
2) по рабочему току:
.
В нашем случае
А,
А.
3) по роду установки:
предохранитель ПВТ104-35-100-3,2У1 наружной установки.
Условие выполняется.
Таблица 4.3 – Выбор выключателя на высокой стороне
-
Расчетные параметры
Каталожные параметры
1
2
3
4
Наименование
Числовое значение
Наименование
Числовое значение
Номинальное напряжение,
кВ35
Номинальное напряжение,
кВ35
Максимальный рабочий ток,
А63,94
Номинальный ток,
А1000
Ударный ток КЗ,
кА19,009
Ток динамической стойкости,
кА52
Тепловой импульс тока КЗ,
А2∙с96,774
Тепловой импульс тока термической стойкости,
А2∙с1200
Периодическая составляющая тока КЗ,
кА12,7
Номинальный ток отключения,
кА20
Произведем выбор шины на стороне 35 кВ. Согласно [15] сборные шины не выбираются по экономической плотности тока. Поэтому выбор будем производить по минимально допустимому сечению, по номинальному току и по условию динамической стойкости. Согласно рекомендациям [12] сборные шины на стороне высокого напряжения ПС 35/10 кВ выполняют гибкими, и тем же проводом, что и питающую линию.
Питающая линия выполнена проводом марки АС-70 и рабочий ток
в ней равен 63,94 А. Таким образом принимаем, что шины ОРУ 35 кВ будут изготовлены из провода марки АС-70.
Проверяем выбранную нами шину по следующим условиям:
1) по длительно допустимому току:
, (4.12)
А,
А. Условие выполняется.
2) на термическую стойкость:
, (4.13)
мм2,
мм2. Условие выполняется.
3) на динамическую стойкость:
, (4.14)
МПа
МПа, следовательно условие выполняется.
Выбираем маслонаполненные трансформаторы тока марки ТОЛ-35III-УХЛ1 и напряжения марки ЗНОЛЭ-35-У1 [22]. Проверка выбранных трансформаторов тока и напряжения сведены в таблицы 4.4-4.5.
На стороне 35 кВ также нужно поставить ограничитель перенапряжений (ОПН), который будем выбирать в соответствии с [25]:
1) Для 35 кВ выбираем ОПН серии ОПН-ВР/TEL.
2) Так как возможна не симметрия нагрузки принимаем 
.
3) Для этого ограничителя по таблице из [25] находим допустимое рабочее напряжение равное
кВ.
4) Выбираем ОПН марки ОПН-ВР/TEL-35/40,5-УЧЛ1, предназначенный для внешней установки.
5) При номинальном разрядном токе равном
кА остаточное напряжение для него составляет
кВ.
6) Соответствующий вентильный разрядник III группы обеспечивает остаточное напряжение
кВ.
Выбранный ОПН по всем параметрам подходит.
Таблица 4.4 – Проверка трансформатора тока
Условие выбора
Параметры сети
Параметры трансформатора тока
Выполнение условия
Наименование
Числовое значение
Наименование
Числовое значение

Номинальное напряжение,
кВ
35
Номинальное напряжение,
кВ
35
Да

Максимальный рабочий ток,
А
63,94
Номинальный первичный ток
А
150
Да

Ударный ток,
кА
19,009
Ток электодинамической стойкости,
, кА
141
Да

Тепловой импульс тока КЗ,
А2∙с
96,774
Тепловой импульс тока термической стойкости,
А2∙с
300
Да

Номинальная нагрузка сети,
Ом
1,17
Номинальная нагрузка вторичной обмотки трансформатора,
Ом
1,2
Да
Таблица 4.5 – Проверка трансформатора напряжения
Условие выбора
Параметры сети
Параметры трансформатора тока
Выполнение условия
Наименование
Числовое значение
Наименование
Числовое значение

Номинальное напряжение,
кВ
35
Номинальное напряжение,
кВ
35
Да

Номинальная мощность сети,
В∙А
17
Номинальная мощность в классе точности,
В∙А
600
Да
4.4.2 Выбор коммутационной аппаратуры на стороне 10 кВ ТП «Наумовка»
На стороне 10 кВ условия выбора КА такие же, как для КА на высокой стороне ПС. Дополнительно на низкой стороне выбираем комплектные распределительные устройства (КРУ) [23] и трансформатор собственных нужд (ТСН) [24].
Выбираем комплектное распределительное устройство марки КРУ/TEL-10-16/400-1-У2. В состав КРУ включаем выключатель марки ВВ/TEL-10-12,5/630, ТСН маркой ТВП/10/0,1/0,22-225/2250, разъединитель марки РВЗ-10/630-1-УХЛ4, трансформатор тока ТОЛ-10-1У2, трансформатор напряжения марки ЗНОЛ.06-10У3, ограничитель перенапряжения марки ОПН-КР/TEL-10/11,5-УХЛ1.Параметры выбранной аппаратуры приведены в таблицах 4.6–4.10. Из таблиц видно, что по всем проверкам выбранная аппаратура подходит.
Таблица 4.6 – Параметры КРУ/ТЕL-10-16/400-1-У2
Наименование параметра
Числовое значение
Номинальное напряжение, кВ
10
Номинальный ток главных цепей, А
400
Ток термической стойкости протекающий в течении 3 с, кА
16
Номинальный ток электродинамической стойкости, кА
41,0
Таблица 4.7 – Параметры разъединителя марки РВЗ-10/630-1-УХЛ4
Наименование параметра
Числовое значение
Номинальное напряжение, кВ
10
Номинальный ток, А
630
Ток термической стойкости протекающий в течении 3 с, кА
20
Номинальный ток электродинамической стойкости, кА
51,0
Таблица 4.8 – Параметры выключателя ВВ/TEL-10-12,5/630
Расчетные параметры
Каталожные параметры
1
2
3
4
Наименование
Числовое значение
Наименование
Числовое значение
Номинальное напряжение,
кВ
10
Номинальное напряжение,
кВ
10
Максимальный рабочий ток,
А
106,9
Номинальный ток,
А
630
Ударный ток КЗ,
кА
17,296
Ток динамической стойкости,
кА
32
Тепловой импульс тока КЗ,
А2∙с
362,91
Тепловой импульс тока термической стойкости,
А2∙с
468,75
Периодическая составляющая тока КЗ,
кА
6,119
Номинальный ток отключения,
кА
12,5
ТСН имеет следующие параметры:
– номинальное напряжение: 10 кВ;
– номинальные вторичные линейные напряжения соответствующих обмоток: 100/220 В;
– класс точности по напряжению 100 В: 0,5;
– мощность стовольтовой обмотки в классе точности 0,5: 225 В∙А;
– мощность максимальной обмотки напряжением 220 В: 2250 В∙А.
Таблица 4.9 – Параметры трансформатора тока ТОЛ-10-1У2
-
Наименование параметра
Числовое значение
1
2
Номинальное напряжение, кВ
10
Номинальный ток, А
150
Ток термической стойкости протекающий в течении 1 с, кА
12,5
Номинальный ток электродинамической стойкости, кА
31,8
Номинальная нагрузка вторичной обмотки трансформатора, Ом
4
Таблица 4.10 – Параметры трансформатор напряжения марки ЗНОЛ.06-10У3
-
Наименование параметра
Числовое значение
Номинальное напряжение, кВ
10
Номинальная мощность в классе точности, В∙А
300
Таблица 4.11 – Параметры ограничителя перенапряжения марки ОПН-КР/TEL-10/11,5-УХЛ1
Наименование параметра
Числовое значение
1
2
Класс напряжения, кВ
10
Длительно допустимое рабочее напряжение, кВ
11,5
Номинальный разрядный ток, кА
10
Остаточное напряжение, кВ
35,8
Группа вентильного разрядника
IV
Остаточное напряжение разрядника, кВ
45
5 НАДЕЖНОСТЬ
5.1 Расчет параметров надежности до реконструкции
Преобразуем нашу схему для расчета основных параметров надежности. Исходя из того, что сеть не резервируемая и отказ любого элемента приводит к отказу всей сети на время ремонта или оперативных переключений, то схема соединений элементов по надежности будет последовательной (рисунок 5.1).
Рисунок 5.1 – Схема замещения для расчета параметров надежности до реконструкции
Основными параметрами надежности являются [26]:
– погонная частота отказов
.
Для проводов маркой А и АС
год-1/км.
– частота отказа:
год-1, (5.1)
где
– длина участка, км.
– вероятность отказа:
, (5.2)
где
– промежуток времени, за который рассчитывается вероятность отказа, в нашем случае
год.
– недоотпуск электроэнергии:
кВт∙ч/год, (5.3)
где
– среднее время восстановления электроснабжения, ч.
Для проводов маркой А и АС время ремонта участка линии
ч. Время переключений
ч зависит от категории потребителей находящихся на этом участке, есть ли резерв и чем этот резерв обеспечивается. В нашем случае для потребителей первой категории резерв обеспечивается при помощи выключателя, а для потребителей второй категории разъединителем, следовательно:
ч,
ч.
Рассмотрим расчет параметров надежности на примере участка № 10. На этом участке протекает мощность от ТП 418 равная 67,2 кВт. К этому участку подключены потребители только III категории, следовательно, время восстановления электроснабжения для этих потребителей равняется времени ремонта
часов. Параметры надежности для этого участка имеют следующие значения:
год-1,
,


кВт∙ч/год.
Аналогично рассчитываем параметры надежности для остальных участков сети. Полученные значения заносим в таблицу 5.1.
Таблица 5.1 – Параметры надежности до реконструкции
№ участка
Частота отказа, год-1
Вероятность отказа
Недоотпуск электроэнергии, кВт∙ч/год
1
2
3
4
1
0,2
0,181
1673,58
2
0,125
0,118
1045,99
3
0,1
0,095
836,79
4
0,1
0,095
836,79
5
0,05
0,049
418,39
6
0,6
0,451
5020,73
7
0,075
0,0722
627,59
8
0,125
0,118
1045,99
9
0,1
0,095
836,79
10
0,1
0,095
836,79
11
0,2
0,181
1673,58
12
0,175
0,161
1079,11
13
0,05
0,488
308,32
Суммарное значение по линии
2
1,759
15612,84
14
0,125
0,118
234,54
15
0,175
0,161
328,36
16
0,075
0,0723
140,73
Суммарное значение по линии
0,375
0,35
703,63
17
0,125
0,118
778,36
18
0,125
0,118
778,36
19
0,1
0,095
622,69
20
0,125
0,118
778,36
21
0,1
0,095
622,69
22
0,1
0,095
622,69
23
0,1
0,095
622,69
24
0,25
0,221
1556,71
25
0,725
0,516
4514,47
26
0,025
0,247
155,67
27
0,225
0,201
1401,04
28
0,15
0,139
934,03
29
0,05
0,488
311,34
30
0,175
0,161
1089,69
31
0,1
0,095
622,69
Суммарное значение по линии
2,475
2,139
15411,45
Общее суммарное значение
4,85
4,248
31727,93
5.2 Расчет параметров надежности после реконструкции
На рисунке 5.2 изображена схема замещения для расчетов параметров надежности после реконструкции. Параметры надежности рассчитываются аналогично пункту 5.1. Для изолированных проводов маркой СИП-3 время ремонта участка линии
ч. Время переключения остается таким же. Погонная частота отказов принимается равной
год-1/км. Полученные значения параметров сведены в таблицу 5.2.
Рисунок 5.2 – Схема замещения для расчета параметров надежности после реконструкции.
Таблица 5.2 – Параметры надежности после реконструкции
№ участка
Частота отказа, год-1
Вероятность отказа
Недоотпуск электроэнергии, кВт∙ч/год
1
2
3
4
1
0,0125
0,0124
11,47
2
0,0125
0,124
11,47
3
0,0125
0,0124
11,47
4
0,0094
0,0093
8,602
5
0,0063
0,0062
5,73
6
0,075
0,0723
68,82
7
0,016
0,0155
14,34
8
0,0094
0,0093
8,602
9
0,0125
0,0124
11,47
10
0,125
0,0124
11,47
Суммарное значение по линии
0,291
0,175
163,44
11
0,034
0,034
0
12
0,0156
0,0155
15,49
13
0,0219
0,0216
21,69
14
0,0094
0,0093
9,296
15
0,066
0,064
65,07
16
0,022
0,022
40,53
17
0,0063
0,0062
11,58
Суммарное значение по линии
0,141
0,138
163,66
18
0,0219
0,0216
39,47
19
0,0156
0,0155
28,19
20
0,028
0,0277
50,74
21
0,0188
0,0186
33,828
22
0,00625
0,00623
5,64
23
0,0219
0,0216
39,47
24
0,0125
0,0124
22,55
25
0,0125
0,0124
22,55
26
0,0156
0,0155
28,19
27
0,0125
0,0124
22,55
28
0,0125
0,0124
22,55
29
0,0125
0,0124
22,55
30
0,0312
0,0308
56,38
31
0,091
0,087
163,5
32
0,0031
0,0031
5,64
Суммарное значение по линии
0,316
0,309
563,803
Общее суммарное значение
0,748
0,622
879,43
Из таблиц 5.1-5.2 видно, что до реконструкции общий недоотпуск электроэнергии составлял 31727,93 кВт∙ч/год. После реконструкции общий недоотпуск электроэнергии будет составлять 879,43 кВт∙ч/год. При этом частота отказов сократилась в 6,5 раз, а вероятность отказа в 6,8 раза.
6 ЭКОНОМИЧЕСКОЕ ОБОСНОВАНИЕ ЦЕЛЕСООБРАЗНОСТИ РЕКОНСТРУКЦИИ СЕТИ
При проектировании и реконструкции систем электроснабжения, а также в процессе ее функционирования приходится принимать обоснованные и экономически целесообразные решения. С точки зрения оценки экономической эффективности решений их разделяют:
– решения, влияющие на эффективность инвестиций в развитие систем электроснабжения;
– решения, оказывающие влияние на себестоимость передачи и распределения электроэнергии;
– решения, связанные с эффективностью применения новых средств и способов улучшения параметров электроэнергии и экономичности функционирования электрических сетей. [16]
В данном дипломном проекте проводилась реконструкция системы электроснабжения населенного пункта с заменой устаревшего оборудования на более новое, которое позволяет улучшить качество и надежность электроснабжения, а также повысить экономичность сети. Так, например установка изолированных проводов позволяет сократить эксплуатационные расходы до 80%. Также изолированные провода позволяют сократить ущерб от недоотпуска электроэнергии, уменьшить потери электрической энергии и затраты связанные с этим
Рассмотрим затраты от недоотпуска электроэнергии для двух вариантов до реконструкции и после и экономический эффект от проведенной реконструкции.
В пунктах 5.1 и 5.2 были рассчитаны недоотпуски электроэнергии за год для этих двух вариантов. Получили следующие значения:
– до реконструкции
кВт∙ч/год;
– после реконструкции
кВт∙ч/год.
Также были рассчитаны потери электроэнергии для обоих вариантов:
– до реконструкции
тыс. кВт∙ч/год;
– после реконструкции
тыс. кВт∙ч/год.
Определим затраты при недоотпуске и при потерях электроэнергии для двух вариантов по формуле:
, грн/год; (6.1)
где
– недоотпуск или потери электроэнергии за год до и после реконструкции, кВт∙ч/год;
– стоимость 1 кВт∙ч электроэнергии, грн.
Для потребителей сельской местности стоимость 1 кВт∙ч электроэнергии составляет
грн [27].
В соответствии с [28] при недоотпуске электроэнергии энергоснабжающая организация несет ответственность перед потребителем электроэнергии в размере пятикратной стоимости недоотпущенной электроэнергии. Тогда затраты от недоотпуска электроэнергии для первого варианта будут иметь следующее значение:
грн/год.
Затраты для второго варианта от недоотпуска электроэнергии:
грн/год.
Экономический эффект от недоотпуска составит:
грн/год. (6.2)
Определим экономический эффект от потерь электроэнергии:
грн/год. (6.3)
В данном дипломном проекте рассматривается вариант реконструкции систем электроснабжения, при котором строится новая ПС 35/10 кВ и заменяются старые провода марками АС и А на новые изолированные провода марки СИП-3. Капитальные вложения для постройки новой подстанции составляют
тыс.грн. Для замены старых проводов на новые требуются капвложения в размере
тыс.грн. Суммарные капитальные вложения для второго варианта составляют:
тыс. грн.
Для первого варианта капитальные вложения составляют
тыс. грн. так как мы заменяем старые провода и строим полностью новую ПС 35/10 кВ.
При реконструкции остается 19,9 км старых проводов общей массой 577 кг которые можно продать на металлолом по цене 6 грн. за 1 кг алюминия. Тогда выручка от продажи проводов составит:

тыс. грн, (6.4)
где
– суммарная длина провода одного сечения, км;
– масса провода одного сечения, кг.
Определим срок окупаемости вновь построенной ПС в соответствии с формулой:
, (6.5)
Следовательно наш проект окупится за:
год.
Как видно из расчетов после реконструкции системы электроснабжения нашего населенного пункта экономический эффект по недоотпуску электроэнергии составит
тыс. гривен в год, а от потерь электроэнергии экономический
тыс. грн. в год. При этом в 36 раз уменьшится недоотпуск электроэнергии, а потери электроэнергии в 1,6 раза, что в свою очередь хорошо отразится на промышленных потребителях электроэнергии данного района.
7 РЕЛЕЙНАЯ ЗАЩИТА И АВТОМАТИКА
7.1 Общие положения о релейной защите и автоматики
Перегрузки, значительные падения напряжения, короткие замыкания и другие нарушения нормального режима могут привести к повреждению и даже к разрушению аппаратуры и токопроводящих электрических установок.
Защиту электроустановок от аварий или ненормальных режимов может производить релейная защита (РЗ), которая состоит из одного или нескольких согласованных реле, которые обеспечивают автоматическое отделение участка с аварией или ненормальным режимом и подают команду на отключение ее или сигнал обслуживающему персоналу.
При КЗ релейная защита всегда действует на отключение поврежденной линии. Если при нарушении нормального режима потребности в немедленном отключении какого-то участка нет (например, при замыкании на землю в сетях с изолированной нейтраллю), то РЗ может работать на сигнал. [29]
В данном дипломном проекте рассчитывается участок сети в сельскохозяйственном районе.
В сельской местности электроснабжение осуществляется, как правило, по ВЛ напряжением 10 и, реже, 6 кВ, которые подключаются к подстанциям с высшим напряжением 35 или 110 кВ, а иногда и более высокого класса напряжения.
Большинство линий 10 кВ в сельской местности питает по несколько трансформаторных подстанций 10/0,4 кВ самой различной мощности (от 25 до 630 кВА). Эти трансформаторные подстанции подключаются к ответвлениям от линий через плавкие предохранители, главным образом кварцевые типа ПКТ. На трансформаторных подстанциях крупных сельскохозяйственных предприятий (птицефабрики, животноводческие комплексы, хранилища и т. п.) могут устанавливаться трансформаторы мощностью 630 и 1000 кВА с масляными выключателями 10 кВ и релейной защитой.
Защита линий 10 кВ сельскохозяйственных районов выполняется в соответствии с «Правилами устройства электроустановок» от многофазных к. з. и от однофазных замыканий на землю.
Линии 10 кВ в сельской местности обычно выполняются одиночными и имеют одностороннее питание. Для защиты таких линий от многофазных к. з. должна устанавливаться двухступенчатая токовая защита, первая ступень которой выполнена в виде токовой отсечки, а вторая — в виде максимальной токовой защиты с зависимой или с независимой характеристикой выдержки времени. В большинстве случаев применяются защиты с зависимой характеристикой выдержки времени, поскольку на подстанциях с переменным оперативным током их выполнение проще и дешевле, чем защит с независимой характеристикой. Особенно просты и дешевы защиты с реле прямого действия, встроенными в привод выключателя 10 кВ, например типа РТВ. Зависимая характеристика выдержки времени позволяет выбирать, как правило, меньший ток срабатывания защиты по условию согласования (селективности) с плавкими предохранителями питаемых трансформаторов.
Максимальной токовой защитой (МТЗ) высоковольтных линий называют такую защиту, которая приходит в действие при возрастании тока до определенного значения в защищаемой линии в случае КЗ или перегрузки; при этом время срабатывания МТЗ одно и то же независимо от величины тока ненормального режима. Это время определяется уставкой реле времени. МТЗ, выполняемая с помощью токовых и вспомогательных реле, нашла наибольшее распространение для защиты высоковольтных линий как в качестве основной, так и дополнительной. Эта защита является одной из наиболее простых, дешевых и надежных в работе. Ее применяют для сетей с большим током замыкания на землю в трехфазном, а для сетей с малым током замыкания - в двухфазном исполнении.
РЗ должна отвечать следующим требованиям [29]:
1) избирательность действия (селективность), тоесть отключение только поврежденного участка сети выключателем, расположенного ближе всего к месту повреждения;
2) необходимая скорость действия, которая обеспечивает бесперебойность электроснабжения неповрежденных участков, уменьшая опасность аварийных токов для оборудования и улучшает условия устойчивой параллельной работы генераторов;
3) высокая чувствительность защиты, которая обеспечивает реакцию реле в начале выключения аварийного или ненормального режима, когда действие тока КЗ еще не привела к повреждению электрической аппаратуры и токопроводов;
4) высокая надежность работы защиты, которая практически исключает ошибочность действия РЗ или отказов в работе.
7.2 Расчет релейной защиты
Выберем аппаратуру для защиты линий и трансформаторов. По мощности трансформаторов из [30] выбираем номинальный ток плавкой вставки, затем из [4] выбираем марки предохранителей. Выбранные марки предохранителей в соответствии с трансформаторами заносим в таблицу 7.1.
Таблица 7.1 – Выбранные марки предохранителей
Марка трансформатора
Марка предохранителей
Номинальный ток, А
ТМ-25/10У1
ПКТ101-10-5-31,5УЗ
5
ТМ-40/10У1
ПКТ101-10-8-31,5УЗ
8
ТМ-63/10У1
ПКТ101-10-10-31,5УЗ
10
ТМ-100/10У1
ПКТ101-10-16-31,5УЗ
16
ТМ-160/10У1
ПКТ101-10-20-31,5УЗ
20
ТМ-250/10У1
ПКТ102-10-40-31,5УЗ
40
ТМ-400/10У1
ПКТ102-10-50-31,5УЗ
50
Для защиты линий 10 кВ устанавливаем МТЗ, выполненную по двухрелейной схеме с реле прямого действия типа УЗА-АТ.
Рассчитаем ток срабатывания МТЗ линии по выражению:
А, (7.1)
где
– коэффициент надежности, обеспечивающий надёжное несрабатывание защиты путём учёта погрешности реле с необходимым запасом, для реле типа УЗА-АТ принимаем
;
– коэффициент самозапуска, зависящий от характера нагрузки, схемы и параметров питающей сети, принимаем равным 1,25;
– коэффициент возврата реле, для УЗА-АТ принимаем равным 0,8;
– максимальный рабочий ток на линии, А.
Максимальный рабочий ток рассчитывается по формуле:
А. (7.2)
Расчета рассмотрим на примере трансформатора №1 ТП-15 и отходящего от него участка №1 линии 9-8-5. Коэффициенты чувствительности основной и резервной зоны для защит трансформаторов и участков линии 9-8-5.
Для защиты этого трансформатора максимальный рабочий ток имеет следующее значение:
А.
Ток срабатывания МТЗ:
А.
По току срабатывания защиты выбираем трансформатор тока марки ТОЛ101 с номинальным током срабатывания
А и коэффициентом трансформации
.
Вычислим ток срабатывания реле УЗА-АТ с учетом коэффициента трансформации по выражению:
А, (7.3)
где
– коэффициент схемы, равный 1 так как наши трансформаторы тока со
единены по схеме полная звезда.
Тогда ток срабатывания реле:
А.
Выбираем уставку реле равную 4,163 А, согласно [30].
Проверим чувствительность защиты. Коэффициент чувствительности при КЗ в основной и резервной зонах действия защиты в соответствии с формулой:
(7.4)
Для первого участка линии основной защитой является МТЗ на ПС и она является резервной для предохранителя на ТП-15. Тогда коэффициенты чувствительности имеют следующие значения:
– основной защиты:
;
– резервной зоне:
.
Из [15] известно что для основной зоны
должен быть больше или равно 1,5, а для резервной зоны
больше либо равно 1,2. В нашем случае
и
, следовательно чувствительность для обоих зон удовлетворяется.
Для всех остальных линий коэффициенты чувствительности рассчитываются аналогично. Полученные значения сводятся в таблицу 7.2.
Таблица 7.2 – Коэффициенты чувствительности
Точки КЗ


1
2
3
К1
10,59
3,1
К2
3,1
1,7
К3
2,06
1,6
К4
10,56
2,06
К5
2,2
1,8
К6
10,56
2,2
К7
10,56
3,06
К8
3,06
1,4
К9
10,56
4,68
К10
4,68
1,55
К11
10,56
5,69
К12
5,69
1,3
Время срабатывания и характеристика реле УЗА–АТ выбираем по условиям согласования по току и времени с параметрами защитных характеристик устройств предыдущих элементов. Предыдущим расчетным элементом является трансформатор — 250 кВА. Его защита осуществляется плавкими предохранителями.
Для защиты силовых трансформаторов 250 кВА выбираем, согласно [15] предохранители с номинальным напряжением 10 кВ, номинальным током
А и номинальным током отключения
кА. Условное обозначение выбранного предохранителя имеет вид: ПКТ102–10–40–31,5У3.
На карте селективности (приложение ) в осях ток — время строится типовая защитная времятоковая характеристика плавления этого предохранителя, представляющая зависимость преддугового времени или времени плавления плавкого элемента от начала КЗ до момента возникновения дуги (tПЛ) от действующего значения периодической составляющей ожидаемого тока КЗ.
Подбирается характеристика максимальной защиты линии (реле УЗА–АТ) исходя из следующих условий:
а) ток срабатывания защиты должен быть не менее чем на 10 % больше тока плавления вставки предохранителя, соответствующего времени действия защиты в начальной части характеристики;
б) ступень селективности 0,5—0,7 с между характеристиками защиты и предохранителя желательно обеспечивать при всех возможных значениях тока короткого замыкания [32];
в) ступень селективности между защитой питающего трансформатора и защитой КЛ 10 кВ должна быть примерно 0,7 с при максимальном токе КЗ в начале линии;
8 ОРАНА ТРУДА
8.1 Задачи в области охраны труда
Обеспечение здоровых и безопасных условий труда является одной из главных предпосылок производительности труда.
В ходе развития промышленности в нашей стране создаются все условия для ликвидации производственного травматизма и заболеваемости.
Для дальнейшего улучшения условий труда и устранения имеющихся недостатков в области охраны труда и техники безопасности на действующих предприятиях собственником выделяются большие средства на оздоровление условий труда, приобретение спецодежды и технических средств, на повышение технических знаний и производственной квалификации рабочих.
Охрана труда – это система законодательных актов и соответствующих им социально-экономических, организационных, технических, санитарно-гигиенических и лечебно-профилактических мероприятий и средств, обеспечивающих безопасность, сохранение здоровья и работоспособности человека в процессе труда [33].
Организационно-технические мероприятия и средства предназначены для исключения влияния на работников опасных производственных факторов, исключения или уменьшения до допустимых нормативных значений влияния на работников вредных производственных факторов.
Охрана труда включает в себя решение следующих основных задач:
обучение работающих безопасности труда и пропаганду вопросов охраны труда;
обеспечение безопасности зданий и сооружений;
обеспечение безопасности производственного оборудования;
обеспечение безопасности производственных процессов;
обеспечение работающих средствами индивидуальной защиты;
нормализация санитарно-гигиенических условий;
создание оптимальных условий труда и отдыха работающих;
санитарно-бытовое обслуживание работающих.
На Украине создана необходимая база для широкого внедрения электрической энергии в отрасли промышленности. Благодаря этому промышленность и сельское хозяйство являются высокомеханизированными и электрифицированными. Насыщенность предприятий электрооборудованием приводит к возникновению электротравматизма. Из общего количества несчастных случаев на производстве электротравмы составляют от 0,5 до 1 %, а среди случаев со смертельным исходом от 20 до 40 %. При этом от 60 до 80 % смертельных случаев поражения электрическим током приходится на электроустановки напряжением до 1000 В. Около трети несчастных случаев происходит вследствие нарушений правил техники безопасности. Свыше две трети потерпевших – работники не электротехнических профессий [34].
Чтобы исправить существующее положение, в соответствии с Законом Украины “Об охране труда’’, Кабинет Министров Украины утвердил Национальную программу улучшения состояния безопасности, гигиены труда и производственной среды. Главной ее целью есть создание государственной системы управления охраной труда, которая содействовала бы решению вопросов правового, организационного, материально-технического обеспечения охраны труда.
Основные принципы законодательства по охране труда основаны на положениях, закрепленных Конституцией Украины. Кроме Конституции в нашей стране действуют законы и другие государственные акты Украины, постановления Кабинета Министров, центральных комитетов профсоюзов, отраслевые правила и инструкции, приказы министерств и ведомств и другие нормативные акты по охране труда.
Важное значение для правовой основы понятия охраны труда имеет “Кодекс Законов о труде’’ и Закон “Об охране труда’’. В соответствии с ними администрация предприятий, учреждений, организаций любой формы собственности обязаны предпринять ряд обязательных мероприятий относительно улучшения и оздоровление условий труда работников и служащих, устранения опасных и вредных факторов путем внедрения механизации и автоматизации производственных процессов, понижения запыленности, загазованности воздуха, интенсивности шума, вибрации, вредных излучений.
Одной из важных гарантий обеспечения охраны труда на производстве есть надзор и контроль за соблюдением законодательства о труде.
8.2 Противопожарные мероприятия
Пожарная безопасность энергетических предприятий обеспечивается путем проведения организационных, техничных и других мероприятий, направленных на предупреждение пожаров, уменьшения негативных последствий, создания условий для быстрого вызова пожарных подразделений и успешного гашения пожаров [35].
Энергопредприятия должны быть оборудованы системами противопожарного водоснабжения, установками обнаружения и тушения пожара в соответствии с требованиями нормативно-технических документов [36].
На каждом энергопредприятии должен быть установлен противопожарный режим и выполнены противопожарные мероприятия исходя из особенностей производства, а также совместно работниками пожарной охраны и энергопредприятия разработан оперативный план тушения пожара.
Работники энергопредприятия должны проходить противопожарный инструктаж, учувствовать в противопожарных тренировках, проходить периодическую проверку знаний “Правил пожарной безопасности”.
Территория ПС должна содержаться в чистоте, очищаться от горючих отходов. Вся территория ПС должна иметь ограждение и должна быть освещена в соответствии с нормами. Подъездные дороги должны содержаться в исправном состоянии. Запрещается применять открытый огонь на территории ПС. Для предотвращения пожара на подстанции предполагается установка противопожарного щита. В состав противопожарного щита должны входить: огнетушитель, багор, лопата, топор, лом, покрывало из негорючего материала, ящик с песком. Использовать противопожарный инвентарь для других целей запрещается.
8.3 Расчет устройства молниезащиты подстанции
Молниезащита – комплекс защитных устройств, предназначенных для обеспечения безопасности людей, сохранности зданий и сооружений, оборудования и материалов от возможных взрывов, загораний и разрушений, возникающих при воздействии молнии [36].
Защита от прямых ударом молнии производится стержневыми молниеотводами. Возьмем два отдельно стоящих молниеотвода высотой
м. При этом торцевые области зоны защиты определяются как зоны одиночных стержневых молниеотводов [38].
Высоту молниеотводов принимаем
м, расстояние между молниеотводами по плану
м.
Зона защиты одиночного стержневого молниеотвода высотой
представляет собой круговой конус, вершина которого находится на высоте
. На уровне земли зона защиты образует круг радиусом
. Горизонтальное сечение зоны защиты на высоте защищаемого сооружения
представляет собой круг радиусом
.
Габаритные размеры зоны защиты определяются в соответствии [38] по формулам:
м, (8.1)
м, (8.2)
м. (8.3)
Внутренние области зон защиты двойного стержневого молниеотвода при условии
имеют следующие габаритные размеры:
, (8.4)
,
. 8.5)
где
– высота внутренней зоны защиты, им;
– радиус внутренней зоны защиты на уровне земли, м;
– радиус внутренней зоны защиты на высоте защищаемого объекта, м.
Высота трансформатора
м. В соответствии с формулами (8.1-8.5) определяем габаритные размеры нашей молниезащиты. Получаем:
м,
м,
м.
По рисунку 8.1 видно что все оборудование входит в зону защиты наших молниеотводов.
8.4 Расчет заземляющего устройства
Защитным заземлением называется заземление частей электроустановки с целью обеспечения электробезопасности. Его назначение обеспечить мужду корпусами защищаемого электрооборудования и землей элекирическое соединение с достаточно малым сопротивлением и тем самым снизить до безопасного значения напряжения прикосновения во время замыкания на корпус электрооборудования. [37]
Согласно “Правил устройства электроустановок” (ПУЭ) в электроустановках 6-35 кВ с изолированной нейтралью сопротивление заземляющего устройства в любое время года должно быть:
Ом, (8.6)
где
– расчетный ток замыкания на землю, А, который можно определить, зная длину электрически связанных кабельных линий
, км, воздушных линий
, км, и напряжение сети
, В:
. (8.7)
Найдем расчетный ток:
А.
Подставляем значение
в формулу (8.6) и получаем:
Ом.
Так как условие (8.6) не выполняется, то на ПС будет применено контурное заземление.
Сопротивление вертикальных и горизонтальных элементов сложного заземлителя размещенного в земле с неоднородной электрической структурой, рассчитывают с использованием эквивалентного сопротивления почвы.
Эквивалентное удельное сопротивление почвы для сетчатых электродов принимаем ρ = 50 Ом∙м.
Сопротивление заземлителя подстанции в виде сетки (расстояние между стержнями вдвое больше их длины), которая состоит из вертикальных электродов, объединенных горизонтальными полосами, рассчитывается по эмпирической формуле [39]:
, (8.8)
где А – коэффициент определяемый по значению
;
S – площадь занятая заземлителем, м2;
l – длина электрода, м;
n – число электродов, единиц.
Принимаем длину электродов 3 м. Тогда количество электродов определяется по формуле из [38]:
, (8.9)
.
Принимаем n = 9.
Определяем коэффициент А:
м-2.
Из [40] для
м-2, A = 0,37.
По формуле (9.8) находим сопротивление заземлителя:
Ом.
Условие (8.6) выполняется.
Все оборудование на ПС выполнено на бетонных фундаментах. В свою очередь, фундамент является хорошим заземлителем [38]. Выбранные нами 8 заземлителей располагаем по контуру ПС, 4 из них соединяем заземляющими полосами, к которым подсоединяем наше оборудование. Девятый заземлитель ставим на пересечении этих полос. Тогда грозозащитное сопротивление ПС станет < 1,16, что повысит безопасность обслуживающего персонала и увеличить надежность оборудования ПС. Расположение заземлителей изображено на рисунке 8.1.
Рисунок 8.1 – Расположение заземления и молнтеотводов
СПИСОК ИСПОЛЬЗОВАННОЙ ЛИТЕРАТУРЫ
1. Лях В.В. Вопросы перспективного развития распределительных электрических сетей напряжением 0,38-154кВ/ Электрические сети и системы. – 2003. – №2. – с. 8-13.
2. Руководящие материалы по проектированию электроснабжения сельского хозяйства. Методические указания по расчету электрических нагрузок в сетях 0,38-110 кВ сельскохозяйственного назначения. Москва: Сельэнергопроект, 1981 – 109с.
3. Методические указания к дипломному проекту ”Электроснабжение города” / В.В. Зорин, Н.Н. Федосенко, П.Я. Экель, В.А. Дубров,А.З. Крушельницкий, В.А. Попов. – Киев: КПИ, 1982 – 68с.
4. Неклепаев Б.Н., Крючков И.П. Электрическая часть электростанций и подстанций: Справочные материалы для курсового и дипломного проектированя: Учеб. Пособие для вузов. – 4-е изд., перераб. и доп. – М.: Энергоатомиздат. 1989. –608 с.: ил.
5. Рожкова Л. Д., Козулин В. С. Электрооборудование станций и подстанций: Учебник для техникумов. – 3-е изд., перераб. и доп. – М.: Энергоатомиздат, 1987. – 648 с.
6. Боровиков В.А., Косарев В.К., Хотод Г.А. Электрические сети и системы. Учеб. пособие для техникумов. М.: Энергия, 1968.
7. Киреева Э.А., Орлов В.В., Старкова Л.Е. Электроснабжение цехов промышленных предприятий. – М.: НТФ, Энергопрогресс, 2003. – 120 с.; ил. [Библиотечка электротехника, приложение к Журналу «Энергетик», Вып. 12(60)].
8. Справочник по проектированию электроэнергетических систем/ В.В. Ершевич, А.Н. Зейлигер, Г.А. Илларионов и др.; Под ред С.С. Рокотяна и И.М. Шапиро. – 3-е изд., перераб. и доп. – М.: Энергоатомиздат, 1985. – 352.
9. Руководящие материалы по проектированию электроснабжения сельского хозяйства. Рекомендации по учету требований надежности электроснабжения потребителей при проектировании электрических сетей сельскохозяйственного назначения. Выпуск 12.Москва 1974.
10. Руководящие материалы по проектированию электроснабжения сельского хозяйства. Методические указания по обеспечению при проектировании нормативных уровней надежности электроснабжения сельскохозяйственных потребителей. Москва, 1986.
11. ГОСТ 13109-67.
12. Пособие к курсовому и дипломному проектированию для электроэнергетических специальностей: Учеб. пособие для студентов электроэнерге. спец. вузов, 2-е изд., перераб. и доп./ В.М. Блок , Г.К. Обушев, Л.Б. Паперно и др.; Под ред. В.М Блок. – М.: Высш. шк., 1990, – 383с.: ил.
13. Справочник по проектированию электросетей в сельской местности/ Э.Я. Гричевский, П.А. Катков, А.М. Карпенко и др.; Под ред. П.А. Каткова, В.И Франгуляна. – М.: Энергия, 1980. – 352 с., ил.
14. Методические указания к дипломному проекту ”Электроснабжение города” / В.В. Зорин, Н.Н. Федосенко, П.Я. Экель, В.А. Дубров, А.З. Крушельницкий, В.А. Попов. – Киев: КПИ, 1982 – 68с.
15. Правила устройства электроустановок/ Минэнерго СССР. – 6-е изд., перераб и доп. – М.: Энергоатомиздат, 1985. –640 с.
16. Зорин В.В., Тисленко В.В. Системы электроснабжения общего назначения. – Чернигов: ЧГТУ, 2005. – 341с.
17. Шийко А. ВЛ 0,4-20 кВ с изолированными и защищенными проводами: опыт проектирования, строительства и эксплуатации/ Новости ЭлектроТехники.–2002.-№5(17). – с. 19-21.
18. Розрахунок струмів короткого замикання та вибір електрообладнання на електричних станціях та підстанціях. Методичні вказівки для студентів спеціальності 6.090600 «Електричні системи та мережі». / Укл.: буйний Р.О., Ананьєв В.М., Тесленко В.В. – Чернігів: ЧДТУ, 2004-70с.
19. www.rzva.ua
20. http://www.energyworld.com.ua/elvo.htm
21. Краткий номенклатурный каталог. Основная продукция Ровенского завода высоковольтной аппаратуры. 2001 – 46 с.
22. Краткий номенклатурный каталог основной продукции ОАО «Запорожского завода высоковольтной аппаратуры»
23. Таврида Электрик Украина. Техническое описание. Комплектные распределительные устройства серии TEL
24. Краткий номенклатурный каталог основной продукции ОАО ЭК «Хмельницкоблэнерго»
25. Методичні вказівки з вибору обмежувачів перенапруг нелінійних виробництва підприємства «Таврида Електрік» для електричніх мереж 6-35 кВ
26. Надежность систем электроснабжения. Зорин В.В., Тисленко В.В., Клеппель Ф., Адлер Г. – Вища шк. Головное изд-во, 1984. –192с.
27. Постанова № 758 від 10.07.2002 Про внесення змін до Порядку застосування тарифів на електроенергію, що відпускається населенню і населеним пунктам, затвердженого постановою НКРЕ від 10.03.99 № 309
28. Закон України про електроенергетику
29. Производство и распределение электрической энергии в сельском хозяйстве. Притака И.П., Издательское объединение Вища школа, 1973, с. 316
30. Шабад М.А. Расчёты релейной защиты и автоматики распределительных сетей. – 3-ие изд., перероб. и доп. - Л.: Энергоатомиздат. Ленингр. Отд-ние, 1985. – 296 с., ил.
31. \\Inel\Archive\Documentation\Diplom_pdf\Alstom\УЗА АТ.pdf
32. Андреев В.А. Релейная защита и автоматика систем електроснабжения: Учеб. Для вузов по спец. ”Электроснабжение”. – 3-е изд., перераб. и доп. – М.: Высш. шк., 1991. – 496 с.
33. Міністерство палива та енергетики України. ДНДПВТІ „Енергоперспектива”. – Київ, 2001. - 54 с.
34. Охрана труда в энергетике: Учебник для техникумов/ Л. Д. Борисов, Б. А. Князевский, С. М. Кучерук и др.; под ред. Б. А. Князевского. – М.: Энергоатомиздат, 1985. – 376 с
35. Правила пожежної безпеки на підприємствах та в організаціях енергетичної галузі/ М-во енергетики України.– Львів, Каменяр, 1999.– 112 с.
36. Правила технической эксплуатации электрических станций и сетей/М-во энергетики и электрификации СССР. – 14-е изд., перераб. и доп. – М.: Энергоатомиздат, 1989. – 288 с.
37. Справочник по проектированию электрических сетей и электрооборудования/Под ред. Круповича В.И., Барыбина Ю.Г., Самовера М.Л. – 3-е изд., перераб. и доп. – М.: Энергоатомиздат, 1981. – 408 с.
38. Инструкция по устройству молниезащиты зданий и сооружений РД 34.21.122-87. М. Энергоатомиздат 1989
39. Техника высоких напряжений: Изоляция и перенапряжения в электрических системах: Учебник для вузов/ В.В.Базуткин, В.П.Ларионов, Ю.С.Пинталь; под общей редакцией В.П.Ларионова.– 3-е издание, переработанное и дополненное – Москва: Энергоатомиздат, 1986. – 464с.: ил.
40. Техника высоких напряжений. Учебник для студентов электротехнических специальностей вузов./ Под. общей ред. Д.В. Разевига. – М.: Энергия, 1976. – 488с.
Нравится материал? Поддержи автора!
Ещё документы из категории физика:
Чтобы скачать документ, порекомендуйте, пожалуйста, его своим друзьям в любой соц. сети.
После чего кнопка «СКАЧАТЬ» станет доступной!
Кнопочки находятся чуть ниже. Спасибо!
Кнопки:
Скачать документ