Проектирование транзитной тяговой подстанции для питания системы тяги 2 х 27,5 кВ































































































































































































































































































































































































































































































































































































































































































































Федеральное агентство железнодорожного транспорта
Иркутский государственный университет путей сообщения
Кафедра: ЭЖТ
Курсовой проект
Дисциплина: «Тяговые и трансформаторные подстанции»
на тему: «Проектирование транзитной тяговой подстанции для питания системы тяги 2 х 27,5 кВ»
Вариант №11
Выполнил: ст. гр. ЭНС-08
Колягин В.С.
Проверил: канд. техн. наук, доц.
Пузина Е.Ю.
Иркутск 2010г
Содержание
Введение…………………………………………………………………………...4
Реферат………………………………………………………………………...…..6
Исходные данные………………………………………………………………....7
Глава №1. Однолинейная схема главных электрических соединений…….....10
1.1 Структурная схема тяговой подстанции…………………………………...10
1.2 Выбор типа силового трансформатора……………………………………..10
1.3 Выбор типа районного трансформатора…………………………………...11
1.4 Разработка однолинейной схемы тяговой подстанции……………………11
1.5 Описание назначения основных элементов схемы тяговой подстанции...12
1.6 Расчет максимальных рабочих токов основных присоединений………...13
1.7 Выбор аппаратуры и токоведущих частей…………………………….…...16
Глава №2. Расчет токов короткого замыкания…………………………….......22
2.1 Расчетная схема тяговой подстанции……………………………………....22
2.2 Электрическая схема замещения…………………………………………...22
2.3 Расчет сопротивлений элементов схемы замещения………………….......23
2.4 Расчет токов короткого замыкания на шинах РУ………………………....26
2.5 Выбор трансформатора собственных нужд………………………………..35
2.6 Схемы питания потребителей собственных нужд…………………….......37
2.7 Расчет токов короткого замыкания в цепях собственных нужд……….....39
Глава 3. Проверка токоведущих частей, изоляторов и аппаратуры по результатам расчета токов короткого замыкания……………………………..47
3.1 Расчет величины теплового импульса для всех РУ…………………….....47
3.2 Проверка шин и токоведущих частей………………………………………48
3.3 Проверка изоляторов……………………………………………………...…53
3.4 Проверка выключателей………………………………………………….....55
3.5 Проверка разъединителей……………………………………………...........61
3.6 Проверка заземлителей……………………………………………………...62
3.7 Проверка предохранителей………………………………………………....63
3.8 Проверка трансформаторов тока…………………………………………...63
3.9 Проверка трансформаторов напряжения (ТН)………………………….....72
3.10 Выбор аккумуляторной батареи и зарядно-подзарядного агрегата….....75
Глава 4. План тяговой подстанции……………………………………………..79
Глава 5. Расчет заземляющего устройства……………………………………..81
Глава 6. Экономическая часть проекта………………………………………...86
6.1 Определение стоимости тяговой подстанции……………………………...86
6.2 Основные технико-экономические показатели тяговой подстанции….....89
Список использованной литературы……………………………………...........90
Введение
До 1956 года электрификация железных дорог проводилась на постоянном токе напряжением 3 кВ. В настоящее время она осуществляется как на постоянном, так и на переменном токе промышленной частоты напряжением 27,5 кВ и 2 х 27,5 кВ.
Применение переменного тока для электрической тяги более экономично по сравнению с постоянным током, как по капитальным вложениям, так и по эксплуатационным расходам. При напряжении 25 кВ среднее расстояние между тяговыми подстанциями составляет 50 км вместо 20 км при напряжении 3 кВ постоянного тока, что уменьшает примерно в 2 раза общее количество дорогостоящих тяговых подстанций для одного и того же электрифицированного участка.
Кроме того, при потреблении электроподвижным составом одной и той же мощности потери энергии в контактной сети при напряжении 27,5 кВ во много раз меньше, чем при напряжении 3 кВ, что позволяет выполнить контактную подвеску проводами меньшего сечения.
В данном курсовом проекте я рассматриваю систему тяги переменного тока 2 х 27,5 кВ, которая позволяет увеличить среднее расстояние между тяговыми подстанциями до 100 км.
Электрическая тяга является основным потребителем электроэнергии на железнодорожном транспорте. Кроме того, электроэнергия на железных дорогах расходуется на различные технические нужды: освещение вокзалов и станций, выполнение работ по ремонту подвижного состава, пути, изготовление запасных частей и т.д. Удовлетворение потребности железнодорожного транспорта в электроэнергии осуществляется в основном путём присоединения железнодорожных электроустановок к районным сетям энергосистемы.
Тяговые подстанции это сложные и мощные электроустановки, требующие от персонала глубоких знаний устройства электроустановок, электрооборудования, схем и аппаратуры управления, а также знаний по технике безопасности при проведении всех работ на тяговых подстанциях.
Проектирование тяговой подстанции выполняется с учетом действующих правил и норм на основании имеющегося опыта эксплуатации и имеющихся достижений науки и технике в области электрифицированного железнодорожного транспорта.
Целью курсового проекта являются обобщения и углубления студентами знаний по дисциплине, изучение современных проблем проектирования.
Грамотно эксплуатировать оборудование тяговой подстанции, уметь наблюдать и анализировать происходящие в нем процессы, при необходимости наметить пути усовершенствования отдельных узлов и иметь уверенность в том, что их осуществление возможно только после тщательного целенаправленного изучения принципа действия и устройства всего того единого целого, что объясняется названием тяговая подстанция.
Реферат
В данном курсовом проекте произвели выбор типов понижающих трансформаторов для питания тяговых, районных и нетяговых железнодорожных потребителей. Разрабатывается схема главных электрических соединений тяговой подстанции системы тяги соответствующей варианту задания. Рассчитываются токи коротких замыканий на шинах тяговой подстанции. С учётом рассчитанных токов коротких замыканий производится выбор и проверка аппаратуры, токоведущих частей и изоляторов, применяемых на данной тяговой подстанции. Производится выбор ТСН и аккумуляторной батареи. Рассчитываются заземляющие устройства. Производится расчёт технико-экономических показателей тяговой подстанции. Разрабатывается план и разрезы подстанции.
Исходные данные
Схема внешнего электроснабжения.
Рис.1. Двухцепная ЛЭП – 110 кВ.
Тяговая подстанция №4.
Род тока – переменный.
Характеристика источников питания.
ИП 1; МВА; МВА;
ИП 2: МВА; МВА;
5. Данные по подстанции.
Понижающий тяговый трансформатор ОРДТНЖ-25000/110:
МВА;
кВ;
кВ
Количество трансформаторов – 3;
Понижающий районный трансформатор ТДН-16000/110/10:
МВА;
кВ;
кВ;
кВА;
Количество трансформаторов – 2;
Количество фидеров – 5;
;
6. Длины участков ЛЭП.
l1 =79 км;
l2 =72 км;
l3 =75 км;
l4 =70 км;
l5 =72 км;
l6 =79 км;
7. Характеристика потребителей собственных нужд.
Таблица 1.
-
Наименование потребителя
ки
км
Р, кВт
Рабочее освещение
0.7
1.0
24
Аварийное освещение
1.0
1.0
2.4
Моторные нагрузки
0.75
0.8
35
Печи отопления и калориферы
0.65
1.0
23
Потребители СЦБ
0.75
0.8
42
Зарядно-подзарядный агрегат
0.7
1.0
9.3
Цепи управления, защиты и сигнализации
0.7
1.0
2.3
8. Данные для расчёта заземляющих устройств.
Сопротивление верхнего слоя земли: Омм;
Сопротивление нижнего слоя земли: Омм;
Толщина верхнего слоя земли: м;
Время протекания - 0.4 с;
9. Выдержка времени релейной защиты.
Вводы 110 кВ – 2.0 с;
Вводы 10 кВ – 1.0 с;
Вводы 2х27.5 кВ – 1.0 с;
Фидер 2х27.5 кВ – 0.5 с;
Фидер 10 кВ – 0.5 с;
Глава 1. Однолинейная схема главных электрических соединений
1.1 Структурная схема тяговой подстанции
1.2 Выбор типа силового трансформатора
Согласно исходным данным выбираем трансформатор типа: ОРДНЖ-25000/110–76 У1
Технические характеристики трансформатора ОРДНЖ-25000/110–76 У1
Таблица 2.
Тип трансформатора
Sн, кВА
Номинальное напряжение обмоток , кВ
Потери, кВт
uК, %
IХ, %
ВН
НН
РХ
ВН- НН
ВН-НН1
ВН-НН2
НН1-НН2
ОРДНЖ-25000/110–76 У1
25000
110
27,5-27,5
27
84
11,0
11,0
15,0
0,5
1.3 Выбор типа районного трансформатора
Согласно исходным данным выбираем трансформатор типа: ТДН-16000/110–66
Технические характеристики трансформатора ТДН-16000/110–66
Таблица 3.
Тип трансформатора
Sн, кВА
Номинальное напряжение обмоток , кВ
Потери, кВт
uК, %
IХ, %
ВН
НН
РХ
РК
ТДН-16000/110–66
16000
115
11
26
85
10,5
0,85
1.4 Разработка однолинейной схемы тяговой подстанции
Согласно ПУЭ электрифицированные железных дороги относится к потребителям первой категории, для которых перерыв в электроснабжении не допускается, поэтому схемы электроснабжения выполняют таким образом, что при повреждении или ремонте любого элемента обеспечивалось непрерывное питание ЭПС.
Конфигурация и основные особенности схемы внешнего электроснабжения тяговых подстанций зависят от значения питающего напряжения и надежности элементов системы, в частности ЛЭП и коммутационных аппаратов.
Однолинейная схема определяет состав необходимого высоковольтного оборудования, а дальнейшие расчеты позволяют выбрать тип оборудования.
Проектируемая транзитная подстанция переменного тока имеет три распределительных устройства напряжением 110, 2х27,5 и 10 кВ.
ОРУ-110 кВ выполнено по схеме два ввода с двумя перемычками: рабочей перемычкой содержащей выключатель и ремонтной перемычкой без выключателя, а также имеется дополнительная перемычка для подключения дополнительного трансформатора.
ОРУ-2х27.5 кВ выполнено по схеме одна трёхфазная рабочая система сборных шин секционированная разъединителями и одна обходная система сборных шин.
РУ-10 кВ выполнено по схеме одна рабочая система сборных шин, секционированная выключателем.
1.5 Описание назначения основных элементов схемы тяговой подстанции
К основным элементам тяговой подстанции относятся:
Силовые трансформаторы предназначены для преобразования электрической энергии по уровню напряжения. Для компенсации колебания напряжения в питающей сети, трансформаторы оборудуют устройством для регулирования напряжения под нагрузкой.
Высоковольтные выключатели переменного тока – предназначены для включения и отключения высоковольтных цепей переменного тока в нормальном и аварийном режимах работы.
Разъединители – аппараты, применяемые в электроустановках выше 1000 В и предназначенные для коммутации предварительно обесточенных электрических цепей, а также для создания видимого разрыва цепи, обеспечивающего безопасность работы персонала.
Трансформаторы тока – предназначены для преобразования электрической энергии по уровню тока с целью уменьшения первичного тока до значений наиболее удобных для питания измерительных приборов и реле, а также для отделения цепей измерения и защиты от первичных цепей высокого напряжения.
Трансформаторы напряжения – предназначены для преобразования электрической энергии по уровню напряжения с целью понижения первичного напряжения до величины, удобной для питания приборов и реле, а также для изоляции цепей обмоток вольтметров, счётчиков, реле и других приборов от сети первичного напряжения.
Ограничители перенапряжений – предназначены для защиты изоляции электрических цепей, электрооборудования и аппаратуры от атмосферных и коммутационных перенапряжений.
Токоведущие части – неизолированные и изолированные проводники, предназначенные для соединения источников с приёмниками энергии через различные переключающие аппараты.
Изоляторы – электротехнические устройства предназначенные для электрической изоляции и механического крепления электроустановок или их отдельных частей, находящихся под разными электрическими потенциалами.
ТСН – предназначены для преобразования электрической энергии по уровню напряжения до значения 380/220 В и для питания собственных нужд тяговой подстанции.
1.6 Расчёт максимальных рабочих токов основных присоединений
Максимальный рабочий ток вводов и перемычки тяговой подстанции определим, используя выражение:
где коэффициент перспективы, равный 1.3;
- коэффициент транзита, равный 1.7
nт – число понижающих трансформаторов;
nт – число понижающих районных трансформаторов;
- номинальная мощность трансформатора, ВА;
- номинальное входное напряжение тяговой подстанции, В;
Максимальный рабочий ток обмотки высокого напряжения тягового трансформатора определим по формуле:
где: - коэффициент перегрузки трансформатора, равный 1,5;
- номинальное напряжение стороны высокого напряжения.
Максимальный рабочий ток обмотки низкого напряжения тягового трансформатора определим, используя выражение:
где: - номинальное напряжение стороны среднего напряжения, В;
Сборные шины низкого напряжения (2х27,5 кВ):
где: - коэффициент распределения нагрузки на шинах вторичного напряжения, равный 0,7.
Максимальный рабочий ток обмотки высокого напряжения районного трансформатора определим по формуле:
где: - коэффициент перегрузки трансформатора, равный 1.5;
- номинальное напряжение стороны высокого напряжения.
Обмотка низкого напряжения районного трансформатора:
где: - номинальное напряжение стороны низкого напряжения, В;
Сборные шины низкого напряжения районных потребителей (10 кВ):
Максимальные рабочие токи фидеров районных потребителей определим по формуле:
где - коэффициент перспективы, равный 1,3;
- полная мощность районного потребителя, ВА;
- номинальное напряжение районного потребителя , В;
Ток фидера районного потребителя
Ток фидера контактной сети (2х27,5) принимаем: А.
1.7 Выбор аппаратуры и токоведущих частей подстанции
Для обеспечения надёжной работы аппаратуры и токоведущих частей электроустановки необходимо правильно выбрать их по условиям длительной работы в нормальном режиме и кратковременной работы в режиме короткого замыкания.
Выбор аппаратуры и токоведущих частей выполняется по номинальному току и напряжению: Uуст Uн ; Iраб.max Iн ,
где Uуст – номинальное напряжение установки;
Uн – номинальное напряжение аппарата;
Iраб.max – максимальный рабочий ток присоединения, где установлен аппарат;
Iн – номинальный ток аппарата.
Выбор шин и токоведущих частей.
Вводы и перемычка ТП (110 кВ):
Iраб max = 1168,14 А;
Выбираем провод АС - 700Iдоп = 1180 А
Вводы ВН понижающего тягового трансформатора(110 кВ):
Iраб max = 340,91 А;
Выбираем провод АС - 120Iдоп = 390 А
Вводы НН понижающего тягового трансформатора(2х27,5 кВ):
Iраб max = 681,82 А;
Выбираем провод АС - 330Iдоп = 730 А
Вводы ВН районного понижающего трансформатора(110 кВ):
Iраб max = 125,97 А;
Выбираем провод АС - 270Iдоп = 265 А
Вводы НН районного понижающего трансформатора(10 кВ):
Iраб max = 1385,64 А;
Выбираем шину А-1008Iдоп = 1625 А
Сборные шины низкого напряжения (2х27,5 кВ):
Iраб max = 954,55 А;
Выбираем провод АС - 500Iдоп = 960 А
Сборные шины низкого напряжения (10 кВ):
Iраб max = 1293,26 А;
Выбираем шинуА-608Iдоп = 1320 А
Фидеры районных потребителей (10 кВ):
Iраб max = 112,58 А;
Выбираем шинуА-203Iдоп = 275 А
Фидеры контактной сети (2х27,5 кВ)
Iраб max = 400 А;
Выбираем провод АС – 150Iдоп = 450 А
Выбор изоляторов.
РУ-110 кВ: ЛК-120/110;
РУ-2х27,5 кВ: ЛК-120/35;
РУ-10 кВ: ИО-10-3,75У3, ИП-10/1600-750У
Выбор выключателей.
РУ-110 кВ:
Перемычка ТП:Iраб max = 1168,14 А;
РМ-121-20/1200 Iном = 1200 А;Uном = 110 кВ;
Вводы ВН тягового трансформатора:Iраб max = 340,91 А;
РМ-121-20/1200 Iном = 1200 А;Uном = 110 кВ;
Вводы ВН районного трансформатора:Iраб max = 125,97 А;
РМ-121-20/1200 Iном = 1200 А;Uном = 110 кВ;
РУ-2х27,5 кВ:
Вводы НН понижающего трансформатора:Iраб max = 681,82 А;
ВГБЭ-35- 12,5/1000Iном = 1000 А;Uном = 35 кВ;
Обходной выключатель: Iраб max = 954,55 А;
ВГБЭ-35- 12,5/1000Iном = 1000 А;Uном = 35 кВ;
Фидеры контактной сети:Iраб max = 400 А;
ВГБЭ-35- 12,5/630Iном = 630 А;Uном = 35 кВ;
Фидеры ДПР:
ВГБЭ-35- 12,5/630Iном = 630 А;Uном = 35 кВ;
Вводы ТСН:
ВГБЭ-35- 12,5/630Iном = 630 А;Uном = 35 кВ;
РУ-10 кВ:
Вводы НН понижающего трансформатора:Iраб max = 1385,64 А;
ВВ/TEL-10-20/1600Iном = 1600 А;Uном = 10 кВ;
Фидеры районных потребителей:Iраб max = 112,58 А;
ВВ/TEL-10-12,5/630Iном = 630 А;Uном = 10 кВ;
Секционный выключатель: Iраб max = 1293,26 А;
ВВ/TEL-10-20/1600Iном = 1600 А;Uном = 10 кВ;
Выбор разъединителей.
РУ-110кВ
Вводы и перемычка ТП (110 кВ): Iраб max = 1168,14 А;
РГ-110-2000 Iном = 2000 А; Uном = 110 кВ;
Вводы ВН тягового трансформатора:Iраб max = 340,91 А;
РГ-110-1000 Iном = 1000 А; Uном = 110 кВ;
Вводы ВН районного трансформатора:Iраб max = 125,97 А;
РГ-110-1000 Iном = 1000 А; Uном = 110 кВ;
РУ-2х27,5 кВ:
Вводы НН понижающего трансформатора:Iраб max = 681,82 А;
РГ-35-1000Iном = 1000 А; Uном = 35 кВ;
Цепь обходного выключателя: Iраб max = 954,55 А;
РГ-35-1000Iном = 1000 А; Uном = 35 кВ;
Фидеры контактной сети:Iраб max = 400 А;
РГ-35-1000Iном = 1000 А; Uном = 35 кВ;
Фидеры ДПР:
РГ-35-1000Iном = 1000 А; Uном = 35 кВ;
Вводы ТСН:
РГ-35-1000Iном = 1000 А; Uном = 35 кВ;
РУ-10кВ:
Вводы НН понижающего трансформатора:Iраб max = 1385,64 А;
РГ-35-2000Iном = 2000 А; Uном = 35 кВ;
Выбор заземлителей
Фидеры районных потребителей:Iраб max = 112,58 А;
ЗР-10 НУЗI терм. ст. =90 А; Uном = 10 кВ;
Секционный выключатель: Iраб max = 1293,26 А;
ЗР-10 НУЗI терм. ст. =90 А;Uном = 10 кВ
Выбор предохранителей
Предохранители на напряжение свыше 1000 В используют для защиты трансформаторов напряжения в РУ – 6; 10 кВ, при этом применяют предохранители типа ПКН, ПК и ПКТ (трубчатые с кварцевым заполнителем).
Предохранители выбирают по номинальному току: , 80 > 60 А
Выбираем трубчатый предохранитель с кварцевым заполнителем, для ТН типа: ПКТ104-10-100-31,5 У3
Выбор трансформаторов тока.
РУ-110 кВ:
Рабочая перемычка ТП: Iраб max = 1168,14 А;
ТВ-110-1200/5I1ном = 1200 А; Uном = 110 кВ;
Ремонтная перемычка ТП: Iраб max = 1168,14 А;
ТГФ-110-1200/5 I1ном = 1200 А; Uном = 110 кВ;
Вводы ВН тягового трансформатора:I раб max = 340,91 А;
ТВ-110-400/5I1ном = 400 А; Uном = 110 кВ;
Вводы ВН районного трансформатора: Iраб max = 125,97 А;
ТВ-110-150/5I1ном = 150 А; Uном = 110 кВ;
РУ-2х27,5 кВ:
Цепь обходного выключатель: Iраб max = 954,55 А;
ТВ-35-1000/5I1ном = 1000 А; Uном = 35 кВ;
Вводы НН понижающего трансформатора: Iраб max = 681,82 А;
ТВ-35-800/5I1ном = 800 А; Uном = 35 кВ;
Фидеры контактной сети: Iраб max = 400 А;
ТВ-35-400/5I1ном = 400 А; Uном = 35 кВ;
Фидеры ДПР:
ТВ-35-400/5I1ном = 400 А; Uном = 35 кВ;
Вводы ТСН:
ТВ-35-400/5I1ном = 400 А; Uном = 35 кВ;
РУ-10кВ:
Вводы НН понижающего трансформатора:Iраб max = 1385,64 А;
GDS-10-1500/5 I1ном = 1500 А; Uном = 10 кВ;
Секционный выключатель: Iраб max = 1293,26 А;
GDS-10-1500/5 I1ном = 1500 А; Uном = 10 кВ;
Фидеры районных потребителей:Iраб max = 112,58 А;
GDS-10-150/5 I1ном = 150 А; Uном = 10 кВ;
Выбор трансформаторов напряжения.
РУ-110 кВ.
Перемычка транзитной ТП
Три однофазныхТН: 3хЗНОГ-110
РУ-2х27,5 кВ.
Шины тягового РУ-2х27,5 кВ
Четыре однофазных ТН: 4ЗНОЛ-35
РУ-10 кВ.
Шина районного РУ-10 кВ
Однофазные ТН: 3хНОЛ-10
Выбор ограничителей перенапряжения.
РУ-110 кВ
ОПН-У/ТЕL-110-УХЛ1
Uн = Uн.уст = 110 кВ
РУ-2х27,5 кВ
ОПН-У/TEL-27,5-УХЛ1
Uн = Uн.уст = 27,5 кВ
РУ-10 кВ
ОПН-Т/TEL-10-УХЛ1
Uн = Uн.уст = 10 кВ
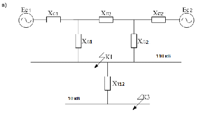
Глава 2. Расчёт токов короткого замыкания
2.1 Расчетная схема тяговой подстанции
2.2 Электрическая схема замещения
2.3 Расчёт сопротивлений элементов схемы замещения
Расчет сопротивлений системы
По расчётной схеме (рис.6) и схеме замещения (рис.7.) найдём относительные сопротивления энергосистемы:
где: - базисная мощность, принимаем 100 МВА;
- мощность короткого замыкания, МВА.
Относительные сопротивления ЛЭП:
где: - удельное сопротивление проводов 1 км линии, =0,4 Ом/км;
l – длина линии, км.
Относительные сопротивления обмоток районного трансформатора:
где: - номинальная мощность трансформатора, МВА.
Преобразуем схему замещения до точки К3 (Рис.8.):
Преобразуем треугольник сопротивлений в эквивалентную звезду (рис.8.б):
Звезду сопротивлений преобразуем в треугольник (рис.8.г):
Убираем ветвь, содержащую сопротивление , так как точки источников питания равнопотенциальны, то ток через эту ветвь не потечёт и сопротивлением можно пренебречь. После преобразования получим схему:
Преобразуем схему замещения до точки К3:
Преобразуем звезду сопротивлений в треугольник (рис.8.е):
Убираем ветвь, содержащую сопротивление , так как точки источников питания равнопотенциальны, то ток через эту ветвь не потечёт и сопротивлением можно пренебречь.
После преобразования получим схему (рис.8.ж).
2.4 Расчёт токов короткого замыкания на шинах РУ
Расчет токов короткого замыкания на шинах ОРУ 110 кВ
Проверяем на удалённость точку короткого замыкания К1:
следовательно, короткое замыкание удалённое от первого источника питания.
следовательно, короткое замыкание удалённое от второго источника питания.
где: - мощность источника, МВА
При расчёте токов короткого замыкания от первого и второго источников используем приближенный метод, так как короткое замыкание удалённое.
Расчёт периодической составляющей.
кА;
кА;
кА.
Расчёт апериодической составляющей.
Апериодическую составляющую определим по формуле:
,
где:
- время отключения тока короткого замыкания;
- собственное время отключения выключателя; для выключателя РМ-121-20/1200 =0,025 с;
- постоянная времени затухания, равная 0,02 сек [1];
- минимальное время срабатывания релейной защиты =0,01 с;
= 0,025+0,01=0,035 с.
кА.
Определение ударного тока.
=3,160 кА;
где: - ударный коэффициент, равный 1,61 [1].
Определение полного тока короткого замыкания.
кА.
Ток однофазного к. з.
Расчет токов короткого замыкания на шинах РУ 10 кВ
Проверяем на удалённость точку короткого замыкания К3:
следовательно, короткое замыкание удалённое от первого источника питания.
следовательно, короткое замыкание удалённое от второго источника питания.
Где: - мощность источника, МВА
При расчёте токов короткого замыкания от первого и второго источников используем приближенный метод, так как короткое замыкание удалённое.
Расчёт периодической составляющей.
кА;
кА;
кА.
Расчёт апериодической составляющей.
Апериодическую составляющую определим по формуле:
,
где:
- время отключения тока короткого замыкания;
- собственное время отключения выключателя;
для выключателя BB/TEL-10/1600 =0,015 с;
- постоянная времени затухания, равная 0,03 сек [1];
- минимальное время срабатывания релейной защиты =0,01 с;
= 0,015+0,01=0,025 с.
кА.
Определение ударного тока.
=13,215 кА;
где: - ударный коэффициент, равный 1,72 [1].
Определение полного тока короткого замыкания.
кА.
Расчет токов короткого замыкания на шинах РУ 2х27,5 кВ
Определение тока короткого замыкания между контактным проводом и рельсовой цепью (периодическая составляющая):
где: и - сопротивление фазы энергосистемы и трансформатора;
n – количество работающих трансформаторов;
- мощность короткого замыкания на первичной стороне понижающего трансформатора, МВА.
где: - напряжение КЗ в %.
Определение тока короткого замыкания между контактным и питающим проводом (периодическая составляющая):
где: и - сопротивление фазы энергосистемы и трансформатора;
n – количество работающих трансформаторов;
- мощность короткого замыкания на первичной стороне понижающего трансформатора, МВА.
где: - напряжение КЗ в %.
так как , то в дальнейших расчетах периодическую составляющую будем принимать равной .
Расчёт апериодической составляющей.
Апериодическую составляющую определим по формуле:
,
где:
- время отключения тока короткого замыкания;
- собственное время отключения выключателя;
для выключателя ВГБЭ-35/1000 =0,04 с;
- постоянная времени затухания, равная 0,02 сек [1];
- минимальное время срабатывания релейной защиты =0,01 с;
= 0,04+0,01=0,05 с.
кА.
Определение ударного тока.
=6,121 кА;
где: - ударный коэффициент, равный 1,6 [1].
Определение полного тока короткого замыкания.
кА.
2.5 Выбор трансформатора собственных нужд
На тяговой подстанции устанавливают два ТСН с вторичным напряжением 380/220 В, каждый из которых рассчитан на полную мощность собственных нужд.
Питание ТСН на тяговых подстанциях переменного тока осуществляем от шин 2 27,5 кВ.
Необходимая мощность для питания собственных нужд переменного тока может быть определена суммированием всех мощностей потребителей подстанции.
Расчётная мощность для питания собственных нужд (мощность ТСН) определяется:
Расчётную мощность ТСН определим по формуле:
где: Sу – установленная мощность ТСН:
где: - суммарная активная мощность, кВт;
- суммарная реактивная мощность, кВАр.
где: - коэффициент использования установленной мощности;
- заданная мощность собственных нужд;
- тангенс конкретного вида собственных нужд.
Мощность подогрева элегаза и приводов высоковольтных выключателей:
Таблица №4.
-
Тип выключателя
Рэлегаза, кВт
Рпривода, кВт
Кол-во выкл-ей
Робщ, кВт
РМ – 121
4,8
0,7
6
33
ВГБЭ – 35
0,8
0,8
12
19,2
Итого:
52,2
Данные по цепям собственных нужд:
Таблица №5.
-
Наименование потребителя
ки
cos
tg
P, кВт
Pу, кВт
Qу, кВА
Рабочее освещение
0,7
1
0
0
24
16,8
0
Моторные нагрузки
0,75
0,8
36,9
0,75
35
26,3
19,7
Печи отопления и калориферы
0,65
1
0
0
23
15
0
Потребители СЦБ
0,75
0,8
36,9
0,75
42
31,5
23,6
Зарядно-подзарядный агрегат
0.7
1
0
0
9,3
6,5
0
Итого:
96,1
43,3
кВАр;
По рассчитанной мощности выбираем ТСН типа: ТМ –160/27,5 – 74 У1.
Технические характеристики трансформатора ТМ – 160/27,5 – 74 У1.
Таблица № 6
Тип трансформатора
Номинальное напряжение обмоток , кВ
Потери, кВт
uК, %
IХ,%
Схема и группа соединения обмоток
ВН
НН
РХ
РК
ТМ –160/27,5 – 74 У1
27,5
0,4
0,66
2,65
6,5
2,4
Y/Y0-0
2.6 Схемы питания потребителей собственных нужд
Питание потребителей собственных нужд переменного тока осуществляется от системы сборных шин 380/220 В. В качестве резервного источника электроэнергии собственных нужд переменного тока используют дизель – генератор.
Рис.3. Принципиальная схема питания СН переменного тока открытой части тяговой подстанции: фидеры: 1 и 10 – шкафа СН в здании подстанции; 2 – обдува понижающих трансформаторов; 3 – ВЛСЦБ; 4 – освещения камер 10 кВ и СЦБ; 5 – резервный; 6 – освещения открытой части подстанции; 7 – передвижного масляного хозяйства; 8 – питания дистанций контактной сети; 9 – подогрева элегаза и приводов высоковольтных выключателей и ячеек КРУН.
Рис.4. Принципиальная схема питания СН переменного тока закрытой части тяговой подстанции: фидеры: 1 – сверлильного и наждачного станков; 2 – электрических печей щитовой и подсобных помещений; 3 – электрических печей; 4 – насоса откачки воды из баков для слива масла; 5 – питания двигателей вентиляторов машинного зала; 6,7 и 8 – питания соответственно пульта дистанционного управления разъединителями контактной сети, стоек телемеханики и автоматики; 9 – питания подзарядных устройств; 10 – калориферов и вентиляторов помещения аккумуляторной батареи; 11 – освещения здания тяговой подстанции; 12 – электрических печей помещения дизель – генератора; 13 – вентиляторов помещения дизель – генератора. Вводы: I и III – фидеров СН от ТСН на открытой части тяговой подстанции; II – резервный от дизель – генератора
Рис.5. Принципиальная схема питания СН постоянного тока. Цепи питания: 1 – приводов высоковольтных выключателей; 2 – устройств управления и сигнализации; 3 – аварийного освещения; 4 – унифицированного преобразователя напряжения устройств автоматики и телемеханики.
2.7 Расчёт токов короткого замыкания в цепях собственных нужд
При расчёте необходимо учесть особенности:
Учитываем активное и реактивное сопротивление цепи КЗ;
Расчёт сопротивлений выполняем в именованных единицах (Ом, мОм);
Определяем конкретные значения времени затухания апериодической составляющей тока
Расчёт периодической составляющей тока КЗ ведется по закону Ома;
Необходимость учёта сопротивлений всех элементов цепи КЗ.
Составим расчётную схему цепей собственных нужд:
Рис. 9.
Составляем схему замещения
Рис. 10.
Преобразуем схему замещения.
Рис. 11.
Найдём максимально рабочий ток во вторичной обмотке трансформатора собственных нужд:
где: кпер – коэффициент перегрузки трансформатора, равный 1,5;
SнТСН – номинальная мощность трансформатора собственных нужд, кВА;
Ucр – среднее напряжение вторичной обмотки ТСН, равное 0,38 кВ.
Найдём сопротивление ТСН:
где: uк – напряжение короткого замыкания ТСН, %;
- номинальное напряжение вторичной обмотки ТСН, кВ;
- номинальная мощность ТСН, кВА.
Найдём сопротивление трансформатора тока:
ТК – 20 – 400/5
rтт = 0,11 Ом
хтт = 0,17 Ом
Найдём сопротивление автоматического выключателя:
А3790С – 400
rАВ = 0,15 Ом
хАВ = 0,1 Ом
Найдём сопротивление материала кабеля:
где: - удельное сопротивление материала кабеля;
;
- длина кабеля, равная 50м;
- сечение кабеля, мм2.
ААГУ-3185 = 185 мм2
В качестве четвёртой жилы используем алюминиевую оболочку кабеля [9].
380 > 365 А
где: х0 – 0,0602 [2]
Найдём сопротивление рубильника:
РПЦ – 32 – 400
rр = 0,2 мОм
Найдём сопротивление системы:
где: - среднее напряжение; =0.4 кВ.
- мощность короткого замыкания на шинах, от которых питается ТСН, кВА.
Определяем суммарное активное и реактивное сопротивления:
мОм;
мОм;
мОм;
мОм;
мОм;
мОм;
мОм;
мОм.
Найдём периодическую составляющую:
где: z – полное сопротивление цепи короткого замыкания Ом;
Для определения ударного тока и апериодической составляющей тока короткого замыкания определим постоянную времени затухания апериодической составляющей по формуле:
где: результирующее реактивное и активное сопротивление цепи короткого замыкания;
рад/с.
Определим ударный коэффициент:
Апериодическую составляющую тока короткого замыкания определим по формуле:
кА.
Определим ударный ток короткого замыкания.
,
где: - ударный коэффициент.
кА;
Определим полный ток короткого замыкания по формуле:
кА.
Глава 3. Проверка токоведущих частей, изоляторов и аппаратуры по результатам расчета токов короткого замыкания
3.1 Расчёт величины теплового импульса для всех РУ
Для проверки аппаратуры и токоведущих частей выполняется расчёт величины теплового импульса для всех РУ по выражению:
кА2с
где - начальное значение периодической составляющей тока короткого замыкания;
- постоянная времени затухания апериодической составляющей тока короткого замыкания,
.
где - время срабатывания релейной защиты рассматриваемой цепи;
- полное время отключения выключателя.
Результаты расчета оформим в виде таблицы:
Таблица № 7
U, кВ
а, с
tпв, с
tрз, с
tотк, с
In, кА
, кА2с
вводы
110
0,02
0,055
2,0
2,055
1,388
1,3882(2,055+0,02)
3,998
2х27,5
0,02
0,065
1,0
1,065
2,705
2,7052(1,065+0,02)
7,939
10
0,03
0,025
1,0
1,025
5,433
5,4332(1,025+0,03)
31,141
фидеры
2х27,5
0,02
0,065
0,5
0,565
2,705
2,7052(0,565+0,02)
4,280
10
0,03
0,025
0,5
0,525
5,433
5,4332(0,525+0,03)
16,382
3.2 Проверка шин и токоведущих элементов
Шины открытых РУ 110 кВ и 2х27,5 кВ выполняют сталеалюминевыми гибкими проводами марки АС.
Проверка гибких шин РУ – 110 кВ и РУ 2х27,5 кВ.
Проверка на термическую стойкость выполняется по формуле:
где: - минимальное сечение, термическое устойчивое при КЗ, мм2
Минимальное сечение, при котором протекание тока КЗ не вызывает нагрев проводника выше допустимой температуры:
где: - величина теплового импульса;
С – константа, значение которой для алюминиевых шин равно 90, .
Проверка по условию отсутствия коронирования
где: E0 – максимальное значение начальной критической напряженности электрического поля, при котором возникает разряд в виде короны, кВ/см,
где: m – коэффициент, учитывающий шероховатость поверхности провода (для многопроволочных проводов m = 0.82);
rпр – радиус провода, см.
E – напряжённость электрического поля около поверхности провода, кВ/см,
где U – линейное напряжение, кВ;
Dср – среднее геометрическое расстояние между проводами фаз, см.
При горизонтальном расположении фаз .
Здесь D – расстояние между соседними фазами, см. Для сборных шин приняты расстояния между проводами разных фаз –1,6 и 3,0 м для напряжений 35 и 110 кВ соответственно.
Вводы и перемычка ТП (110 кВ), тип шин АС – 700 [4] по термической стойкости:
700мм2 > 22,217мм2
по условию отсутствия коронирования
кВ/см;
кВ/см;
Вводы ВН понижающего тягового тр-ра(110 кВ), тип шин АС – 120 [4]
по термической стойкости:
120мм2 > 22,217мм2
по условию отсутствия коронирования
кВ/см;
кВ/см;
Вводы ВН районного понижающего тр-ра(110 кВ), тип шин АС – 70 [4]
по термической стойкости:
70мм2 > 22,217мм2
по условию отсутствия коронирования
кВ/см;
кВ/см;
Ввод НН тягового понижающего тр-ра(2х27,5), тип шин АС – 330 [4]
по термической стойкости:
330мм2 > 31,307мм2
по условию отсутствия коронирования
кВ/см;
кВ/см;
Сборные шины НН(2х27,5), тип шин АС – 500 [4]
по термической стойкости:
500мм2 > 31,307мм2
по условию отсутствия коронирования
кВ/см;
кВ/см;
Фидеры контактной сети (2х27,5), тип шин АС – 150 [4]
по термической стойкости:
150мм2 > 22,987мм2
по условию отсутствия коронирования
кВ/см;
кВ/см;
Выбор жестких шин РУ – 10 кВ.
1. Проверка на электродинамическую устойчивость:
где: - механическое напряжение, возникающие в шинах при КЗ
где l – расстояние между соседними опорными изоляторами, м ( РУ - 10 кВ: l = 1м);
а – расстояние между осями шин соседних фаз, м ( РУ - 10 кВ: а = 0.25 м );
iу – ударный ток трёхфазного короткого замыкания, кА;
W – момент сопротивления шины относительно оси, перпендикулярной действию усилия, м3
при расположении шин на ребро:
, м3
при расположении шин плашмя:
, м3
где: b и h – толщина и ширина шины, м
Вводы НН районного понижающего тр-ра(10 кВ),, тип шин А - 100 8
по термической стойкости:
800мм2 > 62,005мм2
по электродинамической устойчивости:
м3
40 > 8,732 МПа
Сборные шины НН районных потребителей(10 кВ), тип шин А - 60 8 по термической стойкости:
600мм2 > 62,005мм2
по электродинамической устойчивости:
м3
40 > 2,563 МПа
Фидеры районного потребителя (10 кВ), тип шин А - 20 3
по термической стойкости:
60мм2 > 44,972мм2
по электродинамической устойчивости:
м3
40 > 34,927 МПа
3.3 Проверка изоляторов
Шины подвешиваются с помощью полимерных подвесных изоляторов. Марки изоляторов и их технические данные представлены в таблице №7 для РУ 110 кВ и РУ 2х27,5 кВ.
Таблица № 8.
Характеристики и марки изоляторов
Номинальное напряжение, кВ
Разрушающая сила при растяжении, кН
Длина пути утечки не менее, мм
Длина изоляционной части, мм
Масса, кг
Строительная высота, мм
ЛК – 120/110
110
120
2500
1010
3,2
1377
ЛК – 120/35
35
120
900
370
1,8
597
В РУ – 10 кВ шины крепятся на опорных и проходных изоляторах.
Опорных изоляторах ИО 10 – 3,75 У3
1. по номинальному напряжению: ,
2. по допустимой нагрузке:
где:- разрушающая нагрузка на изгиб изолятора.
где: l – расстояние между соседними опорными изоляторами, м ( РУ – 10 кВ: l = 1м);
а – расстояние между осями шин соседних фаз, м ( РУ – 10 кВ: а = 0,25 м );
225>122,944 даН
Выбор проходных изоляторов: ИП – 10/1600-750 У
1. по номинальному напряжению:
2. по допустимому току:
3. по допустимой нагрузке:
где:- разрушающая нагрузка на изгиб изолятора.
1250>61,472 даН
3.4 Проверка выключателей
Выключатели проверяются:
на электродинамическую стойкость:
где - ударный ток короткого замыкания, кА.
- предельный сквозной ток, кА
на термическую стойкость:
где:- величина теплового импульса в цепи выключателя, кА2с;
- ток термической стойкости, кА;
- время протекания тока термической стойкости, с.
3. по номинальному току отключения:
где: - периодическая составляющая тока короткого замыкания, кА;
- номинальный ток отключения выключателя, кА;
4. по полному току отключения:
где: - номинальное значение относительного содержания апериодической составляющей в отключаемом токе;
iк – полный ток КЗ;
5. по номинальному току отключения апериодической составляющей тока КЗ:
где: - номинальное нормируемое значение апериодическая составляющая тока короткого замыкания, кА;
где: - время от начала короткого замыкания до расхождения контактов выключателя.
– минимальное время действия релейной защиты, с;
- собственное время отключения выключателя, с.
6. по включающей способности:
где: - номинальный ток включения выключателя:
РУ-110 кВ
Выключатель: РМ – 121 – 20/1200
на электродинамическую стойкость:
3,160 < 102 кА
на термическую стойкость:
3,998 < 202 3
3,998 < 1200 кА2 с
3. по номинальному току отключения:
1,388 < 20 кА
4. по номинальному току отключения апериодической составляющей тока КЗ:
0,342 < 13,010 кА
5. по полному току отключения:
41,295 > 2,305 кА
6. по включающей способности:
1,388 < 20 кА
3,160 < 102 кА
РУ_2х27,5 кВ
Выключатель: ВГБЭ-35-12,5/1000
на электродинамическую стойкость:
6,121 < 32 кА
на термическую стойкость:
7,939 < 12,52 3
7,939 < 486,750 кА2 с
3. по номинальному току отключения:
2,705 < 12,5 кА
4. по номинальному току отключения апериодической составляющей тока КЗ:
0,313 < 5,816 кА
5. по полному току отключения:
23,494 > 4,254 кА
6. по включающей способности:
2,705 < 12,5 кА
6,121 < 32 кА
Выключатель: ВГБЭ-35-12,5/630
на электродинамическую стойкость:
6,121 < 32 кА
на термическую стойкость:
4,280 < 12,52 3
4,280 < 486,750 кА2 с
3. по номинальному току отключения:
2,705 < 12,5 кА
4. по номинальному току отключения апериодической составляющей тока КЗ:
0,313 < 5,816 кА
5. по полному току отключения:
23,494 > 4,254 кА
6. по включающей способности:
2,705 < 12,5 кА
6,121 < 32 кА
РУ-10 кВ
Выключатель: ВВ/TEL-10-20/1600
на электродинамическую стойкость:
13,215 < 52 кА
на термическую стойкость:
31,141 < 202 3
31,141 < 1200 кА2 с
3. по номинальному току отключения:
5,433 < 20 кА
4. по номинальному току отключения апериодической составляющей тока КЗ:
3,342 < 16,235 кА
5. по полному току отключения:
44,519 > 25,677 кА
6. по включающей способности:
5,433 < 20 кА
13,215 < 52 кА
Выключатель: ВВ/TEL-10-12,5/630 на электродинамическую стойкость:
13,215 < 32 кА
на термическую стойкость:
16,382 < 12,52 3
16,382 < 468,75 кА2 с
3. по номинальному току отключения:
5,433 < 12,5 кА
4. по номинальному току отключения апериодической составляющей тока КЗ:
3,342 < 10,147 кА
5. по полному току отключения:
27,825 > 25,677 кА
6. по включающей способности:
5,433 < 12,5 кА
13,215 < 32 кА
3.5 Проверка разъединителей
Разъединители проверяются:
на электродинамическую стойкость:
где - ударный ток короткого замыкания, кА.
- предельный сквозной ток, кА
на термическую стойкость:
где:- величина теплового импульса в цепи выключателя, кА2с;
- ток термической стойкости, кА;
- время протекания тока термической стойкости, с.
РУ-110 кВ
Разъединитель РГ-110-2000
на электродинамическую стойкость:
3,160 < 100 кА
на термическую стойкость:
3,998 402 3 кА2с
3,998 < 4800 кА
Разъединитель РГ-110-1000
на электродинамическую стойкость:
3,160 < 80 кА
на термическую стойкость:
3,998 31,52 3 кА2с
3,998 < 2976,75 кА
РУ_2х27,5 кВ
Разъединитель РГ-35-1000
на электродинамическую стойкость:
6,121 < 40 кА
на термическую стойкость:
7,993 162 3 кА2с
7,993 < 768 кА
РУ-10 кВ
Разъединитель РГ-35-2000
на электродинамическую стойкость:
13,215 < 80 кА
на термическую стойкость:
31,141 31,52 3 кА2с
31,141 < 2976,75 кА
3.6 Проверка заземлителей
Заземлитель ЗР-10 НУЗ
на электродинамическую стойкость:
13,215 < 235 кА
на термическую стойкость:
31,141 902 1 кА2с
31,141 < 8100 кА
3.7 Проверка предохранителей
ПКТ104-10-100-31,5 У3
Предохранители проверяют по номинальному току отключения:
25,677< 31,5 кА
3.8 Проверка трансформаторов тока
Разработка схем измерений
Схемы измерений необходимы для определения расчетных длин проводов, зависящих от схемы подключения.
Схемы подключения трансформаторов тока
Трансформаторы тока проверяется:
На электродинамическую стойкость:
где: - ударный ток короткого замыкания;
- предельный сквозной ток короткого замыкания;
2. Проверка на термическую стойкость:
где: - тепловой импульс, кА2с;
где: ток термической стойкости, кА;
- время протекания тока термической стойкости, с.
3. Проверка на соответствие классу точности для номинальной нагрузки:
где: - вторичная нагрузка наиболее нагруженной фазы ТТ, Ом;
- номинальная допустимая нагрузка проверяемой обмотки ТТ в выбранном классе точности, Ом.
Так как индуктивное сопротивление токовых цепей невелико, то:
где: - сопротивление токовых обмоток измерительных приборов и реле, Ом;
- сопротивление контактов: 0,05 Ом – при двух и трёх приборах и 0,1 – при большом числе приборов;
- сопротивление соединительных проводов, Ом.
где: -удельное сопротивление материала провода (с медными жилами – 1.7510-8 Омм; с алюминиевыми жилами – 2,8310-8 Омм);
qпр - сечение проводов, которое не должно быть меньше 4 10-6 м2 для алюминия и 2,5 10-6 м2 для меди, но не более 10 10-6 м2;
- расчётная длина соединительных проводов
Встроенные ТТ на электродинамическую и термическую стойкости не проверяем.
РУ-110 кВ
Рабочая перемычка ТП.
Тип ТТ: ТВ – 110 – 1200/5
1. на соответствие классу точности для номинальной нагрузки:
z2 z2ном;
z2 = r2 = rприб + rпр + rк;
rприб = ;
Амперметр: Э8021;
Счетчик учета электроэнергии: Альфа
Sприб = Sa + S сч = 1,5 + 0,05 = 1,55 Вт
rприб = = = 0,062 Ом;
rпр = = 2,8310-8= 0,71 Ом;
r2 = rприб + rпр + rк = 0,062 + 0,71 + 0,05 = 0,822 Ом;
r2ном = = = 2 Ом > r2 = 0,822 Ом;
Ремонтная перемычка ТП.
Тип ТТ: ТГФ-110-1200/5
1. на электродинамическую стойкость:
3,160 < 100 кА
2. проверка на термическую стойкость:
3,998 < 2700 кА2с
3. на соответствие классу точности для номинальной нагрузки:
Класс точности: 0,5
Амперметр Э8021:
2 > 0,82 Ом
Ввод ВН тягового трансформатора:
Тип ТТ: ТВ – 110– 400/5
1. на соответствие классу точности для номинальной нагрузки:
Класс точности: 0,5
Амперметр Э8021:
Счетчик учета электроэнергии: Альфа:
1 > 0,822 Ом
Ввод ВН районных трансформатора:
Тип ТТ: ТВ – 110– 150/5
1. на соответствие классу точности для номинальной нагрузки:
Класс точности: 0,5
Амперметр Э8021:
Счетчик учета электроэнергии: Альфа:
1 > 0,822 Ом
РУ_2х27,5 кВ
Цепь обходного выключателя:
Тип ТТ: ТВ – 35– 1000/5
1. на соответствие классу точности для номинальной нагрузки:
Класс точности: 0,5
Амперметр Э8021:
1,2 > 0,64 Ом
Вводы НН тягового трансформатора:
Тип ТТ: ТВ – 35– 800/5
1. на соответствие классу точности для номинальной нагрузки:
Класс точности: 0,5
Амперметр Э8021:
Счетчик учета электроэнергии: Альфа:
1,2 > 0,642 Ом
Фидер КС:
Тип ТТ: ТВ – 35– 400/5
1. на соответствие классу точности для номинальной нагрузки:
Класс точности: 0,5
Амперметр Э8021:
1 > 0,64 Ом
Фидер ДПР, ТСН:
Тип ТТ: ТВ – 35– 400/5
1. на соответствие классу точности для номинальной нагрузки:
Класс точности: 0,5
Амперметр Э8021:
Счетчик учета электроэнергии: Альфа:
1 > 0,642 Ом
РУ-10 кВ
Ввод НН районного трансформатора:
Тип ТТ: GDS – 10 – 1500/5
1. на электродинамическую стойкость:
13,215 < 300 кА
2. проверка на термическую стойкость:
31,141 < 14400 кА2с
3. на соответствие классу точности для номинальной нагрузки:
Класс точности: 0,5
Амперметр Э8021:
Счетчик учета электроэнергии: Альфа:
0,2> 0,155 Ом
Секционный выключатель:
Тип ТТ: GDS – 10 – 1500/5
1. на электродинамическую стойкость:
13,215 < 300 кА
2. проверка на термическую стойкость:
31,141 < 14400 кА2с
3. на соответствие классу точности для номинальной нагрузки:
Класс точности: 0,5
Амперметр Э8021:
0,2> 0,153 Ом
Фидеры районных потребителей:
Тип ТТ: GDS – 10 – 150/5
1. на электродинамическую стойкость:
13,215 < 300 кА
2. проверка на термическую стойкость:
16,382 < 14400 кА2с
3. на соответствие классу точности для номинальной нагрузки:
Класс точности: 0,5
Амперметр Э8021:
Счетчик учета электроэнергии: Альфа:
0,2> 0,155 Ом
3.9 Проверка трансформаторов напряжения
Трансформаторы напряжения проверяются:
1. по номинальному напряжению установки:
2. по конструкции и схеме соединения обмоток;
3. по классу точности;
4. по нагрузке вторичных цепей:
где: S2ном – номинальная мощность ТН в выбранном классе точности, ВА;
S2 – суммарная мощность, потребляемая подключенными к ТН приборами, ВА.
где: Sприб – мощность потребляемая всеми катушками одного прибора;
- коэффициент мощности прибора.
РУ – 110 кВ
Таблица № 9
-
Прибор
Тип прибора
Nкат
Nпр
Sн
Cos пр
Sin п
Pпр, Вт
Qпр, ВАр
Вольтметр
Э378
1
1
2
1
0
2.0
-
Реле направления мощности
РБМ-171
1
1
35
1
0
35
-
Счётчик электроэнергии
Альфа
3
6
3,6
-
-
68,8
-
Реле напряжения
РН - 54
1
3
1.0
1
0
3.0
-
ИТОГО:
104,8
0
Тип ТН: 3ЗНОГ – 110 82У3
450 > 104,8 ВА
РУ – 227.5 кВ:
Таблица № 10.
-
Прибор
Тип прибора
Nкат
Nпр
Sн
Cos пр
Sin п
Pпр, Вт
Qпр, ВАр
Вольтметр
Э378
1
1
2
1
0
2.0
-
Счётчик электроэнергии
Альфа
3
8
3,6
-
-
86,4
-
Электронная защита фидера
УЭЗФМ
1
4
4
1
0
16
-
Определитель места повреждения
ОМП
1
2
1
1
0
2
-
Реле напряжения
РН - 54
1
3
1
1
0
3
-
ИТОГО:
109,4
0
Тип ТН: 4ЗНОЛ – 35
600 > 109,4 ВА
РУ – 10 кВ
Таблица №11.
-
Прибор
Тип прибора
Nкат
Nпр
Sн
Cosпр
Sinп
Pпр, Вт
Qпр, ВАр
Вольтметр
Э378
1
1
2
1
0
2.0
-
Счётчик электроэнергии
Альфа
3
7
3,6
-
-
75,6
-
Реле напряжения
РН - 54
1
3
1.0
1
0
3.0
-
ИТОГО:
80,6
0
Тип ТН: 6НОЛ – 10 (23 НОЛ – 10)
450 > 80,6 ВА
Так как мощность нагрузки вторичной цепи осталась большой, то принимаем две группы по три однофазных ТН. Всего три комплекта однофазных ТН (два в работе и один в резерве). Разработка схем измерений
Рис. 13.
Рис. 14.
3.10 Выбор аккумуляторной батареи и зарядно-подзарядного агрегата
В качестве аккумуляторной батареи используют, как правило, свинцово-кислотные и в отдельных случаях щелочные железо-никелевые АБ.
Выбор АБ заключается в определении теплового номера батареи, состоящей из СК – аккумуляторов стационарного типа и расчёте числа последовательно включённых элементов.
Число элементов АБ, работающей в режиме постоянного подзаряда, определим по формуле:
где: -напряжение на шинах АБ, равное 258 В.
-напряжение подзаряда, равное 2.15 В.
Номер аккумуляторной батареи определим, исходя из расчётной ёмкости и наибольшего тока при разряде:
где: - расчётный ток длительного разряда;
- ток, потребляемый постоянно включенными потребителями;
- ток, потребляемый потребителями, подключенными к АБ в аварийном режиме;
- время аварийного режима, равное 2 ч.
где: - мощность цепей управления, защиты и сигнализации;
В.
где: - мощность аварийного освещения.
Номер АБ по условиям длительного режима
где: - ёмкость двухчасового разряда аккумулятора СК – 1, равная 22 Ач.
принимаем Nдл = 2
Наибольший ток при кратковременном режиме разряда АБ:
где: -ток, потребляемый наиболее мощным приводом при включении выключателя (для ВГБЭ – 35, =40 А).
Номер АБ по условиям кратковременного режима:
где: 46 А – ток кратковременного разряда для СК – 1
принимаем Nкр = 2
Окончательно принимаем СК – 2
Наибольший ток подзарядного агрегата
где:
- для СК-1 СК-5
Мощность подзарядного преобразовательного и зарядного агрегата: .
где: - число элементов АБ.
Выбираем тип выпрямителя, используемого в подзарядных и зарядных преобразователях:
ВАЗП – 380/260 – 40/80
Sн = 20,8 кВт
Sн > Sзар
20,8 > 2,834 кВт
Iн = 80 А
Iн > Iзар
80 > 21,1 А
Глава 4. План тяговой подстанции
Разработка плана тяговой подстанции.
План транзитной тяговой подстанции переменного тока системы электроснабжения 2 27,5 кВ разрабатываем в соответствии с рекомендациями изложенными в [4].
Открытую часть подстанции монтируем на конструкциях, распластоного типа с соблюдением всех стандартов на минимальные расстояния между токоведущими элементами и землёй. А также выполняем чертёж: план и разрезы тяговой подстанции.
Расчёт площади открытой части тяговой подстанции.
Площадь открытой части тяговой подстанции определим как:
где: а – длина, м а =87,8 м;
b – ширина, м b = 87,8 м.
=87,887,8 = 7700 м2
=83,883,8 = 7022 м2
Глава 5. Расчёт заземляющего устройства
Расчёт заземляющего устройства в курсовом проекте выполняем графо-аналитическим методом, основанный на применении теории подобия, которая предусматривает:
1. Замену реального грунта с изменяющимся по глубине удельным сопротивлением эквивалентной двухслойной структурой с сопротивлением верхнего слоя 1, толщиной h и сопротивлением нижнего слоя земли 2, значение которых определяется методом вертикального электрического зондирования.
Рис. 15.
2. Замену реального сложного заземляющего контура, состоящего из системы вертикальных электродов, объединённых уравнительной сеткой с шагом 4 – 20 м, и любой конфигурации – эквивалентной квадратной расчётной моделью с одинаковыми ячейками, однослойной структуры земли (3) при сохранении их площадей (S), общей длины вертикальных (LВ), горизонтальных (Lр) электродов, глубины их залегания (hг), значения сопротивления растекания (Rэ) и напряжения прикосновения (Uпр).
Рис. 16.
Предварительно определяем следующие величины:
длина горизонтальных заземлителей
число вертикальных электродов
длина вертикального электрода
где: h – толщина верхнего слоя земли;
S – площадь контура заземления.
общая длина вертикальных электродов
расстояние между вертикальными электродами
6) глубину заложения горизонтальных электродов примем равной 0,8 м
Площадь заземляющего контура S принимается по плану открытой части тяговой подстанции, сохраняя при этом расстояние от границы контура до ограждения не менее 2 м.
Сопротивление заземляющего контура:
где: - эквивалентное сопротивление грунта, Омм
А = (0,444 – 0,84, при
А = (0,355 – 0,25, при
, при
, при
А = (0,444 – 0,84
Окончательным критерием безопасности электроустановки является величина напряжения прикосновения, определяемая по формуле:
где: - ток однофазного К.З. на землю в РУ питающего напряжения, А;
кпр – коэффициент прикосновения.
где: - функция отношения ;
– коэффициент, характеризующий условие контакта человека с землёй.
где: Rчел – расчётное сопротивление человека, равное 1000 Ом;
Rст – сопротивление растекания тока со ступнёй человека, равное 1,5.
где: - Допустимое значение напряжения прикосновения, равное 130 В при tкз = 0,4 с. [4]
52 < 300 В
Выполняем проверку по напряжению заземляющего устройства:
где: - Допустимое значение напряжения заземляющего устройства, равное 10 кВ.
0,29 < 10 кВ
Глава 6. Экономическая часть проекта
6.1 Определение стоимости тяговой подстанции
Определение стоимости проектируемой тяговой подстанции производится по укрупнённым показателям стоимости строительства объектов электрификации железнодорожного транспорта с учётом основных узлов и элементов подстанции.
В связи с изменением стоимости, монтажных работ и оборудования тяговой подстанции, значение стоимости, приведённых в указанной литературе [2] необходимо умножить на следующие коэффициенты:
Сстр*100
Смонт*100
Собор*100
Стоимость тяговой подстанции определяется по формуле:
СТП = Сстр + Смонт + Собор
Годовые эксплуатационные расходы:
Сэ = СW + С + Срем + СЗП
где: СW – стоимость потерь электроэнергии
где: - стоимость 1 кВт*ч (0,64 руб/кВт*ч);
W – перерабатываемое за год количество электроэнергии;
С - стоимость амортизационных отчислений:
где: Срем - стоимость годового обслуживания и ремонта тяговой подстанции:
где: СЗП – годовой фонд заработной платы зависящий от метода обслуживания, штата должностных лиц и окладов, с учётом средств материального поощрения в размере 40 % от ФЗП.
При расчёте СЗП учитывается 13-ая зарплата, равная месячному ФЗП:
Расчёт годового фонда заработной платы сводим в таблицу № 12
Таблица № 12
-
Должность
Кол-во человек
Оклад
Начальник
1
15000
Ст. электромеханик
1
12000
Электромеханик
1
1000
Электромонтёр
2
8000
Уборщица
1
6000
Итого:
6
57000
Далее определим себестоимость перерабатываемой электроэнергии за год:
где: Сэ – годовые эксплуатационные расходы.
Стоимость 1 кВА установленной мощности рассчитываем по формуле:
где: Sу – установленная мощность всех силовых трансформаторов ТП, питающегося от входного РУ.
Для удобства сводим расчёт стоимости оборудования тяговой подстанции, строительных и монтажных работ в таблицу № 13.
Таблица № 13.
Наименование
Строительные работы ,руб.
Монтажные работы, руб.
Оборудование, руб.
Верхнее строение пути
Здание ТП
Благоустройство территории
ОРУ – 110 кВ
РУ – 10 кВ
Тяговый блок
Питание автоблокировки
Шкафы СН
Прожекторное освещение
Заземление
Отдельно стоящие молниеотводы
Порталы шинных мостов и опоры
Подвеска шин к трансформаторам 110 кВ
Резервуар для слива масла V=30 м3
Кабельные каналы
Прокладка кабелей и др.
10370
38170
9400
13740
840
13120
460
170
940
1210
1140
650
200
1780
1710
260
-
10640
-
8710
820
9690
220
30
1220
1540
-
-
180
40
-
21770
-
39770
-
52860
18850
244410
8250
1430
-
-
-
-
-
-
-
-
ИТОГО
94160
54860
365570
ИТОГО с учётом коэффициентов
9416000
5486000
36557000
руб.
6.2 Основные технико-экономические показатели тяговой подстанции
Для характеристики спроектированной тяговой подстанции приведём следующие технико-экономические показатели.
Таблица № 14
Наименование
Единица измерения
Расчётное значение
Площадь ТП
м2
7700
Установленная мощность оборудования
кВА
107000
Обслуживающий штат
чел.
6
Стоимость ТП
тыс. руб.
46559000
Стоимость строительных работ
тыс. руб.
9416000
Стоимость монтажных работ
тыс. руб.
5486000
Стоимость оборудования
тыс. руб.
36557000
Стоимость 1 кВА установленной мощности
руб./кВА
435,13
Себестоимость перерабатываемой электроэнергии
руб./кВтч
0,092
Список использованной литературы
Бей Ю. М., Мамошин П.П. и др. Тяговые подстанции: учебник для вузов железнодорожного транспорта. – М.: Транспорт, 1986 – 319 с.
Гринберг – Басин М. М. Тяговые подстанции: Пособие по дипломному проектированию. – М: Транспорт, 1986 – 168 с.
Давыдов И. К., Попов Б. М., Эрлих В. М. Справочник по эксплуатации тяговых подстанций и постов секционирования. – М: Транспорт, 1987 – 416 с.
Неклепаев Б.Н., Крючков И.П. Электрическая часть электростанций и подстанций: Справочные материалы для курсового и дипломного проектирования; Учебное пособие для вузов. – М.: Энергоатомиздат,1989. – 608 с.
Прохорский А.А. Тяговые и трансформаторные подстанции. - М: Транспорт, 1983 – 496 с.
Справочник по электроснабжению железных дорог / Под ред. К.Г. Марквардта. –М.: Транспорт, 1982.Т2 – 392 с.
Пузина Е.Ю. Методические указания с заданием на курсовой проект для студентов 3-го курса специальности «Электроснабжение железнодорожного транспорта» Г. Иркутск 2003 г.
Система тягового электроснабжения 2 25 кВ Б. М. Бородулин и др. – М: Транспорт, 1989 – 125 с.
Н. И. Белорусов., А. Е. Саакян., А. И. Яковлева. Электрические кабели, провода и шнуры. – М.: Энергоатомиздат, 1988. – 536 с.
Нравится материал? Поддержи автора!
Ещё документы из категории физика:
Чтобы скачать документ, порекомендуйте, пожалуйста, его своим друзьям в любой соц. сети.
После чего кнопка «СКАЧАТЬ» станет доступной!
Кнопочки находятся чуть ниже. Спасибо!
Кнопки:
Скачать документ