Расчет разветвленной цепи синусоидального тока







Федеральное агентство образования
ТОМСКИЙ ГОСУДАРСТВЕННЫЙ УНИВЕРСИТЕТ СИСТЕМ УПРАВЛЕНИЯ И РАДИОЭЛЕКТРОНИКИ
(ТУСУР)
Курсовая работа
«Расчет разветвленной цепи
синусоидального тока»
По дисциплине
«Общая электротехника и электроника»
Авторы учебно-методического пособия:
В.М. Дмитриев, Н.В. Кобрина, Н.П. Фикс, В.И. Хатников
Томск 2000
Вариант №15
Выполнил студент группы
«» 2008 г.
2008
Расчет разветвленной цепи синусоидального тока.
1. Cчитая, что индуктивная связь между катушками отсутствует:
1.1 составить систему уравнений в символической форме по методу контурных токов;
1.2 преобразовать схему до двух контуров;
1.3 в преобразованной схеме рассчитать токи по методу узловых потенциалов;
1.4 рассчитать ток в третьей ветви схемы (в ветви, обозначения компонентов которой имеют индекс 3) методом эквивалентного генератора и записать его мгновенное значение;
1.5 на одной координатной плоскости построить графики
и
или
;
1.6 рассчитать показание ваттметра;
1.7 составить баланс активных и реактивных мощностей;
1.8 определить погрешность расчета;
1.9 построить лучевую диаграмму токов и топографическую диаграмму напряжений для преобразованной схемы.
2. С учетом взаимной индуктивности для исходной схемы составить систему уравнений по законам Кирхгофа для мгновенных значений и в комплексной форме.
3. Выполнить развязку индуктивной связи и привести эквивалентную схему замещения.
Указания. Сопротивление R в расчетных схемах принять равным 10 Ом. При расчете принять, что
,
,
,
,
,
. Начальную фазу ЭДС
принять равной нулю, а начальные фазы ЭДС
и
— значениям
из таблицы.
, В
, В
, В
, град.
, Ом
, Ом
, Ом
, Ом
, Ом
, Ом
25
50
75
30
15
20
25
15
20
10
, 
, Гн
, Гн
, Гн
, мкФ
, мкФ
, мкФ
200
0,1
0,1
0,1
200
400
200
1. Считая, что индуктивная связь между катушками отсутствует:
Составим систему уравнений в символической форме по методу контурных токов.
Предварительно произвольно выберем направление токов в ветвях и направления контурных токов, с которыми совпадает направление обхода контуров. Таким образом по второму закону Кирхгофа имеем систему из трех уравнений:

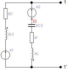
Преобразуем схему до двух контуров.
Заменим две параллельных ветви R и j XL5 одной эквивалентной с сопротивлением R' и j XL соединенных последовательно. Где ZMN – полное сопротивление этого участка.
ZMN =
= R' + j XL
Таким образом мы получим два контура.
И по второму закону Кирхгофа составим два уравнения:

В преобразованной схеме рассчитаем токи по методу узловых потенциалов.
Примем φD = 0, тогда мгновенные значения э.д.с имеют вид:
;
;
где
;
.
Затем определим модули реактивных сопротивлений элементов цепи:
;
;
;
;
.
Определим эквивалентное сопротивление участка MN:
ZMN = 
Т.е. R' = 7,93 Ом; XL = 4 Ом.
Так как цепь имеет два узла, то остается одно уравнение по методу двух узлов:
, где g1, g2, g3 – проводимости ветвей.
Рассчитаем проводимости каждой из ветвей:


Считаем E1 = E1 = 25 (В); 

Определим токи в каждой из ветвей:



Произведем проверку, применив первый закон Кирхгофа для узла C:
I3 = I1 + I2 = – 0,57 – j 0,68 +1,17 + j 1,65 = 0,6 + j 0,97
Токи совпадают, следовательно, расчет произведен верно.
Рассчитаем ток в третьей ветви схемы методом эквивалентного генератора.
Определим напряжение холостого хода относительно зажимов 1-1’

где 


Сначала определим внутреннее входное сопротивление:

Затем определим ток в третьей ветви:

Значение тока I3 совпадает со значением тока при расчете методом узловых потенциалов, что еще раз доказывает верность расчетов.
На одной координатной плоскости построим графики i3(t) и e2(t).
; 
где
;
(А)
Тогда:
; 
Начальная фаза для
:
, для
: 
Выберем масштаб me = 17,625 (В/см); mi = 0,8 (А/см).
То есть два деления для тока 1,6 А, четыре деления для Э.Д.С. 70,5 В.
Определим показания ваттметра.

Составим баланс активных и реактивных мощностей.
Должно выполняться условие:



где P = 76,3 (Вт); Q = - 25,3 (вар) (Характер нагрузки активно-емкостный)
Или 
Первый источник работает в режиме потребителя, второй в режиме генератора.

Определим погрешности расчета мощности:
- для активной мощности
- для реактивной мощности
Погрешности связаны с округлениями при расчете, они находятся в допустимых пределах.
Построим лучевую диаграмму токов и топографическую диаграмму напряжений для преобразованной цепи.
Определим потенциалы точек.
Пусть
, т.е.
.
Тогда
(В)







Выберем масштаб:
; 
;
; 
;
;
;
;
;
;
;
; 
С учетом взаимной индуктивности для исходной схемы составим систему уравнений Кирхгофа для мгновенных значений и в комплексной форме.
Из схемы следует, что обмотки L3 и L5 соединены встречно и связаны взаимной индуктивностью, тогда:
Для контура ABCD:

Для контура CDNOM:

Для контура MON:

Для узла С:

Для узла M:

Потенциалы точек A, D, N одинаковы.
Выполним развязку индуктивной связи и приведем эквивалентную схему замещения.
Ветви соединены параллельно, таким образом напряжение на всех ветвях одинаково.
- взаимная индуктивность катушек, где Kсв - коэффициент связи, не превышающий 1.
Список использованной литературы:
1. В.М. Дмитриев, Н.В. Кобрина, Н.П. Фикс, В.И. Хатников.
Теоретические основы электротехники. Ч.1: Установившиеся режимы в линейных электрических цепях: Учебное методическое пособие. Томск: Томский межвузовский центр дистанционного образования, 2001. 51 с.
2. В.М. Дмитриев, Н.В. Кобрина, Н.П. Фикс, В.И. Хатников.
Теоретические основы электротехники. Ч. 1: Установившиеся режимы в линейных электрических цепях.— Томск: Томский межвузовский центр дистанционного образования, 2001.— 157 с.
Нравится материал? Поддержи автора!
Ещё документы из категории физика:
Чтобы скачать документ, порекомендуйте, пожалуйста, его своим друзьям в любой соц. сети.
После чего кнопка «СКАЧАТЬ» станет доступной!
Кнопочки находятся чуть ниже. Спасибо!
Кнопки:
Скачать документ