Расчет тока в линейных проводах и разветвленной цепи





















































































































Задача 1. Расчет разветвленной цепи постоянного тока с одним источником энергии
Условие задачи. В электрической цепи, изображенной на рисунке, определить токи в ветвях, напряжение на зажимах и составить баланс мощности. Значения сопротивлений резисторов и ток в ветви с сопротивлением r2.
I2 = 12A; r1 = 8Ом; r2 = 7Ом; r3 = 9Ом; r4 = 7Ом; r5 = 6Ом; r6 = 15Ом.
Решение:
Преобразуем цепь к эквивалентной.
Сопротивления r4 и r5 соединены параллельно, поэтому их можно заменить сопротивлением
Схеме будет иметь вид:
Сопротивления r2 , r4,5 и r6 соединены последовательно. Следовательно их можно заменить сопротивлением
Схема будет иметь вид:
Сопротивления r3 и r2,4,5,6 соединены параллельно, поэтому заменяем их сопротивлением :
Схема имеет вид:
Сопротивления и соединены последовательно, поэтому общее сопротивление цепи:
Эквивалентная схема:
Ток в ветви с r2 известен, соответственно, ток через сопротивления r4,5 и r6 такой же, т.к. эти элементы соединены последовательно. Поэтому I6 = I2 = 12A. Падение напряжения на этих сопротивлениях (по закону Ома ):
Токи через сопротивления r4 и r5 :
Т.к. r3 и r2,4,5,6 соединены параллельно, то падение напряжения на r3 такое же, как и на r2,4,5,6.
Ток через сопротивление r3;
Т.к. U2,3,4,5,6 = U3 = U2,4,5,6 , то ток через сопротивление r2,3,4,5,6 равен:
Т.к. r1 и r2,3,4,5,6 соединены последовательно, то
Следовательно напряжение на зажимах:
Составляем баланс мощности:
Различия получившихся значений составляет:
, что вызвано ошибками округления.
Следовательно, в пределах ошибок вычислений, полученные величины совпадают
Ответ: I1 = 45,183A ; I2 = 12A ; I3 = 33,641A ; I4 = 5,539A ; I5 = 6,462A; I6 = 12A ; U =664,235B
Задача 2. Расчет разветвленной цепи постоянного тока с несколькими источниками энергии
Условие задачи. Для разветвленной электрической цепи, требуется:
– на основе законов Кирхгофа составить уравнения для определения токов (решать систему уравнений не следует);
– определить токи в ветвях схемы методом контурных токов;
– определить режимы работы активных ветвей и составить баланс мощностей.
Е1 = 70В; Е2 = 190В; r1 = 1Ом; r2 = 4Ом; r3 = 25Ом; r4 = 18Ом; r5 = 24ОМ; r6 = 22Ом.
Решение:
укажем направления токов во всех ветвях схемы. Контуры I, II и III будем обходить по часовой стрелке.
В данной схеме 4 узла; 6 ветвей. Следовательно, по 1-му закону Кирхгофа можно составить 6 – 4 + 1 =3 ур-я. Имеем:
I1 – I4 – I5 = 0
I3 + I4 – I6 = 0
I2 – I1 – I3 = 0
По 2-му закону Кирхгофа составляем 6 – 3 = 3 ур-я.
- E1 = I1 * r1 + I4 * r4 – I3 * r3
O = I5 * r5 – I6 * r6 – I4 * r4
E2 = I2 * r2 + I3 * r3 + I6 * r6
используем метод контурных токов. Полагаем, что контурные токи текут в в контурах I, II и III по часовой стрелке. Поэтому получим:
Подставляя числовые значения, получим систему:
Решаем данную систему по формулам Крамера:
Т.о.
Следовательно, токи в ветвях равны:
определим режим работы активных ветвей
для источника Е1 направления движения ЭДС и тока I1 не совпадают, поэтому ветвь работает в режиме потребителя; для Е2 – направлены одинаково ветвь работает в режиме генератора.
Баланс мощности:
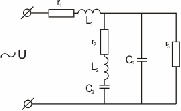
Задача 3. Расчет разветвленной цепи синусоидального переменного тока
Условие задачи. В цепи переменного тока, заданы параметры включенных в нее элементов, действующее значение и начальная фаза ψ U напряжения, а также частота питающего напряжения f = 50 Гц .
f = 50 Гц; U = 380B; ψ U = 150; r1 = 8Ом; L1 = 26мГн; C1 = 200миФ; r2 = 12Ом; r3 = 5Ом; L2 = 31мГн; L3 = 12мГн; C2 = 200миФ; C3 = 250миФ.
Решение
Запишем сопротивления ветвей в комплексной форме.
Объединяя С3 и r3 в одну ветвь, имеем:
Найдем комплексное значение полного сопротивления на участие с параллельным соединением
Общее сопротивление всей цепи:
напряжение источника в комплексной форме:
Тогда ток в неразветвленной части цепи:
Напряжение на участие с параллельным соединением ветвей:
Токи в параллельных ветвях цепи:
Для ветви с r2, L2 и С2 имеем:
Для ветви с параллельным соединением r3 и С3:
Для отдельно рассматриваемых r3 и С3 получим:
мгновенные значения напряжения на участие цепи с параллельными соединением:
Для токов в ветвях имеем:
Неразветвленная часть цепи:
Для ветви с r2, L2 и С2:
Для ветвей с параллельным соединением r3 и С3:
Для отдельно рассматриваемых r3 и С3:
строим векторную диаграмму по расчетным значениям токов и напряжений при этом учитываем, что
полная мощность источника:
;
где - сопряженное комплексное значение тока.
Активная мощность равна действительной части комплексного значения полной мощности: Р = 9402,9 Вт ; а реактивная – мнимой части : Q = =5739,5вар.
баланс мощности
, Различие вызвано ошибками округления
, вызвано ошибками округления
Итог: задача решена верно.
Задача 4. Расчет трехфазной цепи переменного тока
Условие задачи. К трехфазному источнику с симметричной системой фазных напряжений подключены сопротивления, распределение которых по фазам. Значения линейного напряжения Uл, активных r, индуктивных ХL и емкостных XC сопротивлений приемников. При расчете цепи пренебрегаем сопротивлением линейных и нейтрального проводов.
Требуется: 1) нарисовать схему соединения приемников в звезду с нулевым проводом; 2) определить токи в линейных и нейтральном проводах; 3) определить активную и реактивную мощности, потребляемые цепью; 4) построить векторную диаграмму; 5) включить эти же элементы приемника по схеме треугольника, определить фазные и линейные токи.
Вариант 1
Uл = 380В
Фаза А: r 1 = 6 Ом
Фаза В: r 2 = 6 Ом ; xL2 = 6 Ом
Фаза С: r 3 = 3 Ом ; xС3 = 5 Ом
Решение:
Схема соединения в звезду с нулевым приводом:
напряжения в фазах приемника в комплексной форме:
;
где
Модули и фазы сопротивлений:
;
При соединении приемников в звезду токи линейные равны токам фазным, и определяются по закону Ома:
Ток в нейтральном проводе определяется по первому закону Кирхгофа:
определяем активную и реактивную мощности, потребляемые системой.
Где Ui и Ii –действующие значения токов и напряжений; ψi – сдвиг фаз между U и I.
Т.к. ; , то
;
;
Следовательно,
Полная мощность:
векторную диаграмму строим по найденным значениям токов и напряжений.
Ток
при соединении нагрузки в треугольник для фазных напряжений имеем:
Токи в фазах приемника по закону Ома:
Токи в линейных проводах равны:
Из сравнения линейных токов для соединения в звезду и треугольник видно, что при соединении токи в в линейных проводах увеличиваются.
Нравится материал? Поддержи автора!
Ещё документы из категории физика:
Чтобы скачать документ, порекомендуйте, пожалуйста, его своим друзьям в любой соц. сети.
После чего кнопка «СКАЧАТЬ» станет доступной!
Кнопочки находятся чуть ниже. Спасибо!
Кнопки:
Скачать документ