Разработка системы управления двигателя постоянного тока
1








































































































































































































































































































































































Содержание
Введение…………………………….…………………………………..................2
1. Определение параметров и структуры объекта управления.….…………….3
2. Разработка алгоритма управления и расчёт параметров устройств управления……………………………………………………………………...…7
3. Моделирование процессов управления, определение и оценка показателей качества…………………………………………………………………………..16
4. Разработка принципиальной электрической схемы и выбор её элементов.23
Список литературы.………………………………………….………………..…39
Введение
На современном этапе, характеризующемся приоритетным развитием машиностроения и автоматизации производства, автоматизированный электропривод сформировался как самостоятельное научное направление, в значительной степени определяющее прогресс в области техники и технологии, связанных с механическим движением, получаемым путем преобразования электрической энергии. Этим объясняется большой интерес специалистов к новым разработкам в данной отрасли техники и к ее научным проблемам.
Четко определился объект научного направления – система, отвечающая за управляемое электромеханическое преобразование энергии и включающая два взаимодействующих канала – силовой, состоящий из участка электрической сети, электрического, электромеханического, механического преобразователей, технологического рабочего органа, и информационный канал. В рамках данного курсового проекта рассматривается разработка информационного канала.
1. Определение параметров и структуры объекта управления
В состав объекта управления входит двигатель постоянного тока независимого возбуждения с параметрами по табл. 10.11 [1, стр. 277]:
-
- номинальная мощность,
- номинальное напряжение питания обмотки возбуждения и якорной цепи,
- КПД,
- номинальная частота вращения,
- максимальная частота вращения,
- сопротивление обмотки якоря,
- сопротивление добавочных полюсов,
- индуктивность обмотки якоря,
- сопротивление обмотки возбуждения,
- момент инерции якоря.
- число пар полюсов.
- коэффициент инерционности механизма.
Данный ЭД предназначен для работы в широкорегулируемых электроприводах, соответствует , имеет защищенное исполнение, с независимой вентиляцией (асинхронный двигатель ).
Номинальная угловая скорость вращения
Максимальная угловая скорость вращения:
Номинальный ток якоря:
Суммарное сопротивление якорной цепи:
Произведение постоянной машины на номинальный поток:
Постоянная времени якорной цепи:
Номинальный момент:
Номинальный ток обмотки возбуждения:
Исходя из высоты оси вращения по табл. 1 [2, стр. 5]:
По рис. 4 [2, стр. 10]:
По рис. 2б [2, стр. 8]:
По табл. 2 [2, стр. 9] для класса изоляции :
По табл. 3 [2, стр. 10] для :
Окончательно получим:
По рис. 3 [2, стр. 9]:
Полюсное деление равно:
Число витков обмотки возбуждения [2, стр. 27]:
Номинальный магнитный поток:
Постоянная машины:
Коэффициент рассеяния [3, стр. 38]:
Индуктивность обмотки возбуждения:
Постоянная времени обмотки возбуждения:
Постоянная времени обмотки возбуждения:
Суммарный момент инерции механизма:
Так же объёкт управления содержит возбуждения и напряжения якоря, частота коммутации которых:
Постоянная времени преобразователей равна:
Так как и представим преобразователи в виде пропорциональных звеньев, откуда с учетом диапазона стандартных управляющих сигналов () имеем и максимальной скважности () получим:
2. Разработка алгоритма управления и расчёт параметров устройств управления
Объект управления описывается следующими уравнениями [3, стр.38-39]:
Выберем двухконтурную систему управления скорости с внутренним контуром потока (рис. 1).
Рис. 1. Двухконтурная система регулирования скорости.
Универсальная кривая намагничивания представлена на рис. 3.
Так как регулирование происходит изменением потока, минимальный поток будет при максимальной скорости:
Минимальный ток возбуждения (по рис. 3):
Рис. 3. Универсальная кривая намагничивания.
При этом коэффициент линеаризации кривой намагничивания лежит в диапазоне:
Максимальная постоянная времени потока:
Коэффициент форсирования тока возбуждения [4, стр. 559]:
Малая постоянная времени:
Желаемая передаточная функция замкнутого контура потока:
Желаемая передаточная функция разомкнутого контура потока:
Передаточная функция разомкнутого контура потока:
Коэффициент обратной связи по потоку:
Передаточная функция регулятора потока:
где
Коэффициент подлежит определению непрерывно, для чего контур потока будет модифицирован (рис. 4.).
Рис. 4. Модифицированный контур регулирования потока.
Коэффициент обратной связи по скорости:
Коэффициент обратной связи ЭДС:
Коэффициент обратной связи по току возбуждения:
Коэффициент нормализации
С учётом этого:
Внешний контур скорости представлен на рис. 5.
Рис. 5. Контур регулирования скорости.
Желаемая передаточная функция разомкнутого контура скорости:
Передаточная функция разомкнутого контура скорости:
Передаточная функция регулятора скорости
где
Так как нагрузка с постоянной мощностью изменяет знак и коэффициент подлежит определению непрерывно контур скорости также будет модифицирован (рис. 6.).
Рис. 6. Модифицированный контур регулирования скорости.
Коэффициент обратной связи по току якоря:
Отсюда следует:
Передаточная функция контура компенсирующего влияние нагрузки:
Коэффициент задания мощности нагрузки:
Откуда (с учётом принятых выше коэффициентов) имеем:
где
Структура системы управления стабилизатором напряжения в цепи якоря приведена на рис. 7.
Рис. 7. Контур управления напряжением якоря.
Здесь:
Структурная схема всей системы управления и объекта приведена на рис. 8.
Рис. 8. Структурная схема системы управления и объекта.
3. Моделирование процессов управления, определение и оценка показателей качества
Модель объекта и системы управления в комплексе представлена на рис. 9.
Моделирование будем проводить по нижеследующему алгоритму:
Пуск на номинальную скорость -
максимальный скачёк задания -, (рис. 10 – рис. 14)
Проверка отработки задания
(рис. 15 – рис. 10)
Рис. 9. Модель объекта и систему управления.
Рис. 10. Зависимость от времени.
Рис. 11. Зависимость и от времени.
Рис. 12. Зависимость и от времени.
Рис. 13. Зависимость и от времени.
Рис. 14. Зависимость от времени.
Рис. 15. Зависимость от времени.
Рис. 16. Зависимость и от времени.
Рис. 17. Зависимость от времени.
Рис. 18. Зависимость и от времени.
Рис. 19. Зависимость от времени.
Для технического оптимума:
-перерегулирование составляет:
-время нарастания:
По результатам моделирования:
-перерегулирование составляет:
-время нарастания:
Статическая ошибка отсутствует.
Отсюда можно сделать вывод:
динамика и статика спроектированной системы полностью удовлетворяет требованиям технического задания.
4. Разработка принципиальной электрической схемы и выбор её элементов
Обратная связь по скорости.
Рис. 20. Обратная связь по скорости.
Схема обратной связи по скорости представлена на рис. 20, здесь:
-фильтр коллекторных пульсаций тахогенератора с :
- ,
-
-цепь защиты от обрыва обратной связи:
- с параметрами
- максимальный прямой ток,
- прямое напряжение,
- максимальное обратное напряжение,
- ёмкость диода,
- максимальная рабочая частота;
-тахогенератор встроенный в двигатель:
-коэффициент усиления схемы:
,
,
- ,
;
-усилительный элемент:
- с параметрами
- напряжение питания,
- максимальное выходное напряжение,
- входной ток,
- коэффициент нарастания напряжения,
- коэффициент усиления по напряжению,
- максимальная рабочая частота;
-фильтр пульсаций напряжения питания усилителя:
- ,
Обратная связь по току якоря.
Рис. 21. Обратная связь по току якоря.
Схема обратной связи по току якоря представлена на рис. 21, здесь:
-фильтр пульсаций с :
- ,
- ;
-датчик тока:
- с параметрами :
- номинальный входной ток,
- напряжение питания,
- сопротивление нагрузки,
- коэффициент датчика тока;
-коэффициент усиления схемы:
- ,
-,
-усилительный элемент: -;
-фильтр пульсаций напряжения питания усилителя: - .
Обратная связь по току возбуждения.
Рис. 22. Обратная связь по току возбуждения.
Схема обратной связи по току возбуждения представлена на рис. 22, здесь:
-фильтр пульсаций с :
- ,
- ;
-датчик тока:
- с параметрами
- номинальный входной ток,
- напряжение питания,
- сопротивление нагрузки,
- коэффициент датчика тока;
-коэффициент усиления схемы:
,
- ,
,
-усилительный элемент: -;
-фильтр пульсаций напряжения питания усилителя: - .
Обратная связь по ЭДС.
Рис. 23. Обратная связь по ЭДС.
Схема обратной связи по ЭДС представлена на рис. 23, здесь:
-фильтр пульсаций с :
- ,
- ;
-датчик напряжения:
- с параметрами :
- номинальный входной ток,
- напряжение питания,
- сопротивление нагрузки,
- коэффициент датчика напряжения;
-коэффициент усиления схемы:
- ,
-,
-,
-усилительный элемент: -;
-фильтр пульсаций напряжения питания усилителя: -
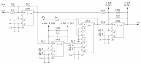
Обратная связь по потоку.
Рис. 24. Обратная связь по потоку.
Схема обратной связи по потоку представлена на рис. 24, здесь:
-коэффициент усиления схемы:
,
- ,
- ,
-,
-;
-защита от отрицательного напряжения: -
-ограничение :
- с параметрами:
- напряжение стабилизации,
- ток стабилизации;
- с параметрами:
- напряжение стабилизации,
- ток стабилизации;
-;
-
-перемножитель напряжения: - с параметрами:
- напряжение питания,
- максимальное выходное напряжение,
- входной ток,
- коэффициент нарастания напряжения,
- коэффициент умножения,
- максимальная рабочая частота;
-усилительный элемент: -;
-фильтр пульсаций напряжения питания: - .
Модульная функция.
Рис. 24. Модульная функция.
Схема модульной функции представлена на рис. 24, здесь:
-сопротивления: -;
-усилительный элемент: -;
-фильтр пульсаций напряжения питания усилителя: - .
Регулятор скорости.
Рис. 25. Регулятор скорости.
Схема регулятора скорости представлена на рис. 25, здесь:
-компенсация нагрузки:
- ,
-,
-,
,
-
,
-
,
-
,
-;
-усилительный элемент: -
-перемножитель напряжения: - с параметрами
-ограничение сигналов:
-,
- ,
-
-фильтр пульсаций напряжения питания усилителя: -
Регулятор потока.
Рис. 26. Регулятор потока.
Схема регулятора потока представлена на рис. 26, здесь:
-компенсация нагрузки:
- ,
- ,
-,
-
,
-
-усилительный элемент: -;
-перемножитель напряжения: - ;
-ограничение сигналов: -;
-фильтр пульсаций напряжения питания усилителя: - .
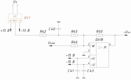
Управление стабилизатором напряжения якоря.
Рис. 27. Управление стабилизатором напряжения якоря.
Схема управление стабилизатором напряжения якоря представлена на рис. 27, здесь:
- ,
-,
-,
-,
Реле защиты.
Рис. 28. Реле защиты.
Схема реле защиты представлена на рис. 28, здесь:
-,
-,
-,
-
Список литературы
1. Справочник по электрическим машинам: В 2 т./ Под общ. Ред. И. П. Копылова и Б. К. Клокова. Т. 1. – М.: Энегроатомиздат, 1988, - 456 с.
2. Заборщикова А. В., Мельников В. И. «Двигатели постоянного тока для автоматизированного электропривода»: Учебное пособие. – СПб: Петербургский гос. ун-т путей сообщ., 1994. – 84 с.
3. Башарин А. В., Новиков В. А., Соколовский Г. Г. «Управление электроприводами» : Учебное пособие для вузов. – Л.: Энергоатомиздат. Ленингр. Отд-ние, 1982. – 392 с., ил.
4. Ключев В. И. «Теория электропривода»: Учеб. Для вузов. – 2-е изд. Перераб. И доп. – М.: Энегроатомиздат, 2001. – 704 с.: ил
5. Герман-Галкин С. Г. И др. Цифровые электроприводы с транзисторными преобразователями. - Л.: Энергоатомиздат. Ленинградское отделение, 1986.–246 с.
4. Справочник разработчика и конструктора РЭА. Элементная база : В 2 кн. / Масленников М. Ю., Соболева Е. А и др. – М.: Б. И., 1996.-157-300с.
5. Операционные усилители и компараторы. – М.: Издательский дом «ДОДЭКА ХХI», 2002.-560 с.
. Бурков А. Т. Электронная техника и преобразователи: Учеб. Для вузов ж.–д. трансп. – М.: Транспорт, 1999.-464 с.
6. Александров К. К., Кузьмина Е. Г. Электротехнические чертежи и схемы. – М.: Энергоатомиздат, 1990.-288с.
Нравится материал? Поддержи автора!
Ещё документы из категории физика:
Чтобы скачать документ, порекомендуйте, пожалуйста, его своим друзьям в любой соц. сети.
После чего кнопка «СКАЧАТЬ» станет доступной!
Кнопочки находятся чуть ниже. Спасибо!
Кнопки:
Скачать документ