Конструирование микросхем и микропроцессоров
Московский Государственный институт электроники и математики
(Технический университет)
Кафедра: РТУиС
Пояснительная записка
по выполнению курсового проекта на тему:
“Конструирование микросхем и микропроцессоров”
Выполнил: студент группы Р-72
Густов А.М.
Руководитель: доцент кафедры РТУиС,
кандидат технических
наук Мишин Г.Т.
Москва, 1994
Задание на курсовое проектирование
В данном курсовом проекте требуется разработать комплект конструкторской документации интегральной микросхемы К 237 ХА2. По функциональному назначению разрабатываемая микросхема представляет собой усилитель промежуточной частоты. Микросхема должна быть изготовлена по тонкопленочной технологии методом свободных масок (МСМ) в виде гибридной интегральной микросхемы (ГИМС).

Рис. 1. Схема электрическая принципиальная
Таблица 1. Номиналы элементов схемы:
Элемент
Номинал
Элемент
Номинал
Элемент
Номинал
Элемент
Номинал
R1
950 Ом
R7
4,25 кОм
R13
1 кОм
R19
1 кОм
R2
14 кОм
R8
12,5 кОм
R14
3,5 кОм
C1
3800 пФ
R3
45 кОм
R9
500 Ом
R15
10 кОм
VT1-VT8
КТ 312
R4
35 кОм
R10
3 кОм
R16
3,5 кОм
E
7,25 В
R5
12,5 кОм
R11
10 кОм
R17
2,5 кОм
R6
950 Ом
R12
500 Ом
R18
1 кОм
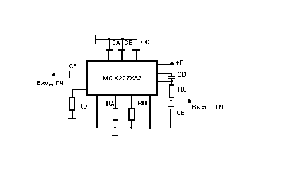
Для подачи на схему входного сигнала и снятия выходного к микросхеме требуется подключить некоторое количество навесных элементов. Одна из возможных схем включения приведена на следующем рисунке.
Рис. 2. Возможная схема включения
Таблица 2. Номиналы элементов схемы включения
Элемент
Номинал
Элемент
Номинал
RA
8,2 кОм
CB
1 мкФ
RB
43 Ом
CC
0,033 мкФ
RC
2,2 кОм
CD
0,015 мкФ
RD
1,5 кОм
CE
4700 пФ
CA
3300 пФ
CF
3300 пФ
Технические требования:
Конструкцию микросхемы выполнить в соответствии с электрической принципиальной схемой по тонкопленочной технологии методом свободных масок в корпусе.
Микросхема должна удовлетворять общим техническим условиям и удовлетворять следующим требованиям:
предельная рабочая температура - 150 С;
расчетное время эксплуатации - 5000 часов;
вибрация с частотой - 5-2000 Гц;
удары многократные с ускорением 35;
удары однократные с ускорением 100;
ускорения до 50.
Вид производства - мелкосерийное, объем - 5000 в год.
Аннотация
Целью данного курсового проекта является разработка интегральной микросхемы в соответствии с требованиями, приведенными в техническом задании. Микросхема выполняется методом свободных масок по тонкопленочной технологии.
В процессе выполнения работы мы выполнили следующие действия и получили результаты:
- произвели электрический расчет схемы с помощью программы электрического моделирования “VITUS”, в результате которого мы получили необходимые данные для расчета геометрических размеров элементов;
- произвели расчет геометрических размеров элементов и получили их размеры, необходимые для выбора топологии микросхемы;
- произвели выбор подложки для микросхемы и расположили на ней элементы, а также в соответствии с электрической принципиальной схемой сделали соединения между элементами;
- выбрали корпус для микросхемы с тем расчетом, чтобы стандартная подложка с размещенными элементами помещалась в один из корпусов, рекомендуемых ГОСТом 17467-79.
Введение
Приведем принципы работы и основные характеристики разрабатываемой микросхемы:
Микросхема К 237 ХА 2 предназначена для усиления и детектирования сигналов ПЧ (промежуточной частоты) радиоприемных устройств не имеющих УКВ диапазона, а также для усиления напряжения АРУ (автоматической регулировки усиления). Широкополосный усилитель ПЧ состоит из регулируемого усилителя на транзисторах Т4, Т5 и Т6. Усиленный сигнал поступает на детектор АМ-сигналов (амплитудно-модулированных сигналов), выполненный на составном транзисторе Т7, Т8. Низкочастотный сигнал с резистора R19, включенного в эмиттерную цепь, подается через внешний фильтр на предварительный усилитель НЧ (низкой частоты), а также через резистор R15 на базу транзистора Т3, входящего в усилитель АРУ. Усиленное напряжение АРУ снимается с эмиттера транзистора Т2. Изменение напряжения на эмиттере транзистора Т2 вызывает изменение напряжения питания транзистора Т1, а следовательно и его усиления.
На частоте 465 кГц коэффициент усиления усилителя ПЧ составляет 1200 - 2500. Коэффициент нелинейных искажений не превышает 3%. Если входной сигнал меняется от 0,05 до 3 мВ, то изменение выходного напряжения не превышает 6дБ. Напряжение на выходе системы АРУ при отсутствии выходного сигнала составляет 3 - 4,5 В. Напряжение питания составляет 3,6 - 10 В. Потребляемая мощность не более 35 мВт.
Анализ задания на проект
Микросхема усиления промежуточной частоты (ПЧ) К 237ХА2 может быть изготовлена по тонкопленочной технологии с применением навесных элементов. Конструкция микросхемы выполняется методом свободной маски, при этом каждый слой тонкопленочной структуры наносится через специальный трафарет. На поверхности подложки сформированы пленочные резисторы, конденсаторы, а также контактные площадки и межэлементные соединения. Пленочная технология не предусматривает изготовление транзисторов, поэтому транзисторы выполнены в виде навесных элементов, приклеенных на подложку микросхемы. Выводы транзисторов привариваются к соответствующим контактным площадкам.
Электрический расчет принципиальной схемы
Электрический расчет производился с помощью системы “VITUS”.
Система VITUS - это компьютерное инструментальное средство разработчика электронных схем. Система VITUS позволяет рассчитать токи, напряжения, мощности во всех узлах и элементах схемы, частотные и спектральные характеристики схемы. Система VITUS объединяет в себе компьютерный аналог вольтметров, амперметров и ваттметров постоянного и переменного тока, генераторов сигналов произвольной формы, многоканального осциллографа, измерителя частотных характе-ристик.
Система VITUS :
позволяет описывать принципиальную схему как в графическом виде, так и на встроенном входном языке;
выводит требуемые результаты расчета в графическом виде;
снабжена справочником параметров элементов;
работает под управлением дружественного интерфейса.
Основной задачей электрического расчета является определение мощностей, рассеиваемых резисторами и рабочих напряжений на обкладках конденсаторов. В результате расчета были получены реальные значения мощностей и напряжений, которые являются исходными данными для расчета геометрических размеров элементов.
Результаты расчета приводятся в расчете геометрических размеров элементов.
Данные для расчета геометрических размеров тонкопленочных элементов
Таблица 3. Данные для расчета резисторов
Резистор
Рном , Вт
R

Резистор
Рном , Вт
R

R1
1,41E-6
0,2
0,1
R11
4,46E-3
0,22
0,1
R2
3,36E-8
0,22
0,1
R12
2,23E-4
0,2
0,1
R3
2,47E-4
0,22
0,1
R13
1,79E-5
0,2
0,1
R4
1,98E-4
0,22
0,1
R14
1,05E-2
0,2
0,1
R5
8,58E-6
0,22
0,1
R15
3,91E-10
0,22
0,1
R6
5,35E-13
0,2
0,1
R16
1,27E-6
0,2
0,1
R7
3,21E-5
0,2
0,1
R17
3,46E-4
0,2
0,1
R8
3,30E-3
0,22
0,1
R18
1,95E-4
0,2
0,1
R9
7,4E-5
0,2
0,1
R19
1,97E-4
0,2
0,1
R10
4,51E-5
0,2
0,1
Таблица 4. Данные для расчета конденсаторов
Конденсатор
Uраб , В


C1
2,348
0,23
0,115
Расчет геометрических размеров тонкопленочных резисторов, выполненных методом свободной маски (МСМ)
1. Исходные данные:
а). конструкторские:
, где
Rн - номинальное сопротивление резистора;
R - относительная погрешность номинального сопротивления;
Pн - номинальная мощность;
Tmax C - максимальная рабочая температура МС;
tэкспл - время эксплуатации МС.
б). технологические:
, где
b(l) - абсолютная погрешность изготовления;
lустан - абсолютная погрешность совмещения трафарета;
- относительная погрешность удельного сопротивления.
2. Определяем диапазон
, в котором можно вести расчет:
0,02 Rmax
< Rmin 900 <
< 500
Видим, что неравенство не выполняется, значит все эти резисторы изготовить из одного материала невозможно. Чтобы мы все же могли изготовить резисторы, надо разбить их на две группы и для каждой группы выбрать свой материал.
Таблица 5. Разбивка резисторов на группы
Первая группа
R1, R6, R7, R9, R10, R12, R13, R14, R16, R17, R18, R19 (500 - 4250 Ом)
Вторая группа
R2, R3, R4, R5, R8, R11, R15 (10 - 45 кОм)
Расчет резисторов первой группы.
1. Определяем диапазон
, в котором можно вести расчет:
0,02 Rmax <
< Rmin 85 <
< 500
Видим, что неравенство выполняется, следовательно эти резисторы выполняются из одного материала. Для того чтобы резисторы были как можно меньше выберем материал с как можно большим удельным поверхностным сопротивлением (
). Остановим свой выбор на материале “МЛТ-3М”. Этот материал обладает следующими характеристиками:
Таблица 6. Материал для первой группы резисторов
№
Наименование
, Ом/
R , 1/C
P0 , мВт/мм2
S, %/103 час
1
Сплав МЛТ-3М К0,028,005,ТУ
200 -500
0,0002
10
0,5
Как уже говорилось,
лучше взять как можно больше, т.е. в данном случае это
=500. Этот материал обладает неплохими характеристиками, присущими резистивным материалам, а именно: низким ТКС (R), низким коэффициентом нестабильности (старения) (S), хорошей адгезией и технологичностью.
2. Вычислим относительную температурную погрешность:
=0,0002(150-20)=0,026
3. Вычислим относительную погрешность старения:
, где
tисп - время испытания за которое определен коэффициент старения S;
tисп = 1000 часов.
4. Вычислим относительную погрешность контактирования:
= 0,01 - 0,03 зададимся 
=0,01
5. Вычислим относительную погрешность формы:
кф = R -
-
-
-
= 0,2 - 0,1 - 0,026 - 0,025 -0,01=0,039;
6. Определение вида резистора (подстраиваемый или неподстраиваемый):
кф > b/ bmax , где bmax = 2 мм кф > 0,01 резистор неподстраиваемый.
Предпочтение отдается неподстраиваемому резистору.
7. Вычислим коэффициент формы рассчитываемого резистора:
= 950/500 = 1,9;
8. Определение вида резистора (прямой или меандр):
Если коэффициент формы меньше 10, то резистор прямой, а если больше десяти, то резистор изготовляется в форме меандра. Предпочтение отдается прямому резистору. В данном случае резистор изготовляется прямым.
9. Определение ширины резистора по мощности рассеяния:

10. Определение основного размера по заданной точности:
, где l=b=0,02 при условии, что коэффициент формы больше единицы.
11. Выбор основного размера:
b = 0,78 мм
12. Определение длины резистора:

13. Проверка проведенных расчетов:
Ом расчет выполнен правильно !
На этом этапе мы рассчитали первый резистор из первой группы (R1). Расчет остальных резисторов этой группы аналогичен и далее не приводится. Результаты расчета всех резисторов данной группы сведены в таблицу.
Таблица 7. Результаты расчета резисторов первой группы
Резистор
Кф
bmin , мм
bmin p , мм
b, мм
l, мм
Вид резистора
R1
1,9
0,78
0,0086
0,78
1,48
Прямой, неподстр.
R6
1,9
0,78
0,0000053
0,78
1,48
Прямой, неподстр.
R7
8,5
0,57
0,02
0,57
4,85
Прямой, неподстр.
R9
1
1,03
0,086
1,03
1,03
Прямой, неподстр.
R10
6
0,60
0,03
0,60
3,60
Прямой, неподстр.
R12
1
1,03
0,15
1,03
1,03
Прямой, неподстр.
R13
2
0,77
0,03
0,77
1,54
Прямой, неподстр.
R14
7
0,59
0,39
0,59
4,13
Прямой, неподстр.
R16
7
0,59
0,0043
0,59
4,13
Прямой, неподстр.
R17
5
0,62
0,083
0,62
3,10
Прямой, неподстр.
R18
2
0,77
0,10
0,77
1,54
Прямой, неподстр.
R19
2
0,77
0,10
0,77
1,54
Прямой, неподстр.
На этом расчет резисторов первой группы завершен. Все резисторы получились прямыми и неподстраиваемыми. Благодаря этому размеры резисторов минимальны, что позволит располагать их на подложке компактно и с наибольшей степенью интеграции.
Расчет резисторов второй группы.
1. Определяем диапазон
, в котором можно вести расчет:
0,02 Rmax <
< Rmin 900 <
< 10000
Видим, что неравенство выполняется, следовательно эти резисторы выполняются из одного материала. Для того чтобы резисторы были как можно меньше выберем материал с как можно большим удельным поверхностным сопротивлением (
). Остановим свой выбор на материале “КЕРМЕТ”. Этот материал обладает следующими характеристиками:
Таблица 8. Материал для второй группы резисторов
№
Наименование
, Ом/
R , 1/C
P0 , мВт/мм2
S, %/103 час
2
Кермет К-50С
ЕТО,021,013,ТУ
5000
0,0004
10
0,5
Этот материал обладает хорошими характеристиками, свойственными резистивным материалам, а именно: низким ТКС (R), низким коэффициентом нестабильности (старения) (S), хорошей адгезией и технологичностью.
2. Вычислим относительную температурную погрешность:
=0,0004(150-20)=0,052
3. Вычислим относительную погрешность старения:
, где
tисп - время испытания за которое определен коэффициент старения S;
tисп = 1000 часов.
4. Вычислим относительную погрешность контактирования:
= 0,01 - 0,03 зададимся 
=0,01
5. Вычислим относительную погрешность формы:
кф = R -
-
-
-
= 0,22 - 0,1 - 0,052 - 0,025 -0,01=0,033;
6. Определение вида резистора (подстраиваемый или неподстраиваемый):
кф > b/ bmax , где bmax = 2 мм кф > 0,01 резистор неподстраиваемый.
Предпочтение отдается неподстраиваемому резистору.
7. Вычислим коэффициент формы рассчитываемого резистора:
= 14000/5000 = 2,8;
8. Определение вида резистора (прямой или меандр):
Если коэффициент формы меньше 10, то резистор прямой, а если больше десяти, то резистор изготовляется в форме меандра. Предпочтение отдается прямому резистору. В данном случае резистор изготовляется прямым.
9. Определение ширины резистора по мощности рассеяния:

10. Определение основного размера по заданной точности:
, где l=b=0,02 при условии, что коэффициент формы больше единицы.
11. Выбор основного размера:
b = 0,82 мм
12. Определение длины резистора:

13. Проверка проведенных расчетов:
Ом расчет выполнен правильно !
На этом этапе мы рассчитали первый резистор из второй группы (R2). Расчет остальных резисторов этой группы аналогичен и далее не приводится. Результаты расчета всех резисторов данной группы сведены в таблицу.
Таблица 9. Результаты расчет резисторов второй группы
Резистор
Кф
bmin , мм
bmin p , мм
b, мм
l, мм
Вид резистора
R2
2,8
0,82
0,0011
0,82
2,30
Прямой, неподстр.
R3
9
0,67
0,052
0,67
6,03
Прямой, неподстр.
R4
7
0,70
0,053
0,70
4,90
Прямой, неподстр.
R5
2,5
0,85
0,0185
0,85
1,03
Прямой, неподстр.
R8
2,5
0,85
0,36
0,85
2,13
Прямой, неподстр.
R11
2
0,91
0,47
0,91
1,82
Прямой, неподстр.
R15
2
0,91
0,00014
0,91
1,82
Прямой, неподстр.
На этом расчет резисторов второй группы завершен. Все резисторы получились прямыми и неподстраиваемыми. Вследствие этого размеры резисторов минимальны, что позволит располагать их на подложке компактно и с наибольшей степенью интеграции.
Расчет резисторов закончен !
Расчет контактных переходов для резисторов первой группы
1. Исходные данные для низкоомных резисторов:
, где
Rн - номинальное сопротивление резистора;
- относительная погрешность контактирования;
- удельное поверхностное сопротивление;
bmin - минимальная ширина резистора;
2. Рассчитаем максимально допустимое значение сопротивления контактного перехода:
Ом;
3. Рассчитаем сопротивление контактного перехода:
Ом;
4. Проверка условия:
Rк доп должно быть больше, чем Rк п. Условие соблюдается.
5. Находим минимальную длину контактного перехода:
мм;
6. Находим реальную длину контактного перехода:

Остальные резисторы данной группы удовлетворяют этому условию.
Расчет контактных переходов для резисторов второй группы
1. Исходные данные для высокоомных резисторов:
, где
Rн - номинальное сопротивление резистора;
- относительная погрешность контактирования;
- удельное поверхностное сопротивление;
bmin - минимальная ширина резистора;
2. Рассчитаем максимально допустимое значение сопротивления контактного перехода:
Ом;
3. Рассчитаем сопротивление контактного перехода:
Ом;
4. Проверка условия:
Rк доп должно быть больше, чем Rк п. Условие соблюдается.
5. Находим минимальную длину контактного перехода:
мм;
6. Находим реальную длину контактного перехода:

Остальные резисторы данной группы удовлетворяют этому условию.
Расчет геометрических размеров тонкопленочных конденсаторов, выполненных методом свободной маски (МСМ)
1. Исходные данные:
а). конструкторские:
, где
Cн - номинальная емкость конденсатора;
C - относительная погрешность номинальной емкости;
Up- рабочее напряжение на конденсаторе;
Tmax C - максимальная рабочая температура МС;
tэкспл - время эксплуатации МС.
б). технологические:
, где
b(l) - абсолютная погрешность изготовления;
lустан - абсолютная погрешность совмещения трафарета;
- относительная погрешность удельной емкости.
2. Выбор материала диэлектрика:
В качестве материала диэлектрика будем использовать “СТЕКЛО ЭЛЕКТРОВАКУУМНОЕ”. Характеристики этого материала приведены в таблице:
Таблица 10. Материал диэлектрика конденсатора
Материал
С0, пФ/мм2
tg
Eпр, В/мкм
с, 10-4
S, %/1000ч
Стекло электровакуумное С41-1
НПО.027.600
100 - 300
5 - 6
0,002 -
0,005
200 - 400
2
1,5
3. Определение толщины диэлектрика:
мкм, где
Кз - коэффициент запаса, необходимый для обеспечения надежностных характеристик и равный 2 - 4. Примем Кз = 2.
4. Определение удельной емкости по рабочему напряжению:

5. Определение коэффициента формы конденсатора:
Для большей компактности микросхемы выберем коэффициент формы конденсатора равным двум. Конденсатор такой формы удобнее разместить на подложке, чем квадратный.
Кф = 2;
6. Определение относительной погрешности старения:
, где
tисп - время испытания за которое определен коэффициент старения S;
tисп = 1000 часов.
7. Определение относительной температурной погрешности:
=0,0002(150-20)=0,026
8. Вычисление относительной погрешности:
= 0,23-0,115-0,026-0,075 = 0,014;
9. Определение удельной емкости по относительной погрешности:
;
10. Определение вида конденсатора:
Результаты расчета показали, что конденсатор будет изготавливаться неподстраиваемым. Это наиболее оптимальный вид конденсатора.
11. Выбор удельной емкости:
Удельная емкость выбирается из следующего соотношения:
и удовлетворять диапзону самого материала.
С0 = 300 пФ/мм2
12. Определение площади перекрытия обкладок:
S = Cн/C0 =3800/300 = 12,7 мм2;
13. Определение размеров верхней обкладки:
;
;
14. Определение размеров нижней обкладки:
;
;
15. Определение размеров диэлектрика:
;
;
16. Определение площади, занимаемой конденсатором:
мм2.
На этом расчет конденсатора закончен. Конденсатор получился неподстраиваемым. Вследствие этого его размеры минимальны, что позволит расположить его на подложке компактно и с наибольшей степенью интеграции.
Расчет конденсаторов закончен !
Выбор и обоснование топологии
1. Выбор топологии производится на основе принципиальной электрической схемы данной микросхемы;
2. Выбран вариант технологического процесса - метод свободной маски;
3. Перечень конструкторских и технологических ограничений:
Оборудование имеет шесть позиций:
- низкоомные резисторы и подслой для контактных площадок
- высокоомные резисторы
- нижняя обкладка конденсатора и соединительные проводники
- диэлектрик конденсатора
- верхняя обкладка конденсатора и контактные площадки
- защитный слой;
4. Ограничение перечня элементов в пленочном исполнении;
5. Произведен расчет геометрических размеров элементов;
6. Определение необходимой площади подложки:
, где Кзап=0,5-0,75

Из перечня стандартных размеров выбираем подходящие размеры подложки . Исходя из проведенных расчетов выберем подложку с размерами 12x20 мм.
7. При проведении граф-анализа данной схемы установлено, что все пленочные и навесные элементы расположены в плоскости, и схема их соединений удовлетворяет всем конструкторским и технологическим требованиям.
Граф - анализ электрической принципиальной схемы
Рис. 3. Граф - схема
Топология
Рис. 4. Топология
Обоснование выбора корпуса
Выбор типоразмера корпуса произведен согласно геометрическим размерам подложки. Выбор типоразмера корпуса произведен с таким расчетом, чтобы подложка стандартных размеров с размещенными на ней элементами помещалась в выбранный корпус. Корпус 1221.18-5 ГОСТ 17467-88. Корпус металлостеклянный прямоугольной формы с продольным расположением выводов. Он обладает следующими достоинствами:
хорошо экранирует плату от внешних наводок;
изоляция коваровых выводов стеклом обеспечивает наилучшую герметизацию и устойчивость к термоциклированию;
крепление крышки контактной сваркой обеспечивает хорошую герметизацию и прочность;
хорошо согласовывается с координатной сеткой.
Технологическая часть
Последовательность технологического процесса
Изготовление масок;
Подготовка подложек;
Формирование тонкопленочной структуры;
Подгонка номиналов;
Резка пластин на кристаллы;
Сборка;
Установка навесных элементов;
Контроль параметров;
Корпусная герметизация;
Контроль характеристик;
Испытания;
Маркировка;
Упаковка.
Методы формирования тонкопленочных элементов
Основными методами нанесения тонких пленок в технологии ГИМС являются: термическое испарение в вакууме, катодное, ионно-плазменное и магнетронное распыления.

Рис. 5. Методы осаждения тонких пленок
а) - термическое испарение в вакууме; б) - катодное распыление;
в) - ионно-плазменное распыление;
1 - колпак; 2 - нагреватель подложки; 3 - подложкодержатель;
4 - подложка; 5 - заслонка; 6 - испаритель; 7 - прокладка;
8 - опорная плита; 9 - катод-мишень; 10 - анод; 11 - термокатод
Катодным (ионным) распылением (Рис. 5, б) называют процесс, при котором в диодной системе катод-мишень 9, выполненный из распыляемого материала, оседающие в виде тонкой пленки на подложке 4. Ионизация инертного газа осуществляется электронами, возникающими между катодом-мишенью 9 и анодом 10 при U= 3-5 кВ и давлении аргона 1-10 Па.
При ионно-плазменном распылении (Рис. 5, в) в систему анод 10 - катод-мишень 9 вводят вспомогательный источник электронов (термокатод 11). Перед началом работы рабочая камера 1 откачивается до вакуума 10-4 Па и на термокатод 11 подается ток, достаточный для разогрева его и создания термоэлектронного тока (термоэлектронная эмиссия). После разогрева термокатода 11 между ним и анодом 10 прикладывается U=200 В, а рабочая камера наполняется инертным газом (Ar) до давления 10-1 - 10-2 Па - возникает газовый плазменный разряд. Если подать отрицательный потенциал на катод-мишень 9 (3-5 кВ), то положительные ионы, возникающие вследствие ионизации инертного газа электронами, будут бомбардировать поверхность катода-мишени 9, распылять его, а частицы материала оседать на подложке 4, формируя тонкую пленку.
Определенная конфигурация элементов ИМС получается при использовании специальных масок, представляющих собой моно- или биметаллические пластины с прорезями, соответствующими топологии (форме и расположению) пленочных элементов.
Для формирования сложных ТПЭ большой точности применяют фотолитографию, при которой сплошные пленки материалов ТПЭ наносят на подложку, создают на ее поверхности защитную фоторезистивную маску и вытравливают незащищенные участки пленки. Существует несколько разновидностей этого метода. Например, рпи прямой фотолитографии вначале на диэлектрическую подложку наносят сплошную пленку резистивного материала и создают защитную фоторезистивную маску, черз которую травят резистивный слой. Затем эту маску удаляют и сверху наносят сплошную пленку металла (например, алюминия). После создания второй фоторезистивной маски и травления незащищенного алюминия на поверхности подложки остаются полученные ранее резисторы, а также сформированные проводники и контактные площадки, закрытые фоторезистивной маской.
Удалив ненужную более маску, на поверхность наносят сплошную защитную пленку (например, SiO2) и в третий раз создают фоторезистивную маску, открывая участки защитного покрытия над контактными площадками. Протравив защитное покрытие в этих местах и удалив фоторезистивную маску, получают плату ГИМС с пленочными элементами и открытыми контактными площадками.
Использованная литература
1. Методические указания к выполнению курсового проекта по курсу “Конструирование микросхем и микропроцессоров”, МИЭМ, 1988
2. Романычева Э.Т., Справочник: ”Разработка и оформление конструкторской документации РЭА”, Радио и связь, 1989
Оглавление
Задание на курсовое проектирование ............................................................ 2
Аннотация ........................................................................................................ 4
Введение ........................................................................................................... 5
Электрический расчет принципиальной схемы ............................................. 6
Данные для расчета размеров тонкопленочных элементов .......................... 7
Расчет геометрических размеров резисторов ................................................ 8
Расчет контактных переходов ....................................................................... 13
Расчет геометрических размеров конденсаторов ........................................ 15
Выбор и обоснование топологии ................................................................. 17
Граф - анализ схемы ...................................................................................... 18
Топология ....................................................................................................... 19
Обоснование выбора корпуса ....................................................................... 20
Последовательность технологического процесса ....................................... 20
Методы формирования тонкопленочных элементов .................................. 21
Использованная литература ......................................................................... 23
Оглавление ..................................................................................................... 24
Нравится материал? Поддержи автора!
Ещё документы из категории информатика:
Чтобы скачать документ, порекомендуйте, пожалуйста, его своим друзьям в любой соц. сети.
После чего кнопка «СКАЧАТЬ» станет доступной!
Кнопочки находятся чуть ниже. Спасибо!
Кнопки:
Скачать документ