Верифікація послідовного порту












Верифікація ПОСЛІДОВНОГО ПОРТА
(курсова робота)
АНОТАЦІЯ
Опис програми містить загальний опис алгоритмів головної програми та процедур запису і зчитування повідомлень на рівні блок-схем, а також більш детальний опис розробленої програми на рівні програмного коду.
ЗМІСТ
ВСТУП
1. Опис процедур запису і зчитування повідомлень
1.1 Опис процедури запису повідомлення Write_Message
1.2 Опис процедури зчитування повідомлення Read_Message
2. Опис процедури відображення стану регістрів
3. ОПИС ЕКРАННИХ ФОРМ ПРОГРАМИ
Висновки
Список використаної літератури
ВСТУП
Метою розробленої програми є ознайомлення з принципами і форматами прийому та передачі даних через послідовний порт. Оскільки аналізувати стан бітів даних при реальній передачі через послідовний порт є досить складною задачею, тому доцільно використати програмне моделювання обміну даними.
Програма створена в середовищі Delphi і дозволяє моделювати процеси запису та зчитування даних, при цьому процес обміну інформацією відбувається не з послідовним портом, а з файлами. Процедура виводу даних повинна записувати інформацію у текстовий файл, а процедура вводу – зчитувати дані з файлу.
1. Опис процедур запису і зчитування повідомлень
1.1 Опис процедури запису повідомлення Write_Message
Розглянемо блок – схему алгоритму процедури Write_Message (рис. 1.1) для кодування повідомлень. Після зчитування символів з форми визначаються їх коди (масив mCod_bit). Далі коди символів mCod_bit перетворюються у масив бітів mBit. Значення кожного біту з масиву mBit перетворюються в аналогову напругу сигналу mU, а значення напруги записуються в текстовий файл.
Початок Write_Message
Кінець Write_Message
Запис у файл значень напруги mU
Побудова діаграми для напруги сигналу mU
Перетворення бітів mBit в аналогову напругу сигналу mU
Перетворення кодів символів mCod_Bit у біти mBit
Визначення коду символів mCod_bit
Рис.1.1. Блок-схема процедури Write_Message
Розглянемо процес запису повідомлення у файл на рівні програмного коду. Спочатку зчитується з форми текст повідомлення
Str:=Edit1.Text;
та опції СОМ-порта
case Form5.RadioGroup2.ItemIndex of //Визначення довжини слова
0:DovjSlova:=7;
1:DovjSlova:=8;
end;
case Form5.RadioGroup3.ItemIndex of //Визначення к-сті стопових бітів
0:KilStopBit:=1;
1:KilStopBit:=2;
end;
Далі в циклі знаходяться коди розміром 1 байт (цілі числа від 0 до 255) для всіх символів, які записуються у масив mCod
for i:=1 to length(Str) do
begin
mCod[i]:=ord(Str[i]);
Edit3.Text:=Edit3.Text+IntToStr(mCod[i])+' ';
end;
Отримані коди символів відображаються на формі в компоненті Edit3. Код кожного символа перетворюється у двійкове представлення за допомогою процедури наступного коду програми, який перетворює байт у масив з 8 біт. Отримане бітове представлення записується у масив mCod_bit.
repeat
n:=Data div 2;
mCod_bit[i,ii]:=Data mod 2;
Data:=n;
dec(ii);
until Data<2;
mCod_bit[i,ii]:=Data;
Найскладніша частина процедури – перетворити бітове представлення символів у послідовне повідомлення. Згідно з форматом послідовної передачі даних перед кожним байтом даних потрібно вставити біти паузи (1-10 бітів) і старт-біт, а після бітів даних (кодів символів з масиву mCod_bit) – біт контролю і стоп-біт. Довжина інформаційного слова, кількість стопових бітів, парність та швидкість передачі даних встановлюється у пункті меню “Опції СОМ-порта”( Рис. 1.2).
Рис. 1.2. Форма опцій СОМ-порта
for i:=1 to length(Str) do
begin
iii:=random(9)+1; //Діапазон бітів паузи: 1-10
ii:=iii+DovjSlova;
Data:=mCod[i];
Parnist:=0;
repeat //Перетворення у 2-ву СЧ
n:=Data div 2;
mCod_bit[i,ii]:=Data mod 2;
if mCod_bit[i,ii]=1 then //Підрахунок одиниць
Parnist:=Parnist+1;
Data:=n;
dec(ii);
until Data<2;
mCod_bit[i,ii]:=Data;
if mCod_bit[i,ii]=1 then //Підрахунок одиниць
Parnist:=Parnist+1;
n:=iii+DovjSlova+KilStopBit;
if Form5.RadioGroup5.ItemIndex<>0 then //Якщо є біт парності,то n+1
inc(n);
ii:=0;
repeat
if ii
mCod_bit[i,ii]:=1; //Запис бітів паузи
if ii=iii then
mCod_bit[i,ii]:=0; //Запис біту старту
if ii=(n-KilStopBit) then //Запис біту парності
begin
case Form5.RadioGroup5.ItemIndex of
1:begin //непарна
if (Parnist mod 2)<>0 then
mCod_bit[i,ii]:=0
else mCod_bit[i,ii]:=1;
end;
2:begin //парна
if (Parnist mod 2)=0 then
mCod_bit[i,ii]:=0
else mCod_bit[i,ii]:=1;
end;
3:mCod_bit[i,ii]:=1; //постійно 1
4:mCod_bit[i,ii]:=0; //постійно 0
end;
end;
if ii=(n-KilStopBit)+1 then //Запис бітів стопу
begin
for j:=1 to KilStopBit do
begin
mCod_bit[i,ii]:=1;
inc(ii);
end;
end;
inc(ii);
until ii>n;
end;
Відповідно до рівнів напруги для логічних 0 та 1 на основі масиву mBit потрібно отримати масив напруг mU та побудувати графік залежності напруги від номеру біту на основі масиву mU (компонент DBChart). Для моделювання шумової складової напруги використано функцію Random, наприклад: mU[n]:=8.5+(Random-0.5)*2.
n:=1;
Str2:='';
Memo1.Clear;
for i:=1 to length(Str) do
begin
iii:=21;
repeat
dec(iii);
if mCod_bit[i,iii]=1 then
break;
until 1=2;
for ii:=0 to iii do
begin
Str2:=Str2+IntToStr(mCod_bit[i,ii]); //Запис до Str2 масиву mCod_bit
if mCod_bit[i,ii]=0 then
begin
mU[n]:=8.5+(Random-0.5)*2;
inc(n);
end
else begin
mU[n]:=-8.5+(Random-0.5)*2;
inc(n);
end;
end;
end;
Отримана послідовність бітів відображається на формі
Memo1.Lines.Add(Str2); //Запис у поле mBit
Масив напруг відображається у вигляді діаграми і записується у файл.
DBChart1.Series[0].Clear; //Очистка графіка
for i:=1 to n-1 do //Побудова графіка
DBChart1.Series[0].Add(mU[i],IntToStr(i),clRed);
if SaveDialog1.Execute then //Запис у файл
begin
AssignFile(f,SaveDialog1.FileName);
Rewrite(f);
for i:=1 to n-1 do
writeln(f,mU[i]:3:1);
CloseFile(f);
end;
Рис. 1.3. Форма організації обміну даними через послідовний порт
1.2 Опис процедури зчитування повідомлення Read_Message
Розглянемо процедуру Read_Message для декодування повідомлень (зчитування з файлу). Спочатку значення аналогової напруги сигналу mU зчитується з текстового файлу і відображаються у вигляді діаграми (рис.4). Значення аналогової напруги сигналу mU перетворюються у масив бітів mBit, а на основі масиву бітів визначаються коди символів mCod_bit. За кодами символів визначаються самі символи, тобто текст повідомлення.
Розглянемо процес зчитування повідомлення з файлу на рівні програмного коду. Спочатку потрібно відкрити один з попередньо створених файлів і зчитати значення напруги в масив mU. На основі масиву mU будується графік залежності напруги від номеру біту.
Відповідно до рівнів напруги для логічних 0 та 1 на основі масиву напруг mU отримується масив логічних значень mBit.
for i:=1 to n-1 do
begin
if (mU[i]>=5)and(mU[i]<=12) then
mBit[i-1]:=0;
if (mU[i]<=-5)and(mU[i]>=-12) then
mBit[i-1]:=1;
Str2:=Str2+FloatToStr(mBit[i-1]);
end;
Значення елементів масиву mBit відображаються на формі:
Memo1.Lines.Add(Str2);
Згідно з форматом послідовної передачі даних декодуються значення масиву mBit, тобто послідовність бітів розділяється на байти, видаляються службові біти, а значення бітів даних записуються в масив mCod_bit. Для цього проводиться послідовний аналіз усіх бітів масиву mBit. Згідно з фор-матом передачі даних послідовність бітів починається з паузи, після якої слідує старт-біт. Закінчується послідовність бітів даних бітом контролю і стоп-бітом.
j:=1;
for i:=1 to KilSymv do //Відокремлення службових бітів
begin
repeat
if Str2[j]='0' then //Після 0 йдуть інформаційні символи
begin
for iii:=0 to DovjSlova-1 do
begin
inc(j);
mCod_bit[i,iii]:=StrToInt(Str2[j]);
end;
j:=j+KilStopBit; //Стрибок на біт паузи наступного повідомлення
if Form5.RadioGroup5.ItemIndex<>0 then
inc(j);
break;
end
else inc(j);
until 1=2;
end;
На основі бітів даних (масив mCod_bit) для кожного символу отримується його код (масив mCod), перетворенням набору з 8 біт у десяткове число. Коди символів відображаються на формі.
for i:=1 to KilSymv do //Перетворення у 10-ве число
begin
mCod[i]:=0;
for ii:=0 to DovjSlova-1 do
mCod[i]:=mCod[i]+mCod_bit[i,ii]*trunc(power(2,(DovjSlova-1)-ii));
end;
Edit3.Clear;
for i:=1 to KilSymv do
Edit3.Text:=Edit3.Text+IntToStr(mCod[i])+' '; //Запис коду символів у поле mCod
Значення байтів даних (код символу з mCod) перетворюються у сим-воли повідомлення (Message_In – зчитування з файлу), яке й відображається на формі.
for i:=1 to KilSymv do //Перетворення коду у символ
begin
Str2:=chr(mCod[i]);
Str:=Str+Str2;
end;
Edit2.Text:=Str; //Запис у поле Message_In
Початок Read_Message
Кінець Read_Message
Зчитування значення напруги mU
Побудова діаграми для напруги сигналу mU
Перетворення аналогової напруги сигналу в біти mBit
Перетворення бітів у коди символів mCod_bit
Визначення символів на основі їх коду mCod_bit
Рис. 1.4. Блок-схема процедури Read_Message
2. Опис процедури відображення стану регістрів
Початок
Зчитування вмісту регістра
Регістр 01h
Регістр 02h
Регістр 03h
ні
так
ні
так
ні
ні
так
так
Зчитування вмісту регістр
Зчитування вмісту регістра
Зчитування вмісту регістра
Вибір регістра
Рис. 2.1. Блок-схема процедури відображення стану регістрів
Регістр 04h
Регістр 07h
ні
так
ні
так
ні
так
ні
так
Кінець
Label[n].Hint
Зчитування вмісту регістра
Зчитування вмісту регістра
Зчитування вмісту регістра
Зчитування вмісту регістра
Регістр 05h
Регістр 06h
Продовження рис. 2.1.
Роботу процедури показу стану регістрів можна прослідкувати використовуючи, наприклад, регістр формату даних.
За допомогою цього регістра можна сконфігурувати параметри СОМ-порта, а саме: дозвіл на встановлення швидкості, паритет, довжину інформаційного слова та кількість біт паузи.
Даний регістр буде змінювати числове значення своїх бітів тоді, коли будуть конфігуруватися опції СОМ-порта. Наприклад, нехай в регістрі буде записано число 11011010. В даному випадку нас цікавлять останні два біти. Зараз вони рівні 10. Це означає, що довжина інформаційного повідомлення рівна 7. Вибравши довжину слова рівною 8 біт, ми тим самим змінимо значення регістру на наступне: 11011011.
3. ОПИС ЕКРАННИХ ФОРМ ПРОГРАМИ
Рис. 3.1. Комп'ютерне моделювання роботи послідовного порта
На рис. 3.1. показана головна форма програми. У меню даної екранної форми є лише один пункт, обробник якого викликає та показує інформацію про розробника даної програми.
Рис. 3.2. Інформація про автора
На головній формі можна здійснити виклик двох обробників різних за суттю операцій. TForm1.Button1Click – викличе метод Form4.Show, тобто здійснить виклик форми “Організація обміну даними через послідовний порт”. Її вигляд можна побачити на рис. 1.3 TForm1.Button2Click – застосує метод Form2.Show, для здійснення показу інформативного відносно користувача зображення, яке матиме наступний вигляд:
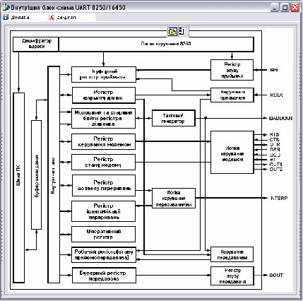
Рис. 3.3. Форма блок-схеми UART
На представленій екранній формі (рис. 3.3.) також є меню. Але воно вже на відміну від попередньої виконуватиме дві дії:
покаже довідку відносно користування блок-схемою (рис. 3.5.);
здійснить вихід.
Ну а зараз потрібно згадати про рис. 1.3, а точніше трошки розтлумачити принцип його дії.
Основною задачею даної програми є емулювання роботи послідовного порта. За допомогою цього вікна, виклик якого можна здійснити на головній формі, можна передати чи прийняти інформаційне повідомлення. Принцип прийому та передачі викладений вище.
Меню складається з трьох пунктів:
опції СОМ-порта(викликає вікно конфігурування порта(рис. 1.2));
довідка(показує довідку по коректній експлуатації даної форми екрану(рис. 3.4.));
закрити(виконує закриття активного вікна).
Рис. 3.4. Довідка по експлуатації форми “Організація обміну даними через послідовний порт”
Рис. 3.5. Довідка по формі блок-схеми UART
Висновки
В описі програми розглянуто алгоритм процедур запису і зчитування повідомлень на рівні блок-схеми та на рівні програмного коду. Програма має простий інтерфейс, але виконує складні задачі. Однією з її головних задач є запис/зчитування даних через послідовний порт. Дивлячись на текст програми, можна сказати, що послідовний порт має доволі складний формат даних, які передаються/приймаються, але все ж таки плюси СОМ-порта дещо виділяють його з-поміж інших і тому він є досить поширеним.
Список використаної літератури
Гофман В.Э., Хомоненко А.Д.Delphi 6. СПб.: БХВ-Петербург, 2001. – 1135 с.
Агуров П.В. Последовательные интерфейсы ПК. Практика программирования. –СПб.: БХВ-Петербург, 2004.– 496 с.
Нравится материал? Поддержи автора!
Ещё документы из категории информатика:
Чтобы скачать документ, порекомендуйте, пожалуйста, его своим друзьям в любой соц. сети.
После чего кнопка «СКАЧАТЬ» станет доступной!
Кнопочки находятся чуть ниже. Спасибо!
Кнопки:
Скачать документ