Методические указания к практическим занятиям 2004







Министерство образования и науки Украины
Восточноукраинский национальной университет
им. Владимира Даля
Рубежанский филиал
Инженерно-экономический факультет
Кафедра высшей математики и компьютерных технологий
КОНТРОЛЬ И УПРАВЛЕНИЕ
ХИМИКО-ТЕХНОЛОГИЧЕСКИХ процессов
Методические указания
к практическим занятиям
2004
Методические указания к практическим занятиям по курсу «Контроль и управление химико-технологических процессов» (для направления 0916 «Химическая технология та инженерия», специальностей 7.091601,7091605 ). Составители Кравченко Г.В., Кондратов С.О. – Рубежное, РФ ВУНУ, 2004 – 80 стр.
Настоящие методические указания предназначены для оказания помощи студентам при выполнении практических заданий, закрепляющих теоретические знания, полученные в результате изучения курса «Контроль и управдение химико-технологических процессов».
В методических указаниях изложены цель, методика, последовательность и расчётные формулы, блок-схемы алгоритмов и Delphi-программы расчёта измерительных схем автоматического моста и потенциометра, диафрагмы для измерения расхода вещества, протекающего по трубопроводам, регулирующих клапанов автоматических систем регулирования и статистической обработки экспериментальных данных.
При выполнении практических заданий студентам необходимо знать основные правила работы на IBM PC-совместимых компьютерах и основные принципы программирования в системе быстрой разработки приложений Delphi.
Одобрено кафедрой ВМКТ,
протокол № ____ от ________2004__
Зав. кафедрой ВМКТ Кондратов С.А.
Практическое занятие 1
Тема: Обработка результатов измерений на персональном компьютере
Цель практического занятия – научиться определять наиболее вероятные значения измеряемого параметра по серии измерений и оценивать надёжность полученного результата.
1.1 Краткие теоретические сведения
Статистическая обработка экспериментальных данных составляет значительную часть прикладных задач, решаемых на персональных компьютерах.
К наиболее простым задачам программирования статистических показателей, которые широко используются при первичной обработке экспериментальных данных, относятся задачи определения среднего арифметического, стандартного отклонения и коэффициента вариации.
Исчерпывающей характеристикой случайной величины, как известно, является закон распределения, устанавливающий функциональную связь между значением случайной величины и её вероятностью. На практике вместо закона распределения обычно используют группу числовых характеристик, которые по некоторым особым точкам кривой функции распределения позволяют получать всю основную информацию о данном распределении. Числовые характеристики принято делить на три группы: показатели положения, изменчивости и формы распределения.
Показатели первой группы характеризуют некоторое среднее значение признака, его положение или центральную тенденцию. Наиболее употребительными показателями первой группы являются среднее арифметическое и взвешенное среднее. В качестве показателей изменчивости используется среднеквадратичное, или стандартное, отклонение и коэффициент вариации. Основу третьей группы показателей образуют коэффициент асимметрии и коэффициент эксцесса.
На практике статистическая обработка данных обычно ограничивается вычислением первых двух групп – среднего значения и изменчивости. Статистический смысл среднего значения состоит в том, что он указывает на центр группирования значений случайной величины, их наибольшую вероятность. Среднеквадратичное отклонение показывает среднее значение отклонения признака от среднего арифметического.
Так, если некоторая выборка значений случайной величины
,
то для вычисления среднего значения
необходимо суммировать все элементы выборки
и разделить сумму на объект выборки
. (1.1)
Стандартное отклонение равно корню квадратному из дисперсии
, (1.2)
которая, в свою очередь, является средним суммы квадратов отклонений значений случайной величины от среднего, т.е.
. (1.3)
Коэффициент вариации, как и стандартное отклонение, характеризует степень изменчивости признака, но не в абсолютной, а в относительной форме, что позволяет сравнивать изменчивость признаков, имеющих различную размерность. Коэффициент вариации,
, рассчитывается по формуле
. (1.4)
Отношение
и
показывает, какой процент от
составляет
.
Вычисление ошибки среднего арифметического
производится по формуле
(1.5)
Показатель оценки точности параметров
. (1.6)
Блок-схема алгоритма расчёта показана на рисунке 1.1. Программа статистических показателей представлена в листинге.
Листинг
procedure TForm1.FormActivate(Sender: TObject);
var
s:Char;
d:string[20];
Digit:real;
label
start;
begin
Start:
AssignFile(Dan,'Data.txt');
if FileExists('Data.txt') then Reset(Dan)
else if MessageDlg('Создайте файл Data.txt и введите элементы выборки через ;'
, mtError,[mbOk,mbCancel],0)= mrOk then Goto Start
else
begin
Application.Terminate;
Exit;
end;
while not eof(Dan) do
begin
Read(dan,s);
if s<>';'
then d:=d+s
else begin
inc(n);
X[n]:=StrToFloat(d);
d:='';
end;
end;
Memo1.Lines.LoadFromFile('Data.txt');
Memo1.Lines.Add('Элементы выборки');
end;
procedure TForm1.spSkinButton3Click(Sender: TObject);
var
i,j,n1:integer;
sum,xsr,sum2,d,sigma,cv,s,p:Real;
begin
if Edit1.Text ='' then MessageDlg('Введены не все данные',mtError,[mbOk],0)
else if (StrToInt(Edit1.Text)> n) or (Edit1.Text='0')
then MessageDlg('N задано не верно!',mtError,[mbOk],0)
else Begin
n1:=StrToInt(Edit1.Text);
for i:= 1 to n1 do
sum:=sum+ x[i];
xsr:=sum/n1;
For j:= 1 to n do
sum2:=sum2+sqr(x[j]-xsr);
d:=sum2/(n1-1);
sigma:=sqrt(d);
cv:=(sigma/xsr)*100;
s:=sigma/sqrt(n1);
p:=(s/xsr)*100;
Memo1.Lines.Add('');
Memo1.Lines.Add('');
Memo1.Lines.Add(' ---Результаты расчета---');
Memo1.Lines.Add('среднее арефметическое xsr= '+FloatToStr(xsr));
Memo1.Lines.Add('стандартное откланение sigma= '+FloatToStr(sigma));
Memo1.Lines.Add('коэфициент вариации cv= '+FloatToStr(cv)+'%');
Memo1.Lines.Add('ошибка среднего арефметического s= '+FloatToStr(s));
Memo1.Lines.Add('погрешность определения параметра p= '+FloatToStr(p));
Memo1.Lines.Add('дисперсия d= '+FloatToStr(d));
Memo1.Lines.Add('число элементов выборки n= '+FloatToStr(n1));
spSkinButton1.Enabled:=True;
End;
end;
1.2 Описание программы расчета статистических показателей
В программе приняты следующие обозначения: XSR – среднее арифметическое ; SIGMA – стандартное отклонение; GV – коэффициент вариации; S – ошибка среднего арифметического; P – показатель оценки точности параметра; D – дисперсия; N1 –число элементов выборки.
Исходные данные вводятся в файл – Data.txt, через (;) и процедурой TForm1.FormActivate сохраняем все элементы в массив (X :array[1..100] of real). Этот способ имеет преимущество перед остальными способами так как весь числовой материал храниться в файле и в любое время можно просмотреть его или внести изменения.
Число элементов выборки (N1) вводится в компонент Edi1t1.при выполнении программы. Далее символьное значение из Edit1.Text преобразовывается в числовое значение функцией StrToInt и присваивается N1. Далее при помощи цикла (For do) считываем все значения из массива X и в переменной SUM присваиваем значение суммы всех элементов. После окончания цикла найденное значение суммы делится на число элементов выборки и полученное значение присваивается переменной XSR.
Находим таким же способом как и SUM сумму квадратов и записуем в переменную SUM2. Разделив его на число степеней свободы (n1-1), находим значение дисперсии D. Затем вычисляем значение стандартного отклонения SIGMA, коэффициент вариации GV, ошибки среднего арифметического S и показателя оценки точности параметра P.
Выполнение процедуры заканчивается выводом в компонент Memo1 всех показателей и числа компонентов выборки.
Пример.
По серии результатов измерений одной и той же температуры в одинаковых условиях определить истинное значение температуры точки плавления вещества и оценить погрешность измерений. Измеренные значения температуры в oC приведены в таблице 1.1.
Решение. 1. Для заданного варианта (таблица 1.1) по приведенным выше формулам рассчитать истинное значение температуры и все статистические показатели.
2. Ввести исходные данные заданного варианта в фай Data.txt и в поле компонента Edit1.
3. Сравнить результаты расчета обычным способом и с помощью компьютера.
Рисунок 1.1
Рисунок 1.1. Блок-схема алгоритма расчёта статистических показателей.
Таблица 1.1
Номер результата
12
88,53
317,2
125,6
587,7
367,4
525,7
136,6
396,7
51,75
547,4
355,1
146,7
44,63
345,5
516,5
125,4
375,2
62,56
155,6
92,75
11
88,76
316,6
128,1
586,4
366,4
528,1
136,1
396,1
51,64
546,6
357,6
146,3
44,87
348,1
516
128,2
377,4
62,78
158,2
92,65
10
88,73
315,7
127,6
585,7
365,6
527,7
136,5
396,4
51,56
545,8
357,2
146,5
44,83
347,4
516,4
127,8
377,1
62,75
157,8
92,57
9
88,79
315,4
128,1
585,3
365,2
528,2
136,1
396,2
51,53
545,3
357,9
146,2
44,9
348,1
516,1
128,4
377,7
62,8
158,3
92,54
8
88,73
315,2
126,6
585,1
364,9
526,7
135,7
395,8
51,5
545,1
356,2
145,8
44,73
346,7
515,6
126,7
376
62,64
156,8
92,51
7
88,87
316,2
129,2
586,2
366,1
526,5
135,4
395,5
51,62
546,1
358,8
145,5
44,98
346,5
515,3
126,6
378,6
62,89
159,1
92,63
6
88,62
318,8
126,5
588,8
368,7
526,4
136,5
396,5
51,87
548,8
356,2
146,5
44,73
345,5
516,4
125,6
376
62,66
156,7
92,88
5
88,5
316,4
125,3
586,3
366,2
525,8
136,6
396,7
51,62
546,4
354,9
146,8
44,6
345,8
516,6
125,8
374,8
62,52
155,5
92,63
4
88,53
317,9
125,7
587,9
367,9
526,1
138,2
398,3
51,79
547,9
355,2
148,4
44,63
346,2
518,1
126,2
375,3
62,54
155,9
92,79
3
88,56
317,4
126
587,4
367,3
526,5
137,7
397,7
51,73
547,4
355,6
147,8
44,66
346,5
517,6
126,5
375,6
62,58
156,2
92,74
2
88,64
317,7
126,5
587,6
367,6
526,1
138,2
398,3
51,76
547,7
356,4
148,3
44,74
346,1
518,1
126,3
376,2
62,66
156,8
92,77
1
88,76
315,4
126,1
585,3
365,3
526,6
135,6
395,5
51,53
545,4
357,4
145,5
44,86
346,6
515,5
126,7
377,4
62,78
156,3
92,54
1
2
3
4
5
6
7
8
9
10
11
12
13
14
15
16
17
18
19
20
Продолжение таблицы 1.1
Номер результата
12
557,1
387,1
135,4
615,1
62,71
514,1
665,1
337,1
683,3
164,3
537,4
345,2
654,2
91,52
715,3
325,1
527,2
765,8
154,7
517
11
556,5
386,4
137,6
614,5
62,65
516,4
667,8
336,3
686,7
166,5
536,5
347,5
653,1
91,77
717,6
327,7
526,9
767,6
156,8
516,4
10
555,6
385,5
137,3
613,6
62,56
516,1
667,5
335,4
685,3
166,2
535,6
347,3
655,7
91,73
717,2
327,4
526,9
767,3
156,5
515,6
9
555,4
385,1
136,5
613,2
62,53
515,3
667,5
335,2
685,9
164,3
535,4
346,5
655,3
91,79
716,5
326,5
527,1
766,9
155,6
515,1
8
555,3
385,1
136,3
613,1
62,51
515,2
666,5
335,3
684,3
165,1
535,1
346,2
655,8
91,61
716,2
326,4
526,9
766,5
155,5
515,1
7
556,2
386,1
138,6
614
61,61
517,6
668,9
336
686,9
167,5
536,1
348,6
645,3
91,87
718,6
328,9
526,2
768,8
157,8
516,2
6
558,6
388,6
136,1
616,8
62,87
515,1
666,3
338,4
684
165
538,7
346,2
656,1
91,61
716,1
326,3
526,4
766,1
155,3
518,7
5
556,2
386,3
135,2
614,3
62,63
514,1
665,3
336,2
683,1
164
536,4
345,3
654
91,51
715,2
325,3
526,1
765,1
154,4
516,1
4
556,5
387,8
135,4
615,9
62,79
514,4
665,4
336,3
683,2
164,3
537,9
345,3
653,1
91,53
715,4
325,4
527,8
765,4
154,5
517,9
3
557,3
387,2
135,5
615,3
62,73
514,6
665,8
337,1
683,6
164,5
537,3
345,5
653,5
91,56
715,6
325,7
527,2
765,6
154,8
517,3
2
557,6
387,5
136,5
615,6
62,76
515,4
666,7
337,4
684,5
165,4
537,6
346,5
654,4
91,64
716,5
327,3
527,5
766,5
155,7
517,7
1
555,4
385,2
137,1
613,3
62,53
516
667,3
335,2
685,1
166
535,3
347,1
655
91,76
717,1
326,7
525,2
768,4
156,3
515,3
21
22
23
24
25
26
27
28
29
30
31
32
33
34
35
36
37
38
39
40
Практическое занятие 2
Тема: Расчёт измерительных схем автоматического моста и потенциометра
2.1 Основные понятия об измерении температуры
Температура – важнейший параметр химико-технологических процессов. В химической промышленности весьма широк диапазон контролируемых температур и разнообразны условия их измерения. Поэтому в этой отрасли промышленности применяют разнообразные методы измерения и измерительные приборы.
Температура – это условная статистическая величина, прямо пропорциональная средней кинетической энергии частиц вещества (молекул или атомов).
В устройствах для измерения температуры обычно используют изменение какого-либо физического свойства тела, однозначно зависящего от его температуры и легко поддающегося изменению. К числу свойств, положенных в основу работы приборов и преобразователей для изменения температуры, относятся: объёмное расширение тел, изменение давления вещества в замкнутом объёме, возникновение термоэлектродвижущей силы, изменение электрического сопротивления проводников и полупроводников, интенсивность излучения нагретых тел и др.
При изменении температуры используют две шкалы: термодинамическую, основанную на втором законе термодинамики, и Международную практическую (МПТШ-68).
В термодинамической шкале температуру обозначают символом
и выражают в Кельвинах (
). Единицей измерения температуры
в Международной практической шкале служит градус Цельсия (
). Количественно температуры в Международных практических шкалах связаны соотношением:

2.2 Расчёт измерительной схемы автоматического моста
Цель практического занятия – освоить методику расчёта элементов измерительной схемы автоматического электронного равновесного моста, а также изменить пределы измерения моста на заданный интервал температуры.
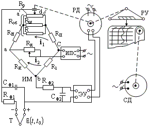
Измерительная схема автоматического электронного уравновешенного моста показана на рисунке 2.1.
Рисунок 2.1
Рисунок 2.1 – Принципиальная схема автоматического уравновешенного моста: ИМ – измерительный мост; ЭУ – электронный усилитель; РУ – регистрирующее устройство; РД – реверсивный двигатель; СД – синхронный двигатель.
Автоматические уравновешенные мосты широко применяют в комплекте с термопреобразователем сопротивления для измерения и регистрации температуры.
При измерении температуры измеряемой среды изменяется сопротивление
, равновесие мостовой схемы нарушается. С вершин «
» и «
» на вход усилителя подаётся напряжение разбаланса переменного тока, которое после усиления приводит в действие реверсивный двигатель РД. Выходной вал двигателя вращается до тех пор, пока существует напряжение разбаланса. Направление вращения вала определяется фазой этого напряжения (при изменении фазы на 180° двигатель реверсируется). Через механическую передачу двигатель РД перемещает контакт реохорда, указатель и записывающее устройство. В момент равновесия измерительной схемы положение указателя определяет значение измеряемой температуры, которое записывается на диаграмму. Диаграмма перемещается синхронным двигателем СД.
Как видно из рисунка, измерительная схема (ИМ) уравновешенного моста содержит четыре плеча, три из которых представлены постоянными сопротивлениями
и
, а четвёртое – переменным сопротивлением термопреобразователя
и последовательно с ним соединённым постоянным сопротивлением
и общим сопротивлением реохорда
. Последнее состоит из параллельно соединённых сопротивлений реохорда
, шунта реохорда
, предназначенного для ограничения протекающего по реохорду тока, и сопротивления
, служащего для подгонки сопротивления реохорда к расчётному значению.
Термометр сопротивления
присоединяют к прибору через сопротивления
, служащие для подгонки сопротивления проводов до
. Сопротивления измерительной схемы
и
представляют собой катушки с бифилярной обмоткой из манганина. Реохорд
выполнен в виде калиброванного сопротивления из сплава палладий-вольфрам (Пдв-20).
Для расчёта измерительной схемы равновесного моста должны быть заданы минимальный
и максимальный
пределы измерения температуры в
и тип термопреобразователя сопротивления. Расчёт производят следующим образом.
Зная пределы измерения и тип термопреобразователя сопротивления, по градуированным таблицам находят минимальную
и максимальную
величины сопротивления термопреобразователя. При измерении
движок реохорда должен находиться в точке «
», соответствующей началу шкалы. Поскольку термопреобразователь сопротивления
включён последовательно с реохордом в одно из плеч моста, достижение равновесия измерительной схемы возможно при удовлетворении равенства
. (2.1)
При изменении
движок реохорда должен находиться в точке «
», соответствующей концу шкалы. При этом равновесие измерительной схемы соблюдается при выполнении следующего условия:
. (2.2)
Вычитая равенство (2.2) из (2.1), получим:
,
откуда
. (2.3)
Из уравнения (2.3) следует, что разность сопротивлений термопреобразователя, соответствующих верхнему и нижнему пределам шкалы, равная пределам измерения прибора, пропорциональна величине общего сопротивления реохорда.
Следовательно, изменение пределов измерения прибора может быть осуществлено изменением величины общего сопротивления реохорда
, определяемого по уравнению
. (2.4)
В автоматических электронных уравновешенных мостах сопротивления реохорда и его шунта – величины постоянные и равные
, а
. Поэтому подгонка сопротивления
до требуемого значения, определяемого уравнением (2.4), осуществляется изменением величины сопротивления
; последнюю можно найти из уравнения
. (2.5)
Для увеличения чувствительности измерительной схемы сопротивление
выбирается равным сопротивлению
. Тогда из уравнения (2.1) следует:
. (2.6)
Подставляя выражение (2.3) в уравнение (2.6), получим:
, (2.7)
где
;
.
Из уравнения (2.7) находят
, а затем по уравнению (2.6) определяют
.
Величину сопротивления
находят по равенству (2.5).
Максимально допустимая сила тока, исключающая самонагрев термопреобразователя сопротивления
, равна
.
(2.8)
Пример. Рассчитать измерительную схему для электронного моста переменного тока, работающего с медным термопреобразователем сопротивления ТСМ и имеющего пределы измерения
.
Дано: градуировка 23, пределы измерений
;
;
; величина питающего напряжения
; допустимая сила тока, проходящего через термометр сопротивления
; постоянные сопротивления
;
;
;
;
.
Требуется определить величины сопротивлений для подгонки начала шкалы
, конца шкалы
и ограничения тока измерительной схемы
.
Решение: определяем сопротивление
по уравнению
,
где
;

.
Из уравнения
;
.
Общее сопротивление реохорда
находим из уравнения


Определим сопротивление
по уравнению


Величину сопротивления
находим из выражения

.
Программа расчёта измерительной схемы моста представлена в приложении 1.
В таблице 2.1 приведены варианты заданий.
Таблица 2.1
Тип термосопротивления
Пределы шкалы, °С
I, A
U, B
1. ТСП, гр. 21
0 – 300
0,007
6,3
2. ”
-50 – 400
0,007
3. ”
0 – 500
0,007
4. ”
0 – 650
”
5. ”
300 – 650
0,008
6. ”
200 – 400
”
7. Гр. 100 П
-20 – -70
”
8. Гр. 100 П
-100 – -300
0,008
9. ”
-50 – 250
”
10. ”
400 – 650
”
11 Гр. 10 П
-50 – 100
0,007
12. ”
100 – 400
”
13. ”
200 – 500
”
14. ”
300 – 600
”
15. ”
500 – 600
”
16. ТСМ, гр. 23
-50 – 100
0,008
17. ”
-25 – 25
”
18. ”
-50 – 50
”
19. ”
0 – 180
”
20. Гр. 10 М
50 – 150
0,007
21. ”
20 – 70
”
22. ”
100 – 150
”
23. Гр. 100 М
-20 – 80
”
24. ”
-10 – 40
0,008
25. ”
0 – 150
”
Постоянные сопротивления:
;
;
;
;
.
2.3 Расчёт измерительной схемы автоматического потенциометра
Цель практического занятия – освоение методики расчёта элементов измерительной схемы автоматического электронного потенциометра, а также изменение пределов измерения потенциометра на заданный интервал температур.
Измерительная схема автоматического электронного потенциометра показана на рисунке 2.2.
Рисунок 2.2
Рисунок 2.2 – Принципиальная схема одноточечного автоматического потенциометра: ИМ – измерительный мост; ЭУ – электронный усилитель; РУ – регистрирующее устройство; РД – реверсивный двигатель; СД – синхронный двигатель.
Принцип действия потенциометра основан на уравновешивании (компенсации) измеряемой т.э.д.с. известной разностью потенциалов. Эта разность потенциалов создаётся в потенциометре от источника стабилизированного питания (ИПС).
Напряжение, компенсирующее измеряемую э.д.с. термоэлектрического преобразователя, в схеме на рисунке 2.2 получается как разность потенциалов между точками
и
. Потенциал точки
определяется положением движка реохорда, а потенциал точки
зависит от температуры свободных концов термоэлектрического термопреобразователя (ТЭГ). Это позволяет осуществить автоматическое введение поправки на изменение э.д.с. ТЭП, вызываемое отклонением температуры свободных концов его от 0°С.
Все резисторы измерительной схемы, кроме
, изготовлены из магнитной проволоки.
Принцип работы потенциометра заключается в непрерывном уравновешивании измеряемой э.д.с.
термоэлектрического термометра напряжением
между точками
и
мостовой схемы. Если
не равна
, то сигнал разбаланса
подаётся на вход усилителя ЭУ. Двигатель РД будет перемещать через систему кинематической передачи движок реохорда и отсчётное устройство, изменяя напряжение
до тех пор, пока оно не уравновесит измеряемую т.э.д.с. Диаграмма перемещается синхронным двигателем СД. В момент компенсации измеряемой т.э.д.с. положение указателя определяет значение измеряемой температуры, которое записывается на диаграмму.
Переградуировка потенциометра состоит в изменении величины некоторых сопротивлений измерительной схемы моста так, чтобы падение напряжения на реохорде
соответствовало характеристике термопары в выбранных пределах измерения.
При переградуировке прибора изменяют величины сопротивлений
,
и
. Сопротивление
заменяют только при изменении градуировки термопары. Остальные сопротивления измерительной схемы не изменяют.
Для расчёта измерительной схемы потенциометра должны быть заданы минимальный
и максимальный
пределы измерения температуры в
и тип термопары.
Расчёт элементов измерительной схемы потенциометра производят следующим образом. Зная пределы измерения и тип термоэлектрического преобразователя (ТЭП), необходимо по градуировочным таблицам найти минимальную
и максимальную
т.э.д.с. ТЭП при температуре свободных спаев, равной
.
При изменении
движок реохорда должен находиться в точке
, соответствующей началу шкалы. В этом случае т.э.д.с. ТЭП уравновешивается разностью потенциалов точек
и
измерительной схемы потенциометра, т.е. падением напряжения на сопротивлении
и сопротивлении
при
, равном
:
(2.9)
Из уравнения (2.9) можно определить величину сопротивления
, предназначенного для подгонки нижнего предела измерения прибора :
. (2.10)
При измерении
движок реохорда должен находиться в точке
, соответствующей концу шкалы. При этом т.э.д.с. ТЭП уравновешивается разностью потенциалов точек
и
, т.е. падением напряжения на общем сопротивлении реохорда
и сопротивлениях
и
или падением напряжения на сопротивлениях
и
:
(2.11)
или
. (2.12)
Из уравнения (2.12) находим величину сопротивления
, предназначенную для подгонки верхнего предела измерения прибора:
. (2.13)
Вычитая уравнение (2.9) из уравнения (2.11), получим:
,
откуда
. (2.14)
Из уравнения (2.14) следует, что разность т.э.д.с., соответствующая верхнему и нижнему пределам шкалы, равная диапазону измерения прибора, пропорциональна величине общего сопротивления реохорда. Следовательно, изменить пределы измерения потенциометра можно изменением общего сопротивления реохорда
, состоящего из трёх параллельно включённых сопротивлений
и
и определяемого по уравнению
. (2.15)
В автоматических электронных потенциометрах сопротивления реохорда и его шунта – величины постоянные (известные). Поэтому подгонка
до требуемого значения осуществляется изменением величины сопротивления
, находимой из уравнения (2.15):
. (2.16)
Сопротивление
находят из условия, что падение напряжения на нём при силе тока
должно быть равно номинальному напряжению ИПС:
. (2.17)
Сопротивление
находят из условия, что изменение э.д.с. ТЭП при изменении температуры холодных спаев от
до
равно изменению падения напряжения на сопротивлении при том же перепаде температуры:
. (2.18)
Зависимость изменения сопротивления меди от температуры в том же интервале температур выражается уравнением
, (2.19)
где
– температурный коэффициент сопротивления медного провода компенсационной катушки
;
– величина сопротивления
при
.
Отсюда
, (2.20)
Подставляя уравнение (2.20) в уравнение (2.18), получим:
,
откуда
. (2.21)
Выражение (2.21) показывает, что величина сопротивления зависит при прочих равных условиях только от типа термопары и материала сопротивления
и совершенно не зависит от пределов измерения прибора.
Пример. Рассчитать измерительную схему для электронного потенциометра, работающего с термоэлектрическим преобразователем типа ХК и имеющего пределы измерения
.
Дано: градуировка ХК, пределы шкалы
;
;
; силы тока в ветвях моста:
;
; температурный коэффициент сопротивления медного провода
; сопротивление реохорда
; сопротивление шунта реохорда
;
.
Требуется определить величины сопротивлений
и
.
Решение. Определяем величину компенсационного сопротивления
, задавшись пределами компенсируемой температуры холодного спая
и
и определив по градуировочным таблицам соответствующие этим пределам величины э.д.с. ТЭП (
;
):
.
Определяем величины сопротивлений
и
:
;

.
Общее сопротивление реохорда с
и 
.
Находим величину сопротивления
:

.
Величину сопротивления
, предназначенного для снижения напряжения до
на выходе ИПС, определяем из выражения:
.
Программа расчёта измерительной схемы приведена в приложении 2.
В таблице 2.2 приведены варианты заданий.
Таблица 2.2
Тип термопары
Пределы шкалы, °С
, мA
, мA
, B
, град-1
1. ХК
-30 – 50
2
4
1,019
0,00428
2. ХК
-30 – 100
2
4
“
3. ХК
-30 – 150
2
4
“
4. ХК
-50 – 200
2
4
“
5. ХК
0 – 100
2
4
“
6. ХК
0 – 150
2
4
0,006
7. ХК
0 – 200
2
4
“
8. ХК
100 – 300
2
3
“
9. ХК
100 – 400
2
3
“
10. ХК
250 – 600
2
3
“
11 ХК
250 – 800
2
3
“
12. ХК
50 – 600
2
3
0,00428
13. ХА
10 – 400
2
4
0,00428
14. ХА
10 – 800
2
4
“
15. ХА
100 – 900
2
4
“
16 ХА
100 – 1100
2
4
“
17. ХА
100 – 1300
2
4
“
18. ХА
250 – 600
2
3
0,006
19. ХА
450 – 900
2
3
“
20. ХА
800 – 1100
2
3
“
21. ХА
800 – 1300
2
3
“
22. ХА
40 – 1300
2
3
0,00428
23. ХА
400 – 1300
2
3
“
24. ПП-1
500 – 1200
2
4
“
25. ПП-1
600 – 1300
2
4
0,00428
26. ПП-1
10 – 1600
2
4
0,006
27. ПП-1
400 – 1100
2
4
“
28. ПП-1
700 – 1300
2
4
“
29. ПП-1
1000 – 1500
2
4
“
30. ПП-1
1200 – 1400
2
4
“
Примечание: для всех вариантов значения температуры окружающей среды (свободных концов термопары) должны быть в пределах 
Практическое занятие 3
Тема: Расчет диафрагмы для изменения расхода вещества
Цель практического занятия – освоить методику расчета диафрагмы для измерения расходов газа, жидкости и пара.
3.1. Основные сведения об измерении расхода с помощью сужающих устройств
Количество жидкости, газа или пара, проходящее через данное сечение трубопровода в единицу времени, называют расходом этого вещества. В зависимости от того, в каких единицах измеряется, различают объемный
и массовый
расходы. Количество вещества измеряют счетчиками, а расход – расходомерами. В химической промышленности применяют расходомеры переменного перепада давления, постоянного перепада давления, переменного уровня и электромагнитные.
В настоящее время из всего парка существующих расходометров около 80% составляют расходометры переменного перепада давления. Их работа основана на том, что с изменением расхода вещества изменяется перепад давления на установленном в трубопроводе сужающем устройстве. В качестве нормальных сужающих дроссельных устройств применяют диафрагмы, сопла и сопла Вентури.
Комплект расходометра переменного перепада давления состоит из сужающего устройства, соединительных импульсных трубок и какого-либо измерителя перепада давления, например дифманометра.
Измерение расхода вещества этим методом возможно при соблюдении следующих условий:
а) поток заполняет все поперечное сечение трубопровода;
б) поток является практически установившимся;
в) фазовое состояние вещества при прохождении через сужающее устройство не изменяется.
Зависимость между перепадом давления на снижающем устройстве и расходом вещества определяется уравнением

, (3.1)
где
– объемный расход,
;
– площадь отверстия диафрагмы,
;
– перепад давления непосредственно у торцов диафрагмы,
;
- плотность вещества,
;
- Коэффициент расхода, который учитывает расхождение теоретического и действительного расходов вещества, протекающего по трубопроводу.
Для удобства практического применения формулы (3.1) вместо секундного расхода пользуются часовым и площадь отверстия сужающего устройства
выражают в
при рабочей температуре t. При этих условиях основана рабочая формула для F
принимает вид:
, (3.2)
где
– диаметр отверстия диафрагмы при рабочей температуре;
,
.
При расчетах, связанных с измерением расхода методом переменного перепада давления, обычно приходится решать две задачи.
1. Известны диаметр трубопровода
, диаметр сужающего устройства
, перепад давления и параметры вещества. Требуется определить расход протекающего вещества. В этом случае расход рассчитывают по основным формулам и соответствующим таблицам и графикам.
2. Заданы максимальные и минимальные ожидаемые расходы, диаметр и материал трубопровода и параметры контролируемой среды. Требуется определить диаметр отверстия сужающего устройства.
3.2. Расчет диафрагмы для измерения расхода
Методика и порядок расчета расходомеров переменного перепада давления и стандартных (нормализованных) сужающих устройств этих расходомеров регламентированы руководящим нормативным документом «Правила измерения расхода газов и жидкостей стандартными устройствами РД 50-213-80».
Для расчета диафрагмы задают измеряемую среду и ее параметры (температуру, давление, плотность, вязкость, агрессивность к материалу диафрагмы); максимальный и минимальный расходы; диаметр, материал трубопровода и диафрагмы; допустимую потерю давления на диафрагме при максимальном расходе; тип дифманометра; ряд перепадов давления, на которые изготавливают дифманометры; указывают единицы выражения шкалы вторичного прибора дифманометра (объемные или массовые).
Расчет выполняют в такой последовательности. Сначала определяют диаметр трубопровода при рабочей температуре, число Рейнольдса при минимальном расходе и вспомогательную величину
, используемую при вычислении произведения модуля диафрагмы на ее коэффициент расхода
. Затем методом перебора для каждого перепада давления
из ряда чисел, на которые изготавливают дифманометры, находят произведение
. Далее, исходя из заданного диаметра трубопровода, определяют коэффициент расхода
и ее модуль
, вычисляют граничное число Рейнольдса и диаметр отверстия диафрагмы. В заключение рассчитывают потерю давления на диафрагме и проводят проверочный расчет максимального расхода.
При расчете диафрагмы согласно данной методики используют следующие формулы.
1. При рабочей температуре
вещества значение диаметра трубопровода
, (3.3)
где
- рабочая температура вещества в трубопроводе,
;
- средний коэффициент линейного теплового расширения материала трубопровода в интервале от
до 
,
;
- поправочный множитель, значения которого для различных материалов в зависимости от температуры приведены в справочной литературе [4].
В диапазоне температур от
до
можно принимать
, т.е.
.
2. При минимальном расходе число Рейнольдса для объемного расхода:
, (3.4)
для массового:
, (3.5)
где
,
- минимальный заданный расход,
;
- плотность среды,
;
- динамическая вязкость среды,
;
- диаметр трубопровода при рабочей температуре,
;
- число Рейнольдса.
3. Вспомогательная величина для объемного расхода:
; (3.6)
для массового:
, (3.7)
где
,
- верхний предел шкалы вторичного прибора дифманометра,
.
4. Вспомогательная величина
, (3.8)
где
- модуль диафрагмы,
;
- коэффициент расхода диафрагмы;
- перепад давления на диафрагме,
.
5. Коэффициент расхода диафрагмы определяют в зависимости от величины диаметра трубопровода:
при
;
;
;
;
;
;
.
Модуль диафрагмы
, (3.9)
а граничное число Рейнольдса
(3.10)
7. При рабочей температуре диаметр отверстия диафрагмы
. (3.11)
8. При проверке правильности расчета диаметра отверстия диафрагмы максимальный расход для объемного расхода:
; (3.12)
для массового:
. (3.13)
9. При
диаметр отверстия диафрагмы
, (3.14)
где
- коэффициент, учитывающий тепловое расширение метала, из которого изготовлена диафрагма;
- диаметр отверстия диафрагмы при рабочей температуре и
.
10. Максимальный перепад давления, на которое изготавливают дифманометр, выбирают из ряда:
1; 1,6; 2,5; 4; 6,3; 10; 16; 25
;
0,04; 0,063; 0,1; 0,16; 0,25; 0,4; 0,63; 1; 1,6
,
а верхний предел шкалы вторичного прибора из ряда следующего вида:
,
где
- любое целое положительное или отрицательное число (или нуль).
11. Потеря давления на диафрагме
. (3.15)
Если задана допустимая потеря давления
, то ее сравнивают с рассчитанной по формуле (3.15), которая является действительной потерей давления в сужающем устройстве (диафрагме).
12. Если число Рейнольдса
при минимальном расходе окажется значительно меньшим граничного
, то по одной из приведенных в литературе [4] формул вычисляют поправку к показаниям дифманометра, учитывающую влияние числа Рейнольдса в пределах рабочей части шкалы дифманометра.
Пример 1. Рассчитать диафрагму для измерения расхода воды. Наибольший измеряемый расход
, минимальный расход
, абсолютное давление воды перед диафрагмой 
, температура воды
. Внутренний диаметр трубопровода перед сужающим устройством при температуре
,
, материал трубопровода – сталь марки 20.
Решение.
1. Выбираем тип сужающего устройства и тип дифманометра. В качестве сужающего устройства выбираем диафрагму камерную (материал – сталь Х17), а в качестве измерителя перепада давления – дифманометр сифонный типа ДС-ПЗ. Верхний предел измерений дифманометра в комплекте с вторичным прибором
. Вторичным прибором может быть один из пневматических приборов, например ПВ4.2Э.
2. Плотность воды в рабочих условиях (
и
) определяем по справочнику [4]:

.
3. Там же находим динамическую вязкость воды в рабочих условиях(
и
):

.
4. Внутренний диаметр трубопровода перед диафрагмой при температуре 
.
5. Определяем число Рейнольдса при минимальном расходе:

6. Вспомогательная величина

7. Произведение модуля диафрагмы на коэффициент расхода при перепаде давления на диафрагме 

8. Коэффициент расхода
для трубопровода диаметром
:

.
9. Модуль диафрагмы

10. Граничное число Рейнольдса

.
11. Диаметр отверстия диафрагмы
при рабочей температуре

12. Проверка расчета

.
Следовательно, расчет выполнен правильно.
13. Диаметр отверстия диафрагмы при 

14. Потеря давления на диафрагме


15. Так как
необходимо учитывать увеличенную погрешность коэффициента расхода.
Поправку к показаниям дифманометра
определяем по формуле [4]:

где
- постоянная для данного модуля величина, определяемая по графикам [4].
Отношение 
Так как
к показаниям дифманометра необходимо вводить поправку 
Пример 2. Рассчитывать диафрагму для измерения расхода перегретого пара. Наибольший измеряемый массовый расход
минимальный расход
абсолютное давление пара перед сужающим устройством
температура пара
. Допустимая потеря давления при максимальном расходе
Внутренний диаметр трубопровода перед сужающим устройством при температуре
материал трубопровода – сталь марки 12МХ.
Решение.
1. Выбираем в качестве сужающего устройства диафрагму камерную (материал – 1X18H9T). Для измерения перепада давления выбираем дифманометр мембранный типа ДМ (модель 3574). Верхний предел измерений дифманометра в комплекте с вторичным прибором
В качестве вторичного прибора выбран прибор КСД-3.
2. Плотность пара в рабочих условиях (
и
) определяем по справочнику [4]:
.
3. Там же находим динамическую вязкость пара в рабочих условиях (
и
):

4. Внутренний диаметр трубопровода перед диафрагмой при температуре
:

5. Определяем число Рейнольдса при минимальном расходе по формуле (3.5):

6. Вспомогательную величину
определяем по формуле(3.7):

7. Произведения модуля диафрагмы на коэффициент расхода, при перепаде давления на диафрагме
:

8. Коэффициент расхода
для трубопровода диаметром
:


9. Модуль диафрагмы

10. Граничное число Рейнольдса


Так как
поправку на влияние числа Рейнольдса не вводим.
11. Диаметр отверстия диафрагмы при рабочей температуре

12. Проверка расчета по формуле(3.13):


Так как
а верхний предел шкалы вторичного прибора
а значит расчет выполнен правильно.
13. Диаметр отверстия диафрагмы при 

14. Потерю давления на диафрагме определяем по формуле (3.15):

Полученное значение потери давления меньше допустимого
Следовательно, значение диаметра отверстия диафрагмы
считается окончательным.
Пример 3. Рассчитать диафрагму для измерения расхода природного газа следующего состава: метан – 92,93%, этан – 3,95%, пропан – 1%, бутан – 0,35%, пентан – 0,17%, углекислый газ – 0,1%, азот – 1,5%.
Наибольший измеряемый объемный расход, приведенный к нормальному состоянию
минимальный расход
абсолютное давление газа перед сужающим устройством
температура газа
, плотность газа в рабочих условиях
(если плотность газа в рабочих условиях неизвестна, ее предварительно рассчитывают по специальной методике). Допустимая потеря давления при максимальном расходе
Внутренний диаметр трубопровода перед сужающим устройством при
материал трубопровода – сталь марки 20.
Решение.
1. Выбираем в качестве сужающего устройства диафрагму камерную (материал Х17), а в качестве измерителя перепада давления – дифманометр унифицированной системы ГСП типа ДМ-П2. Верхний передел дифманометра в комплекте с вторичным прибором
Вторичным прибором может быть один из пневматических приборов, например РПВ4.1П.
2. По справочной литературе [4] определяем динамическую вязкость (
) компонентов газовой смеси в рабочих условиях (
и
):
метан 
этан 
пропан 
бутан 
пентан 
углекислый газ 
азот 
3. Приближенно динамическую вязкость газовой смеси можно подсчитать так:

где
- объемные доли компонентов газовой смеси;
- динамическая вязкость компонентов газовой смеси в рабочих условиях.


4. Внутренний диаметр трубопровода перед диафрагмой при температуре
:

5. Определяем число Рейнольдса при минимальном расходе по формуле (3.4):

6. Вспомогательную величину
определяем по формуле (3.6):

7. Произведение модуля диафрагмы на коэффициент расхода при перепаде давления на диафрагме 

8. Коэффициент расхода
для трубопровода диаметром
:


9. Модуль диафрагмы

10. Граничное число Рейнольдса определяем по формуле (3.10):

11. Диаметр отверстия диафрагмы
при рабочей температуре

12. Проверка расчета по формуле (3.12):

Следовательно, расчет выполнен правильно.
13. Диаметр отверстия диафрагмы при 

14. Потерю давления на диафрагме определяем по формуле (3.15):

Полученное значение потери давления меньше допустимого, следовательно, значение диаметра отверстия диафрагмы
считается окончательным.
15. Так как
определяем поправку на число Рейнольдса по формуле

где
- постоянная для данного модуля величина, определяемая по графикам [4].
Отношение 
Так как
поправку на влияние числа Рейнольдса не вводим.
Алгоритм и программа расчета диафрагмы для измерения расхода вещества приведены в приложении 3.
В табл. 3.1. приведены варианты заданий.
Таблица 3.1
Материал
трубопровода
Сталь 20
“
“
“
“
Чугун
Чугун
“
“
“
Сталь 12МХ
“
“
“
“
Сталь 20
Сталь 20
“
“
“
Pпот, МПа
0,059
0,061
0,028
0,032
0,061
0,021
0,047
0,063
0,012
0,045
0,034
0,042
0,051
0,062
0,070
Рпот-не задана;
=12,16 кг/м3
=1,810-5
Пас
D20, мм
200
100
50
300
50
150
50
100
50
100
150
200
250
300
300
150
100
100
100
150
Fmin, м3/ч
70
100
30
190
100
200
50
50
120
150
(кг/ч)
(нм3/ч)
130000
100000
150000
170000
180000
1000
500
1500
1000
900
Fmax,м3/ч
200
160
40
250
125
320
63
80
160
250
(кг/ч)
(нм3/ч)
200000
230000
250000
300000
280000
3000
1500
2500
2000
2800
Pu, МПа
10
12
5
8
13
5
10
10
5
13
6,6
9,0
12,5
14,0
15.0
0,9
0.85
0,95
1,0
1,1
t, oC
110
50
80
210
290
60
160
220
20
175
430
470
550
500
560
10
25
30
20
15
Измеряемая среда
Вода
Перегретый пар
Воздух
1.
2.
3.
4.
5.
6.
7.
8.
9.
10.
11.
12.
13.
14.
15.
16.
17.
18.
19.
20.
Практическое занятие 4
Тема: Расчет и выбор регулирующих органов автоматических систем регулирования
Цель практического занятия – освоить методики расчета и выбора исполнительных устройство.
4.1. Общие сведения о регулирующих органах
При автоматизации химических производств в качестве исполнительных обычно применяют устройства, состоящие из пневматического исполнительного механизма и регулирующего органа
.
Для регулирования расходов жидкостей и газов используют дроссельные регулирующие органы: односедельные, двухседельные и диафрагмовые клапаны, а также поворотные заслонки.
При регулировании подвижное устройство мембранного исполнительного механизма приводит к изменению проходного сечения регулирующего органа, а следовательно, к изменению его гидравлического сопротивления, т.е. к изменению протекающего через него материального потока.
Основными показателями, определяющими размеры и конструкцию дроссельного
, являются условная пропускная способность и условный проход.
Под пропускной способностью
понимают расход жидкости в
плотностью 1000
, пропускаемой
при перепаде давления на нем, равном 0,1
.Пропускная способность зависит от типоразмера
и хода его затвора. Величину
выражают в
. Максимальную величину пропускной способности
, соответствующую максимальному ходу затвора, для
определенного типоразмера называют условной пропускной способностью. Ее также выражают в
.
Условным проводом в
называют номинальный диаметр прохода
в присоединительных фланцах и обозначают
.Значения
и
для
конкретных типов, серийно выпускаемых промышленностью, приведены в справочной литературе
.
В промышленных условиях обычно применяют клапаны с условным проходом
и условной пропускной способностью
.
К основным параметрам, характеризующим регулирующие органы, относят также условное давление и температуру регулируемой среды и перепад давления на регулирующем органе.
Условным давлением
называют наибольшее допустимое давление среды на
при номинальной температуре.
Перепад давления
на регулирующем органе определяет усилия, на которые рассчитывается исполнительный механизм, а также износ дроссельных поверхностей.
Различают также пропускную, конструктивную и расходную характеристики регулирующего органа.
Пропускная характеристика (внутренняя) устанавливает зависимость пропускной способности
от перемещения
затвора
при постоянном перепаде давления.
Конструктивная характеристика устанавливает зависимость изменения относительного проходного сечения
от степени его открытия.
Расходная характеристика определяет зависимость относительного расхода среды от степени открытия
, где
– относительный расход среды:
– текущее значение расхода среды:
– расход среды при полностью открытом регулирующем органе.
4.2. Расчет и выбор регулирующих органов
Расчет
заключается в определении их пропускной способности
по максимальному расходу среды, протекающей через регулирующий орган, и перепаду давления
, возникающему на
(см. ГОСТ 116443-70).
Для выполнения расчета необходимы следующие исходные данные:
схема технологического участка трубопровода, на котором установлен регулирующий орган, с указанием длины и внутреннего диаметра трубопровода, виды местных сопротивлений и их количество, а для жидкостей – разности высот расположения трубопровода;
давление в начале и конце технологического участка;
максимальный и минимальный расход материального потока;
характеристики материального потока (температура, плотность, вязкость и т.д.).
Расчет выполняется в такой последовательность:
Определяют потерю давления на данном технологическом участке трубопровода при максимальном расходе, которая состоит на потери давления на трении о стенки трубопровода
, потери давления на местных сопротивлениях
и гидростатического напора
, характеризующего затраты давления для подъема жидкости на высоту
:
; (4.1)
2) определяют перепад давления на регулирующем органе при максимальном расходе:
, (4.2)
где
– давление среды в начале технологического трубопровода, МПа;
– давление среды в конце линии, МПа;
— суммарные потери давления среды на технологическом участке трубопровода, МПа;
3) по одной из приведенных ниже формул определяют пропускную способность регулирующего органа
при максимальном расходе:
для жидкостей
, (4.3)
где
– максимальный расход жидкости,
;
– плотность жидкости,
;
-- перепад давления на РО при максимальном расходе, МПа;
для газа при докритическом режиме (
)
, (4.4)
при критическом режиме
,
, (4.5)
где
– максимальный расход газа при
и
,
;
– перепад давления на РО при максимальном расходе, МПа;
и
– абсолютные давления газа при
и
,
;
– абсолютная температура газа перед регулирующим устройством, К; К – безразмерный коэффициент, учитывающий отклонение реального газа от закона идеального газа;
для водяного пара при докритическом истечении
:
, (4.6)
при критическом истечении, когда
,
, (4.7)
где G – максимальный расход пара,
;
– перепад давления на РО при максимальном расходе пара, МПа;
и
— плотности пара при давлениях до
и после
регулирующего органа и рабочей температуре перед РО,
;
4) определяют условную пропускную способность в соответствии с условием
, (4.8)
где n – коэффициент запаса, обычно принимаемый равным 1,2.
5) по значениям
, приведенным в справочниках и каталогах, выбирают типоразмер дроссельного РО. Условная пропускная способность выбирается из параметрического ряда, характерного для заданного типа РО, как ближайшее большее значение по сравнению с произведением максимальной пропускной способности и коэффициента запаса n, т.е. по сравнению с
; диаметр условного прохода
выбирается минимальным из возможных для найденного значения условной пропускной способности; значения условной пропускной способности и условного прохода для исполнительных устройств некоторых типов приведены в табл. 4.1;
Таблица 4.1
Наименование
Тип, пропускная характеристика
Условный проход
, мм
Условная пропускная способность
, 
Условное давление
, температура регулируемой среды
1. Клапаны регулирующие двухседельные чугунные
25ч30нжМ, (НО)
25ч30нжМ, (НЗ)
линейная;
равнопроцентная
15
20
25
40
50
80
100
150
200
250
300
4;6,3
6,3;10
10;16
25;40
40;63
100;160
160;250
400;630
630;1000
1000;1600
1600;2500
1,6 МПа
От -15 до 300
2.Клапаны регулирующие двухседельные стальные
25с48нжМ, (НО)
25с50нжМ, (НЗ)
линейная; равнопроцентная
15
20
25
40
50
80
100
150
200
4;6,3
6,3;10
10;16
25;40
40;63
100;160
160;250
400;630
630;1000
6,4 МПа
От -40 до 300
3. Клапаны регулирующие двухседельные нержавеющие
25нж48нж, (НО)
25нж50нж, (НЗ)
линейная равнопроцентная
То же
(п.2)
То же
(п.2)
6,4 МПа
От -49 до 300
4.Пневматические односедельные исполнительные устройства для малых расходов
ПОУ-7(НО, НЗ)
15,20
От 0,1 до 4
6,4 МПа
От -40 до 225
ПОУ-8(НО, НЗ)
15,20
От 0,1 до 4
16 МПа
От -40 до 225
ПОУ-9(НО, НЗ)
линейная
15,20
От 0,1 до 4
16 МПа
От 225 до 450
6) при мало вязких жидкостях, когда критерий
, расчет считают оконченным; при значениях
выбираемый РО проверяют на влияние вязкости протекающей через него жидкости
;
7) определяют степень открытия регулирующего органа при минимальном и максимальном расходе материального потока по формуле:
, (4.9)
где
– рассчитанное значение условной пропускной способности;
– табличное значение условной пропускной способности для выбранного регулирующего органа;
8) потери давления на конкретном технологическом участке должны быть заданы; если эти величины не известны, то их необходимо определить.
Потери давления (напора) в трубопроводе на трение, скоростной напор и местные сопротивления (Па) определяют по формуле:
, (4.10)
где
– коэффициент трения;
– длина трубопровода, м;
– сумма коэффициентов местных сопротивлений;
– плотность протекающей по трубопроводу среды,
;
W – скорость потока,
.
Коэффициент трения
зависит от числа Рейнольдса и может быть определен по соответствующим формулам.
При ламинарном режиме 
. (4.11)
При турбулентном режиме коэффициент
определяют по формуле Блазиуса
(4.12)
(формула действительна при
)
или по формуле Филоненко
(4.13)
(Формула действительна при любых значениях
).
Число Рейнольдса вычисляют по формул
, (4.14)
где W – скорость потока,
;
D – диаметр трубопровода, м;
– плотность среды,
;
– динамическая вязкость среды,
.
Потерю напора (Па) (в случае подъема жидкости на высоту h) определяют по формуле
, (4.15)
где
– плотность среды,
;
g – ускорение свободного падения,
;
h – разность уровней верхней и нижней отметок трубопровода, м.
Пример 1. Рассчитать регулирующий клапан, установленный на трубопроводе подачи флегмы в ректификационную колонну. В качестве флегмы подается бензол. Плотность бензола
. Вязкость бензола
. Максимальный расход флегмы
, минимальный расход
. Давление в колонне
. Насос, подающий флегму, развивает давление
. Диаметр трубопровода
, его длина
; горизонтальный участок составляет
, а вертикальный
. На трубопроводе имеется один вентиль, один тройник и три колена под углом
.
Решение. 1. Составляем схему трубопроводной линии подачи бензола от насоса до ректификационной колонны с указанием всех технологических устройств (рис. 4.1).
Рисунок 4.1
Рисунок 4.1 – Расчётная схема трубопроводной линии: 1 – насос; 2 – колено под углом
; 3 – вентиль; 4 – регулирующий клапан; 5 – тройник; ректификационная колонна.
2. Определяем потерю давления в трубопроводе на трение о стенки и местных сопротивлениях
;
скорость бензола в трубопроводе
;
число Рейнольдса
;
коэффициент трения
;
коэффициенты сопротивлений
:
вентиля
;
тройники
;
колена
;
;
.
3. Потери давления на перемещение бензола в высоту
:
.
4. Противодавление в ректификационной колонне
.
5. Перепад давления на клапане

.
6. Определяем пропускную способность клапана по формуле
при максимальной и минимальной нагрузках:
;
.
7. Условная пропускная способность РО
.
8. По табл. 4.1. ближайший коэффициент условной пропускной способности 
9. Определяем степень открытия клапана при максимальной и минимальной нагрузках:
;
.
10. По табл. 4.1. выбираем регулирующий клапан типа 25нж48нж, нормально открытый (НО), диаметром условного прохода
с линейной пропускной характеристикой.
Пример 2. Выбрать пневматический регулирующий клапан для регулирования давления перегретого водяного пара. Давление пара в магистрали
, температура
, плотность
, кинематическая вязкость
. Давление, поддерживаемое регулятором,
. Максимальный расход пара
, Минимальный расход
. Диаметр трубопровода
, его длина
. Сумма коэффициентов местных сопротивлений
.
Решение. 1. Скорость пара при максимальном расходе

2. Потери напора в паропроводе
;
число Рейнольдса
;
коэффициент трения
;
.
3. Перепад давления на клапане при максимальном расходе
;
4. Для выбора расчетной формулы пропускной способности клапана определяем режим истечения пара:
;
;
(критический режим).
5. Пропускную способность клапана при максимальной и минимальной нагрузке определяем по формуле:
;
;

(плотность пара при давлении
определяют по таблице
;
при температуре
)
6. Условная пропускная способность
.
7. По таблице 4.1 ближайший коэффициент пропускной способности
.
8. Степень открытия клапана при максимальной и минимальной нагрузках:
;
.
9. По табл. 4.1 выбираем регулирующий клапан типа 25ч30нж (НО) с мембранным пневмоприводом, диаметром условного прохода
с линейной пропускной характеристикой.
Пример 3. Рассчитать регулирующий клапан для регулятора давления природного газа. Максимальный расход газа
, минимальный расход газа
, давление газа до клапана
, а после клапана
. Плотность газа
при температуре
равна
.
Решение. 1. Для выбора расчетной формулы пропускной способности клапана определяем режим истечения газа:

(
– докритический режим).
2. Плотность газа при нормальных условиях (
и
) вычисляем по формуле
.
3. Определяем коэффициенты пропускной способности клапана для максимального и минимального расходов газа

;
.
4. Условная пропускная способность РО:
.
5. По табл. 4.1 ближайший коэффициент пропускной способности
.
6.Определяем степень открытия клапана при максимальном и минимальном расходе газа:
;
.
7. По табл. 4.1 выбираем регулирующий клапан типа 25ч32нж (НЗ) с мембранным пневмоприводом, диаметром условного прохода
, с линейной пропускной характеристикой.
Алгоритм и программа расчета регулирующего клапана приведены в прил. 4.
В табл. 4.2 приведены варианты заданий.
Таблица 4.2
, кг/м3
998,2
900
1,26
4,58
, Пас
110-3
0,6510-3
1,210-5
t=20 oC
1,9710-5
t=300 oC
D, мм
100
200
50
50
100
130
170
85
100
50
40
50
75
100
30
300
250
300
200
200
H, м
15
20
40
10
0
10
15
5
28
19
10
0
15
25
0
0
40
50
12
2,7
L, м
120
200
320
85
46
94
120
75
110
54
87
68
94
105
47
52
420
530
90
110
Fmin, м3/ч
100
30
100
50
50
50
45
80
60
70
100
1425
1500
1700
430
(кг/ч)
10200
15000
14000
11100
9000
Fmax, м3/ч
160
40
125
63
80
90
108
120
85
140
2000
2250
2700
2900
900
(кг/ч)
25500
30000
28000
22500
20000
РК, МПа
0,91
0,43
0,65
0,28
0,11
0,0096
0,0085
0,0074
0,0098
0,0065
0,05
0,08
0,074
0,036
0,01
0,49
0,51
0,6
0,35
0,4
РН, МПа
8,2
3,5
7,4
4,7
6,8
0,56
078
0,44
0,86
0,65
0,45
0,68
0,84
0,9
0,38
1,25
1,3
1,4
0,9
1,0
Среда
Вода
Бензол
Природный газ
Пар
1.
2.
3.
4.
5.
6.
7.
8.
9.
10.
11.
12.
13.
14.
15.
16.
17.
18.
19.
20.
Приложение А
Листинг1
procedure TForm1.Button3Click(Sender: TObject);
var
rt1,rt2,u,i,r,r1,r2,r3,r4,rl,rp,rh,p,q,ro,rd:Real;
begin
//Проверка на ввод всех данных
if (Edit1.Text='')or (Edit2.Text='')or (Edit3.Text='') or(Edit4.Text='')or
(Edit5.Text='')or (Edit6.Text='')or (Edit7.Text='')or (Edit8.Text='')or
(Edit9.Text='')or (Edit10.Text='')
then MessageDlg('Введены не все данные',mtError,[mbOk],0)
else begin
//Приобразование в числовой тип
rt1 := StrToFloat(Edit1.Text);
rt2 := StrToFloat(Edit2.Text);
u := StrToFloat(Edit3.Text);
i := StrToFloat(Edit4.Text);
r2 := StrToFloat(Edit5.Text);
r3 := StrToFloat(Edit6.Text);
r4 := StrToFloat(Edit7.Text);
rl := StrToFloat(Edit8.Text);
rp := StrToFloat(Edit9.Text);
rh := StrToFloat(Edit10.Text);
//Основные вычисления
p := rl + r2 - rt1 - r4 ;
q := -(rl * (rt1 + r4) + r2 * (rt2 + r4)) ;
r1 := -(p/2) + Sqrt(((p/2)*(p/2)) - q) ;
ro := (r2 / (r1+r2+rl)) * (rt2-rt1) ;
r := (ro*rp*rh) / (rp*rh-ro*rp-ro*rh);
rd := (u/i) - (rt1+rl+ro+r3+r4);
// Вывод расчетов
Memo1.Lines.Add(' ---Данные---');
Memo1.Lines.Add('Минимальная величина сопротивления rt1 = '+ FloatToStr(rt1)) ;
Memo1.Lines.Add('Максимальная величина сопротивления rt2 = '+ FloatToStr(rt2)) ;
Memo1.Lines.Add('Величена питающего напряжения u = '+ FloatToStr(u)) ;
Memo1.Lines.Add('Допустимая сила тока i = '+ FloatToStr(i)) ;
Memo1.Lines.Add('Постоянная сопротивления r2 = '+ FloatToStr(r2)) ;
Memo1.Lines.Add('Постоянная сопротивления r3 = '+ FloatToStr(r3)) ;
Memo1.Lines.Add('Постоянная сопротивления r4 = '+ FloatToStr(r4)) ;
Memo1.Lines.Add('Сопротивление подгонки соединительных проводов rl = '+ FloatToStr(rl)) ;
Memo1.Lines.Add('Сопротивление подгонки соединительных проводов rp = '+ FloatToStr(rp)) ;
Memo1.Lines.Add('Сопротивление подгонки соединительных проводов rh = '+ FloatToStr(rh)) ;
Memo1.Lines.Add(' ---Результаты расчета---') ;
Memo1.Lines.Add('Сопротивление начала шкалы R1 = '+ FloatToStr(r1)+' ом');
Memo1.Lines.Add('Сопротивление конца шкалы R = '+ FloatToStr(r)+' ом' );
Memo1.Lines.Add('Сопротивление ограничения тока RD = '+ FloatToStr(rd)+' ом') ;
Button1.Enabled:=True;
end;
end;
В программе приняты следующие обозначения:
- минимальная и максимальная величины термосопротивления, Ом;
- величина питающего напряжения, В;
- допустимая сила тока, проходящего через термопреобразователь сопротивления, А;
- постоянные сопротивления измерительной схемы моста, Ом;
- сопротивления начала и конца шкалы соответственно, Ом;
- сопротивление ограничения тока, Ом.
Приложение Б
Листинг 2
procedure TForm1.Button3Click(Sender: TObject);
var
e1,e2,i1,i2,l,u1,rp,rh,e3,e4,t3,t4,u2,ROK,RNO,R1,RNQ,RO,R,RD:Real;
begin
//Проверка на ввод всех данных
if (Edit1.Text='')or (Edit2.Text='')or (Edit3.Text='') or(Edit4.Text='')or
(Edit5.Text='')or (Edit6.Text='')or (Edit7.Text='')or (Edit8.Text='')or
(Edit9.Text='')or (Edit10.Text='')or (Edit11.Text='')or (Edit12.Text='')or
(Edit13.Text='')
then MessageDlg('Введены не все данные',mtError,[mbOk],0)
else begin//Приобразование в числовой вид
e1 := StrToFloat(Edit1.Text);
e2 := StrToFloat(Edit2.Text);
i1 := StrToFloat(Edit3.Text);
i2 := StrToFloat(Edit4.Text) ;
l := StrToFloat(Edit5.Text);
u1 := StrToFloat(Edit6.Text);
rp := StrToFloat(Edit7.Text);
rh := StrToFloat(Edit8.Text);
e3 := StrToFloat(Edit9.Text);
e4 := StrToFloat(Edit10.Text);
t3 := StrToFloat(Edit11.Text);
t4 := StrToFloat(Edit12.Text);
u2 := StrToFloat(Edit13.Text);
//основные вычисления
ROK:=(e4 -e3)/(l*(t4-t3)*i1);
RNO:=(e1+i2*ROK)/i2;
R1:=u1/i1;
RNQ:=(i1*R1-e2)/i2;
RO:=(e2-e1)/i2;
R:=(RO*rp*rh)/(rp*rh-rp*RO-rh*RO);
RD:=(u2/(i1+i2));
//Вывод информации
Memo1.Lines.Add(' ---Данные---');
Memo1.Lines.Add('Минималиая величина т.э.д.с термопары (на приборе) e1 = '+ Edit1.Text) ;
Memo1.Lines.Add('Макcимальная величина т.э.д.с термопары (на приборе) e2 = '+ Edit2.Text) ;
Memo1.Lines.Add('Сила тока в ветвях моста i1 = '+ Edit3.Text) ;
Memo1.Lines.Add('Сила тока в ветвях моста i2 = '+ Edit4.Text) ;
Memo1.Lines.Add('Темпратурный коэффициент сопр. медного провода l = '+ Edit5.Text) ;
Memo1.Lines.Add('Напряжение на выходе ИПС u1 = '+ Edit6.Text) ;
Memo1.Lines.Add('Сопротивление реохорда rp = '+ Edit7.Text) ;
Memo1.Lines.Add('Сопротивление шунта rh = '+ Edit8.Text) ;
Memo1.Lines.Add('Минималиая величина т.э.д.с термопары (для спаев) e3 = '+ Edit9.Text) ;
Memo1.Lines.Add('Максимальная величина т.э.д.с термопары (для спаев) e4 = '+ Edit10.Text) ;
Memo1.Lines.Add('Нижний придел изменения темпераруры спаев t3 = '+ Edit11.Text) ;
Memo1.Lines.Add('Верхний придел изменения темпераруры спаев t4 = '+ Edit12.Text) ;
Memo1.Lines.Add('Напряжение ИПС u2 = '+ Edit13.Text) ;
Memo1.Lines.Add(' ---Результаты расчета---') ;
Memo1.Lines.Add('Сопротивление начала шкалы RNO = '+FloatToStr(RNO)+' ом') ;
Memo1.Lines.Add('Сопротивление конца шкалы RNQ = '+FloatToStr(RNQ)+' ом') ;
Memo1.Lines.Add('Сопротивление подгонки реохорда R = '+FloatToStr(R)+' ом') ;
memo1.Lines.Add('rd ='+floatToStr(rd));
Button1.Enabled:=True;
end;
end;
В программе приняты обозначения:
– минимальные и максимальные величины т.э.д.с.термопары, соответствующие диапазону шкалы прибора, В;
– силы токов в ветвях моста, А;
– температурный коэффициент сопротивления медного провода,
;
– напряжение на выходе ИПС, В;
– сопротивление реохорда и шунта реохорда соответственно, Ом;
– минимальная и максимальная величины т.э.д.с.термопары, соответствующие диапазону изменения температуры холодных спаев, В;
– пределы изменения температуры холодных спаев, нижний и верхний соответственно,
;
– величина напряжения ИПС, В.
Приложение В
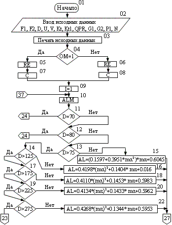
Начало блок-схемы к приложению В
Блок-схема алгоритма расчёта дифрагмы для измерения расхода вещества
Продолжение блок-схемы к приложению В
Блок-схема алгоритма расчёта дифрагмы для измерения расхода вещества
Блок 01 – начало счета программы;
блоки 02-03 – ввод и печать исходных данных;
блоки 04-05 – расчет числа Рейнольдса и вспомогательной величины С;
блок 09 – начало цикла по I (определение
) методом перебора задаваемых перепадов давления;
блок 10 – вычисление величины
;
блок 11-26 – определение коэффициента расхода диафрагмы в зависимости от диаметра трубопровода;
блок 27 – расчет модуля диафрагмы 
блок 28 – расчет граничного числа Рейнольдса;
блок 29 – расчет диаметра отверстия диафрагмы;
блок 30-32 – определение максимального расхода
;
блок 33 – вычисление потери давления на диафрагме;
блок 34 – печать заданного перепада давления на диафрагме;
блок 35 – печать результатов расчета;
блок 36-37 – конец цикла по I;
блок 38 – конец расчета.
Листинг 3
procedure TForm1.Button3Click(Sender: TObject);
var
om,i:integer;
f1,f2,u,v,kt,d,kt1,qpr,g1,g2,p1,d1,re,c,alm,al,
am,regr,dcu,QPRT,ptd,dcu1:Real;
begin
if (EDIT1.TEXT ='')or (edit2.Text='')or (edit3.Text='') or(edit4.Text='')or (edit5.Text='')or (edit6.Text='')or
(edit7.Text='')or (edit8.Text='')or (edit9.Text='')or (edit10.Text='')or (edit11.Text='')
then MessageDlg('Введены не все параметры',mtError,[mbOk],0)
else begin
f1 := StrToFloat(edit1.Text);
f2 := StrToFloat(edit2.Text);
d := StrToFloat(edit3.Text);
u := StrToFloat(edit4.Text) ;
v := StrToFloat(edit5.Text);
kt := StrToFloat(edit6.Text);
qpr := StrToFloat(edit7.Text);
g1 := StrToFloat(edit8.Text);
g2 := StrToFloat(edit9.Text);
p1 := StrToFloat(edit10.Text);
kt1 := StrToFloat(edit11.Text);
om := StrToInt(Combobox1.Text);
Button1.Enabled:=True;
memo1.Clear;
if om = 1 then
begin
Memo1.Lines.Add(' ---Данные---');
Memo1.Lines.Add('максимальный расход (м^3/ч) ='+ Edit1.Text);
Memo1.Lines.Add('минимальный расход (м^3/ч) ='+ Edit2.Text);
end
else
Begin
Memo1.Lines.Add('максимальный расход (м^3/ч) ='+ Edit8.Text);
Memo1.Lines.Add('минимальный расход (м^3/ч) ='+ Edit9.Text);
end;
Memo1.Lines.Add('диаметр трубопровода (мм) ='+ Edit3.Text);
Memo1.Lines.Add('потность вещества (кг/м^3) ='+ Edit4.Text);
Memo1.Lines.Add('вязкость вещества (па*с) ='+ Edit5.Text);
Memo1.Lines.Add('температурный коффициент kt ='+ Edit6.Text);
Memo1.Lines.Add('верхний придел шкалы вторичного прибора ='+ Edit7.Text);
Memo1.Lines.Add('допустимая потеря давления на диафрагме (МПа) ='+ Edit10.Text);
Memo1.Lines.Add(' ---Результаты расчета---');
if om =1 then
begin
D1:=d*kt;
re:=(0.354*f2*u)/(d1*v);
c:=(qpr*sqrt(u))/(4*(d1*d1));
end
else
begin
d1:=d*kt;
re:=(0.354*g2)/(d1*v);
c:=qpr/(4*(d1*d1)*sqrt(u));
end;
Memo1.Lines.Add('число Рейннольдса re ='+ FloatToStr(re));
Memo1.Lines.Add('вспомогатильная величина c ='+ FloatToStr(c));
For i:= 1 to n do
begin
Memo1.Lines.Add('*** *** *** ***') ;
Memo1.Lines.Add('перепад давления на диофрагме (Мпа) ='+FloatToStr(x[i]));
Alm:=c/sqrt(x[i]);
Memo1.Lines.Add('вспомогательная величина Alm ='+FloatToStr(alm));
if d<=50 then
begin
Memo1.Lines.Add('уточните диаметр D');
exit;
end;
Case round (d) of
70: al:=0.4072*sqr(alm)+0.1478*alm+0.6023;
50..69:al:=0.1597+0.3591*sqr(alm)*alm+0.6045;
71..75: al:=0.1597+0.3591*sqr(alm)*alm+0.6045;
80: al:=0.4072*sqr(alm)+0.1478*alm+0.6023;
76..79: al:=0.4198*sqr(alm)+0.1404*Alm+0.6016;
81.. 125: al:=0.4198*sqr(alm)+0.1404*Alm+0.6016;
126..175 : al:=0.411*sqr(alm)+0.1453*Alm+0.5983;
176..225 :al:=0.4134*sqr(alm)+0.1433*Alm+0.5962;
226..275: al:=0.4268*sqr(alm)+0.1344*Alm+0.5953;
300: al:=0.1418*sqr(alm)+0.4384*Alm+0.5509;
else begin
Memo1.Lines.Add('уточните диаметр D');
exit;
end;
end;
Memo1.Lines.Add('коэффициент расхода диафрагмы Al='+FloatToStr(Al));
Am:=Alm/Al;
Memo1.Lines.Add('модуль диафрагмы am='+FloatToStr(Am));
Regr:=102270 *Power(am,0.598)* exp(1.993*am);
Memo1.Lines.Add('граничное число Рейнольдса Regr='+FloatToStr(Regr));
Dcu:=D1*sqrt(am);
Memo1.Lines.Add('диаметр отверстия диофрагмы Dcu ='+FloatToStr(Dcu));
om:= StrToInt(InputBox('Ввод данных','введите om (1 или 2) ,перепад давления ='+FloatToStr(x[i]),'1'));
if om=1
then QPRT:=4*AL*Sqr(Dcu)*Sqrt(x[i]/u)
else QPRT:=4*AL*Sqr(Dcu)*Sqrt(x[i]*u);
Memo1.Lines.Add('максимальный расчетный расход QPRT= '+FloatToStr(QPRT));
DCU1:=Dcu/kt1;
Memo1.Lines.Add('диаметр отверстия при 20 градусах dcu20='+FloatToStr(dcu1));
ptd:=(1-1.05*am*x[i])*Power(10,-4);
Memo1.Lines.Add('потеря давления на диофрагме ptd= '+FloatToStr(ptd));
If Ptd >= P1 then Memo1.Lines.Add('потеря давления на диафрагме больше допустимой')
else Memo1.Lines.Add('диаметр DCU_20 считать окончательным !');
if Re<= Regr
then
begin
Memo1.Lines.Add('необходима поправка к показаниям дифманометра которую');
Memo1.Lines.Add('опредилите по формуле f=((27,7*d*v)/(u*9.81))*k (м^3/ч)');
Memo1.Lines.Add('величину k найти по справочнику!');
Memo1.Lines.Add('или по фомуле g=((27,7*d*v)*k)');
end
else Memo1.Lines.Add('расчет закончен');
end;
end;
end;
В программе приняты следующие обозначения:
– верхний предел шкалы вторичного прибора;
– максимальный и минимальный заданный расход соответственно,
;
– ряд перепадов давления дифманометров, МПа;
– плотность среды,
;
– динамическая вязкость вещества,
;
– диаметр трубопровода ,
;
– допустимая потеря давления в диафрагме, МПа;
– температурные коэффициенты материала трубопровода и диафрагмы соответственно;
– число Рейнольдса;
– граничное число Рейнольдса;
– вспомогательная величина;
– величина для задания ветвящегося алгоритма (
– объемные расходы;
– массовые расходы);
– потеря давления на диафрагме, МПа;
– диаметр отверстия диафрагмы,
;
–коэффициент расхода диафрагмы;
– модуль диафрагмы;
– произведение модуля диафрагмы на ее коэффициент расхода;
– максимальный расчетный расход,
.
Приложение Г
Начало блок-схемы к приложению Г
Блок-схема алгоритма расчёта регулирующего органа
Продолжение блок-схемы к приложению Г
Блок-схема алгоритма расчёта регулирующего органа
Блок 01 – начало счета программы;
блок 02 – задание значение коэффициентов местных сопротивлений,
;
блок 03-04 – ввод и печать исходных данных;
блок 05 – задание начальных значений параметров цикла I и вспомогательной величины S, используемой при определении потерь на местных сопротивлениях;
блок 06-07 – вычисление в цикле величины S;
блок 08 – задание начального значения величины M для ветвящегося алгоритма расчета коэффициента пропускной способности клапана и потерь давления на клапане;
блок 09 – задание значений максимального расхода;
блок 10-14 – ветвящийся алгоритм расчета линейной скорости потока вещества (ж – жидкость; п – пар; г – газ);
блок 15 – определение числа Рейнольдса;
блок 16-20 – ветвящийся алгоритм расчета коэффициента трения;
блок 21-22 – вычисление потерь давления;
блок 23 – определение перепада давления на клапане PØ;
блок 24 – логический оператор; если PØ≤Ø – производится печать PØ, и расчет прекращается; при PØ>O расчет продолжается;
блок 25 – вывод на печать PØ;
блок 26 – конец расчета;
блок 27-31 – ветвящийся алгоритм расчета пропускной способности клапана;
блок 32 – печать результатов расчета;
блок 33 – проверка условий
; если условие не выполняется – переход на блок 34; если выполняется – конец расчета;
блок 34 – присвоение величине M значение 2;
блок 35 – задание нового значения
, равного минимальному расходу, переход на блок 10 и расчет повторяется до тех пор, пока не будет выполнено условие
.
Листинг 4
procedure TForm1.Button3Click(Sender: TObject);
var
i,k,m:integer;
f1,f2,d,u,v,l,g,h,p1,p2,s,w,t,re,l1,f,p3,p4,po,kv,kv1,pnk,pkk,u1,u2,u3,t1,k1:Real;
label
nachalo;
begin
if (EDIT1.TEXT ='')or (edit2.Text='')or (edit3.Text='') or (edit5.Text='')or (edit6.Text='')or
(edit7.Text='')or (edit8.Text='')or (edit9.Text='')or (edit10.Text='')or (edit11.Text='')
then MessageDlg('Введены не все параметры',mtError,[mbOk],0)
else begin
f1 := StrToFloat(edit1.Text);
f2 := StrToFloat(edit2.Text);
d:= StrToFloat(edit3.Text);
k:= StrToInt(ComboBox1.Text) ;
u:= StrToFloat(edit5.Text);
v:= StrToFloat(edit6.Text);
l:= StrToFloat(edit7.Text);
g:= StrToFloat(edit8.Text);
h:= StrToFloat(edit9.Text);
p1:= StrToFloat(edit10.Text);
p2:= StrToFloat(edit11.Text);
Button1.Enabled:=True;
memo1.Clear;
Memo1.Lines.Add(' ---Данные---');
Memo1.Lines.Add('максимальный расход (м^3/ч) f1= '+Edit1.Text);
Memo1.Lines.Add('минимальный расход (м^3/ч) f2= '+Edit2.Text);
Memo1.Lines.Add('диаметр трубопровода (м) d= '+Edit3.Text);
Memo1.Lines.Add('плотность вещества (кг*м^3) u= '+Edit5.Text);
Memo1.Lines.Add('вязкость вещества (па*с) v= '+Edit6.Text);
Memo1.Lines.Add('длинна трубопровода (м) l= '+Edit7.Text);
Memo1.Lines.Add('ускорение свободного падения (м/с^2) g= '+Edit8.Text);
Memo1.Lines.Add('высота вертекального участка трубопровода (м) h= '+Edit9.Text);
Memo1.Lines.Add('давление в начале трубопровода (МПа) p1= '+Edit10.Text);
Memo1.Lines.Add('давление в конце трубопровода (МПа) p2= '+Edit11.Text);
Memo1.Lines.Add(' ---Результаты расчета---');
for i:= 1 to n do
s:=s+x[i];
Memo1.Lines.Add('сумма коэффициентов местных соротивлений s = '+FloatTostr(s));
m:=1;
f:=f1;
nachalo:
case k of
1:w:=4*F/(3600*3.14* sqr(D));
2:w:=4*F/(3600*3.14* sqr(D)*U);
3: begin
t:= StrToFloat(InputBox('Ввод данных','введите t ','1'));
w:=4*F*(273+t)/(3600*3.14* sqr(D)*273);
end;
end;
Memo1.Lines.Add('скорость вещества (м/с), w = '+FloatToStr(w));
re:=w*d*u/v;
Memo1.Lines.Add('число Рейнольдса re= '+FloatToStr(re));
if re <=2320 then
l1:=64/re;
if re>=100000 then
l1:=0.303/sqr(log10(re)/2.3-0.9)
else l1:=0.316/Power(re,0.25);
Memo1.Lines.Add('коэффициент трения l1 = '+FloatToStr(l1));
p3:=(L1*L/D+S+1)*(U*W*W/2)/1000000;
Memo1.Lines.Add('потери давления в трубо проводе (МПа) p3 = '+FloatToStr(p3));
p4:=u*g*h/1000000;
Memo1.Lines.Add('потери давления на вертикальном участке (МПа) p3 = '+FloatToStr(p4));
po:=p1-p2-p3-p4;
Memo1.Lines.Add('перепад давления на клапане (МПа) po = '+FloatToStr(po));
if po<=0 then exit;
case k of
1:Begin
kv:=0.316*1.2*f*sqrt(u/1000/po);
kv1:=kv/1.2;
Memo1.Lines.Add('условная пропускная способность клапана kv = '+FloatToStr(kv));
Memo1.Lines.Add(' пропускная способность клапана в рабочих условиях - '+FloatToStr(kv1));
if m=2 then exit
else begin
m:=2;
f:=f2;
Goto nachalo;
end;
End;
2:Begin
pnk:=p1-p3-p4;
pkk:=p2;
Memo1.Lines.Add('давление пара перед клапаном (МПа),pnk = '+FloatToStr(pnk));
Memo1.Lines.Add('давление пара после клапана (МПа),pkk = '+FloatToStr(pkk));
if po<= 0.52*pnk
then
begin
u1:=StrToFloat(InputBox('Ввод U1','Введите плотность пара при pkk и рабочей t (кг/м^3),U1=','1'));
kv:=(f*sqrt(1/(u1*pnk)))/73.5*1.2;
kv1:=kv/1.2;
Memo1.Lines.Add('условная пропускная способность клапана kv = '+FloatToStr(kv));
Memo1.Lines.Add(' пропускная способность клапана в рабочих условиях - '+FloatToStr(kv1));
end
else
begin
u2:=StrToFloat(InputBox('Ввод U2','Введите плотность пара при pkk и рабочей t (кг/м^3),U2=','1'));
kv:=(f*sqrt(1/(u2*po)))/103*1.2;
kv1:=kv/1.2;
Memo1.Lines.Add('условная пропускная способность клапана kv = '+FloatToStr(kv));
Memo1.Lines.Add(' пропускная способность клапана в рабочих условиях - '+FloatToStr(kv1));
end;
if m=2 then exit
else begin
m:=2;
f:=f2;
Goto nachalo;
end;
end;
3: Begin
pnk:=p1-p3-p4;
pkk:=p2;
Memo1.Lines.Add('давление пара перед клапаном (МПа),pnk = '+FloatToStr(pnk));
Memo1.Lines.Add('давление пара после клапана (МПа),pkk = '+FloatToStr(pkk));
if po<= 0.52*pnk
then
begin
u3:=StrToFloat(InputBox('Ввод u3','Введите плотность u3=','1'));
t1:=StrToFloat(InputBox('Ввод t1 ','Введите температуру t1=','1'));
k1:=StrToFloat(InputBox('Ввод k1','Введите коэффициент k1=','1'));
kv:=(F*sqrt((U3*T1*K1)/(Po*PKK)))/5280*1.2;
kv1:=kv/1.2;
Memo1.Lines.Add('условная пропускная способность клапана kv = '+FloatToStr(kv));
Memo1.Lines.Add(' пропускная способность клапана в рабочих условиях - '+FloatToStr(kv1));
end
else
begin
u3:=StrToFloat(InputBox('Ввод u3','Введите плотность u3=','1'));
t1:=StrToFloat(InputBox('Ввод t1 ','Введите температуру t1=','1'));
k1:=StrToFloat(InputBox('Ввод k1','Введите коэффициент k1=','1'));
kv:=(F*sqrt(U3*T1*K1)/(2640*PNK))*1.2;
kv1:=kv/1.2;
Memo1.Lines.Add('условная пропускная способность клапана kv = '+FloatToStr(kv));
Memo1.Lines.Add(' пропускная способность клапана в рабочих условиях - '+FloatToStr(kv1));
end;
if m=2 then exit
else begin
m:=2;
f:=f2;
Goto nachalo;
End;
end;
end;
end;
end;
В программе приняты следующие обозначения:
– количество местных сопротивлений;
– плотность среды,
;
– вязкость среды,
;
– максимальный и минимальный расход соответственно,
;
– давление в начале участка трубопровода, МПа;
– давление в конце трубопровода, МПа;
– длинна трубопровода, м;
– диаметр трубопровода, м;
– высота вертикального участка трубопровода, м;
– плотность пара при давлении
и рабочей температуре,
;
– давление перед клапаном, МПа;
– плотность пара при давлении
и рабочей температуре,
;
– давление за клапаном, МПа;
– температура газа,
;
– абсолютная температура газа, К;
– безразмерный коэффициент, учитывающий отклонение реального газа от закона идеального газа;
– плотность газа при нормальных условиях (
и
),
;
– ускорение свободного падения,
; S – сумма коэффициентов местных сопротивлений;
– скорость вещества,
;
– число Рейнольдса;
– потери давления в трубопроводе, МПа;
– потери давления на вертикальном участке, МПа;
– перепад давления на клапане, МПа;
– условная пропускная способность клапана,
.
Література
1 Полоцкий Л.М., Лапшенков Г.И. Автоматизация химических производств. М.: "Химия", 1982. -295с.
2 Лапшенков Г.И., Полоцкий Л.М. Автоматизация производственных процессов в химической промышленности. М.: "Химия", 1988. -288c.
3 Шувалов В.В., Голубятников В.А., Огаджанов Г.А. Автоматизация производственных процессов в химической промышленности. М.: "Химия",1991. -480с.
4 Кулаков М.В. Технологические измерения и приборы для химических производсв.М.: "Машиностроение", 1983 -424с.
5 Автоматические приборы, регуляторы и вычислительные системы. Справочное пособие. Под ред. Б.Д. Кошарского. Л.: "Машиностроение",1976. -488с.
6 Методические указания к практическим занятиям по курсу "Автоматика и автоматизация производственных процессов" для студентов cпециальности 7.090 220 /Сост. Г.В. Кравченко, И.П. Кушнаренко.- Днепропетровск: ДХТИ,1993.-100с.
7 Методические указания к выполнению самостоятельной работы студентов по курсу "Контроль и управление химико-технологическими процессами" для студентов V-VI курсов всех специальностей. /Сост. Г.В. Кравченко, В.Л. Динес, В.М. Кавизин.- Рубежное РФ ВУГУ,1998.- 36с.
8 Методическое руководство к выполнению дипломного проекта по разделу "Автоматический контроль и управление технологическим процессом" для студентов V-VI курсов всех специальностей. / Сост.Г.В. Кравченко, В.Л. Динес, И.П. Кушнаренко. - Днепропетровск: ДХТИ,1992. - 25 с.
Содержание
Практическое занятие 1. Обработка результатов измерений на персональном компьютере ………………………………………..
3
1.1 Краткие теоретические сведения…………………………..
3
1.2 Описание программы расчета статистических показателей…………………………………………………………
7
Практическое занятие 2. Расчёт измерительных схем автоматического моста и потенциометра
11
2.1 Основные понятия об измерении температуры………….
11
2.2 Расчет измерительной схемы автоматического моста…..
11
2.3 Расчет измерительной схемы автоматического потециометра……………………………………………………….
17
Практическое занятие 3. Расчет диафрагмы для изменения расхода вещества
25
3.1 Основные сведения об измерении расхода с помощью сужающих устройств……………………………………………
25
3.2 Расчет диафрагмы для измерения расхода………………
26
Практическое занятие 4. Расчет и выбор регулирующих органов автоматических систем регулирования
41
4.1 Общие сведения о регулирующих органах………………
41
4.2 Расчет и выбор регулирующих органов………………….
42
Приложение А ……………………………………………………..
57
Приложение Б ……………………………………………………...
59
Приложение В ……………………………………………………...
62
Приложение Г ……………………………………………………...
68
Литература………………………………………………………….
76
Автоматизация производственных процессов. Методические указания к практическим занятиям.
Ответственный за выпуск : Кравченко Г.В.
Подписано к печати “___”_________ 2004 р. Формат 608416
Печ.листов 80
Тираж ___ прим.
Ротапринт РФ ВНУ 93009, г.Рубежное, ул. Ленина, 31
Нравится материал? Поддержи автора!
Ещё документы из категории разное:
Чтобы скачать документ, порекомендуйте, пожалуйста, его своим друзьям в любой соц. сети.
После чего кнопка «СКАЧАТЬ» станет доступной!
Кнопочки находятся чуть ниже. Спасибо!
Кнопки:
Скачать документ