Система оптической записи "компакт-диск"






















Система оптической записи "компакт-диск"
1. Записывающее устройство
Структурная схема записывающего устройства представлена на рис. 1. Система "Компакт-диск" - стереофоническая. Сигналы левого и правого каналов пропускают через фильтры нижних частот, частота среза которых 20 кГц , и подают на устройства выборки-хранения. Частота дискретизации 44.1 кГц. С устройства выборки-хранения сигналы поступают на 16-разрядные АЦП. На выходе АЦП получаются две последовательности двоичных 16-разрядных чисел с частотой следования 44.1 кГц.
1 – ФНЧ; 2 – АЦП;
3 – Мультиплексор;
4 – Блок защиты от ошибок; 5 – Модулятор;
6 - Блок формирования служебной информации;
7 – Записывающий узел; 9 – Генератор тактовой частоты.
Рисунок 1
Обе последовательности поступают на входы мультиплексора, который объединяет их в одну последовательность, но с удвоенной частотой следования (88.2 кГц). Кроме того, последовательность делится на кадры – блоки, содержащие 6 отсчетов левого и 6 отсчетов правого каналов. Частота следования кадров равна 88.2/12 = 7.35 кГц. Наконец, 16-разрядные числа делятся на два 8-разрядных числа (байта). Частота следования байтов 88.2 * 2 = 176.4 кГц. Каждый кадр содержит 24 байта. Эти преобразования иллюстрируются рисунком 2 а, б, в. В таком виде последовательность поступает на блок защиты от ошибок. Ошибки могут возникать из-за дефектов дорожки записи (царапины и т.п.). Повреждения могут быть короткие (поврежден один символ) и охватывающие несколько символов (и, даже, кадров). Короткие повреждения обнаруживаются и исправляются кодами. Чтобы код мог обнаружить и исправить цепочку поврежденных символов, их нужно разбросать и вставить между неповрежденными символами. Эта идея использована при построении блока защиты от ошибок. Схема обработки последовательности чисел в блоке показана на рис. 3, а полная схема перестановок и обработки – на рис. 4. Сначала производится 1 перемежение (перестановка) символов (байтов). Цифра в овале на рис. 4 означает задержку на 2 кадра. Затем производится обнаружение и исправление ошибок первым кодером С2. Используется код Рида-Соломона с образующим многочленом . Код вычисляет и добавляет четыре поверочных символа. Таким образом, в кадре теперь содержится 28 символов. Код может обнаружить до 4 ошибок или исправить до 2 символов. Затем следует 2 перемежение.
Рисунок 2
Рисунок 3
Рисунок 4
Буква D в овалах обозначает задержку на 4 кадра. Далее производится обработка вторым кодером С1, который добавляет ещё 4 поверочных символа. Теперь кадр содержит 32 символа. Наконец, следует ещё одно перемежение. Эта система защиты от ошибок обеспечивает вероятность появления ошибки на выходе системы ~ 10-17, при вероятности ошибки на дорожке записи 10-3 (диск плохого качества). После блока защиты в кадр добавляют ещё один символ (байт) служебной информации. Теперь кадр содержит 33 символа в параллельном коде (см. рис. 2 д). Записать такую последовательность на одну дорожку нельзя. Поэтому переходят к последовательному (канальному) коду. В системе "Компакт-диск" использован канальный код EFM (eight to fourteen modulation) или код 8 –14. Каждому байту соответствует 14-разрядный символ (см. табл. 1). Между двумя 14-разрядными символами вставляют 3 соединительных разряда. Эти разряды заполняют так, чтобы между единицами соседних символов было не меньше двух и не больше десяти нулей. Ограничение длины последовательности одного уровня создаёт возможность самосинхронизации. Теперь символ кода становится 17-разрядным.
Таблица 1 Фрагмент таблицы преобразований 8-14
Общее число бит в кадре 33 * 17 = 561. К ним добавляется 27 бит синхронизации, так что число бит в кадре 588. Частота следования 4.3218 МГц. Полученная последовательность управляет лучем лазера записывающего узла. Работа всех узлов рекордера синхронизируется генератором тактовой частоты.
Структурная схема записывающего узла приведена на рис. 5.
Рисунок 5
Запись осуществляется на диск, выполненный из полированного стекла, на который нанесен слой фоторезиста толщиной 0.1 ÷ 0.13 мкм. В процессе записи модулированный луч лазера засвечивает фоторезист. После записи фоторезистивный слой проявляют. Засвеченные участки растворяются, образуя углубления (питы). Поверхность проявленного диска покрывают тонким слоем серебра. Затем методами гальванопластики формируют цельнометаллический оригинал. Рельеф оригинала переносят на промежуточные копии, а с копий – на матрицы. Тиражирование дисков осуществляется одним из трех способов: методом горячего прессования, литьем под давлением или способом фотополимеризации.
2. Компакт-диск
Конструкция и размеры компакт-диска определены стандартом и не могут быть изменены. Диск изготовлен из поликарбоната – пластмассы, устойчивой к короблению, не изменяющей размеры при изменении температуры. Конструкция и размеры диска показаны на рис. 6. Информационный слой диска покрыт слоем алюминия толщиной 0.1 мкм и защищен слоем прочной пластмассы и этикеткой. Считывание информации происходит с другой стороны сквозь толщу прозрачной пластмассы.
Рисунок 6
3. Проигрыватель компакт-дисков
Структурная схема проигрывателя компакт-дисков изображена на рис. 7.
Рисунок 7
Считывание информации с компакт-диска осуществляется оптической головкой. Упрощенная схема оптической головки показана на рис 8.
Рисунок 8
Источником излучения является полупроводниковый лазер, созданный на основе аренида галлия. Длина волны, излучаемой лазером 0.78 мкм, мощность 0.25 ÷ 0.9 мВт.
Излучаемая мощность контролируется фотодиодом и поддерживается на постоянном уровне. Вариант схемы регулирования приведен на рис. 9.
LD – лазер; MD – фотодиод; Q103 – усилитель; Q104 – транзистор, регулирующий ток лазера.
Рисунок 9
Рисунок 10
Излучение лазера пропускается через диффракционную решетку. Решетка формирует главный луч и боковые лучи (см. рис. 10), которые необходимы для работы системы автотрекинга. Далее через конденсорную линзу излучение попадает на поляризационно-расщепляющую призму. На выходе призмы луч приобретает линейную (параллельную) поляризацию.
Часть энергии отводится на фотодиод, контролирующий мощность излучения. Основная часть энергии через анизотропную пластинку толщиной λ/4 и объектив попадает на поверхность компакт- диска. Анизотропная пластина изменяет положение плоскости поляризации на 450.
Луч, отраженный от поверхности компакт-диска, через объектив снова попадает на пластинку и снова изменяет положение плоскости поляризации на 450 . Таким образом, отраженный луч изменил ориентацию плоскости поляризации на 900 и теперь нормально поляризован. Призма отводит отраженный луч вправо – через цилиндрическую линзу на фотоприёмник.
Фотоприёмник представляет собой матрицу из четырех основных фотодиодов (А, В, С, D) и двух фотодиодов (E, F) – датчиков системы автотрекинга (см. рис. 11).
Рисунок 11
В зависимости от положения диска цилиндрическая линза создаёт на основной матрице световое пятно круглой формы, если фокусировка – правильная, и эллиптической формы, если диск не в фокусе. Причем положение большой оси эллипса зависит от знака отклонения. Это позволяет сформировать информационный сигнал (А+В+С+D) и сигнал ошибки фокусировки ((А+С)-(В+D)). Сигнал ошибки фокусировки усиливается и поступает в катушку, управляющую положением объектива, т.е.обеспечивается автоматическая фокусировка луча. Излучение боковых лепестков создаёт на поверхности диска два пятна, которые при правильном положении основного луча располагаются справа и слева от дорожки. Свет, отраженный от этих пятен, принимается фотодиодами Е и F. Сигналы этих фотодиодов формируют сигнал ошибки трекинга Е – F, восстанавливающий правильное положение основного луча на дорожке записи. Информационный сигнал, снятый с фотоприёмника, не может быть декодирован, т.к. имеет форму импульсов далекую от прямоугольной (см. рис. 12).
Рисунок 12
Поэтому cигнал нуждается в формировании. Сигал подают на компаратор, который формирует последовательность импульсов прямоугольной формы. Однако, длительность импульсов в этой последовательности может быть не кратной периоду тактовой частоты 4.3218 МГц.
а)
б)
Рисунок 13
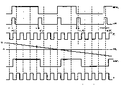
Чтобы правильно декодировать информационный сигнал, необходимо сделать длительность импульсов кратной периоду тактовой частоты. Эта задача решается путем фазовой автоподстройки частоты. Структурная схема устройства показана на рис. 13 а, а временные диаграммы – на рис. 13 б.
Формирование сигнала ошибки осуществляется фазовым детектором ФД, на один из входов которого подаётся напряжение, вырабатываемое генератором тактовой частоты, управляемым напряжением. На второй вход поступает последовательность импульсов ФИ, сформированных по фронтам информационного EFM сигнала. Фазовый детектор вырабатывает управляющее напряжение, пропорциональное величине и знаку ошибки φ.
Это напряжение изменяет частоту генератора ГУН так, чтобы длительность информационных импульсов стала кратной тактовой частоте. Для устранения искажений фронтов информационных импульсов они дополнительно формируются D-триггером. Сформированный сигнал поступает на демодулятор.
Для правильного декодирования информационной последовательности необходимо знать, где начинается кадр информации. Распознавание начала кадра производится по кадровому синхроимпульсу в устройстве цикловой синхронизации (см. рис. 13).
Рисунок 13
В опознавателе синхрогруппы поступающая последовательность сравнивается с хранящейся в памяти опознавателя копией синхроимпульса. При обнаружении совпадения фиксируется начало кадра и производится проверка правильности определения начала кадра. Для этого от найденного начала отсчитывается 588 бит (число бит в кадре) и проверяется наличие синхоимпульса. Если синхроимпульс обнаружен снова, то начало кадра определено правильно и блок защиты от ложного фазирования привязывает к этому моменту последовательность кадровых синхроимпульсов.
Аналогично определяется начало субкадра служебной информации.
После определения начала кадра информационная последовательность импульсов поступает на демодулятор кода 8/14, где преобразуется в 8-разрядный параллельный код и записывается в ОЗУ. Процесс записи информации в ОЗУ и считывание информации из ОЗУ происходит непрерывно. Но запись может производиться с изменяющейся скоростью, а считывание информации происходит с тактовой частотой, стабилизированной кварцем. Это позволяет снизить требования к двигателю, врвщвающему компакт-диск и практически полностью исключить детонацию.
Информация, считанная из ОЗУ, поступает в блок исправления ошибок. В этом блоке происходят преобразования, подобные тем, которые производились в блоке защиты от ошибок при записи, но в обратном порядке. После обнаружения и исправления ошибок декодерами Рида-Соломона поток информации разделяется демультиплексором на два канала.
В каждом канале сигналы поступают на цифро-аналоговые преобразователи и фильтры нижних частот. Полученные таким образом сигналы правого и левого каналов усиливаются и подаются в громкоговорители.
4. Диск формата DVD
В конце 1994 года фирмы PHILIPS/SONY сообщили о разработке более совершенного носителя информации. К началу 1997 года производители электронной аппаратуры пришли к единому мнению относительно параметров этого носителя, который получил название Diginal Versatile Disc – DVD. Что представляет собой DVD-диск? Диаметр и толщина диска сохранились такими-же как у компакт- диска, 120 мм и 1.2 мм (выпускают диски и диаметром 80 мм). Однако, число информационных слоев может быть от одного до четырех: однослойный односторонний (SSSL), двухсторонний однослойный (DSSL), односторонний двухслойный (SSDL) и двухсторонний двухслойный (DSDL). Толщина информационного слоя уменьшена до 0.05 мкм (у CD – 0.1 мкм). Расстояние между информационными слоями – 0.4 мкм. Переход с одного информационного слоя на другой осуществляется изменением фокусировки объектива. Эти особенности диска иллюстрируются рис. 14.
1 – односторонний однослойный; 2 – односторонний двухслойный;
– двухсторонний однослойный; 4 – двухсторонний двухслойный.
Рисунок 14
Информационная ёмкость слоя увеличена до ~ 5 Гбайт за счет укорочения длины волны лазерного излучения (λ = 0.635 мкм). При этом получена ширина пита 0.15 мкм, шаг спирали 0.725 мкм. Кроме того информация сжимается при записи по стандарту МРЕG-2. При записи изображения достигнуто разрешение по горизонтали ~ 480 строк. DVD – диски имеют региональный код: 1 –США и Канада; 2 – Европа и япония; 3 – Ю-В Азия; 4 – Южная Америка и Австралия; 5 – Китай; 6 – Африка и Россия (см. рис. 15).
Рисунок 15
Структура проигрывателя DVD в основных чертах похожа на структуру проигрывателя компакт-дисков. Однако, сжатие информации при записи требует включение в схему соответствующих декодеров (см. рис.16).
Рисунок 16
Нравится материал? Поддержи автора!
Ещё документы из категории информатика:
Чтобы скачать документ, порекомендуйте, пожалуйста, его своим друзьям в любой соц. сети.
После чего кнопка «СКАЧАТЬ» станет доступной!
Кнопочки находятся чуть ниже. Спасибо!
Кнопки:
Скачать документ